Проверочный расчет подшипников
Для
нормальной работы в течение рабочего
заданного срока службы подшипника его
номинальная долговечность
должна быть больше или равна заданной
=10000
ч.
При расчете подшипников качения сначала определяют эквивалентную нагрузку по
P=(XV
Fr+Y
Fa)
Kσ
Kν, (7.1)
где X- коэффициент радиальной нагрузки;
V - коэффициент нагрузки, учитывающий, какое из колец вращается, при вращающемся внутреннем кольце V =1,0;
- реакция в опоре вала, Н;
Y - коэффициент осевой нагрузки;
-
осевая сила, Н;
=3194Н;
-коэффициент
режима работы, при работе с небольшими
перегрузками равен 1,2;
-температурный
коэффициент, при рабочей температуре
подшипника менее 100
=1,0.
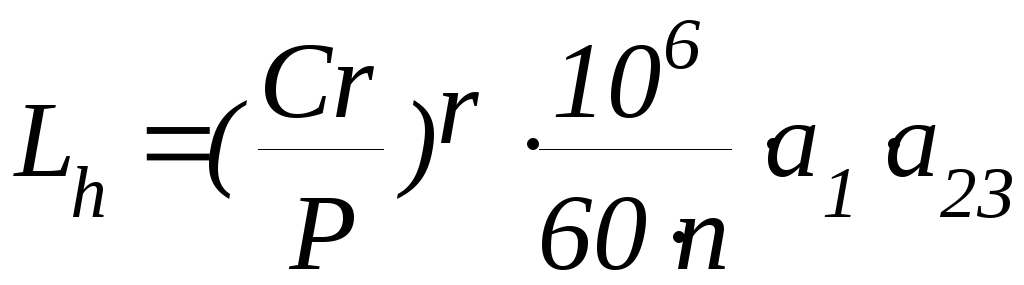
Долговечность подшипника определяется по (7.2):
,
(7.2)
где Р- эквивалентная нагрузка, Н;
-
коэффициент вероятности безотказной
работы, при вероятности 0,99,
=0,21,
–
коэффициент
условий работы, в случае агрессивных
сред
=0,75;
–
коэффициент
тел вращения, для шариковых подшипников
=
3,0.
Расчет радиального однорядного шарикового подшипника:
=15,8Н;
;
д

6,2·1011 часов > 10000 часов, условие долговечности выполняется, подшипник подобран верно.
Расчет упорного двойного шарикового подшипника 38212:
Этот подшипник воспринимает только осевую нагрузку. У него: r=3, х=0 и у=1,0; Fa=3217H; Kt=1; Crа=65000; n=50 об/мин; Kб =1,2;
![]()

250690 часов > 10000 часов, условие долговечности выполняется, подшипник подобран верно.
Расчет сферического подшипника 8212 Cr=30кН, С0=16кН
Так как сферический подшипник не воспринимает осевую нагрузку , то не будем учитывать осевую нагрузку.
=18Н;
=0,
x=1,
y=0.

то х=1; у=0.
P=
(1,0
1,0
18
+0
0)
1,2
1,0
=21,6Н.

> 10000 ч,
условие долговечности выполняется,
подшипник подобран верно.
Конструкция расположения подшипников на валу представлена на рис. 7.7.
7.3.8. Подбор муфты
Муфта – устройство, служащее для соединения валов между собой или с деталями, свободно насаженными на валы, с целью передачи вращающего момента.
Фланцевая муфта применяется для соединения строго соосных валов. Муфта состоит из двух полумуфт, имеющих форму фланцев.
Фланцевая муфта обеспечивает надежное соединение валов и может передавать большие моменты.
Муфта подбирается в соответствии с диаметром вала по ОСТ 26-01-1226-75; Габарит 3, исполнение 2.
Рис. 7.7.
Конструкция опор вала мешалки для случая рассмотрения примера решения аппарата
d = 60мм; n = 6
D = 220 мм; L = 110 мм;
D1 = 180 мм; l = 25 мм;
d0 = 90 мм; l1 = 38 мм;
d1 = 110 мм; b = 5 мм;
d2 = 120 мм; l2 = 22 мм;
d3 = 105 мм; T = 10000 H∙м;
dб = М16 ; m = 26,4 кг.
Конструкция муфты представлена на рис. 7.8.
60
Рис. 7.8. Фланцевая муфта
7.3.9. Расчет мешалки
Определение расстояния от оси до точки приложения равнодействующей сил, действующих на лопасти:
,
где
R
– радиус лопасти;
![]()
r – радиус ступицы; r = 30 мм.
.
Определяем значение равнодействующей силы
,
где T’ – крутящий момент на валу;
z = 2 – количество лопастей рамной мешалки;

Изгибающий момент у основания лопасти:
.
Из условия прочности необходимый момент сопротивления лопасти
,
для стали Х17Н13М2Т
.
![]()
Условие прочности выполняется.
Центр тяжести сечения

А1=12∙1,4=16,8 см2 А2=1,7∙5,25=8,925 см2.
Момент инерции сечения


Условие прочности выполняется.
Конструкция мешалки представлена на рис. 7.9.

Рис. 7.9. Мешалка рамная
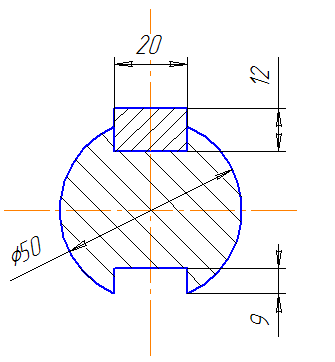
Расчет шпонки на смятие
Выбираем две шпонки по ГОСТ 23360-78:
![]()
![]()
![]()
Проверим на смятие:
dвала = 50 мм – диаметр под ступицу.
![]()


Условие прочности:
![]()
![]()
Рис. 7.10. Шпонка
7.3.10. Расчет опор-лап аппарата
Размер опоры-лап выбирается в зависимости от внутреннего диаметра корпуса аппарата в соответствии с ГОСТ 26-665-72.
Проверочный расчет элементов опоры:
Выбираем типоразмер опоры и определяем допускаемую нагрузку на опору:
Тип 2. Исполнение 2.
a = 210 мм; h = 470 мм; d0 = 35 мм;
a1 = 250 мм; h1 = 24 мм; d1 = M30 мм;
a2 = 150 мм; l = 120 мм; f = 210 мм;
b = 380 мм; S1 = 12 мм; m = 28 кг;
b1 = 170 мм; k = 35 мм; подкладной лист:
b2 = 160 мм; k1 = 100 мм; m = 4.5 кг;
c
= 40 мм; R
= 1100
мм; ![]()
c1 = 120 мм; r = 20 мм;
Основная величина для расчета нагрузки на одну опору:

где
–
максимальный вес аппарата, включающий
вес аппарата, футеровки, термоизоляции,
различных конструкций, опирающихся на
корпус аппарата, максимальный вес
продуктов, заполняющих аппарат или
массу воды при испытании.
,
где
;
![]()
![]()

![]()


;
![]()



![]()
![]()
![]()
![]()

![]()
n = 4 – количество опор-лап.
- условие выполняется.
Определяем фактическую площадь подошвы подкладного листа опор:
,
где a2, b2 – размеры подкладного листа.
Определяем требуемую площадь подошвы подкладного листа из условия прочности бетона фундамента:

где
- допускаемое удельное давление для
бетона марки 200.
-
условие выполняется.