К
сведению: контур, состоящий из
последовательно соединенных прямолинейных
или криволинейных участков без
разветвлений в узлах соединения линий,
выделяется как одно целое;
2) выбор оси: нажимаем на кнопку «Выбор оси» и выбираем ось;
3) в параметрах вращения оставляем переключатель «Полный оборот» и нажимаем кнопку «ОК»;
4) те же операции повторяем со всеми остальными элементами корпуса, в нашем случае с фланцем. На панели Дерево операций появятся два новых элемента – «Вращение1» и «Вращение2»;
5)
поверхность фланца и поверхность
остальной части корпуса пока не связаны
вместе. Необходимо их объединить. Для
этого выбираем инструмент
(пересечение поверхностей) и последовательно
пересекаем данные поверхности вращения,
при этом на панели Дерево
операций
элемент «Вращение»
будет
заменяться на один или несколько
элементов
«Поверхность».
Рекомендация:
выбирать элементы для команды пересечение
(и для других тоже) можно как на самом
построении, так и на Дереве операций.
Некорректное
отображение результата пересечения
поверхностей (как в нашем случае,
поверхность фланца выродилась до
небольшого участка) на дальнейшие
расчеты не повлияет.
После
того как все поверхности пересечены,
их необходимо сшить
(сшивка поверхностей), выделяя попарно
поверхности, при этом количество
поверхностей на панели Дерево
операций
будет уменьшаться, а сшитые поверхности
будут выделяться вместе. После того как
все поверхности будут сшиты, должна
остаться всего одна поверхность.
Если поверхности не сшиваются, значит, они не пересекаются. Возможно, были допущены ошибки построения, использованы дробные координаты и др.
Добавление люка-лаза
Люк-лаз можно сделать двумя способами: выталкиванием и вращением. Рассмотрим оба варианта.
А
.
Построение с помощью вращения
1)
перейдем к редактированию эскиза корпуса
(ось люка находится в данной плоскости,
хотя может быть в любой другой). Для
этого щелкнем правой кнопкой мыши,
находясь в режиме выбора (
- режим выбора), на линии, образующей
эскиз корпуса, выбрать в меню пункт
«Редактировать эскиз»;
2
)
в верхней части аппарата, где должен
быть люк-лаз, проведем ось люка. По
чертежам или расчетам узнаем расстояние
от оси аппарата до оси люка (примем 600
мм). Включаем привязку
(параллельная прямая) и проводим линию,
параллельную оси аппарата и пересекающую
эллиптическую образующую крышки;
3
)
строим люк перпендикулярно поверхности
крышки. Для этого необходимо включить
привязку
(нормаль к кривой), провести ось люка
длиной, равной высоте люка-лаза (190 мм)
из точки пересечения предыдущей прямой
и кривой эллипса, заданной длины (высоты
люка), не заканчивая линии, перпендикулярно,
провести линию, длиной, равной радиусу
люка (200 мм), и снова провести прямую
перпендикулярно, до пересечения с
крышкой аппарата и чуть дальше. Лишнее
необходимо убрать.
З
атем,
нажать
(или ‘Esc’
на клавиатуре), правой кнопкой мыши по
свободному месту и «Закончить эскиз»;
4) инструментом Вращение осуществить вращение контура стенки люка вокруг его оси (синий – контур стенки люка, желтый – ось вращения);

5)
затем пересечем поверхности люка и
корпуса (
)
и отсечем ненужные куски поверхностей
(
- удалить грань на поверхности).
Чтобы добраться до скрытых внутри поверхностей, некоторые поверхности можно скрыть, а ненужные удалить (все в режиме Выбора).

Чтобы
посмотреть под другим ракурсом, можно
нажать
(вращение вида) или клавишу Пробел
на клавиатуре и повертеть мышкой. Удалить
ненужные участки;

6) затем можно сшить люк с корпусом, сделав корпус видимым;

7
)
сделаем люку крышку. Для этого построим
Рабочую
плоскость,
в которой мы будем работать: нажимаем
кнопку
(рабочая плоскость) и выбираем ориентиры:
первый – точка, которая будет началом
координат новой плоскости, вторым –
может быть точка, прямая, другая плоскость,
причем по отношению к прямым может быть
как перпендикулярна, так и параллельна.
Затем, щелкая правой кнопкой мыши по
контуру Рабочей
плоскости,
начинаем «Новый эскиз».
Д
ля
того чтобы плоскость Нового эскиза
сделать параллельной плоскости экрана
перпендикулярно взгляд, необходимо
нажать кнопку
(показать плоскость).

В
данной плоскости нарисуем любой замкнутый
контур (окружность, многогранник…), по
размерам больший, чем находящийся ниже
лаз.
Затем,
выйдя из редактирования эскиза, с помощью
инструмента
(контурная плоскость) создаем на основе
данного замкнутого контура плоскость.

Пересекаем полученную плоскость с поверхностью люка и отсекаем ненужную часть. Сшиваем крышку и корпус.

Б. Построение люка с помощью выталкивания
1) как и в случае построения люка вращением, необходимо, построить ось люка-лаза длиной, равной высоте лаза (у нас 190 мм):

2) построить Рабочую плоскость в точке на конце оси:


3) в построенной Рабочей плоскости создать Новый эскиз, а в нем построить окружность с центром (0,0) и радиусом равным радиусу люка (например, 200 мм). Закончить эскиз.
4)
выбрать инструмент
(выталкивание), выбрать контур нашей
окружности, Дистанция
200,
направление – Назад,
Создать
нижнюю крышку,
ОК.


Для просмотра модели с различных углов просмотра можно нажать клавишу Пробел и повертеть мышкой с нажатой левой кнопкой. После отпускания клавиши Пробела восстанавливается выбор того же инструмента, который был последним;
5)
далее необходимо показать скрытую ранее
поверхность основного корпуса и пересечь
ее с поверхностью люка-лаза (
);
6) скрыть нужные и удалить ненужные поверхности:

7)
сшить поверхности корпуса и люка (
):

Построение рубашки аппарата
Если конструкция аппарата предусматривает наличие рубашки, то её тоже возможно изобразить в расчетной модели и рассчитать корпус аппарата с её учётом. Параметры рубашки аппарата представлены на рис. 8.3.

Рис. 8.3. Габаритные размеры корпуса аппарата с рубашкой
Для
добавления рубашки к аппарату необходимо
открыть на редактирование эскиз основного
корпуса и добавить контур образующей
рубашки. Выполнить скругления углов
соответствующими радиусами. Закрыть
эскиз.
Далее
вращением контура (
)
создать поверхность рубашки.
Поверхности
аппарата и рубашки пересечь инструментом
,
затем сшить (
)
только образовавшиеся части корпуса,
не сшивая с ним рубашки (для этого
предварительно скрыть рубашку). Несшитые
корпус и рубашка необходимы затем для
помещения их в отдельные слои при задании
нагрузок в программе Structure3D.
Построение опор-лап аппарата
Опоры-лапы
рассчитываемого аппарата строим согласно
размерам на представленном ниже чертеже.
Для простоты построение будем выполнять
на аппарате без рубашки.
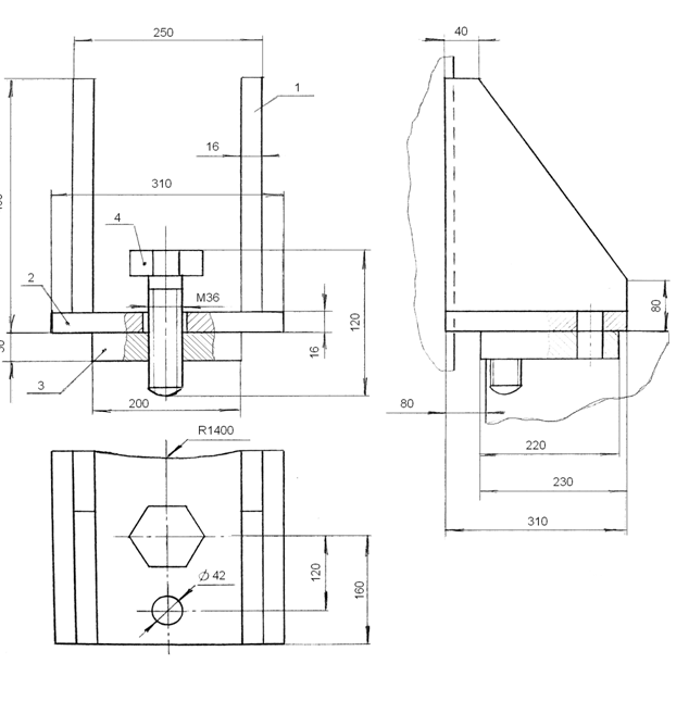
Рис.
8.4. Размеры опор-лап:
1 - косынка; 2 - основание; 3 – подкладной лист; 3– подкладной лист
1)
начинаем с построения Рабочей плоскости,
содержащей основания опор (например,
расстояние от верхней кромки обечайки
аппарата до плоскости опоры аппарата
равно 800 мм). Для этого на основном эскизе
нарисуем отрезок от верха цилиндрической
части вниз на 800 мм, затем от конца данной
линии проводим отрезок до оси аппарата;
2)
на пересечении построенной линии и оси
поставить точку
(рисовать узел) и закончить эскиз.
Если необходимо, скройте поверхности,
закрывающие обзор;
3)
построить Рабочую плоскость (
)
через точку пересечения (будет началом
координат) и параллельно координатной
плоскости, изображенной маленьким
квадратиком (перпендикулярная
нарисованному отрезку);
4) в построенной рабочей плоскости создадим новый эскиз и изобразим в нем контур опор – лап в виде прямоугольника по размерам согласно чертежу (рис. 8.4), выступы опорного листа пока не рисуем;
5)
инструментом
(выталкивание) выделить элементы,
составляющие основной контур опоры;
Дистанция
2620 (диаметр аппарата плюс удвоенная
длина выступа опор, 2000+2*310=2620); Оба
направления;
6)
делаем видимым основную поверхность
корпуса и пересекаем (
)
её с поверхностью опор. Скрываем
поверхность корпуса и удаляем лишнюю
часть. Сшить (
)
все поверхности, в том числе ограниченные
прямоугольным коробом:
