Материал: TTE_Lect1

Внимание! Если размещение файла нарушает Ваши авторские права, то обязательно сообщите нам

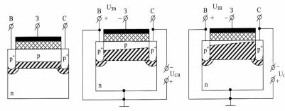
а) б) в) Рисунок 11.15 – Будова МДН - транзистора із вбудованим

каналом

У МДН – транзисторах з вбудованим каналом p - типу збільшення негативної напруги на затворі приводить до розширення каналу і збільшення струму стоку (рисунок 11.15, б). Збільшення на затворі такого транзистора позитивної напруги (рисунок 11.15, в) спричиняє надходження електронів з товщі напівпровідника до приповерхневого шару. Ширина каналу, його електропровідність, а також струм стоку зменшують.

При деякій позитивній напрузі на затворі (Uзввідс ) відбувається

інверсія типу провідності каналу, і області стоку й витоку розділяються областю n - типу. Струм стоку зменшується до значення зворотного струму p-nпереходу.

Режим роботи транзистора, коли збільшення напруги Uзв за

модулем приводить до зменшення струму стоку, називають режимом збіднення. Оскільки лише МДН – транзистори з вбудованим каналом, крім режиму збагачення, мають ще й режим збіднення, то їх називають польовими транзисторами збідненого типу.

Статичні характеристики МДН – транзистора з вбудованим каналом p типу наведені на рисунку 11.16.

151

а) б) в) Рисунок 11.16 – Статичні характеристики МДН - транзисторів з

вбудованим p - каналом: а) стокозатворні; б) стокові; в) схемні позначення

Вигляд їх подібний до вигляду характеристик інших польових транзисторів. Однак ці характеристики, на відміну від попередніх, мають область позитивних затворних напруг (область збіднення) і область негативних затворних напруг (область збагачення).

Переваги польових транзисторів – високий вхідний опір і, як наслідок, дуже мале споживання енергії в керувальному колі, високий порівняно з БТ коефіцієнт підсилення потужності більше, ніж ПТУП, властиві МДН – транзисторам. Та обставина, що металевий затвор в цих приладах ізольований від напівпровідникової підкладки тонким шаром діелектрика, зумовлює те, що вхідний опір МДН – транзисторів у десятки – сотні разів вищий, ніж у ПТУП, і досягає десятків мегаомів,

тобто затворний струм Iз не перевищує одиниць наноамперів. До того

ж, ця властивість польових транзисторів з ізольованим затвором зумовлює збільшення перешкодостійкості і надійності роботи електронних схем, у яких вони використовуються. Проте у таких приладів є суттєвий недолік. Відомо, що шар діелектрика завтовшки 1 мкм пробивається напругою 500 – 600 В. У МДН - транзисторах ізолювальна плівка має товщину 0.1 – 0.15 мкм, і тому її пробивна напруга не перевищує кількох десятків вольтів. Унаслідок цього МДН – транзистори є дуже чутливими до статичної електрики, навіть до тої, що накопичується на людському тілі. Тому в довідниках рекомендовано паяння і згинання виводів цих транзисторів здійснювати не ближче 3 мм від корпусу. Під час транспортування, зберігання і монтажу виводи приладів повинні закорочуватись, а руки оператора і паяльник потрібно

152

заземляти.

Прикладами МДН – транзисторів із вбудованим каналом є малопотужні прилади: КП 305, КП 306, КП 313. Всі ці транзистори високочастотні і тому мають провідність каналу n - типу. До потужних МДН - транзисторів із вбудованим n - каналом належать транзистори КП 901.

11.3Залежність характеристик і параметрів польових транзисторів від температури

У ПТУП зміна температури приводить до зміни контактної

різниці потенціалів UK на p-nпереході, зворотного струму через перехід, а також до зміни рухомості основних носіїв заряду.

Зміна UK супроводжується, згідно з формулою (11.2), зміною глибини проникнення p-nпереходу до каналу, а це дещо змінює

напругу відсічення

Uзввідс . Наприклад, при збільшенні температури на

1 С UK

зменшується на 2 мВ, товщина p-nпереходу зменшується, а

напруга

відсічення

зростає,

причому

Uзввідс = UK . Зменшення

товщини

p-n –

переходу

спричиняє

розширення каналу, тобто

збільшення струму IC .

Водночас залежність рухомості основних носіїв у каналі від температури може бути виражена формулою

MT

=MT

(

T1

)nM ,

(11.18)

T2

2

1

 

 

 

де MT1 , MT2 - рухомість носіїв при температурі T1 та T2 відповідно;

nM 1 - коефіцієнт.

З формули (11.18) випливає, що при збільшенні температури рухомість основних носіїв зменшується, опір каналу внаслідок цього

збільшується, струм стоку IC зменшується.

Отже, зміна UK і рухомості основних носіїв у каналі при зміні температури протилежно впливають на опір каналу та струм стоку IC .

153

За певних умов дія цих факторів взаємно компенсується, і при деякій

напрузі на затворі струм стоку IC не залежатиме від температури

(рисунок 11.17).

Рисунок 11.17 – Температурний дрейф стокозатворних характеристик ПТУП

Точка А на стокозатворній характеристиці ПТУП КП 103М (рисунок

11.17), в якій струм IC не залежить від температури, називають

термостабільною точкою. Лівіше від цієї точки струм IC зі

збільшенням температури зменшується, правіше – збільшується. При цьому збільшення температури приводить до деякого збільшення напруги відсічення.

Але в основній ділянці роботи ПТУП (лівіше т.А) струм стоку і крутизна зменшуються при зростанні температури. Ця обставина зумовлює істотну перевагу ПТ перед БТ, у яких внаслідок явища самоперегріву зростання колекторного струму при нагріванні може призвести остаточно до теплового пробою.

Вплив температури на хід стокових характеристик ПТУП показаний на рисунку 11.18.

154

Рисунок 11.18 – Вплив температури на стокові характеристики ПТУП

Разом з тим збільшення температури приводить до зростання

зворотного (теплового) струму керувального

p n переходу, тобто

вхідного струму ПТУП Iз (приблизно

вдвічі при збільшенні

температури на 10 С ). Тому при збільшенні температури вхідний опір ПТУП зменшується.

У МДН - транзисторах температурну залежність напруги

відсічення (порогової напруги) визначають

зміною рівня Фермі,

зміною об’ємного заряду в збідненому шарі

p n переходу між

каналом та підкладкою, а також залежність величини заряду в діелектрику від температури. Величина порогової напруги в МДН – транзисторах змінюється на 4-10 мВ при зміні температури на 1 градус (залежно від типу приладу). Температурні зміни характеристик і параметрів МДН – транзисторів більші, ніж у ПТУП.

Робочий діапазон температур ПТ менший, ніж у кремнієвих БТ

(від -60 С до +125 С , як у КП 305, КП 306).

ЛЕКЦІЯ 12

ДИНАМІЧНИЙ РЕЖИМ РОБОТИ ПОЛЬОВИХ ТРАНЗИСТОРІВ

У динамічному режимі на вхід ПТ надходить змінна напруга, яка спричинює зміну вихідного струму. З метою виділення корисного сигналу до вихідного кола транзистора вмикають елемент навантаження. Транзистор при цьому можна вмикати зі спільним витоком, спільним затвором або зі спільним стоком. Найбільше поширення має схема зі спільним витоком. Розглянемо деякі різновиди

155