Не потрібно забувати, що при |
дослідженні транзистора з каналом |
|||
n типу полярності під’єднання |
джерел |
живлення і вимірювальних |
||
приладів треба змінити на зворотні. |
|
|||
11.1.1 Статичні вхідні характеристики |
||||
Це залежність Iз f (U зв ) |
|
Uсв const |
(рисунок 11.7). |
|
|
||||
|
|
|||
Рисунок 11.7 – Вхідна (затворна) характеристика ПТУП
Вхідні характеристики повністю визначаються властивостями p-n – переходу ПТУП і тому являють собою ВАХ цього переходу.
Оскільки на струм Iз практично не впливає стокова напруга Ucв , то
залежності Iз f ( Uзв ) для різних значень Ucв майже не
відрізняються одна від одної і подаються у вигляді однієї характеристики. У довідниках вмикати керуючий перехід ПТУП під пряму напругу, що перевищує 0.5 В, заборонено [6].
11.1.2 Статичні прохідні (стокозатворні) характеристики
Це залежності IC f (U зв )Uсв const . На рисунку 11.8 показані стокозатворні характеристики польового транзистора КП 103 М.
141
Рисунок 11.8 – Статичні прохідні характеристики ПТУП
Їх вигляд пояснюється розглянутим принципом роботи ПТУП. При збільшенні стокової напруги зростає струм стоку, і тому прохідна характеристика змішується вгору.
Стокозатворна характеристика може бути апроксимована формулою
I |
C |
I |
Cпоч |
(1 |
Uзв |
)2 , |
(11.9) |
|
|||||||
|
|
Uзввідс |
|
||||
де ICпоч - початковий струм стоку (при Uзв =0).
При напрузі відсічення Uзввідс (у КП 103 М вона приблизно дорівнює 5 В) струму стоку IC 0.
Точної рівності з нулем не буде, оскільки навіть при повному перекритті каналу через транзистор проходить зворотний струм p-n –
переходу - струм Iз .
11.1.3 Статичні вихідні (стокові) характеристики
Це залежності IC f (U cв )Uзв const .
Вихідні характеристики польового транзистора КП 103 М показані на рисунку 11.9.
142
Рисунок 11.9 – Статичні вихідні характеристики ПТУП
Розглянемо спочатку стокову характеристику, зняту при Uзв =0. Якби опір каналу не залежав від струму, що через нього проходить,
залежність IC |
f (Uсв ) була б лінійною. Однак уже при невеликій |
|
напрузі Ucв |
на крутій ділянці |
характеристики зростання IC при |
збільшенні Ucв сповільнюються, |
тому що канал поволі зменшується за |
|
шириною внаслідок зростання запірної щодо p-n – переходу напруги
U(x) . |
При деякій напрузі на стоці |
Ucв =Ucвпер (напрузі перекриття) |
|||||||||
канал |
змикається біля |
стоку. |
З |
формули (11.8) |
випливає, що |
||||||
|
|
|
|
|
Uзввідс |
|
. Подальший хід характеристики відзначається, зміною |
||||
|
Uсвпер |
|
|
|
|||||||
крутої ділянки на пологу, на якій зростання напруги |
Ucв майже не |
||||||||||
приводить до зростання |
струму |
IC . Проте деяке зростання струму |
|||||||||
стоку на пологій ділянці пояснюється наступним чином. Після перекриття каналу біля стоку подальше збільшення напруги Ucв
приводить до збільшення довжини перекритої частини каналу і його опору. Якби довжина перекритої частини каналу лінійно залежала від
напруги Ucв , то при зростанні напруги Ucв збільшувався б
пропорційно до останньої опір каналу і струм через канал мав би постійну величину. Але насправді довжина перекритої частини каналу
143
залежить від напруги Ucв так, як глибина проникнення запірного шару
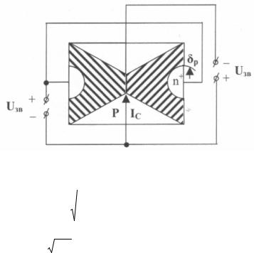
до каналу P (рисунок 11.10).
Рисунок 11.10 – Змикання каналу під дією струму стоку
Враховуючи (11.2), отримуємо |
|
|
|
|
|
|
|
|
|
|
|
|||
|
|
|
|
|
|
|
|
|
|
|
|
|
|
|
P = |
2 0 |
UK |
|
|
Uзв |
|
|
|
Uсв |
|
, |
(11.10) |
||
|
|
|
|
|||||||||||
|
||||||||||||||
|
qNA |
|
|
|
|
|
|
|
|
|
|
|
||
тобто довжина зімкнутої (перекритої) частини каналу і його опір
пропорційні до Uсв і збільшується при збільшенні Ucв |
повільніше. |
|
Тому на пологій ділянці при зростанні |
Ucв струм IC |
також дещо |
зростає. При дещо великій напрузі Ucвпроб |
виникає пробій ділянки p-n – |
|
переходу між затвором і стоком (оскільки саме між цими електродами максимальна напруга).
Збільшуючи напругу на затворі стосовно нуля, спостерігають зміщення вихідних характеристик донизу, оскільки струм стоку при цьому, згідно з принципом дії ПТУП, зменшується. Напруга перекриття
Ucвпер для кожної наступної характеристики також зменшується. Це
пояснюють сумісною дією на p-n – перехід обох напруг - Ucв і Uзв ,
тобто за формулою (11.8)
144
Uсвпер |
|
|
Uзв |
|
|
Uзввідс |
const . |
(11.11) |
|
|
|||||||
|
|
|
|
|
|
|
|
|
Зрозуміло З формули (11.11), зрозуміло що при збільшенні Uзв
повинна зменшуватися напруга перекриття Ucвпер . Пологі ділянки на сім’ї характеристик рисунку 11.9 зумовлені тими самими процесами, що
і відповідна ділянка на характеристиці при Uзв =0.
Оскільки внаслідок принципу дії ПТУП напруга пробою між стоком і затвором
Uсз ( |
Uзв |
|
Uсв |
)проб |
const , |
(11.12) |
то при збільшенні напруги на затворі пробій відбудеться при меншій напрузі стоку, як це показано на вихідних характеристиках (рис. 11.9).
Круті ділянки вихідних характеристик називають омічними. Диференційний опір ПТУП на цих ділянках залежить від затворної
напруги Uзв . Тому ці ділянки є робочими в режимі, коли ПТУП
використовують як електронно-керований змінний резистор.
На пологих ділянках ПТУП працює як підсилювальний елемент.
11.1.4 Диференційні параметри польових транзисторів
1.Крутизна прохідної характеристики визначає нахил цієї характеристики в довільній точці
SПТ |
|
dIC |
|
|
|
, |
(11.13) |
|
|
||||||||
|
|
dU |
зв |
|
Uсв |
const |
|
|
|
|
|
|
|
||||
тобто засвідчує, на скільки міліамперів зміниться струм стоку при зміні напруги на затворі на 1 В при Ucв =const . Значення SПТ лежить у
межах від 0.5 до кількох мА/В і може бути одержане графоаналітично за стокозатворними характеристикам.
145