Материал: TTE_Lect1

Внимание! Если размещение файла нарушает Ваши авторские права, то обязательно сообщите нам

ЛЕКЦІЯ 6

БІПОЛЯРНІ ТРАНЗИСТОРИ

6.1Будова та принцип дії біполярних транзисторів

6.1.1Загальні відомості про біполярні транзистори

Біполярний транзистор (БТ) – це електроперетворювальний напівпровідниковий прилад з одним, двома або кількома p n переходами, який має три або більше виводів і здатний

підсилювати потужність. Робота БТ грунтується на тому, що між його переходами існує взаємодія: змінюючи струм одного з переходів, можна управляти зміною іншого переходу (струмом через прилад). Малі розміри й маса, здатність працювати при малих напругах, висока механічна міцність, довговічність і зручність мікромініатюризації зумовили найширше використання цих приладів у електроніці протягом останніх десятиріч.

Класифікація транзисторів.

1 За характером перенесення носіїв заряду розрізняють біполярні (БТ) та польові (ПТ) транзистори. БТ – це здебільшого двоперехідні прилади, у процесі струмопроходження яких беруть участь носії обох знаків: і основні, і неосновні. У польових транзисторів струм створюється рухом носіїв одного знаку.

2 За кількістю переходів розрізняють одноперехідні, двоперехідні та багатоперехідні транзистори. Серед БТ найбільш поширені транзистори з трьома виводами.

3 За типом провідності (послідовність розміщення напівпровідникових областей) розрізняють p-n - p та n - p-n -

транзистори.

4 За характером розподілу атомів домішок та руху носіїв у базі розрізняють дрейфові та бездрейфові БТ.

5 За величиною допустимої потужності, що розсіюється на електродах приладу, транзистори поділяються на малопотужні (до 0,3 Вт) середньої потужності (від 0,3 до 1,5 Вт) та потужні (більш

1,5 Вт).

6 За значенням граничної частоти розрізняють БТ низькочастотні (до 3 МГц), середньої частоти (від 3 до 30 МГц) та високочастотні (більш 30 МГц).

56

Система позначень БТ Згідно з ГОСТ 10862-72 система позначень транзисторів

налічує 6 елементів:

1-й – буква або цифра, що вказує на матеріал виготовлення приладу (Г/1/ - германій або його сполуки, К/2/ - кремній або його сполуки); 2-й – буква, що визначає підклас приладу (Т – біполярний, П – польовий транзистор); 3-й – цифра від 1 до 9, характеризує призначення транзистора згідно з таблицею 6.1;

Таблиця 6.1

Транзистори

Малої

Середньої

Потужні

 

потужності

потужності

 

Низької частоти

1

4

7

Середньої частоти

2

5

8

Високої частоти

3

6

9

4-й та 5-й – цифри від 01 до 99, визначають порядковий номер розробки транзистора; 6-й – літера від А до Я, показує параметричну групу технологічного типу.

Позначення площинних БТ, що розроблялися до 1964 р., але застосовуються й досі, складаються з трьох елементів:

1-й – буква “П”(або “МП” – для БТ з уніфікованим корпусом); 2-й – число (номер), що визначає призначення транзистора згідно з таблицею 3.2; 3-й – буква, що вказує на різновид транзистора.

Приклади позначень транзисторів (таблиця 6.2): ГТ 605А – германієвий біполярний транзистор середньої потужності високої частоти широкого застосування, номер розробки 05, група А; 2Т 144А

– кремнієвий біполярний транзистор малої потужності низької частоти для пристроїв спеціального призначення, номер розробки 44, група А.

Таблиця 6.2

Транзистори

Германієві

Кремнієві

низької частоти

малопотужні

від 1 до 100

від 101 до 200

 

потужні

від 201 до 300

від 301 до 400

високої частоти

малопотужні

від 401 до 500

від 501 до 600

 

потужні

від 601 до 700

від 701 до 800

57

Будова сплавних транзисторів

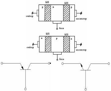
Транзистор – це монокристал НП з двома p-n -переходами.

На рисунку 6.1 схематично показано будову БТ p-n - p та n - p-n -

типів та їх умовне графічне зображення.

Рисунок 6.1 – Умовне схематичне і графічне зображення БТ

Принцип дії транзисторів однаковий для обох типів провідності. Відмінність полягає лише в полярності джерел зовнішніх напруг і в напрямі струму через електроди. Тому надалі будемо розглядати тільки транзистори p-n - p - типу, вважаючи всі висновки

справедливими щодо транзисторів n - p-n - типу.

Середню область БТ називають базою. P -область, що відділена від бази p-n -переходом з меншою площею, називається

емітером, а сам перехід називається емітерним переходом (ЕП). Аналогічно до цього крайня справа p-область називається колектором,

а перехід між ним та базою – колекторним переходом (КП).

Спосіб виготовлення сплавних малопотужних БТ низької частоти полягає у наступному, До пластини германію n -типу з малим

питомим опором ( 1 1.5 Ом см) з двох боків притискують два шматочки індію. Потім пластину поміщають у піч, в якій створюється

58

вакуум до 0,013 Па, і підвищують температуру. Індій розплавлюється, розчиняється з сусідніми шарами германію і під дією сил поверхневого натягу набуває форми сферичного сегмента (рис.6.2).

 

Рисунок 6.2 – Будова сплавного БТ

 

Площа

розплавленого

індію визначає активну

площу

p-n -переходу.

Після цього

здійснюється охолодження

всієї

конструкції з постійною швидкістю зміни температури. Внаслідок цього відбувається рекристалізація областей. Шари германію, розчинені з індієм, мають у своїй кристалічній структурі тривалентні а томи акцепторних домішок і набувають провідності p-типу. Ці

p-області відокремлюються від пластини n -типу двома різними

p-n -переходами.

Менша з акцепторних областей, як правило використовується як емітерна, більша – як колектор. Середня область із провідністю n -типу виконує функцію бази. Частина бази, що знаходиться безпосередньо між емітером та колектором, через яку проходять носії, називається активною. До областей емітера та колектора припаюють нікелеві дротики, які утворюють невипрямлювальні контакти з індієм і виконують роль виводів. Гнучкий вивід бази, припаяний до пластини германію, з’єднується з герметизованим металевим корпусом. Виводи емітера і колектора зварюють з гнучкими металевими стержнями, які ізольовані від корпусу за допомогою скляних вставок.

59

При виготовленні транзистора дотримуються умови

NAE NDB , NAK NДВ , тобто враховується, що концентрація дірок в

області емітера й колектора значно перевищували концентрацію електронів у базі. Крім того, ширина активної області бази має бути

меншою від дифузійної довжини дірок: Lp .

6.1.2 Способи вмикання й режими роботи біполярних транзисторів

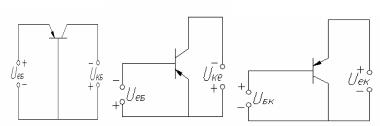
Під час вмикання БТ в електронну схему один його електрод вважають вхідним, другий – вихідним, а третій, щодо якого вимірюють вхідну і вихідну напруги, - спільним. Розрізняють наступні схеми вмикання БТ: схема зі спільною базою ССБ (рисунок 6.3, а), схема зі спільним емітером ССЕ (рисунок 6.3, б) і схема зі спільним колектором ССК (рисунок 6.3, в).

a)

б)

в)

Рисунок 6.3 – Схема вмикання БТ

Залежно від величини та полярності напруг на електродах приладу розрізняють наступні режими роботи БТ:

1 Режим відсічення (РВ). Обидва p n переходи вмикаються

у зворотному напрямі. Запірні шари переходів розширюються, їхні опори зростають, і через переходи проходять зворотні струми колектора

I0 та емітера IЕБ0 . Це струм неосновних носіїв емітерної та

колекторної областей – електронів, й оскільки концентрація цих носіїв невелика, струми ці незначні. Внаслідок різниці площ переходів

ПКП ПЕП для сплавних БТ IКБ0 IЕБ0 . БТ закритий, вихідний струм

некерований; 2 Режим насичення (РН). БП і КП вмикаються в прямому

напрямі. Дірки інжектують до бази з емітера і колектора, створюючи

60