Материал: SAPR

Внимание! Если размещение файла нарушает Ваши авторские права, то обязательно сообщите нам

9. Побудова отворів. Натисніть кнопку (Ввод вспомогательной пря- мой) і встановіть курсор у центр еліпса.

У вікні Угол наклона прямой к оси X встановіть 10 і натисніть Enter. Знов натисніть кнопку (Ввод вспомогательной прямой) і, не відпускаючи її, виберіть команду Параллельная прямая. У вікні Расстояние до прямой

введіть значення 2, після чого двічі натисніть на кнопку (Создать объект).

Викличте команди Ввод отрезка > Привязки > Пересечение > ОК. Введіть два відрізки для отвору діаметром 4 мм, а також два відрізки, що визначають контур верхньої і нижньої головки поршня. Побудуйте осьову лінію для отвору діаметром 4 мм, не забуваючи при цьому повернутися до колишнього стилю лінії Основная. У рядку меню натисніть Удалить > Вспомогатель-

ные кривые и точки (рис. 15).

Рис. 15

10. Вставка нарізного отвору з бібліотеки КОМПАС-ГРАФІК. Виберіть команду (Вспомогательная вертикальная прямая) і у вікні координати

X рядка параметрів встановіть значення -50. Натисніть Enter. У професійній версії КОМПАС 3D введення фрагмента різі здійснюється натисненням кно-

пок у такій послідовності: Менеджер библиотек > Прочие > Прикладная библиотека Компас > Резьбовое отверстие > Глухое отверстие (натисніть двічі) > Заполнить таблицу параметров резьбы. Вставте готовий фрагмент у креслення.

На екрані зявиться діалогове вікно про підтвердження збереження нати- сніть кнопку Так. На екрані зявиться зображення різі М6. Натисніть Привя- зки > Пересечения > ОК і направте зображення різі в точку перетину допо- міжної прямої з нижньою основною лінією контуру головки поршня. У лівій частині рядка параметрів координати (-52, -34), клацніть мишею і натисніть клавішу Esc. Проте вказана різь встановлена горизонтально, тоді як нам не- обхідна вертикальна орієнтація. Тому слід повернути зображення на 90˚ про- ти годинникової стрілки. Натисніть Выделить > Рамкой. Встановіть курсор у правій нижній частині нарізного фрагмента, клацніть лівою кнопкою миші, не відпускаючи її, протягніть рамку до повного обхвату нарізного фрагмента і знову клацніть мишею. При цьому колір ліній усередині рамки зміниться на зелений.

У рядку меню виберіть команди Операции > Поворот і у вікні Угол по- ворота рядка параметрів встановите величину -90. Прослідіть за тим, щоб з

11

правої частини вікна була зображена кнопка з одним прямокутником . По- тім направте курсор у точку повороту з координатами (-52, -34) і після появи косого хреста клацніть мишею. Різь встановиться вертикально і в потрібному нам місці. Проте за кресленням потрібна різь М10 з довжиною нарізної час- тини 14 мм, тоді як у нас встановлена різь М6 з довжиною нарізної частини 17 мм (рис. 16). Щоб трансформувати різь, застосуйте команду Операции > Масштабирование і в рядку параметрів у вікні Масштаб по X розділіть 10 на 6, де у чисельнику потрібний нам діаметр різі, а в знаменнику зображе- ний. Натисніть Enter. Система автоматично розділить числа і збільшить роз- міри по осі X в 1,667 разу.

Рис. 16

Аналогічним чином у вікні Масштаб за У розділіть довжину нарізної ча- стини 14 на 17, натисніть Enter і отримайте масштаб 0,824. Після цього на- правте курсор у точку центру масштабування, якою є точка з координатами (-52, -34) і після наведення курсору в цю точку клацніть мишею, натисніть кнопку Stop і ще раз клацніть мишею в будь-якому полі креслення. Необхід- ні параметри різі встановлені. Введіть осьову лінію для різі і видаліть допо- міжні криві і крапки (рис. 17).

11. Побудова місцевого розрізу. На інструментальній панелі натисніть кнопку (Ввод кривой Безье). Виберіть у діалоговому вікні (Тип линии) Для линии обрыва. Встановіть курсор на лінії контуру поблизу різьбового фрагмента і, позначаючи крапки за допомогою миші, виконайте місцевий розріз, як показано на рис. 17. Завершіть місцевий розріз, натиснувши кнопку

(Создать объект), і не забудьте повернутися до установки основної лінії.

Рис. 17

12

12.Штрихування. На панелі управління натисніть кнопку Показать все,

ана інструментальній панелі кнопку Штриховка. У рядку параметрів у ві- кні Шаг штриховки введіть 2 і натисніть клавішу Enter, а у вікні Угол на- клона штриховки введіть 45 і знову натисніть Enter. Переконайтеся, що ви- гляд штрихування відповідає металу. Після цього встановіть курсор всереди- ну області місцевого обриву, клацніть мишею і натисніть кнопку (Создать объект). Штрихування місцевого обриву побудоване. Встановіть інші пара- метри штрихування: Шаг штриховки 3, Угол наклона 45. Клацніть мишею в місцях передбачуваного штрихування і натисніть кнопку (Создать объ- ект). Геометрична побудова закінчена (див. рис. 17).

13.Простановка розмірів. Велику кількість вертикальних і горизонталь- них розмірів найзручніше встановлювати за допомогою сітки розміром 5×5 або 10×10. У рядку поточного стану натисніть кнопки Сетка > Привязки і в діалоговому вікні встановіть прапорець напроти слів По сетке > ОК. У цьо- му випадку відстань між розмірами буде строго фіксована на рівні 10 мм, що додасть кресленню охайності і рівномірної насиченості. Послідовність і по- рядок простановки розмірів аналогічні попереднім. Після простановки розмі- рів слід зберегти креслення під іншим імям, наприклад Головка поршня 2. У результаті ми отримаємо два файли: один з розмірами, інший без них. Це необхідно для зручності подальшої збірки.

14.Оформити звіт з лабораторної роботи.

Звіт повинен містити:

1.Перелік та короткий опис використаних команд, порядок побудови кре- слення.

2.Креслення деталі згідно з завданням.

2.Контрольні завдання та запитання

1.Перелічіть основні команди, які використовуються при створенні крес- лення поршня.

2.Яким чином вставити в креслення графічні обєкти з бібліотек?

3.Поясніть призначення бібліотек Компас графік; які бібліотеки вам ві-

домі?

4.Яким чином виконується масштабування креслення або фрагмента кре- слення?

5.Поясніть призначення поршня.

6.Опишіть умови роботи поршня.

7.Чому конструкція поршнів чотиритактних двигунів відрізняється від поршнів двотактних.

Лабораторна робота № 3

ПОБУДОВА КРЕСЛЕННЯ ТРОНКА ПОРШНЯ

Мета роботи: вивчити будову тронка поршня та оволодіти навиками кре- слення тронка поршня.

13

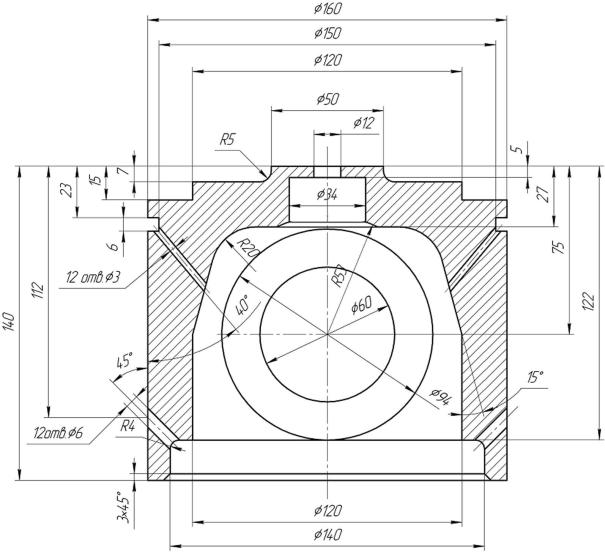
Побудуйте креслення тронка поршня наведене на рис. 18.

Рис. 18

1.Порядок виконання роботи

1.Виберіть Непрерывный ввод объектов і установіть курсор в центр координат (Ctrl+0).

2.Побудова ортогонального контуру частини тронка поршня. Використо- вуючи тільки клавіатуру встановіть у вікні поточних координат таку послідо-

вність: (25, 0); (25, -7); (60, -7); (60, -15); (80, -15); (80, -23);(75, -23); (75, -29);

(80, -29); (80, -140); (70, -140); (70, -122);(60, -122); (60, -27); (17, -27); (17, -5);

(0, -5).

Якщо все зроблено вірно, на екрані буде зображений ортогональний кон- тур правої частини тронка поршня (рис. 19).

3. Побудова отворів. Вводимо вспомогательную прямую і на запит сис-

теми Укажите первую точку вспомогательной прямой или введите коор-

динаты активуйте мишею поле координати X і встановіть із клавіатури ве- личину 70. Натисніть клавішу Enter. Потім клацніть мишею на полі коорди- нати У і введіть значення (-122). Знов натисніть Enter. У вікні Угол наклона

14

прямой к оси X встановіть (45) і знову Enter. Аналогічно встановіть коор- динати точки другої допоміжної прямої (60, -75), кут нахилу 105 і третьої

(75, -29) з кутом нахилу 40° ( рис. 20).

У результаті утворяться дві паралельні лінії, відстань між якими складе 3 мм. Аналогічним чином проведіть дві паралельні прямі для нижньої допоміжної прямої, але у вікні Расстояние до прямой введіть значення 3 (рис. 21).

Рис. 19

Рис. 20

Рис. 21

4.Створення відрізка. Встановіть привязку, скориставшись командами Пересечение (поставте прапорець) і ОК. Введіть один відрізок під кутом 105°, визначаючий контур нижньої частини тронка поршня, потім чотири відрізки для отворів діаметром 3 і 6 мм. Побудуйте осьові лінії для отворів діаметром 3 і 6 мм, не забуваючи при цьому повернутися до колишнього сти-

лю лінії Основная. У рядку меню натисніть Удалить > Вспомогательные кривые и точки (рис. 22).

5.Побудова скруглення. Виберіть команду Скругления і введіть радіус 20, натисніть клавішу Enter і виконайте скруглення верхньої внутрішньої ча- стини тронка. Аналогічним чином виконайте скруглення верхньої частини тронка радіусом 5 мм і нижню частину радіусом 4 мм. Потім видаліть всі не- потрібні лінії (рис. 23).

6.Виберіть команду Фаска. Після цього направте курсор у місце, де по- трібно зробити фаску (рис. 23).

7.Зробіть симетричний відбиток відповідно початку системи координат (команда Симметрия) (рис. 24).

8.Визначіть центр кола. Для цього проведіть дві допоміжні прямі: верти- кальну через початок системи координат і горизонтальну, як показано на рис. 25 в місці перетину двох ліній (позначено *). Одне коло проводимо діа- метром 94 мм, а друге – 60 мм. На більшому колі необхідно проставити осі. Видаліть допоміжні лінії.

9.Проведіть дугу (рис. 26) радіусом 53 мм через горизонтальні лінії трон- ка і центр кіл.

15