Материал: Metoda_po_sdache_ekzamena_po_mikrovolnovke

Внимание! Если размещение файла нарушает Ваши авторские права, то обязательно сообщите нам

Применение смесительных диодов Для того, чтобы смесительный диод одновременно включить в высокочастотный тракт и цепь выпрямленного тока применяют смесительные секции (смесители). Смесители отличаются от детекторов наличием еще одного входа для подключения гетеродина. 

Смеситель совместно с гетеродином входит в состав преобразователя. Преобразование частоты широко используется в супергетеродинных приёмниках для получения промежуточной частоты. Актуальной на сегодняшний день является задача повышения эффективности специальных технических средств по приёму сигналов радиорелейных линий связи в условиях стационарных объектов, для спутниковой связи, телевидения, в возбудителях и гетеродинах для переноса сетки стабильных частот в 

более высокий диапазон, в ретрансляторах для сдвига частоты передачи  относительно частоты приёма и т.д. Одним из путей повышения их эффективности является разработка широкого ряда малошумящих преобразователей (МШПР), в состав которых входит смеситель. 

Смесительный диод

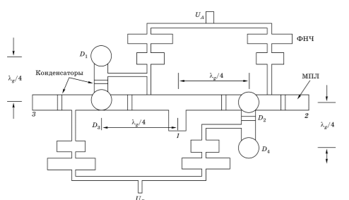
Рис. 10. Простейшая схема смесителя

На рисунке изображена схема простейшего преобразователя частоты. В ней на смесительный диод СД подаются сигналы от антенны А и от гетеродина. На диод подается также постоянное смещение от источника U. Полосно-пропускающий фильтр ППФ (преселектор) позволяет настроиться на сигнал с нужной частотой. Сигнал гетеродина поступает на СД через направленный ответвитель НО. Смещение на диод подается через фильтр нижних частот, образованный компонентами Сф, Lф2. Сигнал промежуточной частоты поступает на усилитель промежуточной частоты (УПЧ) через индуктивность

Lф1, препятствующую прохождению на вход усилителя высокочастотных

составляющих спектра. Для согласования диода с микроволновым трактом используется плунжер Пл.

Общие требования, предъявляемые к входным смесителям,  следующие: 

  • минимальный коэффициент шума Fнорм и потери преобразования L ; 

  • равномерность амплитудно­частотной характеристики и линейность фазо­частотной характеристики (ФЧХ); 

  • минимальный уровень мощности гетеродина;  максимальная развязка трактов гетеродина и сигнала СВЧ;  максимальное подавление нежелательных продуктов преобразования; 

  • низкий КСВН по сигнальному и гетеродинному входам; надёжность работы; 

  • малые габаритные размеры и масса. 

21. Диоды с положительным динамическим сопротивлением: управляющие диоды: конструкция, ВАХ, ВЧ параметры, эквивалентная схема. Связь физико-топологических параметров прибора с его статическим и динамическими (ВЧ) параметрами. Особенности схемотехнического применения: переключатели, ограничители, фазовращатели, аттенюаторы.

Введение

Можно выделить два вида диодов, с положительным и отрицательным динамическим сопротивлением. К положительным относятся диоды с p-n переходом, с барьером Шоттки, p-i-n диоды, они используются в цепях управления колебаниями, например в переключателях, ограничителях, фазовращателях, детекторах, смесителях.

Рассмотрим p-i-n диоды.

В случае детекторных и смесительных диодов, малые уровни мощности, которые они могут коммутировать, ограничивают сферу их использования. Для коммутации мощных сигналов были разработаны p-i-n диоды, или по-другому управляющие диоды

Конструкция, структура, принцип действия.

P-i-n диоды представляют собой структуру, соответственно содержащую p, n слой, между которых встроен нелегированный i-cлой (intrinsic – собственный). Принцип действия прибора основан на сильном различии полного сопротивления СВЧ сигналу при прямом постоянном токе через диод и при обратном постоянном напряжении на диоде.

Структура представлена на рисунке 1.

Рисунок 7

Структура – полупроводник, чаще всего кремний, с двумя сильнолегированными областями и типа ( ). Удельное сопротивление i-области составляет около Ом см. На внешней стороне и областей находятся омические контакты. Площадь активной части диода составляет В i области наблюдается слабая дырочная проводимость в случае Si, слабая электронная в случае Ge. Такая вот структура, ебать.

ВАХ

ВАХ диода имеет положительную ветвь, по сравнению с детекторным p-n диодом сдвинутую в сторону более высоких напряжений. Наличие же в p-i-n диоде i-области уменьшает напряженность электрического поля в базе и способствует увеличению пробивного напряжения при обратном смещении. В целом получается более резистивный характер прямой ветви, что обеспечивается низколегированной i-областью. ВАХ изображена на рисунке 2.

Рисунок 8

Стоит только повернуть вправо вах детекторного диода…

ВЧ параметры

Для описания каждого параметра, рассмотрим работу p-i-n диода. Изменение управляющего напряжения показано на рисунке 3. В начальный момент диод смещен в обратном направлении, это обеспечивается напряжением , ток через диод равен току насыщения , он мал. Переменное напряжение на диоде определяется уровнем падающей мощности и непосредственно шунтирующим действием емкости. Далее, при изменении полярности управляющего напряжения в высокоомную i-область, происходит инжекция подвижных носителей зарядов из и областей, которые образуют электронно-дырочную плазму. Первый ВЧ параметр (это же он? Извините я тупой как пробка), время заполнения i-области подвижными носителями заряда рассчитывается по формуле

Рисунок 9

Рассмотрим данный рисунок. По мере заполнения i-области ток через диод увеличивается, этот временной интервал называется временем включения. (его описание представлено выше).

После того как ток достигает максимального значения, сопротивление становится минимальным, микроволновое напряжение на диоде падает практически до нуля (так как э/м волна полностью отражается от диода). При изменении полярности, число подвижных носителей заряда не меняется мгновенно, в этот момент обратный ток по амплитуде равен прямому, а затем начинается процесс вытягивания носителей заряда из i-области и их рекомбинация, ток через диод уменьшается. После того, как носители заряда закончатся, сопротивление диода резко возрастает, а ток через него уменьшается до - . Время от момента переключения до момента достижения обратным током установившегося значения называют временем восстановления.

Сопротивление i-области можно рассчитать по формуле

Где 1/(q ) – заданная удельная проводимость, длина базы, S – площадь базы.

Полная формула:

Где общий заряд подвижных носителей в i-области равен току, умноженному на время рекомбинации этих носителей в этой области, т.е

Зависимость сопротивления для протекающего тока показана на рисунке 4.

Рисунок 10

Сопротивление i-области не зависит от площади контакта.

Эквивалентная схема

Стоит отметить, что она включает в себя барьерную емкость, паразитное последовательное сопротивление контактов, емкость корпуса и индуктивность контактов. На рисунке 5 изображены эквивалентные схемы диода, включенного в прямом и обратном направлении.

Рисунок 11

Связь физико-топологических параметров прибора с его статическим и динамическими (ВЧ) параметрами. (эта надпись меня не остановит, потому что я не умею читать)

Граничная частота диода определяется емкостью плоского конденсатора, в качестве которого выступает структура прибора. Соответственно, уменьшение емкости приводит к увеличению граничной частоты. Формула емкости

Таким образом, для уменьшения емкости стоит увеличивать толщину слоя собственного проводника.

Количественная оценка качества коммутации определяется двумя основными параметрами. (думаю относится и к особенностям схемотехнического применения)

Потери пропускания:

В методе кстати стоит минус перед выражением, эта формула с его лекций

Изоляция

Необходимо отметить, что с увеличением падающей мощность, растет также и микроволновое напряжение на диоде, уровень инжекции становится больше, соответственно становится больше заряд подвижных носителей на базе, что приводит к уменьшению сопротивления диода. Уменьшение мощности сигнала на выходе возникает из-за отражения от диода, только малая часть рассеивается внутри него.

Особенности схемотехнического применения: переключатели, ограничители, фазовращатели, аттенюаторы.

Переключатели.

Схема представлена на рисунке 6 и 7.

Рисунок 12

Здесь потери пропускания – это отношение мощности, прошедшей через переключатель к падающей мощности в режиме пропускания. А изоляция

Характеризуется мощностью, прошедшей через переключатель, к падающей мощности в режиме отражения сигнала.

От переключателей главные требования – это малые потери мощности в режиме пропускания, а также высокая изоляция в режиме запирания и низкие нелинейные искажения. На данный момент возможно получить потери пропускания около 0,5 дБ, а изоляцию более 30 дБ.

Рассмотрим схему переключателя на два канала.

Рисунок 13

Здесь представлена схема переключателя на 2 канала. Это классический SPDT – Single Pole Double Throw, в настоящее время у которого появилась лучшая альтернатива – MEMS – Micro Electro Mechanic System. Его конструкция представлена на рисунке 8.

Рисунок 14

Такой прибор можно использовать как обычный механический ключ в низкочастотном диапазоне. В отличие от p-i-n диодов, их параметры превосходят данные в низкочастотной области, обеспечивают малые искажения и потери.

Фазовращатели

Схема дискретного фазовращателя и таблица управляющих сигналов представлена на рисунке 9.

Рисунок 15

На схеме представлены отрезки линии передачи и шлейфы различной длины. Коммутирующие ключи представлены в виде шести диодов. Они определяют путь, по которому идет волна. Состояние этих ключей определяется управляющими сигналами, подаваемыми от источников А, В, С. Справа на рисунке представлена таблица управляющих напряжений, обеспечивающих изменение фазы с определенным шагом. Индуктивности нужны для исключения прохождения микроволнового сигнала в управляющую цепь, блокировочные конденсаторы для развязки между элементами по постоянному току, они не вносят потерь в передаваемый микроволновый сигнал.

Если на всех управляющих входах будет единичный уровень, сигнал пойдет по кратчайшему пути и фазовый набег будет равен нулю. Соответственно, при нулевом уровне, фазовый набег будет максимальным. При различных сигналах, фазовый набег будет разным. Количество и размеры дугообразных элементов подбираются так, чтобы набег фазы был кратен набегу фаз в наименьшем по размерам элементе.

Формула, по которой рассчитывается набег фазы

Ограничитель

В данном устройстве используется нелинейность диода при больших значениях поданной мощности. Схема ограничителя представлена на рисунке 10. В самом диоде: отличие от переключательного – малая толщина i-области

Время жизни неравновесных носителей заряда много больше периода СВЧ-колебаний, следовательно, за полупериод малая часть инжектированных зарядов успевает срекомбинировать, за счет чего происходит уменьшение скорости изменения сопротивления

Рисунок 16

В качестве управляющего напряжения в ограничителях используется СВЧ сигнал, то есть оно использует нелинейность ВАХ диода для ограничения мощности, проходящей через диодную секцию в нагрузку. В ограничительных устройствах диод параллельно включается в СВЧ тракт, если мощность превышает определенных уровень, диод открывается и отражение от него резко возрастает. Переходная характеристика ограничителя представлена на рисунке 11.

Рисунок 17

Аттенюатор

Данное устройство представляет сбой в простейшем случае диод включенный в линию передач, на который подается управляющее напряжение. Это напряжение подбирается в зависимости от того, каким должно быть полное сопротивление диода. Так, изменяя напряжение на диоде, мы регулируем условия отражения волны от входа диодной секции, непрерывным образом изменяя мощность на ее выходе.

Схема электронного аттенюатора представлена на рисунке 12.

Рисунок 18

22. Диоды с отрицательным динамическим сопротивлением: лавинно-пролетные диоды, инжекционно-пролетные диоды. Статическое распределение концентрации носителей заряда и поля. Принцип действия. Зона пробоя, дрейф носителей заряда. Динамическое сопротивление ЛПД. Сравнение с диодами Ганна.

Лавинно-пролетный диод

ЛПД являются одними из наиболее мощных ПП приборов СВЧ. Они работают на явлениях лавинного пробоя обедненной области обратносмещенного диода и последующего дрейфа носителей в полупроводнике со скоростью, которая близка к скорости насыщения.

Используя ЛПД как двухполюсник с отрицательным сопротивлением, можно собрать различные микроволновые устройства: генераторы, усилители, преобразователи и т.д.

Рассмотрим принцип действия ЛПД на структуре, предложенной У. Ридом. Она представлена на рисунке 1.

Рисунок 1

Она содержит – переход, область собственной проводимости (i-область) контактные высоколегированные области.

Особенность такого распределения – локализация высокой напряженности поля в области обратносмещенного – перехода и полное обеднение n-области. Если увеличивать напряжение смещения напряженность электрического поля в некоторой области достигает критического, то есть пробивного, значения, которого достаточно для возникновения лавинного пробоя. Эта область называется зоной лавинного умножения. Область, в которой электроны вышли из зоны лавинного умножения и дрейфуют под действием электрического поля в n- и i- областях, пока не достигнут анода называется пространством дрейфа. Эта область на рисунке отмечена, как . Дырки движутся в обратном направлении, рекомбинируя на контакте.