Материал: Metoda_po_sdache_ekzamena_po_mikrovolnovke

Внимание! Если размещение файла нарушает Ваши авторские права, то обязательно сообщите нам

Третий участок

При больших напряжениях начинают сказываться сопротивления. Мы прикладываем напряжение смещение к внешним контактам, но имеющееся сопротивление между барьером и контактными площадками, создает падение напряжения, которое забирает часть приложенного и ток не подчиняется экспоненте.

Теоретическая формула для ВАХ представлена выше (4). В ней — постоянная Ричардсона; — «встроенное» напряжение или контактная разность потенциалов ; — коэффициент неидеальности ( для идеального диода, для реального); — напряжение смещения диода.

ВЧ параметры (динамические)

1) Токовая чувствительность.

Эффективность преобразования микроволновой мощности в выпрямленный ток оценивается токовой чувствительностью.

Рис. 5. Детектирования СВЧ-колебания

Выходной сигнал поднимается на ∆I0.

Рис. 6. Токовая чувствительность

Ток представлен в виде ряда. Взяв вторую производную, получим токовую чувствительность, которая будет зависеть от сопротивления нагрузки, если она равна 0, то самая высокая токовая чувствительность. Она определяется и крутизной ВАХ.

,

данное значение соответствует идеальному диоду при температуре 300 (К), а также оно является принципиальным ограничением (на величину токовой чувствительности) для любого ДД.

В реальных диодах нужно учитывать коэффициент идеальности n, который снижает значение токовой чувствительности. В современных устройствах коэффициент идеальности 1,2-1,5.

Также токовая чувствительность зависит от условий согласования ДД с СВЧ трактом. Она max-на, когда вся падающая мощность рассеивается диодом и отражения min-ны.

Тангенциальная чувствительность.

Характеризует насколько малую мощность (малый сигнал) прибор можно уловить

Рис. 6. Обобщенная СВЧ цепь

Рис. 7. Случаи уровня мощность, установленной на генераторе

На первой картине, когда отсутствует сигнал, видно только шумы.

На второй хорошо различим сигнал, мощность больше минимальной.

На третьей при минимальной мощности сигнал еле различим.

  1. Шумовое отношение.

Рассмотрим эквивалентную «шумовую» схему:

Рис. 8. Эквивалентная «шумовая» схема

На данной схеме величина резистора Rдиф соответствует диф. сопротивлению диода в выбранной рабочей точке. Источник напряжения – источник шумов, которые создает диод сверх тех, что создавал бы резистор Rдиф.

Шумовое отношение:

Оно показывает то, насколько диод шумит больше, чем резистор с сопротивлением, равным его диф. сопротивлению в данной рабочей точке.

  1. Граничная частота.

Как уже ранее говорилось, элементы и характеризуют параметры выпрямляющего перехода диода, элементы и — параметры контактов и омических областей структуры, — емкость корпуса прибора.

Выражение характеризует max-ую частоту, на которой может работать прибор, и определяется постоянную времени RC-цепи, которую физически можно представить как последовательное соединение резистивных областей диода и емкости его перехода.

  1. Полное сопротивление.

Как и для любого прибора (в СВЧ-цепи) импеданс ДД:

Данная величина определяет коэффициент отражения СВЧ мощности от прибора. Мощность, рассеиваемую диодом также можно связать с его полным сопротивлением:

Для согласования строят устройство, приводящее для внешнего тракта полное нормированное сопротивление диода к 1 с 0-ой реактивностью. Из-за разброса параметров полное сопротивление (ПС) для группы диодов – набор точек, который лежит в опр. области, именно поэтому для идеального согласования сначала определяют ПС экспериментально, а потом проводят согласование.

20. Диоды с положительным динамическим сопротивлением: смесительные диоды: конструкция, вах, вч параметры, эквивалентная схема. Особенности схемотехнического применения. Принцип действия смесителя.

*ВАХ, эквивалентная схема и ВЧ параметры (по большей части) те же что и у ДД

Смесительный полупроводниковый диод – это полупроводниковый диод, предназначенный для преобразования высокочастотных сигналов в сигнал промежуточной частоты.

Рис. 1. Модель смесительного диода

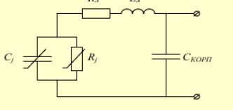
Эквивалентная схема всех разновидностей смесительных диодов с учётом реактивных элементов корпуса приведена на рисунке.

Рис. 2. Эквивалентная схема смесительного диода

Здесь переход представлен дифференциальными параметрами: сопротивлением перехода rпер= ∂U / ∂i и барьерной ёмкостью Cбар. Потери в базе диода, омических переходах и выводах отображены последовательным сопротивлением потерь rб, индуктивность выводов и контактной пружинки — Lк, конструктивная ёмкость между выводами при отсутствии контакта с диодной структурой — Cк.  Падения напряжения на rб и rк приложенноек переходу напряжение оказывается меньше, чем подведённое к диоду, а ёмкость Cк шунтируетего. Эти параметры называют паразитными. Типичные значения Cк, и Lк— десятые доли пикофарады и наногенри соответственно, rб — десятые доли или единицы ома. У бескорпусных диодов значение Cк и Lк примерно на порядок меньше, благодаря чему их эффективность выше. Значение дифференциального сопротивления rпер можетизменяться в широких пределах в зависимости от положения рабочей точки ВАХ диода, значение Cбар — десятые доли пикофарад. Параметры схемы можно определить путём измерений на низких частотах или приближенно на основе процесса выпрямления. 

Рис. 3. ВАХ смесительного диода

Основным параметром смесительных диодов, определяющим эффективность преобразования входных сигналов высокой частоты в сигналы промежуточной частоты, является параметр Lпрб называемый потери преобразования смесительного диода и равный отношению мощности СВЧ-сигнала на входе диодной камеры к мощности сигнала промежуточной частоты, выделяемой в нагрузке смесительного диода в рабочем режиме.

Граничная частота:

Рис. 4. Пример схемы со смесительным диодом

К смесительному диоду подводится сигнал и напряжение от специального генератора – гетеродина. В связи с нелинейностью ВАХ диода происходит образование сигнала разностной (промежуточной) частоты. Дальнейшее усиление входного сигнала осуществляется на этой промежуточной частоте, которая должна быть выше частот, соответствующим низкочастотным шумам, обратно пропорциональным частоте.

Рис. 5. Уровень шума на разных частотах

В большинстве приемных устройств СВЧ-диапазона отсутствуют усилители перед смесителем. Поэтому чувствительность всего приемного устройства, возможность различить полезный сигнал на фоне шумов зависят от уровня шумов смесительного диода. Уровень шумов смесительного диода (и других приборов) оценивают шумовым отношением nш – отношением номинальной мощности шумов диода в рабочем режиме к номинальной мощности тепловых шумов соответствующего активного сопротивления при той же температуре и одинаковой полосе частот.

Другим параметром, характеризующим шумы смесительного диода и других приборов и систем, является коэффициент шума – отношение мощности шумов на выходе к той ее части, которая вызвана тепловыми шумами источника сигнала:

Рис. 6. Схема с малошумящим усилителем и смесительным диодом

Обобщенным параметром приемного устройства, в смесителе которого использован диод с определенными потерями преобразования и шумовым соотношением, является нормированный коэффициент шума – значение коэффициента шума приемного устройства со смесительным диодом на входе при коэффициенте шума усилителя промежуточной частоты Fупч, равном 1,5 дБ

Одним из вспомогательных параметров смесительных диодов служит выпрямительный ток Iвп – постоянная составляющая тока, протекающая в выходной цепи диода в рабочем режиме. Этот параметр используется для контроля исправности смесительного диода и гетеродина приемника, от которого на смесительный диод подается определенная мощность СВЧ-колебаний с определенной длинной волны.

Другим вспомогательным параметром является коэффициент стоячей волны по напряжению СВЧ-диода Kст – коэффициент стоячей волны по напряжению в передающей линии СВЧ, когда она нагружена на определенную диодную камеру с СВЧ-диодом в рабочем режиме. Чем лучше согласовано входное сопротивление камеры (с диодом) с волновым сопротивлением тракта, тем меньше коэффициент стоячей волны по напряжению и потери принимаемого сигнала.

Рис. 7. Потери преобразования

Рис. 8. Виды смесительных диодов

Рис. 9. Выходной сигнал смесительного диода

— принимаемый сигнал;

— сигнал высокочастотной помехи;

— сигнал генератора гетеродина;

Пусть, В = 0, то есть прием идет при полном отсутствии помех. Тогда:

.

Рассмотрим, какие частоты будут формироваться при таком воздействии на миксер. Как видно из последнего выражения, первые два члена не дают изменения исходного спектра сигналов. Генерация новых, или комбинационных частот происходит благодаря квадратичному члену. Примем, что сигналы таковы, что он играет определяющую роль в формировании суммарного тока диода. Тогда последнее выражение можно будет преобразовать следующим образом:

Как видно из последнего выражения, квадратичный член дает такие слагаемые в конечном выражении, как . Таким образом, миксер, как и ожидалось, дает на выходе некоторый сигнал, в спектре которого содержится сигнал с разностной частотой. И чем больше сигнал гетеродина, тем больше будет полезный сигнал на разностной частоте.

Проанализируем полученный результат. На вход миксера подавались сигналы с частотами и . На выходе получаем набор частот:

и — исходные частоты;

— выпрямленный сигнал;

nSA и mLo — гармонические члены;

nSA + mLo — сигналы с комбинационными частотами.

В отличие от идеального рассмотрения при изменении амплитуды сигнала и наличии помехи будет очень много малых сигнальчиков, которые стоит учитывать, но среди них стоит выделить сигнал зеркальной частоты. Если с помощью гетеродина преобразовывается полезный сигнал, то он превращается в fim. И если попробовать преобразовать частоту, которая отстоит от fLO вниз на такое же расстояние, то она будет так же преобразовываться в fim, в промежуточную частоту. Например, если взять радио и выбрать частоту нужного канала, то можно услышать при этом еще одну подстанцию, которая находится на зеркальной частоте. Чтобы такого не происходило ставят фильтры зеркального канала.

В миксере наличие такой частоты может быть обусловлено тем, что в спектре входного сигнала присутствует не только частота fS, но и некоторые помехи, то есть В не равно нулю. Рассмотрим, как отреагирует миксер на существование сигнала с зеркальной частотой. Как видно из рисунка,

.

Тогда, как и для преобразования сигнала с частотой fS, для зеркальной частоты можно будет записать:

.

Иными словами, сигнал с зеркальной частотой преобразуется на ту же промежуточную частоту, что и полезный сигнал, что приводит к резкому ухудшению качества работы устройства.

Теперь предположим, что В — амплитуда помехи произвольной частоты. Пусть, В достаточно велико. Тогда в выходном спектре появятся комбинации вида и т.д. Таким образом, на сигнал промежуточной частоты добавляются помехи с другими частотами. Такое явление получило название интермодуляции.