Материал: Kursach

Внимание! Если размещение файла нарушает Ваши авторские права, то обязательно сообщите нам

6. Исследование влияния широтно-импульсной модуляции на качество проектируемой системы

6.1. Учёт влияния широтно-импульсной модуляции непрерывных управляющих воздействий

Существенное влияние на свойства разрабатываемой системы управления могут ввести особенности технической реализации управляющего устройства В частности, при высоком уровне энергии в управляемом объекте реализация управляющих воздействий в виде непрерывных сигналов практически невозможна в силу больших потерь в выходных каскадах исполнительных устройств. В таких случаях выходные каскады выполняют в виде импульсных устройств, в которых непрерывный сигнал квантуется по уровню или по времени, а затем преобразуется в импульсную модулированную последовательность. Одним из видов модуляции является широтно-импульсная (ШИМ), при которой непрерывный сигнал преобразуется в последовательность импульсов одинаковой амплитуды при постоянном периоде повторения Т, а длительность импульса определяется по какому-либо закону, например, линейному, в зависи­мости от значения входного модулируемого непрерывного сигнала. Структурная схема, простейшего широтно-импульсного модулятора непрерывного сигнала x(t) представлена на рисунке 6.1.

Рис. 6.1. Структурная схема широтно-импульсного модулятора

Временная диаграмма работы широтно-импульсного модулятора на примере синусоидального сигнала представлена на рисунке 6.2.

Рис. 6.2. Временная диаграмма работы ШИМ при входном синусоидальном сигнале

По диаграмме можно описать принцип действия ШИМ, который состоит в изменении ширины импульса сигнала. Управляющий сигнал формируется компаратором, когда на его инвертирующий вход подается пилообразный сигнал, а на неинвертирующий — модулирующий непрерывный сигнал. Выходные импульсы получаются прямоугольными, частота их следования равна частоте пилы, а длительность положительной части импульса связана с временем, в течение которого уровень модулирующего сигнала, подаваемого на неинвертирующий вход компаратора, оказывается выше уровня сигнала пилы, который подается на инвертирующий вход. Когда напряжение пилы выше модулирующего сигнала, на выходе будет отрицательная часть импульса.

Техническую реализацию можно осуществить с помощью генератора линейно изменяющегося напряжения ГЛИН и компаратора в соответствии со схемой, показанной на рисунке 6.1.

Следует отметить, что при смене полярности модулируемого сигнала полярность импульсов также меняется. Длительность импульсов на выходе модулятора может меняться от нуля до непрерывного сигнала, при этом амплитуда и период повторения (частота) следования импульсов остаются неизменными.

Рис. 6.2. Функциональная схема ШИМ.

При анализе проектируемой системы необходимо согласовать характеристики звена с насыщением и широтно-импульсного модулятора в соответствии со структурной схемой, представленной на рисунке 6.3, где СПС – это система с переменной структурой, представленная схемой на рисунке 4.5, РР – релейный регулятор, представленный на рисунке 5.1, ОУ – исследуемый объект управления, сигнал на выходе которого зависит от устройства переключения SWITCH с условием |u|.

Рис. 6.3. Структурная схема системы с ШИМ и звеном с насыщением.

Широтно-импульсную модуляцию следует учитывать в линейной зоне звена с насыщением, при этом амплитуду импульсов следует принять равной значению выходного сигнала этого звена, а вне линейной зоны широтно-импульсный модулятор становится релейным трёхпозиционным элементом.

Дальнейшие исследования необходимо выполнить моделированием. Путём последовательных приближений необходимо определить значение периода квантования Ткр, при котором устойчивая без модулятора система становится неустойчивой.

6.2. Расчет периода квантования для цифровой системы по условиям ее устойчивости.

Определим период квантования по времени нарастания tн переходной характеристики.

В данном случае ω = 0.133 [рад/с]:

Из теории регулирования непрерывных систем известно, что

Уточним период квантования по теореме Котельникова:

Из полученных различными способами значений периода квантования выбирается то значение, которое удовлетворяет обоим случаям, т.е. . Значит, максимально допустимый период квантования сигналов равен 5.31 [с] ( .

6.3. Исследование влияния периода квантования на устойчивость системы “в малом” и “в большом”.

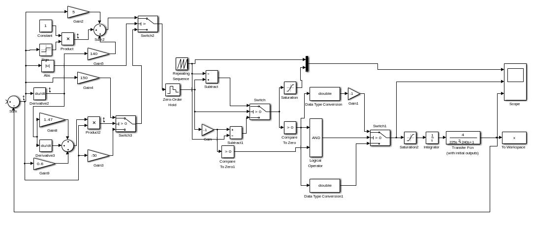
Структурная схема системы с широтно-импульсным модулятором представлена на рисунке 6.4.

Рис. 6.4. Структурная схема системы с ШИМ.

Исследуем влияние периода квантования на устойчивость системы “в малом”. Подадим на вход системы управляющее воздействие, не выходящее за пределы линейной зоны нелинейного элемента, и построим переходные характеристики ШИМ при различных значениях периода квантования.

Переходные характеристики ШИМ при различных значениях периода квантования представлены на рисунках 6.5 и 6.6.

Рис. 6.5. Влияние периода квантования на устойчивость системы «в малом».

Рис. 6.6. Влияние периода квантования на устойчивость системы «в большом».

Временная диаграмма работы широтно-импульсного модулятора в «малом» при периоде квантования равном 1 (Т = 1) представлена на рисунке 6.7.

Рис. 6.7. Временная диаграмма работы ШИМ в «малом» при Т = 1с

Временная диаграмма работы широтно-импульсного модулятора в «большом» при периоде квантования равном 1 (Т =1 c) представлена на рисунке 6.8.

Рис. 6.8. Временная диаграмма работы ШИМ в «большом» при Т =1 с.

Заключение

В результате проделанной работы, было разработано управляющее устройство, обеспечивающее качественные показатели системы:

  1. Минимальное время переходного процесса;

  2. Точность поддержания выходной координаты в установившемся режиме менее 0.5%;

  3. Характер переходного процесса: апериодический с перерегулированием (σ ≤ 10 %)

  4. Запас устойчивости в “малом” по амплитуде равен 63 дБ (более 20 дБ), по фазе 98 (более );

  5. Максимально допустимый период квантования 5.31с.

Список использованной литературы

  1. Теория управления. Нелинейные дискретные системы / Под ред. Б.В. Бруслиновский, А.М. Усачёв. – СПб.: СПбГЭТУ «ЛЭТИ», 2005. – 88 с. (Учебное пособие)

  2. Конспекты лекций и практических занятий.