Материал: III. хтс

Внимание! Если размещение файла нарушает Ваши авторские права, то обязательно сообщите нам

Так как колчедан, порода, которая содержит высокую долю примесей, его потребуется больше для производства, а также необходима будет более тщательная система очистки, поэтому Сера дороже колчедана, но в итоге получается выигрыш.

2)Использование избытка одного из реагентов в исходной смеси как

правило, более дешевого и доступного. В предыдущем примере H2SO4 используют избыток кислорода по отношению к стехиометрии реакции. Это универсальный прием повышения степени превращения одного из исходных веществ, участвующих в реакции.

3)Противоточный контакт фаз - известное решение, обеспечивающее максимальную движущую силу, как в процессе теплопередачи, так и в процессе массообмена. (используют во всех сорбционных процессах HNO3 H2SO4 поглощение оксидов)

4)Фракционный рецикл используют при неполном превращении исходных реагентов. В системе разделения после реактора выделяют не прореагировавшие реагенты и возвращают их на переработку. Типичный пример - синтез аммиака, 3Н2 + N2 = 2NH3, в котором после выделения аммиака оставшуюся азотоводородную смесь снова направляют в реактор синтеза.

5)Утилизация отходов позволяет получить дополнительные полезные продукты из побочных продуктов реакции, практически всегда образуемых вместе целевым продуктом. Если, например, найдется потребитель огарка в производстве серной кислоты (а в нем есть много полезных и ценных веществ), то производство кислоты из колчедана может оказаться вполне конкурентным.

6)Альтернативное сырье. Использование не возобновляемого сырья (нефть, газ, руды…) заставляет не только искать способы его полного использования, но и другие сырьевые источники. Использование отходов производств - одно из направлений расширения сырьевых источников. Другое направление - альтернативные источники первичного сырья.

7)Комбинирование производств

Комбинированное производство (химико-технологическая система), представляет собой взаимосвязанные технологические процессы для производства одного или нескольких продуктов.

Характерным является совместное производства карбамида СО(NН2)2 и аммиака NН3. Первый из них получают взаимодействием NН3 с СО2:

СО2 + 2NН3 = СО(NН2)2 + Н2О

До этого оба исходных вещества были образованы в аммиачном производстве по следующим реакциям:

СН4 + 2Н2О = СО2 + 4Н2 ;

2 + N2 = 2NН3

Оба технологических процесса получение карбамида СО(NН2)2 и аммиака NН3.связаны не только линиями передачи СО2 и NН3, но и другими вспомогательными связями, материальными и энергетическими. Понятно, что можно организовать и две отдельные ХТС, продукты одной из них являются сырьем для другой.

2. Концепция полного использования энергетических ресурсов

Концепция полного использования энергетических ресурсов направлена на минимизацию затрат на энергетические и тепловые ресурсы, полное использование их в процессе.

1)Регенерация теплоты и энергии. H2SO4 В ряде случаев для проведения процесса (например, в реакторе) необходимо нагреть поток, а после этого - его охладить. Выгодно входящий поток нагреть теплотой выходящего потока. Такая схема была представлена на примере реактора окисления диоксида серы.

Теплоту можно также перевести в пар в котле-утилизаторе и затем использовать как энергоноситель для привода паровых турбин или как теплоноситель в технологических целях в этом же производстве.

2)Утилизация теплоты и энергии подразумевает использование теплоты (энергии) потока для выработки тепловых (пар, горячая вода), электрических и других энергетических ресурсов, используемых не в самом производстве, т.е. они поставляются на сторону.

3)Альтернативные источники энергии. Традиционные источники энергии

-пар, горячие теплоносители, электроэнергия, вырабатываемые при потреблении топливных ресурсов. Перспективными является легко возобновляемые и более дешевые источники как, например, теплота атомных котлов, солнечная энергия и подобное. Их применение специфично, но в ряде случаев может реально привести к уменьшению расхода в производстве более дефицитных топливных ресурсов.

4)Вторичные энергетические ресурсы

Вторичные энергетические ресурсы (ВЭР) - энергетический потенциал продукции, отходов, дополнительных и промежуточных продуктов, образующихся в технологических агрегатах, которые не используются в самом агрегате, но могут быть при умелой организации производства частично или полностью использованы внутри ХТС или для энергоснабжения других предприятий.

Используя ВЭР, само производство не уменьшает теоретический расход энергии (теплоты), но экономия энергии достигается в других энергопотребляющих установках, где потребляются ВЭР.

В зависимости от вида запасенной потоком энергии выделяют следующие виды (группы) ВЭР:

Горючие (топливные) ВЭР - топливные вторичные продукты и отходы, получаемые в технологическом процессе. Они содержат, как правило, Н2, СО

идругие горючие компоненты.

Тепловые ВЭР - тепло отходящих газов, отработанного пара и горячей воды, а также теплота попутно вырабатываемого пара и нагреваемой воды (например, в котлах-утилизаторах и экономайзерах).

ВЭР избыточного давления, или силовые, - газы и жидкости, покидающие технологические агрегаты и обладающие потенциальной энергией (под давлением).

5). Энерго-технологическая система HNO3

Количество энергии, которое необходимо подвести на разных стадиях

химико-технологического процесса, определено его режимом. Затраты на него можно уменьшить путем регенерации энергии между стадиями процесса и использовать потенциал потоков в самом процессе. Но компенсировать полностью затраты энергии не всегда удается. Причин несколько.

Например, имеются затраты на преодоление гидравлического сопротивления потоков в аппаратах и трубопроводах. Далее, в систему подводится высокопотенциальная энергия, но в технологическом процессе образуется много низкопотенциальных потоков, работоспособность которых ниже исходных, несмотря на содержащееся в них такое же, или даже несколько большее общее количество энергии. Часть теплоты (энергии) теряется неизбежно с общими тепловыми потерями. К ним относятся испарение как средство поддержания температурного режима (например, в градирнях и подобных системах), выводы неиспользуемых тепловых потоков, естественные тепловые потери через изоляцию. Т.о. дополнительное потребление энергии неизбежно.

Недостающую энергию можно выработать в технологической системе, потребляя топливо. Для этого необходимо в систему включить энергетический узел как подсистему ХТС.

Химико-технологическая система, включающая энергетический узел, потребляющий топливо и вырабатывающий энергию для компенсации необратимых потерь с целью поддержания технологического режима и обеспечения функционирования ХТС называется энерго-технологической системой.

Классическим примером энерготехнологической системы является ХТС производства азотной кислоты. В современном производстве азотной кислоты под давлением один из сырьевых компонентов - воздух - сжимается в компрессоре и направляется в технологические аппараты. После всех превращений остается практически только азот как отходящий газ под давлением меньшим, чем воздух после компрессора. Потенциал отходящего газа не достаточен, чтобы полностью

компенсировать затраты на сжатие исходного воздуха, хотя можно его использовать для частичного возмещения затрат. Увеличить энергию отходящего газа как рабочего тела турбины можно увеличением его температуры и массы. Для этого в линию отходящего газа подается топливо - природный газ - и сжигают его с остатками кислорода. Это и есть энергетический узел. Потенциал отходящего горячего газа достаточен для привода компрессора воздуха с помощью газовой турбины. Но функции энергетического узла не только энергетические, но и технологические. Подогрев газа нужен для очистки его от остатков оксидов азота. Используя небольшой избыток метана, создают восстановительную атмосферу в отходящем газе, и на катализаторе в реакторе очистки оксиды азота восстанавливаются до азота. После реактора очистки потенциал горячего газа достаточен для привода компрессора воздуха с помощью газовой турбины. После турбины очищенный газ может быть направлен непосредственно в выхлопную трубу (рис.1).

Воздух

Отходящие

 

 

 

 

газы

 

 

 

 

 

 

 

К

ГТ

 

 

 

 

 

 

 

 

 

 

 

 

Р

Г

Аммиак

ХТП

 

 

 

СН4

Азотная

кислота

Рис. 1. Энерготехнологическая схема производства азотной кислоты:

К – компрессор, Г – газовая горелка, Р – реактор каталитической очистки, ГТ – газовая турбина

3. Концепция минимизации отходов

Названная концепция направлена на защиту окружающей среды и связана с экологической обстановкой региона, где расположено производство, и с санитарно-гигиеническими условиями для обслуживающего персонала. Основные приемы по реализации этой концепции, в первую очередь, связаны с улучшением использования сырьевых и энергетических ресурсов, а также включает специальные решения экологической безопасности.

1)Полное использование сырьевых и материальных ресурсов.

2)Полное использование энергетических ресурсов. HNO3 H2SO4

3)Санитарная очистка и обезвреживание выбросов HNO3 H2SO4

предполагает размещение установки (подсистемы ХТС), в которой удаляются вредные (токсичные) примеси из выбрасываемых потоков (санитарная очистка) или они переводятся в нетоксичное состояние (обезвреживание).

4)Уменьшение потребления воды как хладоагента. Пример следующий.

При охлаждении потоков до температуры окружающей среды используют водяные холодильники. Они подвержены коррозии (вода тоже может разрушать аппаратуру из-за наличия растворенных солей и кислорода воздуха), что приводит к возникновению аварийных ситуаций. Кроме того, для охлаждающего агента - воды

-требуется сложная система очистки и отвода тепла от нее - утилизировать теплоту чуть теплой воды нерационально. Замена водяных холодильников на воздушные (охлаждение горячих потоков, протекающих в трубах, идет за счет нагнетания обычного потока воздуха). Это значительно упрощает систему охлаждения и тем самым уменьшает вредные выбросы.

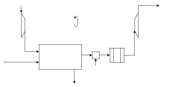
5)Замкнутый водооборот. HNO3 H2SO4. Вода в большом количестве используется как вспомогательный материал в химических производствах. Проходя через технологическую аппаратуру, трубопроводы, она загрязняется и требует дорогостоящей очистки. Используя замкнутый водооборот, исключаются отходы загрязненной воды (рис.2). Загрязненная вода из ХТС поступает в систему очистки, где происходит удаление примесей и солей с образованием шлама. Для восполнения потерь воды добавляют свежую воду. Затем вода направляется в градирню, где происходит удаление из нее растворенных газов. Очищенная и охлажденная вода насосом подается в ХТС.

Рис. 2. Система оборотного водоснабжения

Безотходное и малоотходное производства.

Б е з о т х о д н а я т е х н о л о г и я – способ производства продукции, при котором наиболее рационально и комплексно используется сырье, материалы, энергия и любые воздействия на окружающую среду не нарушают ее нормальное функционирование.