
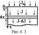
Нехай
на поверхню твердого тіла падає пучок
світла інтенсивністю Jo.
Направимо вісь Х вглибину тіла,
відраховуючи від поверхні. По мірі
проникнення у речовину інтенсивність
буде спадати. Її зменшення dJ
у шарі товщиною dx
на глибині х від поверхні буде дорівнювати
. (6.10)
Знак (-) показує, що із зростанням глибини Х інтенсивність світла зменшується . k – коефіцієнт поглинання, показує відносну зміну інтенсивності світла у шарі товщиною 1м. Інтегрування (6.10) з граничними умовами: при х=0 J=Jo дає закон зміни інтенсивності світла від глибини х його проникнення
. (6.11)
Ця формула відображає закон поглинання Бугера-Ламберта.
З’ясуємо,
як буде змінюватись фотопровідність
при вмиканні і вимиканні світла, тобто
знайдемо кінетику фотопровідності.
Швидкість генерації g
= kJη
пропорційна коефіцієнту поглинання k,
інтенсивності світла J
і квантовому
виходу η.
Останній показує відношення кількості
генерованих нерівноважних носіїв заряду
до кількості поглинутих фотонів. Будемо
розглядати слабий рівень збудження.
Тоді швидкість рекомбінації R
пропорційна першій степені додаткової
концентрації Δn
нерівноважних носіїв заряду (див. формулу
6.2). Швидкість зміни концентрації
.
Враховуючи (6.1) і (6.2), одержуємо
. (6.12)
Інтегруємо це рівняння
![]()
.
Константу інтегрування знайдемо,
підставивши початкові умови: при t
= 0 Δn
= 0. Одержуємо
.
Після підстановки константи С і спрощень,
маємо закон зміни концентрації
нерівноважних носіїв заряду з часом
. (6.13)
Підстановка (6.13) в (6.9) дає кінетику фотопровідності після вмикання світла
. (6.14)
З
ростання
фотопровідності відбувається по
експоненті зі сталою часу, яка дорівнює
часу життя нерівноважних носіїв заряду
(рис.6.4). При вимиканні світла g
= 0, і рівняння (6.12) набуває виду
.
Його інтегрування з початковими умовами:
при t=0
Δn=Δnстац=kJητn
дає
(6.15)
. (6.16)
Формули (6.14) і (6.16) показують, що для збільшення фотопровідності необхідно збільшити час життя нерівноважних носіїв. Але при цьому зменшиться швидкодія фоторезистора. Тому на практиці необхідно вибрати компромісне рішення відносно швидкодії і величини фотовідгуку.

Для
генерації нерівноважних носіїв заряду
(рис.6.5 перехід 1) необхідно затратити
енергію. При їх рекомбінації енергія
виділяється. У випадку, коли ця енергія
виділяється у вигляді фотонів,
спостерігається свічення кристалу,
тобто люмінесценція. При цьому рекомбінація
відбувається через особливі енергетичні
рівні – центри свічення (ЦС) (переходи
2, 3).
У відповідності із способом збудження кристалу розрізняють такі види люмінесценції:
а) фотолюмінесценція – збудження за рахунок світла;
б) катодолюмінесценція – збудження при бомбардуванні електронами;
в) електролюмінесценція – свічення кристалу в електричному полі;
г) хемілюмінесценція – збудження за рахунок енергії, яка виділяється при хімічній реакції, наприклад, при рекомбінації атомів в молекули на поверхні кристалу. В останньому випадку має місце радикало-рекомбінаційна люмінесценція (РРЛ);
д) тріболюмінесценція – збудження за рахунок механічної енергії, наприклад, при руйнуванні кристалу;
Особливістю люмінесценції є її нерівноважний характер, на відміну від теплового, рівноважного випромінювання. Це означає, що про поміщені збудженого кристалофосфору в замкнуту теплоізольовану оболонку з ідеально відбиваючими стінками свічення через деякий час припиниться. Таке свічення називають ще холодним.
Друга
особливість люмінесценції заключається
в тому, що час післясвічення ( час свічення
кристалу після припинення збудження)
набагато більший, ніж період світлових
хвиль (10-13
– 10-15
сек.). В залежності від часу післясвічення
люмінесценція умовно поділяється на:
флуоресценцію (час після свічення
менший, ніж 10-8
сек.), і фосфоресценцію (час післясвічення
більший, ніж 10-8
сек, і може досягати декількох діб). Час
післясвічення значно збільшується при
наявності так званих центрів прилипання.
Це енергетичні рівні в забороненій зоні
поблизу зони провідності, на які
захоплюються електрони, а потім
звільняються за рахунок теплової
енергії. Тому при нагріванні збудженого
кристалу інтенсивність люмінесценції
зростає за рахунок рекомбін
ації
цих захоплених електронів. Відбувається
висвічювання світосуми.
П
![]()
ерші
кількісні дослідження фотолюмінесценції
були проведені англ.. фізиком Дж. Стоксом
(1819-1903), який у 1852 році встановив закон,
який носить його ім’я: при фотолюмінесценції
виникає свічення з більшою довжиною
хвилі λфл,
ніж довжина хвилі збуджуючого світла
λзб (рис.6.6).
Цей закон стає зрозумілим із зонної
діаграми (рис.6.5). Збуджуючий фотон
повинен мати енергію не меншу, ніж ширина
забороненої зони ΔЕg
(перехід 1), в той час як випромінюваний
при переході 2 фотон має меншу енергію,
а отже і більшу довжину хвилі. Але
спостерігається і антистоксівська
люмінесценція з протилежним співвідношенням
довжин хвиль (рис.6.6 заштрихована
область). Пояснюється це тим, що збуджуючий
фотон поглинається уже збудженим атомом.
Електронні переходи відбуваються між
електронно-коливальними рівнями
(рис.6.7). Переходи 4 і 5 викликають
стоксівську, а 6 і 7 – антистоксівську
люмінесценцію.
Ефект Холла був відкритий у 1879 році американським фізиком Е. Холлом (1855-1938) і заключається у виникненні в провіднику із струмом, який знаходиться у магнітному полі, електричного поля в напрямку, перпендикулярному до напряму струму і індукції магнітного поля. Причиною виникнення цього ефекту є відхилення руху заряджених частинок (електронів, дірок) під дією сили Лоренца від прямолінійної траєкторії (пунктирна лінія на рис.6.8). Внаслідок цього вільні носії заряду відхиляються до однієї з бічних граней. Не дивлячись на те, що напрямок сили Лоренца, яка діє і на електрони і на дірки однаковий (він визначається правилом лівої руки у відповідності із напрямком струму і індукції магнітного поля), до однієї з граней відхиляється більше тих носіїв, концентрація яких більша. На рисунку
п
оказаний
випадок донорного напівпровідника.
Таким чином відбуває
ться
перерозподіл зарядів, виникає поперечне
електричне поле напруженістю Ех
, яке перешкоджає подальшому перерозподілу
зарядів. Динамічна рівновага наступає
при умові рівності сили Лоренца
Fл
= qVB
силі електричного поля Fел
= qEх
(q
– заряд носіїв струму, V
– їхня дрейфова швидкість). Враховуючи,
що
густина струму j
= qVn
і вважаючи холлівське поле Ех
однорідним, тобто холлівська напруга
Uх
= Ехb,
одержуємо
. (6.17)
Таким чином, знак холівської напруги залежить від знаку основних носіїв заряду, а її величина обернено пропорційна їхній концентрації n. Тому в напівпровідниках холлівська напруга на декілька порядків більша, ніж у металах і досягає десятків мілівольт.
Застосування ефекту Холла:
а) Цей ефект покладений в основу роботи магнетометрів - приладів для вимірювання індукції магнітного поля. Формула (6.17) показує, що Uх ~ В, тобто шкалу мілівольтметра можна проградуювати в одиницях індукції (Тл).
б) Вимірювання концентрації носіїв заряду та їх рухливості μ. Густина струму j = I/(bd). З врахуванням цього із (6.17) одержуємо
(6.18)
Знаючи товщину d датчика Холла, струм I і індукцію магнітного поля В, можна розрахувати концентрацію n, вимірюючи холлівську напругу Uх . Для вимірювання рухливості необхідно додатково вимірювати опір R зразка – датчика Холла та його геометричні розміри: довжину а і ширину b. Для прямокутного зразка, зображеного на рисунку
,
де питома електропровідність
.
Одержуємо
. (6.19)
в) Для вимірювання великих значень струму, наприклад, 1000 А, причому безконтактним способом. В основу методу покладена властивість електричного струму утворювати магнітне поле. Фактично вимірюється індукція магнітного поля, яка потім перераховується в струм, що його утворює.
г) Для вимірювання кутів. Якщо магнітне поле утворює певний кут з напрямком струму, то холлівська напруга буде залежати від цього кута, тобто визначатися перпендикулярною до струму складовою індукції (див. формулу (6.17)). Це дає можливість виміри кутів привести до вимірювань напруги і використовувати у системах автоматичного регулювання.
д) Холлівські мікрофони діють по такому ж принципу. Датчик коливається разом із мембраною. Частота і амплітуда холлівської напруги змінюються відповідно з коливаннями мембрани.
е) Захисні вимикачі електроустановок від перевантажень. Датчик Холла поміщується в магнітне поле лінії живлення установки. При перевантаженнях струм живлення, а разом з ним індукція магнітного поля і холлівська напруга різко зростають. Коли холлівська напруга перевищує певну межу, спрацьовує електронна система, і установка знеструмлюється.
ж) В безконтактних електронних системах запалювання двигунів внутрішнього згорання. Діамагнітна пластина (як правило мідна) обертається синхронно з колінчатим валом. Пластина екранує датчик Холла від магнітного поля. Холлівська е.р.с. не виникає. В пластині зроблені отвори, через які в певні моменти датчик зазнає дії магнітного поля. У ці моменти виникає імпульс холлівської напруги, який в подальшому використовується електронною системою для подачі високої напруги на свічку запалювання відповідного циліндра.