ImW(jω)
τω ReW(jω)
Рис. 1.2. АФЧХ апериодического звена с запаздыванием
двух последовательно соединенных звеньев с запаздыванием τ1 и τ2 передаточная функция будет равна
W(s)= W01(s)e−τ1s W02(s)e−τ2s = W0(s)e−(τ1 +τ2 )s ,
где W0(s) – передаточная функция разомкнутой цепи без учёта запаздывания, равная произведению передаточных функций включённых последовательных звеньев.
Таким образом, при исследовании динамики разомкнутой цепи из последовательно соединённых звеньев безразлично, будет ли всё запаздывание сосредоточено в одном каком-либо звене или разнесено по разным звеньям.
Подобным же образом получаются и передаточные функции других соединений звеньев – параллельного и соединения обратной связью, а также передаточные функции замкнутой и разомкнутой системы.
1 . 1 . 2 . Систем ы с р аспр еделённым и парам етрам и
Системой с распределёнными параметрами будет такая система, среди уравнений которой помимо обыкновенных дифференциальных уравнений имеются уравнения в частных производных. С физической точки
11
зрения это соответствует учёту волновых процессов, например, в длинных электрических линиях при передаче по ним воздействий от одного звена САУ к другому, либо же при регулировании процессов в самих длинных линиях. Практическое значение вопросы исследования таких процессов приобретают в некоторых системах телеуправления.
Уравнения длинной линии задаются формулами
− |
∂u = l |
∂i |
, − |
∂i |
= c |
∂u , |
|
|
|||||
|
∂ x |
∂t |
∂ x |
∂t |
||
где u и i – напряжение и ток соответственно в произвольной точке с координатой x вдоль линии, l и c – индуктивность и емкость единицы длины соответственно.
После решения приведённых уравнений в частных производных с учётом граничных условий, определяемых смежными звеньями данной САУ, для системы в целом получаются дифференциально-разностные уравнения такого же типа, как и для систем с постоянным запаздыванием.
1 . 1 . 3 . Усто йчивость и качество упр авления
Передаточная функция звена с запаздыванием или последовательно соединённых звеньев, как уже было выяснено ранее, может быть записана в виде (1.1.6). Аналогично и передаточная функция разомкнутой системы может быть представлена как
W (s)= B((s))e−τs = W0 (s)e−τs .
A s
12
Тогда характеристический полином замкнутой системы с единичной отрицательной обратной связью равен сумме числителя и знаменателя выражения (1.1.6), а характеристическое уравнение замкнутой системы примет вид
A(s)+ B(s)e−τs = 0 . |
(1.1.7) |
Иногда встречается запись характеристического уравнения и в другом виде
A(s)eτs + B(s)e−τs = 0
или в ещё более сложных формах
A(s)+ B1(s)e−τ1s + B2(s)e−τ2s = 0,
A(s)eτs + B1(s)e−τs + B2(s)= 0,
ит.п.
Вдальнейшем будем пользоваться наиболее распространенной формой записи характеристического уравнения (1.1.7).
Известно, что решение подобного рода уравнений можно записать в виде некоторых рядов и что для сходимости этого решения (то есть для устойчивости системы) необходимо и достаточно, чтобы все корни трансцендентного уравнения (1.1.7) имели отрицательные вещественные части.
Вотличие от обыкновенного алгебраического уравнения наличие
множителя e−τs приводит к тому, что уравнение (1.1.7) имеет бесконеч-
13
ное количество корней. К системам с запаздыванием и с распределёнными параметрами применимы критерии Михайлова и Найквиста, но из-за наличия множителя e−τs существенно меняется как вид кривой Михайлова замкнутой системы D(jω)= A(jω)+ B(jω)e− jτω , так и АФЧХ разомкнутой системы, построенной по частотной передаточной функции
W (jω)= B((jω))e− jτω . Поэтому из кривой Михайлова не получается таких
A jω
простых алгебраических выражений, которые получались для обыкновенных линейных систем и, как следствие, для устойчивости линейных систем первого и второго порядка с запаздыванием уже недостаточно только положительности коэффициентов характеристического уравнения, а для систем третьего и более высокого порядка неприменимы критерии Вышнеградского и Рауса−Гурвица.
Наиболее просто для определения устойчивости воспользоваться критерием Найквиста. Причем построение АФЧХ и исследование устойчивости лучше всего производить, если передаточная функция разомкнутой системы представлена в виде
W (jω)= B((jω))e− jτω .
A jω
Для получения передаточной функции в таком виде необходимо соответствующим образом провести размыкание системы. Рассмотрим на примерах как это сделать.
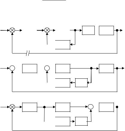
Пример 1.1.1. Для системы, структурная схема которой имеет вид, представленный на рис. 1.3, а, размыкание можно провести в любой точ14
ке главной цепи, например, разорвать обратную связь. Тогда передаточная функция будет иметь вид
W(s)= W1(s)1+WW(2s()sW) (s) e−τs W4(s)= W0(s)e−τs ,
2 3
то есть по виду совпадает с нужным выражением.
g |
|
|
|
W1(s) |
|
W2(s) |
|
|
|
||
− |
|
− |
|
|
|
W3(s)
а
g
−
W1(s) 
W2(s)
−
W3(s)
б
g
W1(s) W2(s)
−
W3(s)
в
y
e−τs
W4(s)
y
W4(s)
e−τs
y
W4(s) 
+
e−τs
Рис. 1.3. Примеры размыкания системы
Для системы, структурная схема которой представлена на рис. 1.3, б, размыкание в цепи обратной связи даст неудобное выражение
15