Mк |
А2,5 А1,25 А0,63 А0,315 А0,16 |
, |
(14) |
|
|||
100 |
|
|
|
где А2,5 , А1,25 , А0,63 , А0,315 , А0,16 – полные остатки на сите с круглым отверстием диаметром 2,5 мм и на ситах с сетками № 1,25; 0,63; 0,315; 0,16 %.
Результат определения зернового состава песка оформляется в соответствии с табл. 16 или изображается графически как на рис. 6.
|
|
Зерновой состав песка |
Таблица16 |
|||
|
|
|
||||
|
|
|
|
|
|
|
Наименование |
Остатки, % по массе, на ситах |
Проход через сито с сеткой |
||||
остатка |
2,5 |
1,25 |
0,63 |
0,315 |
0,16 |
№ 016, % по массе |
Частный |
m2,5 |
m1,25 |
m063 |
m0315 |
m016 |
m<016 |
Частный |
а2,5 |
а1,25 |
а063 |
а0315 |
а016 |
а<016 |
Полный |
А2,5 |
А1,25 |
А063 |
А0315 |
А016 |
– |
|
|
|
|
|
|
|
Рис. 6. Кривая просеивания
4.2.2. Определение содержания глины в комках
Содержание глины в комках определяют путем отбора частиц, отличающихся от зерен песка вязкостью.
Аппаратура: весы по ГОСТ 23711 или ГОСТ 24104, шкаф сушильный, сита с сеткой № 1,25 по ГОСТ 6613 и с круглыми отверстиями диаметрами 5 и 2,5 мм, лупа минералогическая по ГОСТ 25706, игла стальная.
Порядок определения:
1. Аналитическую пробу песка просеивают через сито с отверстиями диаметром 5 мм, берут из нее не менее 100 г песка, высушивают до
26
постоянной массы и рассеивают на ситах с отверстиями диаметром 2,5 мм и с сеткой № 1,25. Из полученных фракций песка отбирают навески массой:
5,0 г – фракции св. 2,5 до 5 мм; 1,0 г – фракции от 1,25 до 2,5 мм.
2.Каждую навеску песка высыпают тонким слоем на стекло или металлический лист и увлажняют при помощи пипетки. Из навески стальной иглой выделяют комки глины, отличающиеся вязкостью от зерен песка, применяя в необходимых случаях лупу. Оставшиеся после выделения комков зерна песка высушивают до постоянной массы и взвешивают.
3.Содержание комков глины в каждой навеске песка (Гл2,5, Гл1,25) в процентах определяют по формулам
Гл2,5 |
m m1 |
100; |
(15) |
|||
|
m |
|||||
|
|
|
|
|
|
|
Гл1,25 |
|
m2 m3 |
100, |
(16) |
||
|
||||||
|
|
|
m2 |
|
|
|
где m1, m2 – массы навески песка фракции соответственно от 2,5 до 5 мм и от 1,25 до 2,5 мм до выделения глины, г; т1, m3 – массы зерен песка фракции соответственно от 2,5 до 5 мм и от 1,25 до 2,5 мм после выделения глины, г.
Содержание комков глины в пробе песка (Гл) в процентах вычисляют по формуле
Гл |
Гл2,5 а2,5 Гл1,25 а1,25 |
, |
(17) |
|
100 |
||||
|
|
|
где а2,5, а1,25 – частные остатки в процентах по массе на ситах с отверстиями размером 2,5 и 1,25 мм, вычисленные по (12).
4.2.3.Определение содержания пылевидных и глинистых частиц
4.2.3.1.Метод отмучивания
Содержание пылевидных и глинистых частиц определяют по изменению массы песка после отмучивания частиц крупностью до 0,05 мм.
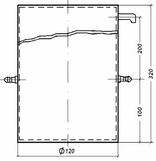
Аппаратура: весы по ГОСТ 23711 или ГОСТ 24104, шкаф сушильный, цилиндрическое ведро высотой не менее 300 мм с сифоном или сосуд для отмучивания песка (рис.7), секундомер.
Порядок определения:
1. Аналитическую пробу песка просеивают через сито с отверстиями диаметром 5 мм, песок, прошедший через сито, высушивают до постоянной массы и берут из него навеску массой 1000 г.
27
|
2. Навеску песка помещают в |
||||
|
цилиндрическое ведро |
и |
заливают |
||
|
водой так, чтобы высота слоя воды |
||||
|
над песком была около 200 мм. |
||||
|
Залитый водой песок выдерживают |
||||
|
в течение 2 ч, перемешивая его |
||||
|
несколько |
раз, и |
тщательно |
||
|
отмывают от приставших к зернам |
||||
|
глинистых частиц. |
|
|
||
|
3. После |
этого |
содержимое |
||
|
ведра |
|
снова |
энергично |
|
|
перемешивают и оставляют в покое |
||||
|
на 2 мин. Через 2 мин сливают |
||||
|
сифоном |
полученную |
при |
||
|
промывке суспензию, оставляя слой |
||||
|
ее над песком высотой не менее |
||||
. Рис. 7. Сосуд для отмучивания |
30 мм. |
Затем песок снова заливают |
|||
. |
водой |
до указанного выше уровня. |
|||
Промывку песка в указанной последовательности повторяют до тех пор,
пока вода после промывки |
будет оставаться прозрачной. |
|
При |
использовании сосуда для отмучивания испытание проводят в |
|
той |
же последовательности. При этом воду в сосуд наливают до |
|
верхнего сливного отверстия, а суспензию сливают через два нижних отверстия.
После отмучивания промытую навеску высушивают до постоянной массы т1.
4. Содержание в песке отмучиваемых пылевидных и глинистых частиц
(Потм) в процентах по массе вычисляют по формуле |
|
||
Потм |
m m1 |
100, |
(18) |
|
|||
|
m |
|
|
где т – масса высушенной навески до отмучивания, г; m1 – масса высушенной навески после отмучивания, г.
Примечание. При испытании природных песков, зерна которых плотно сцементированы глиной, пробу выдерживают в воде не менее 1 сут.
4.2.3.2. Пипеточный метод
Содержание пылевидных и глинистых частиц определяют путем выпаривания отобранной пипеткой пробы суспензии, полученной при промывке песка, и взвешивания остатка.
Порядок определения содержания пылевидных и глинистых частиц в песке такой же, как и для щебня (гравия) по 4.1.5.2. Необходимо в
28
процессе определения использовать сита с сеткой № 063 и 016 по ГОСТ 6613, вместо сит 5 и 0,315 мм.
4.2.3.3. Метод мокрого просеивания
Содержание пылевидных и глинистых частиц определяют путем мокрого просеивания песка и определения разницы в массе до и после испытания.
Испытание проводят по ГОСТ 8269, используя навеску песка массой 1000 г и сита с сеткой № 0315 и 005 по 4.1.5.3.
4.2.4. Определение наличия органических примесей
Наличие органических примесей (гумусовых веществ) определяют сравнением окраски щелочного раствора над пробой песка с окраской эталона.
Аппаратура: весы по ГОСТ 29329 или ГОСТ 24104, фотоколориметр ФЭК-56М или спектрофотометр СФ-4, или другие аналогичные приборы, цилиндры стеклянные вместимостью 250 мл из прозрачного бесцветного стекла (внутренний диаметр 36–40 мм) по ГОСТ 1770, баня водяная, натрия гидроокись (натрий гидроксид) по ГОСТ 4328, 3 %-ный раствор, танин, 2 %-ный раствор в 1 %-ном этаноле.
Порядок определения:
1.Из аналитической пробы песка в состоянии естественной влажности берут навеску около 250 г.
2.Приготавливают эталоный раствор, растворяя 2,5 мл 2 %-ного раствора танина в 97,5 мл 3 %-ного раствора гидроксида натрия. Приготовленный раствор перемешивают и оставляют на 24 ч.
Оптическая плотность раствора танина, определяемая на фотоколориметре или спектрофотометре в области длин волн 450–500 нм, должна составлять 0,60–0,68.
3.Песком заполняют мерный цилиндр до уровня 130 мл и заливают его 3 %-ным раствором гидроксида натрия до уровня 200 мл. Содержимое цилиндра перемешивают и оставляют на 24 ч, повторив перемешивание через 4 ч после первого перемешивания. Затем сравнивают окраску жидкости, отстоявшейся над пробой, с цветом эталонного раствора или стеклом, цвет которого идентичен цвету эталонного раствора.
Песок пригоден для использования в бетонах или растворах, если жидкость над пробой бесцветна или окрашена значительно слабее эталонного раствора.
При окраске жидкости незначительно светлее эталонного раствора
29
содержимое сосуда подогревают в течение 2–3 ч на водяной бане при температуре 60–70 °С и сравнивают цвет жидкости над пробой с цветом эталонного раствора.
При окраске жидкости одинаковой или более темной, чем цвет эталонного раствора, необходимо провести испытания заполнителя в бетонах или растворах в специализированных лабораториях.
5. ПРАВИЛА ТЕХНИКИ БЕЗОПАСНОСТИ ПРИ ВЫПОЛНЕНИИ ЛАБОРАТОРНЫХ РАБОТ
5.1.Общие требования
5.1.1.К работе в лаборатории допускаются лица, прошедшие инструктаж по технике безопасности и сдавшие экзамен на допуск к электрооборудованию.
5.1.2.Лица, обслуживающие электроустановки, проходят инструктаж
1раз в 3 месяца. Лица, работающие с электроустановками, – 2 раза в год.
5.1.3.Инструктаж студентов проводит преподаватель.
5.1.5.Перед началом работы необходимо ознакомиться с содержанием работы и порядком ее выполнения. Проверить исправность приборов, наличие заземления у электрооборудования, наличие ограждения на вращающихся частях.
5.1.6.Перед включением приборов и электрооборудования необходимо ознакомиться с правилами техники безопасности и их эксплуатации (находящимися у каждого прибора).
5.1.7.При выполнении работы необходимо надевать спецодежду (фартуки, халаты), аккуратно завязав и застегнув ее.
5.1.8.По окончания работы отключить электроэнергию, привести в порядок рабочее место.
5.1.9.В случае возникновения пожара в лаборатории, необходимо немедленно отключить вентиляционные установки и приступить к тушению пожара, одновременно сообщив в пожарную охрану.
5.1.10.До прибытия пожарной дружины гасить пожар при помощи огнетушителей. В лабораториях имеются огнетушители ОП-4. При тушении необходимо поднести огнетушитель к очагу горения, сорвать пломбу, выдернуть чеку, направить шланг-раструб на очаг горения, нажать на верхнюю ручку запорно-пускового устройства и начать тушение огня.
30