Материал: 2518

Внимание! Если размещение файла нарушает Ваши авторские права, то обязательно сообщите нам

При насосном способе подъем жидкости на поверхность осуществляется с помощью спускаемых в скважину насосов – штанговых или погружных.

Все газовые скважины эксплуатируются только фонтанным спо-

собом, т. е. при любом пластовом давлении не применяются механиз-

мы для извлечения газа из пласта.

И

 

Способы эксплуатации скважин и периоды их применения обосновываются в проектных документах на разработку месторождения и реализуются нефтегазодобывающими организациями по планам геолого-технических мероприятий.

При проектировании и разработке нефтяных месторождений выделяются следующие группы эксплуатационных скважин:

добывающие;

нагнетательные;

специальные.

Добывающие скважины имеют Дфонтанное, насосное или газлифтное оборудование и предназначены для добывания нефти, нефтяного газа и попутной воды. В зависимости от способа подъема жидкости добывающие скважины подразделяются на фонтанные, газлифтные и насосные.

Нагнетательные скважины предназначены для воздействия на

продуктивные пласты путем нагнетания в них воды, газа и других рабочих агентов. В соответствии с принятой системой воздействия на-

СиФонтанная эксплуатация – способ эксплуатации нефтяных, газовых и газоконденсатных скважин, при котором полезное ископаемое под действием пластовой энергии изливается на поверхность.

гнетательные скважины могут быть законтурные, приконтурные и

внутриконтурные.

А

 

Специальные скважины предназначаются для добычи техниче-

ской воды, сброса промысловых вод, подземного хранения газа, лик-

видации открытых фонтанов.

б

3.4. Фонтанный способ эксплуатации скважин

При подъёме нефти и конденсата пластовая энергия складывается из энергии, зависящей от величины гидростатического напора, определяемого забойным давлением, и энергии газа, выделяемого из нефти и конденсата по мере падения давления при движении вверх по скважине потока продукции.

81

Нефть находится под землей под таким давлением, что при прокладке к ней пути в виде скважины она устремляется на поверхность. Как правило, фонтанируют скважины только в начале своего жизненного цикла, т.е. сразу после бурения. Через некоторое время давление в пласте снижается и фонтан иссякает. Остаток нефти после оконча-

С помощью фонтанной арматуры можно регулироватьИдобычу нефти

ния фонтанирования зачастую превышает 80 % начальных объемов.

При всех способах эксплуатации подъем жидкости и газа на по-

верхность происходит по насосно-компрессорным трубам (НКТ) небольшого диаметра, спускаемым в скважину. В зависимости от способа эксплуатации их также называют фонтанными, компрессорными, насосными, а также подъемными (лифтовымиД).

Если скважина эксплуатируется фонтанным способом, то на поверхности устанавливают специальное оборудование – фонтанную арматуру. Это оборудование необходимо для управления скважиной.

– уменьшать или совсем остановитьА.

Фонтанная арматура – комплект устройств, монтируемых на устье фонтанирующей скважины для её герметизации, подвески лиф-

товых колонн и управления потоками продукции скважины. Фонтанная арматура должнабвыдерживать большое давление (при полном закрытии фонтанирующей скважины), давать возможность производить замеры давления как в лифтовых трубах, так и на выходе продукции из скважины, позволять выпускать или закачивать газ при освоении скважиныи. Фонтанная арматура включает колонную и трубную головки, фонтанную ёлку с запорно-регулируемой арматурой и измерительными приборами (рис. 3.1).

Kолонная головка, расположенная в нижней части, служит для подвески обсадных колонн, герметизации межтрубных пространств и Сконтроля давления в них. При простейшей конструкции скважины (без промежуточных технических колонн) вместо колонной головки используют колонный фланец, устанавливаемый на верхней трубе

эксплуатационной колонны.

Трубная головка монтируется на колонной головке и служит для подвески и герметизации лифтовых колонн при концентрическом или параллельном спуске их в скважину.

Фонтанная ёлка устанавливается на трубной головке и служит для распределения и регулирования потоков продукции из скважины. Ёлка состоит из запорных (задвижки, шаровые краны), регулирующих устройств (штуцеры постоянного или переменного сечения) и фитингов (катушки, тройники, крестовины, крышки).

82

Привод запорных устройств может быть ручной, при высоком давлении пневматический или гидравлический с местным, дистанционным или автоматическим управлением. При отклонении давления продукции скважины от заданных пределов или в случае пожара на скважине автоматически перекрываются запорные устройства. Рабо-

 

И

чее давление фонтанной арматуры 7 – 105 МПa, проходное сечение

центрального запорного устройства 50 – 150 мм.

 

Ёлка

 

Трубнаяголовка

иРис. 3.1. Общий вид крестовой фонтанной арматуры:

1 – манометры; 2 – трехходовой кран; 3 – буфер; 4, 9 – задвижки; 5 – крестовик ёлки; 6 – переводная катушка; 7 переводная втулка; 8 – крестовик трубной

Сголовки; 10 – штуцеры; 11 – фланец колонны; 12 – буфер

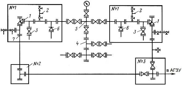
Манифольд – система труб и отводов с задвижками или кранами – служит для соединения фонтанной арматуры с трубопроводом, по которому продукция скважины поступает на автоматизированную групповую замерную установку (АГЗУ).

Простейшая схема манифольда крестовой фонтанной арматуры показана на рис. 3.2. Она предусматривает наличие двух практически идентичных обвязок (рабочая и резервная), в каждой из которых есть регулируемый штуцер 1, вентили 2 для отбора проб жидкости и газа, запорное устройство 3 для сброса продукции на факел или в земляной амбар и предохранительный клапан 6. Элементы схемы собираются в одно целое с помощью фланцевых соединений 7.

83

№ 1

 

 

 

 

 

 

 

 

 

 

 

 

 

 

 

 

 

 

 

 

2

 

 

 

 

 

 

№ 1

2

 

 

 

 

 

 

 

 

 

 

 

 

 

 

 

 

 

 

 

 

 

 

 

 

 

 

 

 

1

 

 

 

 

 

 

 

 

 

 

 

 

 

 

 

 

 

 

 

 

 

 

 

 

 

 

 

 

 

 

 

 

 

 

 

 

 

 

 

 

 

 

 

 

 

 

 

 

 

 

1

 

 

 

 

 

 

 

 

 

 

 

 

 

 

 

 

 

 

 

 

 

 

 

 

 

 

 

 

 

 

 

 

 

 

 

 

 

 

 

 

 

 

 

 

 

 

 

 

 

 

 

 

 

 

 

 

 

 

 

 

 

 

 

 

 

 

 

 

 

6

 

 

 

 

 

 

 

 

 

 

 

 

 

 

 

 

 

 

6

 

 

 

 

 

 

 

 

 

 

 

 

 

 

 

 

 

 

 

5

 

 

 

 

 

 

 

 

 

 

3

 

 

 

 

 

 

 

 

 

 

 

 

 

 

 

3

 

 

 

 

 

 

 

 

 

 

 

 

 

 

 

 

 

 

 

 

 

 

 

 

 

 

 

 

 

 

 

 

 

 

 

 

 

 

 

 

 

 

 

 

 

 

 

 

 

 

 

 

 

 

 

 

 

 

 

 

 

 

 

 

 

 

 

 

 

 

 

 

 

 

 

 

 

 

 

 

 

 

 

 

 

 

 

 

 

 

 

 

 

 

 

 

 

 

 

 

 

 

 

 

 

 

 

 

 

 

 

 

 

 

 

 

7

 

 

 

 

 

 

 

 

 

 

 

 

 

 

 

 

 

 

 

 

 

 

 

 

 

 

 

 

 

 

 

 

 

 

 

 

 

 

 

 

4

 

 

 

 

 

 

 

 

 

 

 

 

 

 

 

 

 

 

 

 

 

 

 

 

 

 

 

 

 

 

 

 

 

 

 

 

 

 

 

 

 

 

 

 

 

 

 

 

 

 

 

 

 

 

 

 

 

 

 

 

 

№ 3

 

 

 

 

 

 

 

 

№ 2

 

 

 

 

 

 

 

 

 

 

 

 

 

 

 

 

 

 

 

 

 

 

 

 

 

 

 

 

 

Д

 

 

 

 

 

 

 

 

 

 

 

 

 

 

 

 

 

 

 

 

 

 

 

 

 

 

 

 

 

 

 

 

 

 

 

 

 

 

В АГЗУ

 

 

 

 

 

 

 

 

 

 

 

 

 

 

 

 

 

 

 

 

 

 

 

 

 

 

 

 

Рис. 3.2. Принципиальная схема манифольда крестовой фонтанной арматуры

отсекателя (ПКО), боковойА(БЗ) и стволовой задвижек (СЗ) при помощи станции управления (патент РФ № 2453683).

Принцип работы системы автоматизированного управления фонтанной арматуры (САУ ФА), предназначенной для добычи пластового флюида, заключается в автоматическом открытии/закрытии запорно-регулирующей арматуры путем независимой подачи рабочей жидкости пневмонасосомбв механизмы приводов подземного клапана-

Станция управления САУ ФА содержит блок управления, приборыиКИПиА, исполнительные механизмы, установленные в шкафу станции и образующие пневмогидравлическую систему, соединенную через датчики контроля параметров с блоком управления станции. В качестве блока управления, обеспечивающего выполнение логических операций по открытию/закрытию скважины, используют про-

Сграммно-технический комплекс в виде контроллера с локальным пультом управления, содержащим монитор с сенсорным управлением для ввода команд в интерактивном режиме и локальной клавиатурой.

САУ ФА обеспечивает выполнение следующих функций:

управление оборудованием фонтанной арматуры БЗ, СЗ, ПКО с помощью клапанов;

формирование и вывод информации на панель оператора о состоянии оборудования фонтанной арматуры и станции;

контроль исправности датчиков давления, датчиков температуры и электромагнитных клапанов;

контроль уровня масла в гидробаке;

84

формирование информации для представления на панели оператора;

прием сигналов управления с панели оператора;

обмен информацией с АСУ ТП.

Принципиальная схема станции управления САУ ФА приведена на рис. 3.3. Газ питания подается в пневматическуюИлинию от внешнего стационарного источника через шаровой кран 1 и обратный клапан 2. Давление газа питания контролируется при помощи датчика давления 3.

СРис. 3.3. Принципиальная схема станции управления САУ ФА

Через кран 4, клапан 5 с электромагнитным приводом, регулятор давления 6, настраиваемый на давление управления насосом 7, газ подается на привод насоса 7. Предохранительный клапан настроен на максимальное давление в линии нагнетания насоса. Для открытия

85