Материал: 2455

Внимание! Если размещение файла нарушает Ваши авторские права, то обязательно сообщите нам

5

1

2

3

4

Топливо

~

 

 

Воздух

 

 

 

11

 

 

 

5

 

 

 

 

 

 

 

 

10

 

 

 

6

 

 

 

 

 

 

 

 

9

8

7

 

 

 

а)

 

 

 

 

 

 

1

 

 

 

2

3

4

Топливо

 

Пар на

 

~

 

 

 

производство

 

 

 

 

 

 

 

Воздух

13

 

 

 

 

 

 

 

 

 

 

 

11

 

 

14

5

 

 

 

 

 

 

 

10

12

 

15

 

6

 

 

 

 

 

 

 

б)

9

8

7

 

 

 

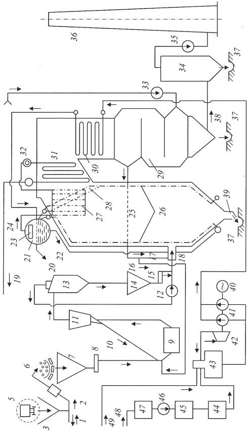
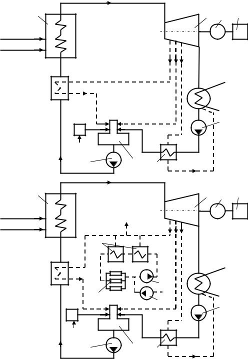
Рис. 2. Упрощенная тепловая схема электрической станции: а – КЭС (конденсационной); б – ТЭЦ (теплоэлектроцентрали); 1 – паровой котел; 2 – турбина; 3 – генератор; 4 – преобразователь электрической энергии; 5 – конденсатор; 6 – конденсатный насос; 7 – подогреватель низкого давления; 8 – деаэратор; 9 – питательный насос; 10 – установка химической очистки воды; 11 – подогреватель высокого давления; 12 – потребители теплоты; 13 – подогреватели сетевой воды (бойлеры); 14 – насос сетевой воды; 15 – подпиточный насос

6

1. СХЕМА КОТЕЛЬНОЙ УСТАНОВКИ

Котельная установка состоит из котла и вспомогательного оборудования.

Котлом называют устройство для получения пара или нагрева воды с давлением выше атмосферного, использующее для этой цели теплоту сгорания органического топлива, технологических процессов, электрической энергии или отходящих газов. В состав котла могут входить: топки, пароперегреватель, экономайзер, воздухоподогреватель, каркас, обмуровка, тепловая изоляция, обшивка.

Вспомогательным оборудованием считают: тягодутьевые машины, устройства очистки поверхностей нагрева, топливоприготовления и топливоподачи, оборудование шлако- и золоудаления, золоулавливающие и другие газоочистительные устройства, газовоздуховоды, трубопроводы воды, пара и топлива, арматура, гарнитура, автоматика, приборы и устройства контроля и защиты, водоподготовительное оборудование и дымовую трубу.

К арматуре относят регулирующие и запорные устройства, предохранительные и водопробные клапаны, манометры, водоуказательные приборы.

В гарнитуру входят лазы, гляделки, люки, шиберы, заслонки. Здание, в котором располагаются котлы, называют котельной. Рассмотрим в качестве примера работу котельной установки, изо-

браженной на рис. 3.

Привозимое топливо для сжигания с помощью вагоноопрокидывателя 5 поступает в приемный бункер угля 3, откуда транспортными устройствами направляется на топливный склад 1 или для сжигания.

Далее топливо поступает для предварительного измельчения на дробилку 4, а затем с помощью ленточного транспортера 6 подается в бункер сырого угля 7.

Питатель сырого угля 8 осуществляет дозированную подачу топлива на шаровую барабанную мельницу 9. Здесь происходит окончательное измельчение угля до размеров, обеспечивающих быстрое и экономичное сгорание в камерной топке 25 котла.

Сепаратор угольной пыли 11 отделяет крупные фракции угольной пыли, которые по течке возврата 10 возвращаются в мельницу для размола.

7

8

9