ДУГ устанавливается у основания стрелы (см. рис. 3.8, а) таким |
|||||||
образом, чтобы ось вращения оси датчика совпадала с осью вращения |
|||||||
стрелы, при этом вал датчика соединяется со стрелой специальным |
|||||||
поводком [6]. |
|
|
|
|
|
|
|
|
|
а |
|
|
б |
|
|
Вид А |
|
|
|
|
Растяжка |
Вид А |
FСП |
|
|
|
|
F |
|||
|
α |
|
|
|
|
|
|
|
|
|
|
|
|
|
|
С |
|
|
|
|
ДУС |
|
|
|
|
|
|
|
|
||
и |
Q |
|
|
|
|
||
|
|
|
F |
FСП |
|||
|
|
|
|
|
|
|
|
|
Р с. 3.8. Установка датчиков ограничителя ОГБ-2: |
|
|||||
а – |
схема расположения; б – датчик усилия на растяжках |
|
|||||
|
общая |
|
|
|
|||
Панель сигнализации ПС, как и блок управления, устанавливает- |
|||||||
ся в кабине машиниста. В состав ПС входят (см. рис. 3.7) указатель |
|||||||
степени загрузки УСЗ, сигнальные лампы ЛЗ и ЛК. УСЗ представляет |
|||||||
собой стрелочный индикаторАс неоцифрованной шкалой. Он указыва- |
|||||||
ет лишь приближение величины опрокидывающего момента к 100 %. |
|||||||
На этот индикатор подается напряжение, равное разности выходных |
|||||||
напряжений датчиков угла и усилия: |
U УГ – U УС. При U |
= UДУС |
|||||
стрелка индикатора указывает на 100%. Лишь это значение может |
|||||||
|
|
|
ДУГ |
||||
быть указано точно, поэтому на шкале оцифрована только риска 100. |
|||||||
При этом следует иметь в виду, что под значением 100% понимается |
|||||||
не номинальное значение опрокидывающего момента, определенное |
|||||||
по грузовым характеристикам крана, а то значение, на которое на- |
|||||||
строен ограничитель. |
|
|
И |
||||
|
|
|
|
|
|||
Сигнальные лампы ЛЗ и ЛК управляются контактами реле БУ |
|||||||
(см. рис. 3.7). Если ограничитель выдает команду, разрешающую ра- |
|||||||
боту крана, горит зеленая лампа ЛЗ, красная лампа ЛК при этом по- |
|||||||
гашена. При срабатывании ограничителя, когда выдается команда на |
|||||||
отключение цепей питания исполнительных механизмов крана, зеле- |
|||||||
ная лампа ЛЗ гаснет, загорается красная ЛК. |
|
|
|||||
41
Ограничитель ОГБ-2 воспроизводит грузовую характеристику Qmax = f1(R) в виде функции отключения Fmax = f2(α). Принцип работы ограничителя устроен таким образом, что сигнал ДУГ UДУГ пропорционален моменту устойчивости крана, а сигнал ДУС UДУС – моменту опрокидывания. СУ блока управления (см. рис. 3.7) сравнивает эти два
ДУСОгран ч тель ОНК-М аналогичен ОГБ-2 как по внешнему виду, так по пр нц пу ра оты. Однако конструкция ОНК-М имеет свои особенности. Датч к угла ОНК-М – контактный, в нем используется проволочный потенц ометр – весьма надежный, однако все же бес-
напряжения и управляет состоянием реле. Если UДУС ≤ UДУГ, обмотка реле находится под напряжением, контакты реле замыкают цепи питания пр водов сполн тельных механизмов крана и работа крана разрешена. Если U > UДУГ, обмотка реле обесточена, СУ выдается ко-
манда, запрещающая работу исполнительных механизмов крана.
контактная конструкц я ОГБ-2 олее предпочтительна с точки зрения
и
эксплуатацб. С другой стороны, ДУГ ОНК-М – недефицитный и недорогой, поэтому в случае выхода из строя его можно без проблем приобрести. Датч к ус лия ОНК-М отличается от ДУС ОГБ-2 использованием микросхемы М2ППМ0031 и иным расположением силовых рымов – колец для продевания троса. В релейном блоке ОНК-М нет стабилизатора напряжения, поэтому при перепадах в бор-
товой сети крана на датчики подается различное напряжение питания. Панель сигнализации ограничителя ОНК-М полностью иден-
тична панели ОГБ-2. |
А |
|
|
Модификации прибора ОНК-М аналогичны ОГБ-2: на некото- |
|
|
Д |
рых кранах установлены ОГБ-2, на некоторых – ОНК-М, причем од- |
|
них и тех же модификаций. Однако электрическая проводка различна, |
|
поэтому вместо ОГБ-2 нельзя установить ОНК-М той же модифик а- |
|
ции. Существуют также «двухугловые» модификации ОНК-М – это ОНК-М-29 и ОНК-М-46 с двумя датчиками угла в комплекте. Они используются на кареточных башенных кранах с балочной стрелой. ОГБ-2 таких модификаций не имеет.
Недостатком ограничителей ОГБ-2 и ОНКИ-М является то, что они не обеспечивают координатной защиты, защиты от опасного приближения к ЛЭП, защиты при проваливании лапы в мягкий грунт, записи и хранения информации о работе. Они обеспечивают только защиту от перегрузки и опрокидывания. Данный факт при современных требованиях безопасности работ, производимых грузоподъёмными машинами, значительно ограничивает их применение.
42
Одним из самых распространенных электронных ограничителей грузоподъёмности, устанавливаемых на кранах с жесткой подвеской телескопической стрелы, является ОГБ-3 (рис. 3.9). ОГБ-3 имеет несколько модификаций, отличающихся в основном настроечными параметрами, и устанавливается на краны с телескопической стрелой
типа |
-3571, КС-3577 и его модификации, выпускаемые АО «Авто- |
|||
кран», г. Иваново [6]. |
|
|
||
КС |
|
|
|
|
|
2 |
|
1 |
3 |
и |
|
4 |
||
|
б |
|||
|
|
|||
|
5 |
|
|
|
|
Рис. 3.9. Внешний вид ограничителя грузоподъёмности ОГБ-3 |
|||
|
|
А |
|
|
|
|
|
Д |
|
Ограничитель грузоподъёмности ОГБ-3 является системой ав-
томатической защиты, устанавливается на гидравлические краны с жесткой подвеской телескопической стрелы и предназначен для формирования команды управления с целью защитыИкрана от перегрузки
и опрокидывания и информирования машиниста о состоянии крана и положении его рабочего оборудования. Ограничитель ОГБ-3 при перегрузке автоматически отключает цепи питания приводов механизма подъёма груза и механизмов, продолжение работы которых направлено на снижение устойчивости крана [6].
ОГБ-3 отображает опрокидывающий момент в процентах от предельного при данном вылете с помощью стрелочного прибора. Также имеется указатель длины стрелы, представляющий собой стрелочный прибор, шкала которого оцифрована в метрах. Так же, как и на ОГБ-2, на панели ОГБ-3 расположены две лампы, сигнализирующие режимы работы прибора – работа разрешена или запрещена.
43
В состав ограничителя ОГБ-3 входят [6]:
• блок управления БУ – 1;
• датчик усилия ДУС – 2;
• датчик вылета (угла наклона стрелы) ДВ – 3; |
|
• датчик длины стрелы ДД – 4; |
|
С |
|
• |
панель сигнализации ПС – 5. |
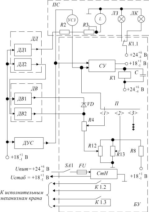
Функциональная схема ОГБ-3 изображена на рис. 3.10. |
|
и |
|
|
б |
|
А |
|
Д |
|
И |
Рис. 3.10. Функциональная схема ограничителя грузоподъёмности ОГБ-3
44
Блок управления устанавливается в кабине машиниста и выполняет те же функции, что в ограничителе ОГБ-2. В состав блока управления входят [6]:
• |
тумблер включения SA1; |
|
|
• |
предохранитель FU; |
|
|
С |
|
||
• |
стабилизатор напряжения СтН; |
|
|
• |
сравнивающее устройство СУ; |
|
|
• |
переключатель характеристик П; |
||
• |
сполн тельное реле К1; |
С; |
|
при |
|||
• |
конденсатор выдержки времени |
||
• настроечные резисторы R4, R12, R13. |
|||
|
тН |
напряжении ортовой сети от 20 до 30 В постоянного |
|
тока выдает стаб л з рованное напряжение 18 ± 1 В. Переключательбхарактеристик П предназначен для выбора ха-
рактер ст ки отключения ограничителя, определяющей режим работы крана (на опорах, ез опор). В зависимости от выбранного режима переключатель подключает к датчику угла пару настроечных резисторов, позволяющ х регулировать крутизну и смещение характеристики отключения относительноАосей координат F и α.
СУ сравнивает выходные сигналы второго канала датчика вылета ДВ2 и ДУС. Выходной сигнал сравнивающего устройства управляет состоянием реле К1, которое коммутирует цепи питания приводов исполнительных механизмов кранаД.
Конденсатор С, включенный параллельно обмотке реле, увеличивает время срабатывания и время отпускания реле, чтобы ограничитель грузоподъёмности не реагировал на кратковременные изменения нагрузки. Настроечные резисторы служат для настройки ограничителя на стенде и для его подстройки на кранеИ.
Для крана с телескопической стрелой грузовая характеристика Qmax = f1(R) преобразуется в характеристику отключения ограничителя Fmax = f2(α) при измерении нагрузки по оси гидроцилиндра подъёма стрелы. В ограничителях ОГБ-3 различной модификации эта нагрузка измеряется ДУС, аналогичным ДУС ограничителя грузоподъёмности ОГБ-2. Датчик усилия работает на растяжение совместно с гидромеханическим преобразователем плунжерного типа, преобразующим давление в поршневой и штоковой полостях гидроцилиндра подъёма стрелы в усилие на датчике (рис. 3.11, а). ДУС преобразует приложенное к нему усилие в напряжение постоянного тока. Основное отличие от ДУС ОГБ-2 в наличии дополнительного транзисторного усилительного каскада.
45