Материал: 2451

Внимание! Если размещение файла нарушает Ваши авторские права, то обязательно сообщите нам

ционарным упором и обеспечивает одностороннее ограничение. Для двустороннего ограничения требуется два таких выключателя. Шпиндельные выключатели соединяются с вращающимися валами меха-

низмов и применяются для двустороннего ограничения или многопо-

зиционного переключения.

С

б

а

 

и

б

 

Р с. 2.1. Типы путевых выключателей:

 

а – рычажный; – шпиндельный

 

А

Ограничитель подъёма крюка или стрелы представляет собой

концевой выключатель, у которого вместо жесткого рычага имеется

подвешенный груз с ограничительной скобой. При упоре крановой

подвески в ограничительную скобу включается концевой выключатель

и движение грузозахватного органаДвверх прекращается. Механизм подъёма грузозахватного органа будет работать только на опускание. Если при установке концевого выключателя на ГПМ будет уменьшено расстояние между крюковой подвеской и рычагом выключателя, то при подъёме груза (из-за инертности пружины) он может не сработать; канат подтянет крюковую подвеску до упора иИможет произойти обрыв и падение крюковой подвески (груза) в зоне работы.

Если по условиям эксплуатации требуется опускать груз ниже уровня, указанного в паспорте, то в механизме подъёма устанавливается ограничитель нижнего положения крюковой подвески (отключает механизм при условии намотки 1,5 витков каната на барабан).

Ограничитель подъёма крюка, содержащий скользящее приспособление в виде груза, висящего вдоль грузового каната на цепи, представлен на рис. 2.2. Груз с помощью цепи связан с подпружиненным штоком концевого выключателя, установленного на оголовке стрелы. При опущенном крюке груз свободно висит на тросе и оттягивает шток, замыкая контакты выключателя.

21

СВнешнийР с. 2.2. вид ограничителя подъёма крюка

В случае недопуст мого подъёма крюка упор поднимает груз, ослабляя натяженбе троса, что вызывает размыкание контактов выключателя, включенного в цепьАуправления грузовой лебёдкой в направлении подъёма крюка. Ограничитель механизма подъёма груза должен обеспечить остановку грузозахватного органа при его подъёме, зазор между грузозахватным органом и упором должен быть не менее 200 мм.

2.2. Концевые выключателиДсерии КУ

Защитную функцию выполняют концевые выключатели серии КУ

ООО «Промсервис», г. Чернигов (Украина), ограничивающие перемещение крюка или стрелы перед подходом к упору [38].

Концевые выключатели серии КУ-700 Ипредназначены для коммутации цепей управления электроприводами тележек кранов на рельсовом ходу; механизмов передвижения мостовых, козловых, консольных кранов и их грузовых тележек; грузозахватных органов кранов; подъёмников и лифтов и т.д. Выключатели имеют две независимые электрические цепи и могут работать как на переменном, так и на постоянном токе в повторно-кратковременном режиме.

При отклонении рычага выключателя КУ-701 (рис. 2.3, а) от нормального положения связанные с ним контакты разрывают цепь главного тока или тока управления и двигатель механизма отключается. Выключатели КУ-701 применяют в схемах управления для ограничения линейного передвижения кранов при небольших выбегах [38].

22

аб

С

 

внешний

Р с. 2.3. Концевой выключатель КУ-701:

а

вид; – внутреннее устройство

б

Корпус выключателя КУ-701 выполнен литым из алюминиевого

сплава в брызгозащ щенном исполнении. При установке на открытом

воздухе рекомендуется защищать выключатели от воздействия атмо-

 

А

сферных осадков. Внутри корпуса закреплен барабан с кулачковыми шайбами, при повороте которого замыкаются или размыкаются контакты блока кулачковых элементов (рис. 2.3, б). На изоляционном основании блока кулачковых элементов укреплены четыре неподвижных контакта и два рычага с контактными мостиками. Контакты выполнены из серебра. Пружины удерживаютДконтакты в замкнутом состоянии. При подходе выступа кулачковой шайбы под выступ рычага последний поворачивается и контакты размыкаются.

На валу выключателей КУ-701 устанавливают храповик, который фиксирует приводной рычаг в нулевом положении. Органом воздействия на выключатели КУ-701 служит ограничительнаяИлинейка.

Фиксация концевых выключателей КУ-703 (рис. 2.4) осуществляется за счет ограничения движения груза и противовеса. Они имеют на кулачковом валу двуплечий рычаг, на одном плече которого постоянно навешен груз, достаточный для поворота барабана в сторону размыкания контактов. Ко второму плечу рычага на тросике прикреплен груз с массой, заведомо большей, чем масса груза на рычаге. Грузовой трос механизма подъёма пропускается сквозь скобу на подвижном грузе, и при подтягивании подвески крюка к опасной зоне крана подвеска поднимает подвижный груз, рычаг кулачкового вала контроллера поворачивается под действием своего груза, и выключатель срабатывает на ограничение подъёма [38].

23

С

 

Р с. 2.4.

вид концевого выключателя КУ-703

ВнешнийВ выключателях КУ-704 рычаг выполнен в виде буквы W (рис. 2.5, а), что позволяет осуществлять фиксацию механизма в трёх

положен ях [38].

б

Аа Д

Рис. 2.5. Концевой выключательИКУ-704:

а – внешний вид; б – внутреннее устройство

Внутри концевой выключатель КУ-704 состоит из кулачкового механизма (рис. 2.5, б). При повороте рычага под воздействием упоров или других конструктивных элементов крана кулачковые шайбы с помощью кулачков воздействуют на электрические контакты выключателя, коммутируя цепи управления приводом линейного передвижения. Это позволяет производить отключение из любого направле-

ния [38].

24

Основные технические характеристики концевых выключателей серии КУ-700 [38]:

ток продолжительного режима – 10 А;

включаемый ток переменный – 50 А при напряжении до 500 В,

постоянный – 25 А при напряжениях 110, 220, 440 В;

С

отключаемый ток переменный – 10 А при напряжении до 500 В,

постоянный – 2,0/1,5/0,5 А при напряжениях соответственно 110/

220/440 В;

ном нальное напряжение переменного тока – 220, 380В;

и

ном нальное напряжение постоянного тока – 110, 220, 440В;

степень защ ты – IP44;

эксплуатац онная частота включений – до 600 в час;

температура окружающей среды – от –40 до +40°С;

 

б

механ ческая зносостойкость – 1 000 000 ВО;

ввод внешн х проводов через гермоввод;

выключатели меют 2 электрические цепи.

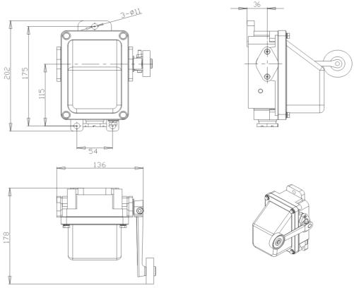
Габар тные пр соединительные размеры концевых выключа-

 

А

телей серии КУ-700 приведены на рис. 2.6 – 2.8 [38].

 

Д

 

И

Рис. 2.6. Габаритные размеры концевого выключателя КУ-701 25