Материал: 2451

Внимание! Если размещение файла нарушает Ваши авторские права, то обязательно сообщите нам

«ПРЕДЕЛ», «ОПАСНО», кнопки «КОНТР» и «СБРОС», защитная крышка, под которой расположены кнопки установки порогов скорости и времени воздействия порывов ветра УВЕЛИЧЕНИЕ – «↑» и

ВЫБОР – «→» [36].

Си б Рис. 9.1.АВнешний вид анемометра М-95-ЦМ

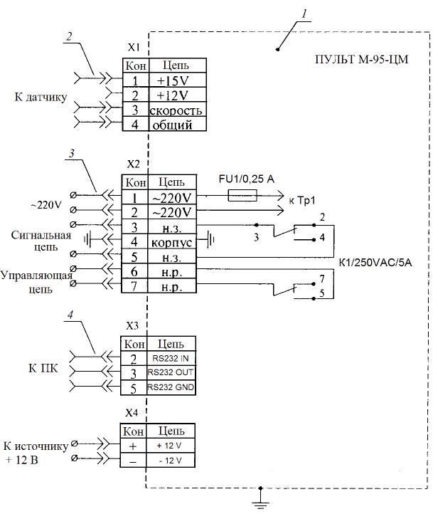
В нижней части измерительного пульта размещены разъём X1 для подключения соединительногоДкабеля от датчика, разъём Х2 для подключения кабеля питания от сети переменного тока с проводами коммутации цепей управления и сигнализации, разъем Х3 для подключения персонального компьютера, разъем Х4 для подключения источника питания 12 В [36].

Измерение скорости ветра основано наИпреобразовании скорости воздушного потока в частоту вращения крыльчатки. На валу крыльчатки жестко закреплен диск оптического модулятора, преобразующего световой поток в электрические импульсы, частота которых пропорциональна скорости ветра.

После включения питания пульт находится в режиме отображения скорости ветра. Данные от датчика высвечиваются тремя младшими разрядами индикатора скорости ветра. При достижении скорости ветра, опасной для данного объекта и обслуживающего персонала (75% от установленного порогового уровня), включается предварительная световая сигнализация – зеленый светодиод «ВНИМАНИЕ». При дальнейшем увеличении скорости ветра включается желтый све-

206

тодиод «ПРЕДЕЛ» и одновременно включается таймер микроконтроллера.

Если порывы ветра устойчивы по величине и времени и превышают установленные значения порогов, микроконтроллер включает

сигнализацию «ОПАСНО» и вызывает срабатывание исполнительно- СБРОСго реле. На разъем Х2 выведена пара нормально замкнутых и пара нормально разомкнутых контактов, через которые переключаются

цепи сигнализации (звуковой, световой) и аварийной защиты на объекте. При этом обеспеч вается автоматическая блокировка включения

исполн тельного устройства. Разблокировка осуществляется нажати-

кнопки

ем кнопки «

» на измерительном пульте, если измеряемое зна-

чение скорости

ветра

продолжительность порывов ветра будут

меньше установленных порогов значений для данного объекта.

Контроль ра отоспосо ности анемометра и проверка установки

порогов

срабатыван

 

я по скорости и времени воздействия осуществ-

ляется нажат ем

«КОНТР» на измерительном пульте. При

нажат

удержан

олее трех секунд или трех кратковременных

нажат й кнопки «КОНТР» пульт перестает принимать данные от датчика, последовательноАиндицирует установленные значения порога

скорости и времени порывов ветра, слово TEST и начинается увели-

чение скорости от 0 до порогового значения с шагом 0,1 м/с. После окончания тестирования индицируется слово END. ля перехода в рабочий режим нажать кнопку «СБРОС».

постоянную память (EEPROM) для хранения значений порога скорости ветра и времени воздействия, через которое включается реле. Для входа в этот режим требуется нажать кнопку «СБРОС» и, удер-

Измерительный пульт имеетДэлектрически перезаписываемую

живая её, нажать кнопку «КОНТР». На индикаторе отобразится значение порога, записанное в память и буква ПИ(порог). При этом первая цифра на индикаторе будет мигать – это цифра, которую сейчас можно изменить. При нажатии кнопки «↑» значение мигающей циф-

ры будет увеличиваться. При нажатии кнопки «→» начинает мигать следующая цифра – таким образом можно выбирать нужную цифру для изменения.

Основные технические характеристики и особенности анемо-

метра М-95-ЦМ [36]:

1.Диапазон измерения скорости ветра – от 1,8 до 55,0 м/с.

2.Предел допустимой основной погрешности измерения скорости ветра – не более ± (0,5 + 0,05V), где V – измеряемая скорость ветра, м/с.

207

3.

Индикация результатов измерения скорости ветра: цифровая

с дискретностью отчета 0,1 м/с. Количество знаков отсчета – 3.

4.

Диапазон установки порогов срабатывания сигнализации по

скорости ветра – от 12 до 40 м/с с шагом 0,1 м/с.

5.

Предел допускаемой основной погрешности срабатывания

С

 

сигнализации по скорости ветра – не более ± 0,4 м/с.

6.

Порог срабатывания предварительной сигнализации по ско-

рости ветра – (75 ± 5)% от установленного значения порога по скоро-

сти ветра.

 

7.

Д апазон установки порогов срабатывания сигнализации по

длина

времени – от 1 до 99 с.

 

8.

Предел допускаемой основной погрешности срабатывания

сигнал зац по времени – не олее ± 0,6 с.

9.

Допуст мая

двухжильного экранированного соедини-

тельного

кабеля2 А для переменного тока.

между датчиком скорости ветра и измерительным

пультом: 15, 30, 60

100 м.

10.

Допуст мое напряжение коммутации исполнительным реле

– не более 250В при токе коммутации не более:

0,2 А для постоянного тока;

11.В анемометре предусмотрен встроенный контроль, обеспечивающий проверку сра атывания сигнализации по установленным порогам скорости ветра и времени воздействия порывов ветра и установку по скорости ветра.

12.Анемометр оснащен интерфейсом RS-232 для передачи данных на персональный компьютер.

13.Электрическое питание анемометра осуществляется от сетиДА

 

 

И

переменного тока напряжением 220

+2233 В с частотой 50 Гц или источ-

ника постоянного напряжения 12+32,,64

В.

 

14. Потребляемая мощность – не более 10 ВА.

Схема электрическая соединений анемометра М-95-ЦМ представлена на рис. 9.2. Подключение пульта анемометра к датчику осуществляется через разъем X1. Подключение пульта анемометра к цепям питания от сети переменного тока 220 В или бортовой сети постоянного тока 12 В к цепям заземления, сигнализации и управления, а также к интерфейсу с компьютером осуществляется через разъёмы Х2, ХЗ, Х4 [36].

208

Си б А Д

Рис. 9.2. Схема соединений анемометраИМ-95-ЦМ:

1 – пульт измерительный; 2 – кабель соединительный пульта с датчиком; 3 – кабель питания и сигнализации; 4 – кабель цифрового интерфейса RS-232

Положение контактов исполнительного реле К1, соответствующее состоянию «ОПАСНО» (или обесточенному прибору), следующее: управляющая цепь – разомкнута, сигнальная цепь – замкнута [36].

209

9.2. Анемометр сигнальный цифровой АСЦ-3

Анемометр цифровой сигнальный АСЦ-3 (рис. 9.3), производимый ЗАО Научно-производственное объединение «Техкранэнерго», г. Владимир, предназначен для измерения скорости воздушного потока (ветра) в промышленных условиях, выделения опасных ветровых порывов и включения при этом сигнальных устройств [69].

Анемометр АСЦ-3 предназначен для установки на существующие типы башенных, портальных, козловых кранов и другие объекты, требующ е оборудован я устройствами аварийной ветровой защиты.

Пр менен е АСЦ-3 регламентируют:

С

ПБ 10-382–00 «Правила устройства и безопасной эксплуата-

грузоподъёмных кранов»;

ГОСТ 1451–77 «Краны грузоподъёмные. Нагрузка ветровая.

Нормы

методы определения».

АСЦ-3 состо т з датчика скорости ветра ДСВ, блока контроля

ции

БК, кабелей (соед н тельного, питания и нагрузки). ДСВ рассчитан

на установку на открытом месте грузоподъёмного крана таким обра-

зом, чтобы

ваемый о ъект не создавал для датчика ветровой

«тени». БК устанавливается в ка ине машины [69].

 

обслуж

 

А

 

Д

 

Рис. 9.3. Внешний вид анемометра АСЦ-3

 

И

Основные технические характеристики и особенности анемометра АСЦ-3 [37]:

1.Диапазон измерения и индикации скорости ветра – от 3,0 до 32 м/с.

2.Диапазон установки порогов срабатывания в виде задания ус-

тавки предельной скорости ветра Vпр – от 10,0 до 32 м/с с шагом 0,1 м/с.

210