• обрыв фазы по току;
• обрыв фазы по напряжению;
• нарушение чередования фаз;
• перекос фаз по напряжению. Отличительные особенности ПЗФ1 [34]:
прибор контролирует как наличие входных фазных напряжений, так и обрыв фаз в цепях обмоток электродвигателя;
самовосстанавливающийся прибор – после устранения аварийной с туац разрешает дальнейшую работу электродвигателя.
В отл ч е от пр боров аналогичного класса (УЗОФ-М, УЗОФ-3М, |
|
тение |
|
УЗОФ-5М) ПЗФ1 обладает следующими преимуществами: |
|
С• пр менены датчики тока накладного типа (патент на изобре- |
|
№ 2100811), что существенно упрощает монтаж; |
|
• меет выносной индикационный пульт; |
|
|
обеспеч |
• |
вает защиту не только при обрыве фаз по току, но и |
по напряжен ю, пер косу фаз и нарушению чередования фаз. |
|
Электроп тан е ПЗФ осуществляется от трёх фаз переменного |
|
тока напряжен ем 380−+1020%% В, частотой 50 Гц. |
|
|
А |
Исполнительное реле ПЗФ1 коммутирует цепь катушки трёхфазного линейного контактора электропривода грузоподъёмного механизма. Величина тока нагрузки на выходные контакты исполнительного реле [34]:
• при напряжении переменного тока 220 В – от 0,1 до 2,5 А;
• при напряжении переменногоДтока 380В – от 0,1 до 1,5 А. Конструктивно ПЗФ1 выполнен в виде электронного блока, вы-
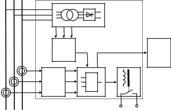
носного пульта ПДКУ и трёх измерительных зондов (датчиков тока). Структурная схема ПЗФ1 приведена на рис. 7.5. Принцип дейст-
вия прибора основан на контроле наличия тока в каждой из фаз и напряжения в питающей электрической сети [34].И
Информация о наличии тока в каждой из фаз трехфазной нагрузки поступает в виде напряжений квазисинусоидальной формы, пропорциональных величине тока в каждой из фаз, с измерительных зондов 1 на входы трёхканального преобразователя сигналов ПС1 4. Преобразователь ПС1 формирует управляющие логические сигналы о наличии тока в каждой из фаз (1 – ток есть, 0 – тока нет), которые поступают на вход схемы сравнения 5 [34].
Алгоритм работы ПЗФ построен таким образом, что в дежурном режиме (нагрузка отключена от внешней сети) ток отсутствует во всех фазах (лог. 0,0,0) и в рабочем режиме (ток присутствует во всех фазах (лог. 1,1,1)) – исполнительное реле 6 замкнуто.
191
~380 В |
|
|
|
|
|
|
|
|
|
|
|
|
|
ЭБ |
|
С |
|
|
|
3 |
|
|
|
|
|
L1, L2, L3 |
|
|
|
||
|
ПС2 |
|
|
|
ПДКУ |
||
|
|
2 |
|
|
|||
|
|
|
|
|
|||
|
ПС1 |
& |
5 |
6 |
|
||
|
|
|
|
|
|
||
1 |
|
|
|
|
|
|
|
|
|
|
|
|
|
|
|
|
|
|
4 |
|
|
|
|
и |
|
В цепь контактора |
|||||
|
|
|
|
|
|||
|
|
Рис. 7.5. Структурная схема ПЗФ1 |
|
||||
|
б |
|
|
|
|||
При пропадании тока в одной или двух фазах (обрыв фазы по |
|||||||
току) кратковременно загораются индикаторы аварийной ситуации на |
|||||||
электронном блоке ЭБ ПЗФ1, |
пульте П |
КУ и размыкается исполни- |
|||||
тельное реле 6, что приводит к отключению электродвигателя (на- |
|||||||
|
|
А |
|
||||
грузки) от внешней питающей сети. |
|
|
|
||||
При попытке повторно подключить электродвигатель (нагрузку) |
|||||||
к питающей сети при сохранении аварийной ситуации произойдет |
|||||||
кратковременное её подключение с последующим отключением от |
|||||||
внешней питающей сети. |
Д |
||||||
Контроль фазных напряжений внешней питающей сети проис- |
|||||||
ходит следующим образом: напряжения фаз L1, L2, L3 поступают на |
|||||||
вход преобразователя сигналов ПС2 2, который выполняет контроль |
|||||||
правильности чередования фаз, обрыва фаз по напряжению, перекоса |
|||||||
|
|
|
|
|
И |
||
фаз и формирует логический управляющий сигнал (0 – соответствует |
|||||||
наличию |
любой |
из |
вышеперечисленных |
аварийных |
ситуаций, |
||
1 – аварийные ситуации отсутствуют), поступающий на вход схемы |
|||||||
сравнения 5. |
|
|
|
|
|
|
|
Алгоритм работы ПЗФ1 при контроле фазных напряжений сле- |
|||||||
дующий: при отсутствии аварийных ситуаций исполнительное реле 6 |
|||||||
|
|
|
|
192 |
|
|
|
замкнуто, а при возникновении любой из аварийных ситуаций (обрыв фазы по напряжению, нарушение чередования фаз, перекос фаз) загораются индикаторы аварийной ситуации и размыкается исполнительное реле 6, что приводит к блокировке подключения электродвигателя (нагрузки) к внешней питающей сети в дежурном режиме или к о т-
Сключению нагрузки от внешней питающей сети в рабочем режиме. Индикаторы аварийной ситуации высвечиваются постоянно, и
повторное подключение нагрузки к внешней питающей сети при сохранен авар йной с туации невозможно.
После устранен я аварийной ситуации по напряжению (обрыв сетифазы по напряжен ю, перекос фаз, нарушение чередования фаз) происход самовозврат ПЗФ1 в состояние готовности к дальнейшему отслеж ван ю параметров питающей сети.
В рабочем реж ме после возникновения аварийной ситуации (обрыв фазы по току) отключения нагрузки от внешней питающей (блок ровки сполнительного механизма грузоподъёмной ма-
шины) ПЗФ1 переход т в дежурный режим.
Следовательно, после устранения аварийной ситуации при подключении ПЗФ1 в цепь катушки контактора электропривода грузо-
подъёмной |
|
контактор возвращается в замкнутое состояние и |
||
|
лебедки |
|
|
|
дополнительных действий от крановщика для продолжения работы не |
||||
требуется, а при подключении ПЗФ1 в цепь катушки линейного кон- |
||||
тактора крановщику требуется включить линейный контактор и про- |
||||
должить работу. |
А |
|
||
|
|
|
||
ПЗФ1 может использоваться для защиты как отдельного элек- |
||||
тропривода грузоподъёмного механизма (например, лебёдки), так и |
||||
группы электроприводов, но только при условии раздельного вклю- |
||||
чения электродвигателей. |
Исполнительное |
|||
Прибор подключается к внешнимДцепям крана согласно типовой |
||||
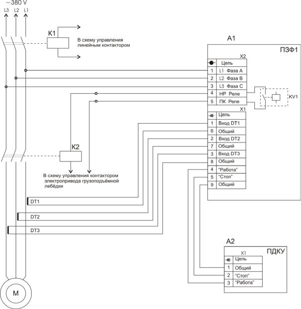
электрической схеме подключения (рис. 7.6). |
реле |
|||
электронного блока может коммутировать или цепь катушки линейного контактора, или цепь индивидуального контактора электропривода механизма подъёма при групповом подключении приводов. В зависимости от использования прибора через измерительные зонды пропускаются либо провода кабеля отдельного электродвигателя, либо провода отходящих кабелей группы электродвигателей крана [34].
При подключении ПЗФ1 к реальным электроприводам, имеющим отличия от типовой схемы, должна быть сохранена идеология подключения, заложенная в типовой схеме подключения.
193
Си б А
Рис. 7.6. Схема электрическаяДподключенияИПЗФ1:
A1 – электронный блок ПЗФ1; А2 – пульт П КУ; DT1, DT2, DT3 – измеритель-
ные зонды (датчики тока); KV1 – внутреннее исполнительное реле;
K1 – контактор линейный; К2 – контактор электропривода грузоподъёмной лебёдки; М – электродвигатель
Таким образом, прибор ПЗФ1 подходит для защиты электроприводов практически с любыми релейно-контакторными системами пуска двигателя.
194
|
Контрольные вопросы и задания |
1. |
Каковы назначение, область применения, устройство и прин- |
цип работы устройства УЗОФ-3М и прибора ПЗФ1? |
|
2. |
В каких исполнениях выпускается прибор УЗОФ-3М? |
3. |
Какой вид электроприводов защищают УЗОФ-3М и ПЗФ1? |
4. |
Какие индикаторы расположены на устройствах УЗОФ-3М и |
ПЗФ1? |
|
5. |
В чем отл ч е прибора ПЗФ1 от устройства УЗОФ-3М? |
6. |
Каковы функц и выносного пульта ПДКУ прибора ПЗФ1? |
При |
|
7. |
Для чего в устройстве УЗОФ-3М имеется время задержки |
Ссрабатыван я? |
|
8. |
как х с мметричных колебаниях питающего напряже- |
ния пр бор УЗОФ-3М не теряет работоспособности? |
|
9. |
Объясн |
те устройство и принцип работы трансформатора |
|
тока устройства УЗОФ-3М. |
|
10. |
Какую цепь коммутируют контакты выходного реле прибора |
ПЗФ1? |
А |
11. |
Какие параметры, кроме тока фаз электродвигателя, контро- |
лирует прибор ПЗФ1? |
|
12. |
Какой из при оров защиты может работать при динамиче- |
ском торможении двигателя? Каким образом это реализовано? |
|
13. |
В чем отличие схем питания устройства УЗОФ-3М и прибора |
ПЗФ1? |
Д |
|
|
|
И |
195