Материал: 2432

Внимание! Если размещение файла нарушает Ваши авторские права, то обязательно сообщите нам

4. Теоретические положения

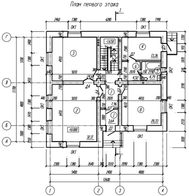
Графические построения в расчётно-графической работе начинают с вычерчивания плана 1 этажа жилого дома. Построение плана выполняется в следующей последовательности [1, 16, 17]: − наносятся продольные и поперечные координационные оси (штрихпунктирными тонкими линиями) и проставляются их марки в кружках снизу и слева; − вычерчиваются контуры наружных и внутренних несущих стен (сплошной толстой основной линией) и перегородок. Положение наружных стен определяется величиной привязки (расстояния от внутренней поверхности стены до координационной оси). В наружных кирпичных несущих

стенах (продольных

ли поперечных) координационная ось

смещается

от

С

стены, как правило, на 200 мм. В наружных самонесущих

внутренней

поверхности

 

 

стенах коорд нац онная ось совмещается с внутренней поверхностью стены. Во

внутренн х несущ

стенах геометрическая ось симметрии

совмещается

с

Следует обратитьвнимание на различие в сопряжении несущих стен друг с другом и с перегородками; − размещаются оконные и дверные проёмы в стенах и

координац онной осью. В графической работе толщина наружных стен принимается равной 510 мм, внутренних стен – 380 мм, перегородок – 120 мм.

перегородках. В наружныхАстенах кирпичных зданий оконные проёмы выполняются с четвертями (выступами в верхней и Дбоковой частях проёма размерами 120×65 мм). Окна изображаются в виде линий в проёмах стен, соответствующих контурам оконной коробки. Контур проёмов показывается основной линией, а оконные заполнения и контуры стен в пределах проёма –Исплошными тонкими линиями. Дверные полотна показываются в направлении их открывания сплошной толстой линией под углом 30° к плоскости стены. Напротив оконных проёмов с внешней стороны здания наносятся марки окон, например, ОК-1 (ОК – окно, 1 – порядковый номер окон одного вида). Аналогично маркируются двери, например, Д-1.

Дополнительно в составе чертежей должна предоставляться информация о размерах и конструктивном решении окон и дверей; − изображаются лестницы – междуэтажная и входная, вычерчиваются сплошной линией контуры лестничных площадок и маршей с указанием отдельных ступеней. На условном обозначении лестниц стрелками показывается направление подъёма.

66

Следует обратить внимание, что условные изображения лестницы на планах 1 и 2 этажей должны различаться (см. прил. 4). Вычерчиваются условные обозначения санитарно-технических приборов (рис. 6) и вентиляционных каналов.

 

Вытяжная вентиляция предусматривается в помещениях кухонь и

санитарных узлов, вентиляционные каналы (140×140 мм) устраиваются во

внутренних стенах толщиной не менее 380 мм; − на чертёж наносятся выносные и

С

 

 

 

размерные линии.

 

 

 

 

Размеры проставляются в виде размерных цепочек снаружи и внутри здания

в количестве, необход мом для определения габаритных размеров всех

 

координац

 

 

помещен й; положен я

размеров всех помещений; положения и размеров

проёмов, простенков, уступов в несущих стенах; толщин стен и величин привязок

к

 

онным осям.

 

 

 

 

 

ближе

 

 

Первая размерная л ния должна располагаться на расстоянии не ближе 10 мм

(чаще всего 15 … 20 мм для наружных размеров) от контура чертежа,

последующ е размерные л нии – не

 

7 мм друг от друга; − выполняются

 

 

А

необходимые надписи, ссылки.

 

 

 

Информация о наименовании помещений и их площадях приводится либо

непосредственно на плане,

ли о в экспликации помещений (рис. 7) с нумерацией

 

 

 

Д

помещений на плане в кружках диаметром 6 … 8 мм.

 

Площади (в квадратных метрах с округлением до сотых) проставляются в

правом

нижнем углу помещения и

подчёркиваются. Указываются отметки

 

 

 

 

 

И

участков, расположенных на разных уровнях, обозначаются секущие плоскости разрезов.

67

Для сокращения времени на исполнение чертежей и исключения ошибок в расположении несущих стен, оконных проёмов одного фасада и других однотипных элементов планов рекомендуется при работе в графическом редакторе AutoCAD получать план 2 этажа жилого дома копированием готового плана 1 этажа с внесением в него необходимых корректировок (уточнением положения перегородок, дверных проёмов, окон, пересчётом площадей и т.п.). Пример

Соформления чертежей планов этажей жилого дома приведён ниже.

и б А Д И

68

Контрольные вопросы к лабораторной работе №10-11

1. В какой последовательности выполняется построение плана жилого здания?

2. Как проходит координационная ось в наружных кирпичных несущих стенах (продольных или поперечных)?

С

3.

Как проходит координационная ось в наружных кирпичных самонесущих стенах?

4.

Как проходит геометрическая ось симметрии во внутренних несущих стенах

относительно х коорд нац онной оси?

5.колько составляет толщ на наружных несущих стен?

6.колько составляет толщ на внутренних несущих стен?

7.Сколько составляет толщ на внутренних кирпичных перегородок?

8.Какие размеры пр ведены на первой размерной линии на примере плана первого этажа?

9.Какие размеры приведены на второй размерной линии на примере плана первого этажа?

10.Какие размеры приведены на третьей размерной линии на примере плана первого этажа?и

Тема: РазработкачертежейпоэтажногоДпланаИпромышленногоздания

Лабораторнаяработа: Разработкачертежаплана1 -гоэтажапромышленногоздания

1.Цель – уяснить, какие элементы наносятся на план промышленного здания,

вкакой последовательности он разрабатывается.

2.Задание: начертить план промышленного здания в соответствии с исходными данными.

69

3. Исходные данные

 

 

 

 

 

 

 

Отметка

 

 

 

 

 

 

Шаг

 

 

 

 

 

 

 

 

низа

 

 

 

 

Ширина

Толщина

 

 

 

Число

 

Число

 

 

Тип

 

 

поперечных

 

 

Пролет

 

стропильных

 

 

 

плит

стеновых

 

L, м

пролетов

поперечных

конструкций

стропильных

 

покрытия

панелей

рам по

 

 

 

n, шт.

рам m, шт.

на опорах Н,

конструкций

 

 

b, м

t, мм

длине

 

 

 

 

 

 

 

 

м

 

 

 

 

 

 

 

здания В, м

 

 

 

 

 

 

 

 

 

 

 

 

 

 

 

 

 

 

 

 

 

 

 

 

 

 

 

 

 

 

 

 

 

1

12

2

 

 

5

 

10,8

 

балка

 

 

1,5

300

6

 

 

 

 

 

 

 

 

 

 

 

 

 

 

 

 

 

2

18

2

 

 

6

 

8,4

 

ферма

 

 

1,5

400

12

 

 

 

 

 

 

 

 

 

 

 

 

 

 

 

 

 

3

24

1

 

 

7

 

9,6

 

ферма

 

 

1,5

400

6

 

 

 

 

 

 

 

 

 

 

 

 

 

 

 

 

 

4

12

3

 

 

8

 

8,4

 

балка

 

 

3

300

12

 

С

 

 

 

 

 

 

 

 

 

 

 

 

 

5

18

2

 

 

9

 

9,6

 

балка

 

 

3

300

6

 

 

 

 

 

 

 

 

 

 

 

 

 

 

 

 

 

6

24

1

 

 

5

 

10,8

 

ферма

 

 

3

400

12

 

 

 

 

 

 

 

 

 

 

 

 

 

 

 

 

 

7

12

3

 

 

6

 

9,6

 

балка

 

 

1,5

400

6

 

 

и

 

 

 

 

 

 

 

 

 

 

 

8

18

2

 

 

7

 

10,8

 

балка

 

 

1,5

300

12

 

 

 

 

 

 

 

 

 

 

 

 

 

 

 

 

 

9

24

1

 

 

8

 

8,4

 

ферма

 

 

1,5

300

6

 

 

 

 

б

 

 

 

 

 

 

 

 

10

12

3

 

 

9

 

9,6

 

балка

 

 

3

400

12

 

 

 

 

 

 

А

 

 

 

 

 

 

 

 

 

 

 

 

 

 

 

 

 

4. Теоретические положения

Д

 

 

 

 

 

 

 

 

 

 

 

При проектировании сборных зданий, все элементы которых изготавливаются промышленным способом (щитовых, панельных), вычерчивание планов этажей производится схематично, а нанесению подлежат Итолько основные размеры. Кроме поэтажных планов выполняются также монтажные схемы и планы. На них показывается маркировка и расположение друг относительно друга всех конструктивных элементов. Схемы расположения сборных конструкций и монтажные планы являются составными частями комплектов чертежей марки КЖ (конструкции железобетонные).

70