Материал: 2295

Внимание! Если размещение файла нарушает Ваши авторские права, то обязательно сообщите нам

термического воздействия отработавших газов можно представить выражением

Qог дв = Qог гл + Qкут ог

(3)

или

 

Qог дв = Qог гл + Qог Б + Qог П + Qог ок.в,

(4)

где Q ог гл- часть теплоты Q ог дв, поступающая в глушитель системы выпуска двигателя.

Количество теплоты отработавших газов, используемой на подогрев газового баллона при работе двигателя на нагрузочных режимах, можно определить из выражения

QогБ = Qогдв - (Qоггл + QогП + Qогок.в)

(5)

Распределение теплоты отработавших газов двигателя при ее утилизации для подогрева газового баллона показано на рис. 7.13 в виде полос, каждая из которых соответствует одному из слагаемых правых частей выражений (1), (2) и (4), (5).

Процессы внешней утилизации теплоты отработавших газов двигателя связаны прежде всего с их местным интенсивным охлаждением и потому практически могут быть без особых затруднений реализованы с помощью специального теплообменника (например, подогревателя газового баллона при низких температурах), выполненного в виде греющего фартука, который без всяких затрат энергии осуществляет движение отработавших газов перед выпуском их в окружающий воздух.

Рис. 7.13. Распределение термического воздействия отработавших газов двигателя в процессе подогрева газового баллона при низких температурах:

а– при работе двигателя на режимах холостого хода;

б– при работе двигателя на нагрузочных режимах

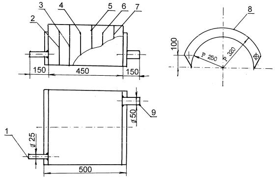
В СибАДИ разработана конструкция устройства (рис. 7.14), в котором осуществляется утилизация теплоты отработавших газов двигателя газового баллона и через него подогрев сжиженного нефтяного газа при низких температурах окружающего воздуха с

1 – патрубок отвода отработавших газов из контура; 2, 3,4,5,6,7–направляющие перегородки контура; 8 – корпус контура; 9 – патрубок подвода отработавшихгазоввконтур
Рис.7.14. Контур утилизациитеплоты отработавших газов двигателя газобаллонного автомобиля ГАЗ -53- 07:

целью создания избыточного давления паров газа в баллоне для обеспечения безотказной зимней эксплуатации автомобиля на сжиженном нефтяном газе.

Утилизационный контур (см. рис. 7.14) для газового баллона представляет собой сварной многоходовой теплообменник, элементы которого выштампованы из листовой углеродистой стали толщиной 1,5 мм, обеспечивающей сопротивление окислению его внутренней поверхности от воздействия высоких температур отработавших газов.

Конвективный канал подогревателя образован двумя его полусферическими стенками, с которыми плотно соединены шесть направляющих ребер, обеспечивающих семиходовое движение отработавших газов в подогревателе и используемых в процессе теплоотдачи в качестве дополнительной конвективной поверхности

нагрева.

Площадь поперечного сечения конвективного канала выбрана несколько больше поперечного сечения подводящего патрубка подогревателя газового баллона. Площадь поперечного сечения отводящего патрубка подогревателя в два раза меньше площади поперечного сечения подводящего патрубка подогревателя. В результате этого увеличивается продолжительность термического воздействия отработавших газов на стенки конвективного канала подогревателя, которая способствует увеличению охлаждения отработавших газов вследствие увеличения при этом

теплоотдачи от них в подогреватель газового баллона. Внутренние элементы конструкции подогревателя отвечают требованиям аэродинамического профилирования. Такое техническое решение (в рамках габаритных размеров газового баллона) позволяет значительно увеличить утилизацию теплоты отработавших газов в подогревателе газового баллона при сравнительно небольшой массе подогревателя (4,8 кг у автомобиля ГАЗ-53-07).

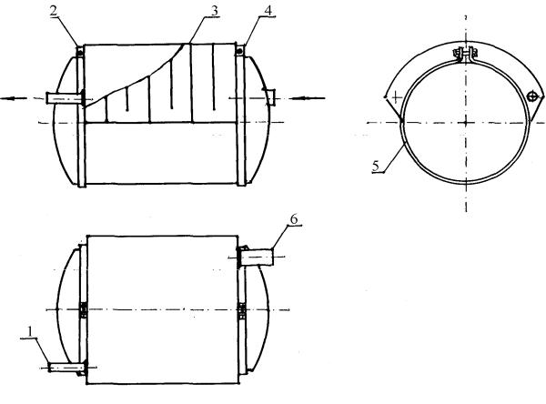
При монтаже подогреватель плотно прижимается сверху к газовому баллону его хомутами таким образом, что он обхватывает верхнюю половину цилиндрической части газового баллона (рис. 7.15).

Рис. 7.15. Схема расположения контура утилизации отработавших газов двигателя на баллоне сжиженного нефтяного газаавтомобиляГАЗ-53-07:

1 – патрубок отвода отработавших газов из контура; 2 и 4 – стяжные хомуты; 3 – контур утилизации отработавших газов двигателя; 5 – баллон СНГ; 6 – патрубок подвода отработавшихгазоввконтур

Утилизационный контур теплоты отработавших газов включается в систему выпуска двигателя посредством металлического компенсатора, который, обеспечивая герметичность соединения подогревателя газового баллона с системой выпуска отработавших газов двигателя, выдерживает длительную необслуживаемую эксплуатацию.

Исследования эффективности утилизации теплоты отработавших газов в разработанном утилизационном контуре (определение динамики избыточного давления газа в баллоне в процессе его подогрева, температурного перепада в контуре утилизации спектральных составляющих акустического излучения контура утилизации и др.) были осуществлены на автомобиле ГАЗ- 53-07 на различных скоростных режимах холостого хода двигателя в условиях различных отрицательных температур окружающего

воздуха. При этом особенно важно было вскрыть эффективность утилизации теплоты отработавших газов в контуре при работе двигателя на режимах холостого хода (когда расход сжиженного нефтяного газа не более 2,5…3,5 м3/ч) в обеспечении достаточного избыточного давления газа в баллоне в результате его подогрева при низких температурах окружающего воздуха.

При зимней эксплуатации автомобиля на сжиженном нефтяном газе, ввиду значительного превышения температуры отработавших газов, проходящих через подогреватель газового баллона, над температурой окружающего воздуха, естественны значительные потери теплоты их через стенки подогревателя в окружающий его воздух, которые могут быть определены из выражения

Qог = Gог * сог * (Tог - Tок.в ) ,

(6)

где Gог - количество отработавших газов, проходящих через подогреватель газового баллона;

cог - удельная теплоемкость отработавших газов;

Tог - средняя температура отработавших газов в подогревателе; Tок.в - температура окружающего воздуха.

Потери теплоты от подогревателя газового баллона в окружающий воздух значительно уменьшают эффективность воздействия подогревателя на повышение избыточного давления газа в баллоне. Отсюда вытекает необходимость при зимней эксплуатации автомобиля на сжиженном нефтяном газе обязательного утепления газового баллона вместе с подогревателем специальным термоизоляционным кожухом.

В СибАДИ на основании данных о теплопроводности различных теплоизоляционных материалов (табл. 7.3) в качестве материала для утепления газового баллона и его подогревателя при зимней эксплуатации автомобиля использован термостойкий термоизоляционный материал – стеклополотно, которое обеспечивает противопожарную безопасность, так как защищает наружные поверхности подогревателя и баллона. Одновременно, вследствие незначительной величины коэффициента теплопроводности стеклополотна, уменьшаются потери теплоты от газового баллона и его подогревателя в окружающий воздух.

Перед проведе-нием эксплуата-ционных испыта-ний газовый бал-лон и его подо-греватель были тщательно обер-нуты стеклополо-тном, плотно при-жатым к их поверхностям (рис. 7.16).

Таблица 7.3 Теплоизоляционные материалы и их коэффициенты теплопроводности

 

Коэффициент

Материал

теплопроводности,

 

Вт/(м·град.)

Стеклополотно

0,039

Фторопласт-4

0,052

Минераловатный шнур

0,067

 

 

С целью уменьшения потерь теплоты отработавших газов кроме тепловой изоляции газового баллона и его подогревателя были теплоизолированы участки выпускного тракта от выпускных коллекторов двигателя до подогревателя газового баллона.

Аккумулирование теплоты теплоизолированным газовым баллоном и его подогревателем в процессе зимней эксплуатации автомобиля дает возможность после значительных по продолжительности остановок при низких температурах осуществлять пуски двигателя на газе, так как величина избыточного давления газа в баллоне при этом превышает

минимальную потребную величину 0,07 МПа.

Рис. 7.16. Схема утепления газового баллона, его подогревателя и трубопроводов системы выпуска двигателя ГАЗ- 53-07:

1, 2, 3, утепление трубопроводов на участках от выпускных коллекторов дви-гателя до газового баллона; 4 – утепление газового бал-лона и его подогревателя;

5 – глушитель шума выпуска

Результаты эксплуатационных испытаний автомобиля ГАЗ-53-07 при температуре окружающего воздуха -26 оС

показали, что разработанные средства утепления газового баллона, его подогревателя и трубопроводов системы выпуска двигателя осуществляют эффективную теплоизоляцию. Это позволяет обеспечить нормальную эксплуатацию автомобиля на сжиженном нефтяном газе в широком диапазоне отрицательных температур окружающего воздуха.

Таким образом, настоятельная необходимость и целесообразность утепления газового баллона, его подогревателя