Материал: 2295

Внимание! Если размещение файла нарушает Ваши авторские права, то обязательно сообщите нам

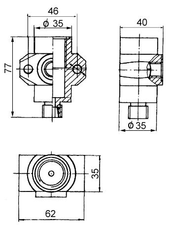
Нижняя и верхняя части проставки соединены между собой посредством резьбового соединения, герметичность которого

обеспечивается прокладкой 6.

Рис. 7.8. Нижняя часть проставки наполнительного устройства газового баллона

Сетчатые фильтрующие элементы 2 и 4 и фетровые диски 3 газового фильтра наполнительного устройства газового баллона собраны в пакет, имеющий дисковую конструкцию, в которой фетровые диски расположены между верхним и нижним сетчатыми дисками. Дисковая конструкция фильтрующего пакета позволяет получить наибольший коэффициент использования объема газового фильтра (отношение фильтрующей поверхности к объему фильтра) [6, c. 133144].

Необходимое уплотнение сетчатых и фетровых фильтрующих элементов в проставке наполнительного устройства достигается посредством соответствующего ввертывания верхней части проставки в нижнюю.

После установки газового фильтра в наполнительном устройстве автомобильного газового баллона необходимо испытать все соединения на герметичность при нормальном давлении герметизируемой среды 1,6 МПа, поддерживаемом в течение 1 мин. При этом утечки сжиженного нефтяного газа в соединениях не должно быть.

Механизм предварительной очистки сжиженного нефтяного газа в газовом фильтре наполнительного устройства автомобильного газового баллона представляет собой следующие процессы:

-задержание механических частиц и загрязнений сжиженного нефтяного газа наружной поверхностью двух латунных сетчатых

дисков 2 и 4 за счет эффекта просеивания (см. рис.7.7). -улавливание смолистых веществ, сернистых соединений,

масла и влаги волокнами фетрового фильтрующего элемента 3. При заправке газового баллона по заправочному шлангу из

резервуара автомобильной газозаправочной станции сжиженный нефтяной газ под давлением поступает через открытый обратный клапан наполнительного устройства в газовый фильтр. Проходя через малые ячейки латунного сетчатого диска 2, сжиженный нефтяной газ очищается от твердых частиц загрязнений, размеры которых больше размеров ячеек сетчатого диска. При прохождении сжиженного нефтяного газа через фетровый фильтрующий элемент 3 газового фильтра, расположенного между сетчатыми фильтрующими элементами 2 и 4, задерживаются более мелкие механические частицы загрязнений, смолистые вещества, сернистые соединения, масло и влага. Таким образом, фетровый фильтрующий элемент, расположенный после сетчатого фильтрующего элемента 2, является фильтром тонкой очистки сжиженного нефтяного газа. Затем, пройдя мелкие ячейки сетчатого фильтрующего элемента 4, сжиженный нефтяной газ проходит через проходные сечения семи каналов, расположенных в ниж-ней части проставки, и после этого поступает очищенным в автомобильный газовый баллон через открытый наполнительный вентиль.

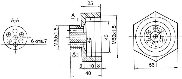
Рис. 7.9. Верхняя часть проставки наполнительного устройства баллона

Вскрытие газового фильтра предварительной очистки сжиженного нефтяного газа в наполнительном устройстве газового баллона после определенного ресурса показало, что верхний латунный сетчатый диск забивается загрязнениями в большей степени, чем последующие. Это дает возможность увеличивать ресурс работы газового

фильтра посредством поочередной смены сетчатых и фетровых дисков.

Сетчатые и фетровые фильтрующие диски практически не обладают адсорбирующей способностью и поэтому чисто механически задерживают на своей фильтрующей поверхности различные загрязнения, которые при техническом обслуживании газового фильтра наполнительного устройства газового баллона легко удаляются методом противоточной их промывки. В

результате промывки при Р=0,8 МПа в течение 1,5 мин пропускная способность бывших загрязненных сетчатых и фетровых фильтрующих дисков восстанавливается почти полностью вследствие того, что отложения различных загрязнений смываются промывочной жидкостью.

Контроль за выполнением газовым фильтром своих функций и степенью загрязнения его сетчатых и фетровых фильтрующих дисков осуществляют посредством наблюдения за изменением показаний уровня сжиженного нефтяного газа в газовом баллоне в процессе его заправки.

Нижняя и верхняя части проставки, в которой установлен газовый фильтр, изготовлены из стали 20 с последующим кадмированием их поверхности с целью предотвращения коррозионного воздействия сжиженного нефтяного газа.

Изготовление и монтаж газового фильтра в наполнительном устройстве газового баллона без затруднений осуществляется в условиях автотранспортных предприятий. При этом малые габаритные размеры газового фильтра не усложняют доступа и обслуживания элементов арматурного узла газового баллона.

В процессе эксплуатации автомобилей на сжиженном нефтяном газе было установлено, что данная конструкция газового фильтра, предварительно очищая газ в наполнительном устройстве газового баллона, отличается высоким ресурсом и малыми затратами на его изготовление и техническое обслуживание.

7.5.4.Рациональный способ уменьшения образования загрязнений в сетчатом фильтре газового редуктора

При эксплуатации автомобилей на сжиженном нефтяном газе происходит особенно интенсивное образование и накопление большого количества окалины, ржавчины и других загрязнений в серийном сетчатом фильтре газового редуктора, отрицательно влияющих на герметичность клапанов и вызывающих ускоренный износ цилиндропоршневой группы двигателя.

Изготовленные из железа патрон и резьбовая пробка, а также чугунный корпус серийного сетчатого фильтра газового редуктора, из-за повышенных концентраций в сжиженном нефтяном газе сероводорода и других соединений, подвергаются ускоренному коррозионному воздействию, в результате чего происходит интенсивное образование окалины и ржавчины, которыми быстро забиваются латунная сетка и отверстия в патроне сетчатого фильтра. Вследствие этого уменьшается поступление газа в редуктор, снижаются мощность и неустойчивость работы двигателя. Этому в определенной степени содействуют также и

незначительные размеры фильтрующей поверхности сетки и внутреннего объема патрона сетчатого фильтра.

Поэтому необходимо использовать рациональный способ уменьшения образования большого количества загрязнений в сетчатом фильтре газового редуктора, заключающийся в применении коррозионно-стойких сплавов для изготовления деталей сетчатого фильтра.

Рис. 7.10. Корпус сетчатого фильтра газового редуктора, изготовленный из алюминиевого сплава

На основании данных о коррозионной стойкости железных и алюминиевых сплавов (табл. 7.2), корпус, резьбовая пробка и патрон сетчатого фильтра газового редуктора были изготовлены из алюминиевого сплава (рис. 7.10), который позволяет уменьшить в три раза потери массы этих деталей от коррозионного воздействия сжиженного нефтяного газа по сравнению с потерей массы серийных деталей этого фильтра, изготовленных из железных сплавов.

Результаты

эксплуатационных испытаний показали, что применение алюминиевого сплава в качестве материала для изготовления деталей

сетчатого фильтра газового редуктора значительно уменьшает образование в нем окалины и ржавчины, в результате чего уменьшается загрязнение газа, увеличивается продолжительность необслуживаемой эксплуатации этого фильтра, содействует обеспечению ресурсосберегающей эксплуатации газового редуктора и цилиндропоршневой группы двигателя. Сетчатый фильтр газового редуктора подлежит немедленной очистке от задержанных им загрязнений сразу же после обнаружения резкого падения давления газа в полости первой ступени газового редуктора при увеличе-нии открытия дроссель-ных заслонок карбюра-тора-смесителя. Для этого, не снимая фильтр с газового редуктора, вывертывают резьбовую пробку с патроном, на котором установлена латунная сетка. Затем, сняв пружину, промыва-ют в ацетоне латунную сетку в развернутом состоянии с последую-щим продуванием ее сжатым воздухом. Латун-ную сетку следует промыть до полного раство-рения смол. В случае сильного загрязнения сетки, когда ее невозмож-но промыть, целесооб-разнее поставить на патрон фильтра новую сетку и закрепить ее пружиной с кадмированной поверхностью.