Материал: 2142

Внимание! Если размещение файла нарушает Ваши авторские права, то обязательно сообщите нам

В проекты CoDeSys можно добавлять элементы визуализации. Они используются преимущественно в отладочных целях, но тем не менее дают представление о том, как создаются приложения для

SCADA-систем.

Создание визуализации в CoDeSys

В качестве задачи, для которой будет создаваться визуализация, рассмотр м задачу з предыдущей лабораторной работы. Задача бу-

дет усложнена: требуется посчитать не только общее количество де-

талей, но процент брака, количество бракованных деталей, при-

чем, сделать это для каждого конвейера. Конвейеры должны иметь

С

. С расывать значения счетчиков не нужно.

возможность

остановки

б А Д

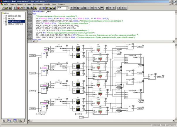
Рисунок 28. Видоизмененная основная программаИзадачи о конвейере на языке CFC

Изменения претерпит основной экран данной задачи (он представлен на рисунке 28) и модель конвейера, в которую добавится функция остановки и выдача сигнала о бракованном изделии, модель показана на рисунке 29. Также в программу добавится функция подсчета процента брака – PF. Она изображена на рисунке 30.

41

В функции условный оператор применен с целью обойти вычислительную ошибку деления на ноль, возникающую в начальный момент запуска конвейеров («всего деталей – ноль»).

Перейдем к созданию визуализации. В проекте CoDeSys визуализацией называют одно окно с элементами отображения, отобра- Сжающее информацию. Для начала в левой нижней части экрана, под вертикальной панелью нужно выбрать третью вкладку («Визуализации»), при этом панель с названиями POU сменится на панель с названиями в зуал зац й. Так как визуализаций еще не создавали, на

панелин чего нет. б А Д

Рисунок 29. Видоизмененная основнаяИпрограмма задачи о конвейере на языке CFC

Чтобы создать новый экран визуализации, необходимо щелкнуть правой кнопкой «мыши» на открывшейся панели слева и в появившемся выпадающем меню выбрать пункт «Добавить объект», как показано на рисунке 31. При этом справа появится пустое поле для размещения на нем графических объектов и, справа от индикатора текущего значения масштаба изображения, под главным меню, панель управления.

42

На рисунке 32 можно увидеть экран с уже размещенными элементами пользовательского интерфейса для измененной задачи о конвейере. Размещение элементов на рабочем поле мало отличается от рисования графических примитивов в «CorelDRAW!», или «Inkscape», поэтому отдельно заострять внимания на самом процессе рисования

Сне стоит.

и б А

Рисунок 30. ВидоизмененнаяДосновная программа задачи

о конвейере на языке CFCИ

Для удобства рисования поле размечено сеткой, и графические примитивы выравниваются по узлам сетки (режим «прилипания»). При необходимости отображение сетки и выравнивание можно отключить. При работе программы сетка исчезает.

При создании интерфейса пользователя для данной задачи необходимо знать, как организовать вывод числа на экран, как улучшить отображение текстовых меток, а также, как настроить работу интерфейсной кнопки.

43

Си б

РисунокА31. СозданиеДновой визуализации

У визуализаций CoDeSys нет специального примитива «текст», или «надпись», но у каждого графического примитива есть текстовая метка, у которой можно менять шрифт, размер, цвет, а также присваивать ей в виде строки шаблон, похожий на строковой шаблон вИоператорах вывода языка C, а также делать метку элементом не вывода, а ввода текста и чисел. На рисунке 33 изображена замена атрибутов цвета для прямоугольника с надписью с целью «спрятать» рамку вокруг надписи: ее цвет заменяется на цвет фона визуализации. На рисунке 34 изображена замена атрибутов шрифта. Для того, чтобы поменять значения атрибутов, цвет, шрифт, связать параметры примитива с переменными, и т. д., необходимо выделить элемент левой кнопкой «мыши», затем нажать на нем правую кнопку «мыши» и в появившемся меню выбрать пункт «Настройки». В результате на экране появится окно «Конфигурирование элемента...», в котором и будут перечислены все параметры и настройки выбранного элемента визуализации с их текущими значениями.

44

Си б

РисунокА32. Создание новой визуализации.

Чтобы поменять цвет линииДпрямоугольника, в таком окне (рисунок 33) необходимо выбрать в списке слева «Цвета», затем нажать кнопку «Линии» в группе «Цвета» и в появившемся диалоге выбора

цветов выбрать нужный цвет. Далее нажать в каждом открытом окне «Ok» для подтверждения изменения параметров.

Чтобы поменять шрифт, или его размерИ, или способ его вывода, в таком окне (рисунок 34) необходимо выбрать в списке слева «Текст», затем нажать кнопку «Шрифт...» в группе «Текст», и в появившемся стандартном диалоге изменения свойств шрифта внести необходимые изменения. Далее нажать в каждом открытом окне «Ok» для подтверждения изменения параметров.

Вывод чисел в визуализациях осуществляется посредством тех же текстовых меток на графических примитивах. Для вывода числа, как и значения переменной любого типа, необходимо вместо текста (вместе с текстом) ввести символьный шаблон для ввода: там, где нужно вставить целое число, нужно поставить символы %d (см. рисунок 35), а на месте числа с плавающей запятой необходимо ввести %f.

45