Материал: 2142

Внимание! Если размещение файла нарушает Ваши авторские права, то обязательно сообщите нам

Задача №4

Необходимо разработать систему логического управления

( ЛУ) определенным процессом:

С

 

и

 

б

А

Описание процесса.

Д

 

Двигатель М вращает компрессор, который нагнетает воздух в

ресивер, из которого сжатый воздух поступает потребителю. На ресивере установлен электроконтактный манометр (ЭКМ). Если давление

ниже минимального, то контакты S1 и S2 разомкнуты, если давление И

больше минимального, но меньше максимального, то S1 замкнут, а S2

– разомкнут, если давление выше максимального, то оба контакта замкнуты.

Алгоритм работы СЛУ следующий:

Если давление в ресивере меньше минимального, то компрессор включается, работает до достижения максимального давления и отключается. Пока давление опять не опустится ниже минимального компрессор не включается.

Порядок выполнения задания:

1) определиться с информационными и управляющими сигна-

лами.

2) написать программу управления процессом.

71

Задача №5

Необходимо разработать систему логического управления

( ЛУ) определенным процессом.

 

С

 

 

и

 

 

б

 

А

Описание процесса.

Д

 

 

И

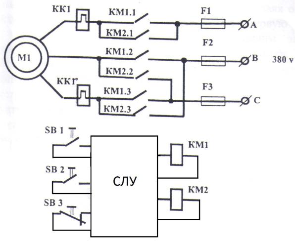
На рисунке приведена схема управления трехфазным асинхронным двигателем. При нажатии кнопки SB1 срабатывает катушка КМ1 и двигатель запускается. При этом кнопку можно отпустить. Для запуска двигателя в обратную сторону необходимо сперва остановить его, нажав кнопку SB3. А затем нажать SB2 и двигатель запустится в обратную сторону. При вращении двигателя схема защищена от противовключения.

Порядок выполнения задания:

1) определиться с информационными и управляющими сигна-

лами.

2) написать программу управления процессом.

72

Задача №6

Необходимо разработать систему логического управления (СЛУ)

определенным процессом.

 

С

 

и

 

б

А

Описание процесса.

Д

 

Система освещения загородного дома работает в 3 режимах:

включено, выключено, авто. Для автоматического режима в системе

предусмотрены два датчика – освещения ( О) (день/ночь) и движения

(ДД). В автоматическом режиме освещение включится только ночью

при обнаружении движения человека.

И

 

Порядок выполнения задания:

1) определиться с информационными и управляющими сигналами.

2) написать программу управления процессом.

БИБЛИОГРАФИЧЕСКИЙ СПИСОК

1.Густав Олссон, Джангуидо Пиани. Цифровые системы автоматизации и управления. – СПб.: Невский Диалект, 2001. – 557 с.

2.Петров, И.В. Программируемые контроллеры. Стандартные языки и приемы прикладного проектирования / под ред.проф. В.П. Дьяконова. – М. :

СОЛОН-Пресс, 2004. –256 с.

73