Заменим звезду R2R4R5 на треугольник (рис. 1.10, а). Значения сопротивлений R24, R25, R45 определим по формулам (1.11):
R24 = R2 + R4 + R2R4
R5 = 7,6 Ом;
R25 = R2 + R5 + R2R5
R4 = 9,5 Ом;
R45 = R4 + R5 + R4R5
R2 = 19 Ом.
«Расщепим» E4 (рис. 1.10, б): E41 = E42 = 20 В.
Параллельное соединение R1 |
|
|
|
E41R24 заменим на эквивалентное |
|||||||
|
|
||||||||||
рис |
|
|
|
|
|
|
|
|
|
|
|
(рис. 1.10, в): |
|
|
|
|
|
|
|
|
|
|
|
СRЭ1 = R1R24 |
(R1 + R24 ) = 0,88 Ом; |
||||||||||
EЭ1 = (E41 |
R24 ) RЭ1 = 2,32 В. |
||||||||||
б |
|
||||||||||
Параллельное соединение J6 |
|
E42 R45 заменим на эквивалентное |
|||||||||
( . 1.10, г): |
|
|
|
|
|
|
|
|
|
|
|
|
RЭ2 = R45 =19 Ом; |
|
|||||||||
EЭ2 = (J6 + E42 / R45 )RЭ2 = J6RЭ2 + E42 = 58 В. |
|||||||||||
Последовательные соединения EЭ1, ЕЭ2 |
и RЭ1, RЭ2 заменим на |
||||||||||
эквивалентное (рис. 1.10, д): |
|
|
|
|
|
|
|
|
|
|
|
EЭ3 = EЭ1 |
− ЕЭ2 = −55,68 |
В; |
|||||||||
|
|
Д |
|||||||||
АR = R + R =19,88 Ом. |
|||||||||||
Э3 |
Э1 |
Э2 |
|
||||||||
Параллельное соединение EЭ3RЭ3 |
|
|
|
R25 заменим на эквивалент- |
|||||||
|
|
||||||||||
ное (рис. 1.10, е): |
|
|
|
|
|
|
|
|
|
И |
|
|
|
|
|
|
|
|
|
|
|
||
RЭ4 = RЭ3R25 |
(RЭ3 + R25 )= 6,43 Ом; |
||||||||||
EЭ4 = (ЕЭ3
RЭ3 ) RЭ4 = −18 В.
Согласно закону Ома (1.4) искомый ток будет определяться как
I3 |
= |
E3 |
+ EЭ4 |
= |
10 −18 |
= −0,85 А. |
|
|
R3 |
+ RЭ4 |
|
3 + 6,43 |
|
Применим метод эквивалентного генератора для определения
тока I3.
Обозначим положительное направление искомого тока I3. Выделив ветвь и искомым током, представим исходную схему (рис. 1.7) схемой с эквивалентным генератором (рис. 1.11, а).
21
|
а |
|
|
E3 |
|
|
|
I3 |
R3 |
|
|
||
|
|
|
|
|
|
|
RЭ |
|
|
EЭ |
|
|
|
|
|
|
UXX |
|
|
|
|
|
|
|
|
|
|
б |
R2 |
|
|
|
|
R5 |
|
|
|
в |
|
|
|
|
II |
|
|
|
|
J6 |
|
|
|
|
|
|
|
С |
III |
|
|
R4 |
|
|
|
|
|
|
R2 |
R5 |
|
|
R1 |
|
|
|
|
|
|
J6 |
|
|
R1 |
R4 |
|
|
|
|
|
|
|
|
|
|
|
||||
|
E4 |
|
|
|
|
|
|
|
|
|
|||
|
|
|
|
|
|
|
|
|
|
|
|
||
и |
|
|
|
|
|
|
|
||||||
|
Р с. 1.11. Пр менение метода эквивалентного генератора |
||||||||||||
|
Изобразим схему режима холостого хода (рис. 1.11, б), обозна- |
||||||||||||
чим новые токи в ветвях II |
и III. |
|
|
|
|
|
|
||||||
|
б |
можно вычислить по вто- |
|||||||||||
|
Напряжение холостого хода |
U XX |
= EЭ |
||||||||||
рому закону Кирхгофа: |
|
|
|
|
|
|
|
|
|
||||
|
|
|
|
|
U XX + R2 II − R5 J6 = |
0 ; |
|
||||||
|
|
|
А |
|
|||||||||
|
|
|
|
|
U XX = −R2 II + R5J6 . |
|
|||||||
|
Определим ток II |
по законам Кирхгофа |
|
||||||||||
|
|
|
|
II + III |
= −J6 ; |
|
|
|
|||||
|
|
|
|
(R |
+ R |
|
)I |
Д− R I = −E . |
|||||
|
|
|
|
|
1 |
2 |
|
I |
4 |
II |
4 |
|
|
|
Подставив числовые значения параметров, получим |
||||||||||||
|
|
|
|
|
|
II |
+ III |
= −2; |
И |
||||
|
|
|
|
|
|
|
|
− |
4III = −20. |
||||
|
|
|
|
|
|
3II |
|||||||
|
Решение данной системы: |
|
|
|
|||||||||
|
|
|
|
|
|
||||||||
II = −4 А;
III = 2 А.
Тогда |
EЭ =U XX = −2 (− 4)+ 5 2 =18 В. |
22
Найдём сопротивление RЭ . Для этого преобразуем предыдущую схему, удалив из неё источники (рис. 1.11, в).
|
|
R |
|
= |
(R1+R4 )R2 |
= 6,43 Ом. |
||||
|
|
|
|
|||||||
|
|
Э |
|
R1 |
+ R4 |
+ R2 |
|
|
||
|
|
|
|
|
|
|
||||
Возвращаясь к схеме с эквивалентным генератором (рис. 1.11, а), |
||||||||||
искомый ток находим по закону Ома |
|
|
||||||||
|
|
I3 = |
E3 − EЭ = |
10 −18 = −0,85 А. |
||||||
|
|
|
R3 + RЭ |
|
3 + 6,43 |
|
||||
остав м баланс мощностей для схемы на рис. 1.7. |
||||||||||
С |
|
|
|
|
|
|
|
|
|
|
уммарная мощность источников тока и ЭДС |
||||||||||
|
|
∑PИ = E3I3 + E4I4 + J6U J . |
||||||||
Паден е |
|
|
|
|
|
|
источнике тока UJ определяем по вто- |
|||
рому закону К рхгофа для контура, содержащего источник тока: |
||||||||||
напряжения |
|
|
|
|
||||||
|
|
|
|
UJ + R4I4 + R5I5 = E4 ; |
||||||
|
|
U J |
= E4 − R4I4 − R5I5 = 16,79 В. |
|||||||
б |
|
|||||||||
Тогда |
|
|
|
|
ΣРИ = 69,88 Вт. |
|||||
Суммарная мощность приёмников |
|
|||||||||
P |
= R I 2 + R I 2 |
+ R I 2 + R I 2 |
+ R I 2 = 69,81 Вт. |
|||||||
∑ П |
|
1 1 |
|
2 2 |
|
3 3 |
4 4 |
5 5 |
||
|
|
А |
||||||||
ΣPИ ≈ ΣРП , следовательно, баланс мощностей имеет место. |
||||||||||
Построим потенциальную диаграмму для внешнего контура |
||||||||||
За исходную точку принимаемДточку d, φd = 0 (рис. 1.12, а). Относительно этой точки в произвольном направленииИрассчитываются потенциалы всех точек контура по закону Ома (1.2), (1.3).
Ток первой ветви
I1 = (ϕd − ϕa )
R1 .
Тогда потенциал точки a
ϕа = ϕd − I1R1 = 0 − (− 4,24) 1 = 4,24 В.
Ток первой ветви
I3 = (ϕa − ϕc + E3 )
R3 .
Тогда потенциал точки с
ϕc = ϕa + E3 − I3R3 = 4,24 +10 − (− 0,85) 3 =16,79 В.
23
|
E |
|
I3 |
R3 |
φ, В |
|
|
|
|
|
|
|
|
|
|
|
|
|
|
|
|
|
|
|
|
16,79 |
|
c |
|
a |
|
|
|
|
c |
|
|
|
|
|
|
|
|
|
|
|
|
|
|
R1 |
|
|
|
UJ |
J6 |
4,24 |
a |
|
|
|
|
|
|
|
d |
|
|||
|
|
|
|
|
d |
|
|
||
|
|
I1 |
|
|
|
|
|||
|
|
|
|
1 |
4 |
R, Ом |
|||
|
|
|
|
0 |
|||||
a |
|
|
|
d |
|
б |
|
|
|
С |
|
|
|
|
|
||||
|
|
Р с. 1.12. Потенциальная диаграмма для внешнего контура |
|
|
|||||
Так как сопрот |
вление идеального источника тока J6 |
равно ну- |
|||||||
лю, потенц ал |
|
d определяем через падение напряжения UJ на |
|||||||
точки |
|
|
|
|
|||||
источн |
ке. |
|
ϕd |
= ϕc −U J |
= 16,79 −16,79 = 0 . |
|
|
||
|
|
|
|
|
|
||||
Так как рассчитанный потенциал φd |
оказался равным исходно |
||||||||
|
|
|
б |
|
|
|
|||
принятому значению, то расчёт потенциалов точек цепи можно счи- |
|||||||||
тать верным. Потенциальная диаграмма представлена на рис. 1.12, б. |
|||||||||
|
|
|
|
1.3. Исходные данные для расчёта |
|
|
|||
|
|
|
|
А |
|
|
|||
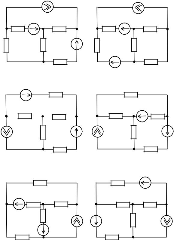
Для расчёта на рис. 1.13 приведены различные схемы замещения |
|||||||||
электрических цепей постоянного тока. |
|
|
|
||||||
Вариант исходных данных для расчёта состоит из номера схемы |
|||||||||
и буквы набора параметров цепи (например, «2б»). Параметры источ- |
|||||||||
ников и резисторов для электрическихДцепей приведены в табл. 1.1. |
|||||||||
Согласно примеру для своего варианта исходных данных необхо- |
|||||||||
димо: |
|
|
|
|
|
|
|
|
|
1. Рассчитать значения всех неизвестных токов, используя: |
|
||||||||
- |
законы Кирхгофа; |
|
И |
||||||
- |
метод контурных токов; |
||||||||
- |
метод узловых потенциалов. |
|
|
|
|||||
2. Рассчитать ток любой ветви, не содержащей источник тока: |
|||||||||
- |
методом эквивалентных преобразований; |
|
|
||||||
- |
методом эквивалентного генератора. |
|
|
||||||
3. Рассчитать баланс мощностей цепи. |
|
|
|
||||||
4. Построить потенциальную диаграмму для внешнего контура. |
|||||||||
24
|
Схема 1 |
J3 |
|
|
Схема 2 |
|
J3 |
|
|
||
|
|
|
|
|
|
|
|
|
|
||
|
R2 |
|
E2 |
R5 |
|
|
R2 |
|
E2 |
R5 |
|
R1 |
|
|
R4 |
E6 |
R1 |
|
|
R4 |
|
|
|
|
|
|
|
|
E1 |
|
|
||||
|
|
|
|
|
|
|
|
|
|
||
С |
R6 |
|
|
|
|
R6 |
|
||||
|
|
|
|
|
|
||||||
|
|
|
|
|
|
|
|
||||
|
хема 3 |
|
|
|
Схема 4 |
|
|
|
|
||
|
E3 |
|
|
R3 |
|
|
|
|
R3 |
|
|
и |
|
|
R2 |
|
E5 |
|
|
||||
|
|
R2 |
|
R5 |
|
|
|
R |
5 |
||
J1 |
|
б |
|
|
|
|
|
|
|||
|
|
|
|
J1 |
|
|
|
|
|
|
|
|
|
|
R4 |
E6 |
|
|
|
R4 |
E6 |
||
|
|
|
|
R6 |
|
|
|
|
|
R6 |
|
|
|
|
|
А |
|
|
|
||||
|
Схема 5 |
|
|
Схема 6 |
|
|
|
|
|||
|
|
|
R3 |
|
|
|
R3 |
|
|
E3 |
|
|
E2 |
|
|
|
Д |
|
|||||
|
|
R2 |
R5 |
|
|
|
R2 |
|
R5 |
|
|
|
|
|
|
|
|
|
|
||||
|
|
|
R4 |
J6 |
|
E1 |
И |
||||
|
|
|
|
|
|
|
R4 |
J6 |
|
||
|
|
|
E4 |
|
|
|
|
|
|
||
|
R1 |
|
|
|
R1 |
|
|
|
|
||
|
|
|
|
|
|
|
|
|
|||
|
Рис. 1.13. Схемы замещения электрических цепей постоянного тока |
|
|||||||||
25