Материал: 1845

Внимание! Если размещение файла нарушает Ваши авторские права, то обязательно сообщите нам

1.7. Нагрузки, действующие на плиту

На основании изучения аналогичных конструкций задаемся нормативной нагрузкой от собственного веса плиты и рулонной кровли 40 кг/м2. Равномерно распределенная полосовая нагрузка (3-й столбец табл. 1) определяется с учетом ширины грузовой площади (рис. 14).

Таблица 1

Нагрузки, действующие на плиту

 

 

 

 

Нормативная на-

 

Расчетная нагрузка

 

 

 

 

 

 

 

грузка

 

 

 

Вид нагрузки

 

 

 

f

 

 

 

 

 

кгс/м2

 

кгс/м при

кгс/м2

кгс/м при

 

 

 

 

 

 

 

 

 

 

 

 

 

 

 

 

bк=… м

 

 

bк=… м

 

 

Постоянная нагрузка от собст-

 

 

 

 

 

 

 

 

 

 

венного веса плиты и рулонной

40

 

 

+

1,1

44

+

 

 

кровли

 

 

 

н

 

 

И

 

 

 

 

 

 

 

 

 

 

 

 

 

 

 

 

 

 

 

 

 

 

 

 

 

 

 

 

Временная

длительно дейст-

 

 

 

 

 

 

 

 

 

 

вующая

снеговая нагрузка.

150

 

 

+

1,4

210

+

 

 

Принята по СП [2, табл. 10.1]

 

 

 

 

 

 

 

 

 

 

 

 

 

 

 

 

 

 

 

 

 

 

 

 

А

 

 

 

 

 

 

 

Всего

 

q = …. кгс/м

 

q = …. кгс/м

 

 

Примечание. Коэффициенты надежности по нагрузке f

приняты равными:

 

 

 

б

 

 

 

 

 

 

 

 

f = 1,1 – для конструкций из дерева в соответствииДс СП [2, табл. 7.1 ]; f = 1,4 – для сне-

говой нагрузки по СП [2, п.10.2].

 

 

 

 

 

 

 

 

 

 

 

и

 

 

 

 

 

 

 

 

 

 

 

С

 

 

 

 

 

 

 

 

 

 

Рис. 14. Схема плиты для определения грузовой площади

16

1.8. Статический расчет плиты

Результаты статического расчета плиты приведены на рис. 15.

 

 

 

 

И

 

 

 

 

Рис. 15. Результаты статического расчета

 

 

 

 

А

 

 

 

 

 

q p l 2

Максимальное значение изгибающего момента

M max

р

, кгс м.

 

 

б

Д

 

 

 

 

8

 

 

 

 

 

 

 

 

 

 

 

 

 

q p l

p

 

 

 

Максимальное значение поперечной силы Q

 

 

, кгс.

 

 

 

и

 

 

max

2

 

 

 

 

 

 

 

 

 

 

 

 

 

 

 

 

 

 

 

 

1.9. Определение геометрических

С

 

 

 

 

 

 

 

 

 

 

характер ст к приведенного сечения плиты

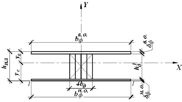
Коробчатое сечение плиты, составленное из фанеры и древесины (см. рис. 1), заменяем приведенным (рис. 16), чтобы в дальнейших расчетах материал сечения считать условно однородным, приведенным к фанере (т.к. крайние волокна сечения выполнены из фанеры).

При расчетах приведенного сечения необходимо учесть:

1) расчетную ширину фанерных полок bно

и bво принимаем в соответст-

 

 

ф

 

ф

вии с СП [1, п. 6.27]:

 

 

 

 

 

При

lр 6a …. bфво bфно

0,9bк .

При l р

6a

bфво bфно 0,15

lbк

.

 

 

 

 

 

a

где lр – расчетная длина плиты; bк – конструктивная ширина плиты; a – расстояние между осями продольных ребер;

17

 

 

 

 

 

И

2

Рис. 16. Приведенное сечение плиты

 

2) Коэффициент приведения

n

 

Eд

 

100000 кг/см2

1,1,

 

 

 

 

 

Д

 

 

 

 

Eф

 

90000 кг/см2

 

где согласно СП [1, п. 5.3] Ед = 100 000 кг/см 2 – модуль упругости древесины; модуль упругости фанеры принят по СП [1, п. 5.6], Еф = 90 000 кг/см .

Определение положения нейтральной оси:

 

 

 

 

 

 

 

б

 

 

 

 

 

 

 

 

 

 

 

 

 

 

 

пр

 

 

 

 

 

 

 

 

 

 

 

 

yс

 

 

 

S1 1

,

 

 

 

 

 

 

(17)

 

 

и

 

Fпр

 

 

 

 

 

 

 

 

где Fпр – площадь пр веденногоАсечения,

 

 

 

 

 

С

F

 

bно

но

bво во n 4b/

h/ ,

(18)

 

пр

 

 

ф

 

ф

 

ф

ф

д

д

 

 

 

 

 

 

 

 

 

 

здесь фно – толщина фанеры н

 

жней обшивки; фво – толщина фанеры верхней

обшивки; bф – расчетная ширина фанеры нижней обшивки; bф

– расчетная

но

 

 

 

 

 

 

 

 

 

 

 

 

 

 

во

 

ширина фанеры верхней обшивки; b/

– ширина поперечного сечения про-

 

 

 

 

 

 

 

 

 

 

 

д

 

 

 

 

 

дольных ребер с учетом острожки;

h/

– высота поперечного сечения про-

 

 

 

 

 

 

 

 

 

 

 

д

 

 

 

 

 

дольных ребер с учетом острожки;

S пр

– статический момент приведенного

 

 

 

 

 

 

 

 

 

 

 

1 1

 

 

 

 

 

сечения относительно оси 1 – 1,

 

 

 

 

 

 

 

 

S пр

F но

фно

F во

 

но 0,5 во h/

n F

но 0,5h/ ,

(19)

 

1 1

ф

2

 

ф

 

ф

 

ф

д

др ф

д

 

 

 

 

 

 

 

 

 

 

 

 

 

 

 

 

 

где Fдр – площадь поперечного сечения продольных ребер.

Определение момента инерции приведенного сечения относительно нейтральной оси:

18

 

 

bво во 3

 

 

 

 

 

2

 

bфно фно 3

 

 

2

 

J пр

ф

ф

 

bво

во y

 

0,5 во

 

 

 

но bно y

 

0,5 но

 

 

 

 

в

 

 

с

х

 

12

 

ф

 

ф

 

 

ф

 

 

12

ф ф

ф

 

 

 

 

 

 

 

 

 

 

 

 

 

 

 

 

 

 

b/ h/ 3

 

 

 

 

 

 

 

 

2

 

 

 

 

 

n

 

д

д

4b/

h/

y

 

но 0,5h/

 

.

 

 

 

 

 

 

 

 

 

 

 

 

 

 

 

12

 

д

д

 

c

 

 

ф

д

 

 

 

 

 

 

 

 

 

 

 

 

 

 

 

 

 

 

 

 

 

 

 

 

 

 

 

 

 

 

 

 

 

 

 

 

 

 

 

 

 

 

 

 

 

 

 

 

 

 

 

 

Определение момента сопротивления приведенного сечения:

W р Jпр ; пр yc

W сж Jпр . пр yв

(20)

(21)

(22)

1.10. Расчёт плиты по первой группе предельных состояний

1.10.1. Проверка растянутой обшивки с учетом сращивания листов фанеры на «yс» в расчетном сечении

По СП [1, п.6.26, формула (43)] условие прочности по нормальным напряжениям имеет вид

наличии стыков в расчетном сечении. Принимается по СП [1, п.6.26]; mв – коэффициент, учитывающий условия эксплуатации конструкции, принимается по СП [1, табл. 7]; n – коэффициент, учитывающий срок эксплуатации конструкции, принимается по СП [1, табл.12].

 

р

 

M max

Rфр mi ,

(23)

 

р

 

 

 

W

 

 

 

И

 

 

 

 

 

 

пр

 

 

 

 

 

 

 

 

 

 

 

 

 

где Rфр – расчетное сопротивление фанеры растяжению, принимается в со-

ответствии с СП [1, табл.

6];

 

 

m произведение коэффициентов условия

 

 

 

 

 

 

i

Д

 

работы,

 

 

 

 

 

 

 

 

 

 

 

 

 

 

 

 

 

 

mв mф

 

 

 

 

 

 

 

 

А

,

(24)

 

 

 

 

mi

n

здесь mф – коэффиц ент, учбтывающий снижение прочности фанеры при

 

и

 

 

 

 

 

 

 

 

С

 

 

 

 

 

 

 

 

 

1.10.2. Проверка верхней сжатой обшивки на устойчивость

Проверка верхней сжатой обшивки на устойчивость производится по СП [1, п.6.28]:

сж

 

 

 

 

сж Rфс mi ,

(25)

 

 

 

Mmax

 

 

 

 

ф

W

 

 

 

 

 

 

пр

 

где Rфс – расчетное сопротивление фанеры сжатию. Принимается в соответствии с СП [1, табл. 6]; mi произведение коэффициентов условий работы,

19

 

 

 

 

 

 

 

mi

 

mв

;

 

 

 

(26)

 

 

 

 

 

 

 

 

 

 

 

 

 

n

 

 

 

 

 

 

 

 

 

 

 

1250

при

 

а

50 ;

(27)

ф

 

 

 

 

 

 

 

 

 

 

 

 

 

 

 

 

 

 

а 2

 

 

 

 

 

 

 

 

 

 

 

 

 

 

 

 

 

 

 

 

 

 

 

 

 

 

 

 

 

 

 

 

 

 

 

 

 

 

 

 

 

 

 

 

 

 

 

 

 

 

 

 

 

 

 

 

 

 

 

 

 

 

 

 

 

 

а 2

 

 

 

 

 

 

 

 

 

 

 

 

 

 

 

 

 

 

 

 

 

 

 

 

а

 

 

 

 

 

 

 

 

 

 

 

 

 

 

ф

1

 

при

 

50 .

(27а)

 

 

 

 

 

 

 

 

 

 

 

 

 

5000

 

 

 

 

 

 

 

 

 

 

 

 

 

 

 

 

1.10.3. Проверка фанеры на скалывание по собственному клеевому шву

Данная проверка производится по СП [1, п.6.29]:

 

 

 

Qmax Sпр

R

 

 

,

(28)

ф

 

mi

 

 

 

ск

 

 

 

 

 

 

Iпр bрасч

И

 

 

 

 

 

 

 

где Sпр статический момент сдвигаемой части сечения относительно ней-

тральной оси; bрасч – суммарная ширина ребер каркаса;

Rск – расчетное сопро-

 

 

 

Д

 

тивление фанеры скалыванию или древесины скалыванию.

1.11. Расчет плиты по второй группе предельных состояний

 

Проектируемую плиту необходимо рассчитать по жесткости из условия

 

 

 

 

 

б

 

 

 

 

 

 

 

 

 

 

 

 

 

 

 

f

 

f

,

 

 

 

(29)

 

 

 

 

и

l

 

 

l

 

 

 

 

 

 

 

 

f

 

 

 

 

А

 

 

 

 

где

 

 

 

предельно допуст мый прогиб в долях пролета, нормируемый СП

 

 

l

С

 

 

 

 

 

 

 

 

 

 

 

 

 

 

 

 

 

 

 

 

 

 

 

 

 

 

 

 

 

 

[1]. Принимается по СП [1, табл. 19].

 

 

 

 

 

 

Прогиб в долях пролета определяется по известной формуле из курса

сопротивления материалов

 

 

 

 

 

 

 

 

 

 

 

 

 

 

 

 

f

 

 

5

 

 

 

qн lр3

 

.

(30)

 

 

 

 

 

 

l

384

0,7E

J

 

 

 

 

 

 

 

 

 

пр

 

 

 

 

 

 

 

 

 

 

 

 

 

 

ф

 

 

 

Т.к. определяется относительный прогиб клееных конструкций из фане-

ры с древесиной, жесткость сечения принята 0,7Еф Jпр

в соответствии с СП

[1, п. 6.36].

Содержание графической части:

1)план плиты ДП1 (вид сверху на плиту);

2)вид сверху на каркас плиты ДК1;

3)поперечный разрез плиты;

4)вид на торцевую поверхность плиты;

20