Материал: 1799

Внимание! Если размещение файла нарушает Ваши авторские права, то обязательно сообщите нам

Рис. 29. Петли в ребристой и пустотной плитах

3.5. Расчет панелей по предельным состояниям второй группы (по раскрытию трещин и деформациям)

К трещиностойкости панелей перекрытия предъявляются требования 3-й категории [2,п.1.16, табл. 2,3], согласно которым предельно-допустимая ширина продолжительного раскрытия трещин

аcrc2 = 0,3 мм.

Предельно допустимый прогиб панели определяется согласно

[2, п.1.20].

Определение ширины раскрытия трещин и прогибов производится от нагрузки с коэффициентом надежности по нагрузке

γf = 1.

3.5.1. Проверка трещиностойкости

Расчет ширины раскрытия трещин не производится при

соблюдении условия [2, п.4.5]

 

M r ≤ M crc ,

(37)

где М r – момент внешних сил относительно оси, проходящей через ядровую точку, наиболее удаленную от растянутой грани сечения. Для изгибаемого элемента он равен изгибающему моменту с коэффициентом надежности по нагрузке γf = 1, то есть равен М н (см.

п. 3.3);

M crc – момент, воспринимаемый сечением, нормальным к продольной оси элемента, при образовании трещин и определяемый по формуле

Mcrc Rbt,ser Wpl 100 Mrp ,

(38)

58

здесь М rp – момент усилия Р относительно той же оси, что и для определения Мr.

Для изгибаемых элементов без предварительного напряжения усилие Р рассматривают как внешнюю растягивающую силу, определяемую по формуле, Н,

P s As sI AsI 100,

(39)

где σs и σsI – напряжения в нижней и верхней продольных арматурах, численно равные значениям потерь предварительного напряжения от усадки бетона по [2, поз.8 таб. 5], как для арматуры, натягиваемой на упоры. Для бетонов класса В35 и ниже σs = σsI =35 (МПа).

Здесь и далее предполагается отсутствие сжатой (верхней) арматуры, то есть АsI = 0.

Значение Мrp определяют (Н ∙ см) по формуле

Mrp P eop r ,

где еор – эксцентриситет приложения силы Р относительно центра тяжести приведенного сечения (см),

e

 

 

s

A

h x a I AI x aI 100

,

 

s

s s

 

 

 

 

op

 

 

 

 

P

 

 

 

 

 

 

 

r – расстояние от центра тяжести приведенного сечения до верхней

ядровой точки (см); х (рис. 31), r Wred / Ared .

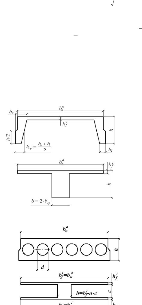
Для определения геометрических характеристик сечение панели должно быть приведено к эквивалентному по моменту инерции: ребристая панель к тавровому; пустотная панель к двутавровому.

Приведение должно быть принято в соответствии с рис. 30. На рис. 31 приведены формулы геометрических характеристик приведенного сечения.

Момент сопротивления приведенного сечения с учетом неупругих деформаций бетона растянутой зоны (см3)

Wpl Wred ,

где γ – коэффициент, учитывающий пластические свойства бетона и зависящий от вида эквивалентного сечения: для таврового сечения γ = 1,75, для двутаврового γ = 1,5.

При несоблюдении условия (37) необходимо провести расчет ширины раскрытия трещин, нормальных к продольной оси панели.

Проверяется ширина раскрытия трещин (мм) при продолжительном действии длительных нагрузок [2, п. 4.14]:

59

a

 

sa

20 (3,5 100

 

) 3

 

,

(40)

 

d

 

crc2

1

Es

 

 

 

 

 

 

 

 

где δ – коэффициент, принимаемый равным 1,0 для изгибаемых элементов; η – коэффициент, принимаемый равным 1,0 для стержневой арматуры периодического профиля; φ1 = 1,60 – 15 при

продолжительном действии нагрузок; – коэффициент армирования сечения, принимаемый равным отношению площади сечении арматуры к площади сечения бетона (при рабочей высоте h0 и без учета сжатых свесов полок), но не более 0,02;

а) для ребристой панели

б) для пустотной панели

hf hIf h c ,

2

n – количество пустот

Рис. 30. Эквивалентные сечения

а) ребристая панель

Es /Eb;Ared

bfI hfI h hfI b As

(см2);

 

 

 

Sred

bIf

hfI

h 0,5 hfI 0,5 b h hfI

2 As a (см3);

 

S

 

 

 

 

 

 

 

 

 

 

 

 

 

y

red

(см);

 

x h y;

 

 

 

 

 

 

 

A

 

 

 

 

 

 

 

 

 

red

 

 

 

 

 

 

 

 

 

 

 

 

 

 

 

 

bIf hIf 3

 

 

b (h hIf )3

I

I

 

I

 

2

 

Ired

 

 

 

 

 

 

 

 

bf

hf

(x

0,5 hf

)

 

 

 

 

12

 

 

 

 

 

 

 

 

 

12

2 A (y a)2 см4

 

b h hI

y 0,5 h hI

;

 

 

 

 

 

f

 

 

 

f

 

 

s

 

 

 

 

Wred

 

Ired

(см3);

 

Wpl Wred (см3).

 

 

 

 

 

 

 

 

 

 

 

 

 

y

 

 

 

 

 

 

 

 

 

 

 

б) пустотная панель

 

 

 

 

 

 

 

 

 

 

 

 

 

 

 

 

 

 

 

 

 

 

 

 

 

Es

 

 

 

 

 

 

 

 

 

 

 

 

 

 

 

 

 

 

 

 

 

 

 

 

 

Eb

 

 

 

 

 

 

 

 

 

 

 

 

 

 

 

 

 

 

 

 

 

 

 

 

 

 

 

Ared

Ab As 2 bfI

hfI b h 2 hfI As (см2);

 

 

 

 

 

 

 

 

0,5 h a

 

 

 

 

 

S

 

 

 

 

 

 

Sred

As

 

(см3);

 

 

red

 

 

(см); y 0,5 h ;

 

 

A

 

 

 

 

 

 

 

 

 

bfI b h 2 hfI 3

 

 

red

 

 

 

 

 

 

I

red

 

bfI h3

 

A 2 A y a 2

4

 

 

 

 

 

 

 

 

 

 

12

 

12

 

 

 

 

 

 

 

b

 

 

s

(см );

 

 

 

 

 

 

 

 

 

 

 

 

 

 

 

 

 

 

Wred

 

Ired

 

(см3); Wpl Wred

(см3); x h y.

 

y

 

 

 

 

 

 

 

 

 

 

 

 

 

 

 

 

 

 

 

 

 

 

 

 

 

 

 

 

 

Рис. 31. Геометрические характеристики приведенных сечений

для таврового сечения

 

 

 

 

 

As

 

 

 

 

 

 

 

 

 

 

 

 

 

 

 

 

 

 

 

 

 

 

 

 

 

 

 

0,02,

 

 

 

 

 

 

 

 

 

 

 

 

 

 

 

 

 

 

 

 

 

 

 

 

 

 

 

 

 

 

 

 

 

 

 

для двутаврового сечения

 

b h0

 

 

 

 

 

(41)

 

 

As

 

 

 

 

 

 

 

 

 

 

 

 

 

 

 

 

 

 

 

 

 

 

 

 

 

 

 

 

 

 

0,02;

 

 

 

 

 

 

 

 

 

 

 

 

 

 

 

 

 

 

 

 

 

 

 

 

 

 

 

 

 

 

b h b

f

b h

f

a

 

 

 

 

 

 

 

 

 

 

 

 

 

0

 

 

 

 

 

 

 

 

 

 

 

 

 

σsa – напряжение в стержнях крайнего ряда продольной рабочей арматуры; Еs – модуль упругости арматуры; d – диаметр арматуры, мм.

Для определения σsa необходимо подсчитать параметры сечения после образования трещин [2, п.4.28 ]:

 

 

 

 

Mдлн

 

 

 

;

 

 

 

 

(42)

b h2

R

 

 

 

 

 

 

 

 

 

 

 

100

 

 

 

 

 

 

 

 

 

0

 

b,ser

 

 

 

 

 

 

 

 

 

 

 

 

bIf

b hIf

 

 

 

Аs

 

 

 

 

 

 

 

f

 

2

 

 

 

 

 

 

 

 

 

 

 

 

 

 

;

(43)

 

 

 

 

b h0

 

 

 

 

 

 

 

 

 

 

 

 

 

 

 

 

 

 

 

 

 

 

 

 

 

 

 

 

 

I

 

 

 

 

 

 

 

f

 

 

 

 

hf

 

,

 

(44)

 

 

 

1

2 h

 

 

 

 

 

 

 

 

 

 

 

 

0

 

 

 

 

где Mдлн – изгибающий момент (Н∙см) от постоянных и временных длительных нагрузок при коэффициенте надежности по нагрузке

62