Материал: 1458

Внимание! Если размещение файла нарушает Ваши авторские права, то обязательно сообщите нам

t1 > t0 -

xi0

[t0; t1] u = u[t0; t1].

. 2.3) :

x x1 , x2 ...

xn T ,

(2.28)

( )

 

u u1 ,u2 ...

um T ,

(2.29)

 

 

 

f f1,f2 ...

fl T ,

(2.30)

 

 

y y1 , y2 ...

yk T .

(2.31)

 

 

 

 

 

 

 

 

 

 

 

 

 

 

f

 

 

 

 

 

 

 

 

 

 

 

 

 

 

 

 

 

u

 

 

 

 

x

y

 

 

 

 

 

 

 

 

 

 

 

 

 

 

 

 

 

 

 

. 2.3.

x -

,

. -

n .

m , l , k n

-

1- :

25

x1 a11x1 a12 x2 ... a1n xn b11u b12u ... b1mu q11 f ... q1l f ;

 

x

 

a x a

 

x

... a

 

 

x

b u b

 

 

u ... b

 

 

u q

21

f ... q

2l

f ;

2

21 1

 

22 2

 

 

2n n

 

21

22

 

2 m

 

 

 

 

...

 

 

 

 

 

 

 

 

 

 

 

 

 

 

 

 

 

 

 

 

 

 

 

 

 

 

 

an1x1

an2 x2 ... ann xn bn1u bn2u ... bnmu qn1 f ... qnl f ; (2.32)

xn

y

 

c x

c

 

x ... c

 

 

x

n

d

u

d

 

u

... d

 

u;

 

 

 

 

1

11 1

12 2

1n

 

 

11

12

 

 

1m

 

 

 

 

 

 

 

y

 

c x

c

 

x

... c

 

 

x

d u d

 

 

 

u ... d

 

 

 

u;

 

 

 

 

 

2

21 1

22 2

 

2n n

 

21

 

22

 

2 m

 

 

 

 

 

...

 

 

 

 

 

 

 

 

 

 

 

 

 

 

 

 

 

 

 

 

 

 

 

 

 

y

k

c x

c

 

x

... c

 

x

n

d

u d

k 2

u ... d

km

u.

 

 

 

 

 

k1 1

k

2 2

 

kn

 

 

k1

 

 

 

 

 

 

 

 

 

(2.32) -

 

 

 

 

 

 

 

 

 

 

 

 

 

 

 

 

x Ax Bu Qf ;

 

 

 

 

 

 

 

(2.33)

 

 

 

 

 

 

 

 

 

 

 

 

 

 

 

 

 

 

 

 

 

 

 

 

 

 

 

 

 

 

 

 

 

 

 

 

y Cx Du,

 

 

 

 

 

 

 

 

, -

, Q – n l,

– , D –

m.

,

, (2.33) -

y

y C Ax Bu Qf Du ,

(2.34)

p

 

. 2.4, x0 – -

.

Q D , ,

.

m = 1, k =1 n , ,, D, Q

a11

a12

...

a1n

b1

 

 

 

 

 

 

 

a

a

...

a

 

 

b

 

 

c

c

 

, D 0

,Q 0 . (2.35)

A

21

22

 

 

2n , B 2

, c

n

 

 

 

 

 

 

 

 

1

2

 

 

 

 

 

an2

...

 

 

 

 

 

 

 

 

 

 

 

an1

ann

bn

 

 

 

 

 

 

 

26

 

 

 

 

 

f

 

 

 

 

 

 

 

 

 

 

 

 

 

 

 

 

 

 

 

 

 

 

 

(Q)

 

 

 

 

x0

 

 

 

 

 

 

 

 

 

 

 

 

 

u

 

 

 

 

.

 

 

 

x

 

y

+

 

1

 

 

+

 

x

 

 

 

(B)

 

 

 

 

 

 

 

 

 

 

 

 

 

 

 

 

 

 

 

 

 

(C)

 

 

+

 

 

 

p

 

 

+ +

 

 

 

 

 

 

 

 

 

 

 

 

 

 

 

 

 

 

 

 

 

 

 

 

 

 

 

 

 

 

 

 

 

 

 

 

 

 

 

 

 

 

 

 

 

(A)

(D)

. 2.4. ,

-

, ( -

) . -

z, -

z = Px,

(2.36)

– , n n,

, . . det P 0.

-

z Az Bu;

 

 

 

 

 

(2.37)

y Cz,

 

 

 

 

1

;

 

A PAP

 

 

 

 

 

 

(2.38)

B PB;

 

 

 

 

1

.

 

C CP

 

 

 

-

. -

. y

u .

27

-

, -

2- :

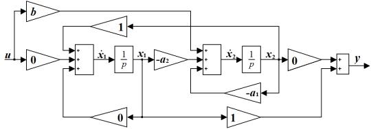
y a1 y a2 y bu

(2.39)

u – , y – , ai, b – -

.

(2.27),

, (n–1) y(i–1)

xi:

x1 y , x2 y

(2.40)

:

 

x1 y x2 ;

(2.41)

x2 y bu a1 y a2 y bu a1x2 a2 x1

(2.42)

-

(2.32)

x1 x2 ;

x2 a2 x1 a1x2 bu; (2.43)

y x1.

(2.43) :

 

0

 

1

 

0

 

 

x

 

a

 

a

x

b

u;

(2.44)

 

 

2

 

 

 

 

1

 

 

 

 

 

0

x.

 

 

 

 

 

y 1

 

 

 

 

 

(2.43), -

, . 2.5.

. 2.5.

28

(B)

-

, -

1- :

x1 x1 u;

 

 

 

2x2 x3 5u;

 

x2

(2.45)

x

4x

x

4x ;

3

1

2

3

 

y 2x

x .

 

 

 

2

3

 

 

(2.45):

 

 

1 0 0

1

 

 

 

 

0

2 1

 

 

5

 

 

x

 

x

 

u;

(2.46)

 

 

 

4

1 4

 

 

0

 

 

 

 

 

 

 

 

y 0 2 1 x.

 

1

3

0

 

P

 

6

0

 

(2.47)

 

1 .

 

 

5

2

 

 

 

 

1

 

-

(2.46), (2.38).

-

MS Excel

:

( A) "= (A16:C18;A3:C5);( (A16:C18)))" "= (A16:C18;A8:A10)"

(C) "= (A13:C13; (A16:C18))"

:

( ) = {A3:C5}, (B) = {A8:A10}, (C) = {A13:C13}, (P) = {A16:C18}.

, ,

-

(

), F2,

Ctrl+Shift+Enter.

29