Материал: 1210

Внимание! Если размещение файла нарушает Ваши авторские права, то обязательно сообщите нам

66

ных коэффициентов интенсивности отказов, отражающих влияние температуры at и нагрузки bH:

Э 0atbH .

(2.13)

В расчет принимают наибольшие значения kH. Применение облегченных режимов (kH < 0,5) позволяет снизить интенсивность отказов элементов в 2... 10 раз, тогда как форсированные режимы резко снижают надежность.

2.4Возможные пути повышения надежности радиопередатчиков

Повышение надежности радиопередатчиков всегда сопровождается увеличением затрат средств и рабочего времени на стадиях разработки и производства, тогда как эксплуатационные расходы обычно снижаются. Аппаратура с низкой надежностью требует больших затрат в процессе эксплуатации (необходимы квалифицированный обслуживающий персонал, частые ремонты, наблюдаются значительные простой и т.п.), но затраты на ее разработку и производство невелики. Поэтому существует некоторая оптимальная надежность, при которой общие затраты на разработку, производство и эксплуатацию оказываются минимальными. При разработке новых или модернизации существующих передатчиков требования к показателям надежности должны быть достаточно четко обоснованы с учетом как технических, так и экономических аспектов этой проблемы.

Из (2.7) - (2.9) следует вывод: надежность передатчика (без резервирования) определяется надежностью самих элементов λ0 i и их числом т. Число элементов определяется главным образом техническими показателями передатчика (мощность, частота, вид модуляции, характеристики надежности и т.п.) и не может быть значительно уменьшено даже при самом рациональном проектировании.

Таблица 13.2

Элемент

Процент общего

Процент

 

числа элементов

отказов

 

 

 

ЭВП

1,5

29,8 .

 

 

 

Резисторы и потенциометры

34

6,6

 

 

 

ВЧ конденсаторы, в том числе вакуумные

22

9,4

 

 

 

Трансформаторы, дроссели, катушки ин-

6

5,9

дуктивности

 

 

 

 

 

Выключатели, кнопки, контакты

3

5,7

 

 

 

Реле, контакторы, автоматы

6,4

11,6

 

 

 

67

Полупроводниковые приборы

11

2,9

 

 

 

Колодки, гнезда, панели и др.

7

3,7

 

 

 

Измерительные приборы

1

1,5

 

 

 

Электродвигатели

0,1

1,0

 

 

 

Прочие

8

21,9

 

 

 

Всего

100

100

 

 

 

Распределение отказов по основным видам элементов РП приведено в табл. 2.1. Из таблицы видно, что наибольшее число отказов возникает по вине электровакуумных приборов (ЭВП), электромеханических устройств (реле, контакторы и др.), РЧ конденсаторов, тогда как относительное число элементов двух первых типов в передатчике невелико. Поэтому существенно повысить надежность РП можно, заменяя, где это возможно, ЭВП более надежными элементами - транзисторами и полупроводниковыми диодами, а электромеханические реле - бесконтактными электронными схемами коммутации или управляемыми вентилями.

Надежность элементов 0 i - определяется в основном уровнем техники

и технологии промышленности, производящей элементы, условиями эксплуатации аппаратуры и режимом работы элементов. Например, наименее надежные элементы мощных радиопередатчиков - генераторные лампы - имеют срок службы 500...2000 ч. С помощью облегчения режима удается увеличить его в 2...3 раза (снижая коэффициенты нагрузки до 0,3...0,5 и несколько понижая накал, что, с другой стороны, приводит к необходимости использовать в 2...3 раза большее число ламп или применять лампы большей номинальной мощности).

За последние годы достигнуты определенные результаты в совершенствовании конструкций катодов новых генераторных ламп и правил их эксплуатации, позволяющие увеличить срок службы новых ламп в 3...5 раз, а безотказность - в 10 раз.

При использовании элементов с определенным ограниченным уровнем надежности можно улучшить надежность передатчика, применяя резервирование. Резервирование - это методы повышения надежности за счет введения избыточности, т. е. дополнительных средств и возможностей сверх минимально необходимых для выполнения объектом заданных функций [14,15,19].

В передатчиках обычно используется резервирование с восстановлением (ремонт или замена) отказавшего элемента; поэтому обычно кратность резервирования не превышает 1. Резервирование замещением при kР = 1 называют дублированием. Такой вид резервирования приводит к увеличению габаритных размеров, массы, стоимости, потребляемой мощности и т.п. и применяется в сравнительно маломощных ступенях и блоках передатчиков: возбудителях, трактах предварительного усиления ВЧ, модуляторах и манипуляторах.

68

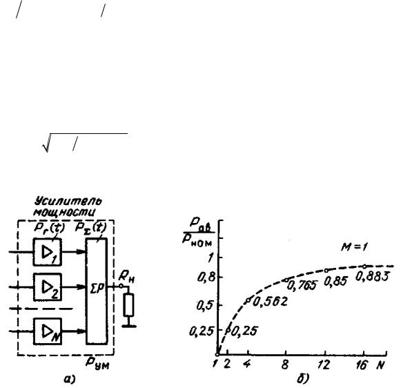
Надежность передатчика можно существенно повысить, используя метод сложения мощностей нескольких генераторов (блоков, модулей) для получения требуемой мощности в нагрузке. В усилителе мощности (рис. 13.3) с помощью мостового устройства сложения мощности P складываются мощности N генераторов в общей нагрузке RH, что обеспечивает в режиме нормальной работы выходную мощность РНОМ. В аварийном режиме при отказе М, генераторов мощность в нагрузке снижается до РАВ, причем

PAB PНОМ N M N 2 .

(2.14)

Наиболее вероятен выход из строя одного из генераторов. График функции (2.14) при М = 1 представлен на рис. 2.3,б. Если по условиям эксплуатации допускается снижение мощности в нагрузке до величиныPAB PHOM ДОП , то всегда можно выбрать число генераторов N так, чтобы при

отказе одного из них работоспособность усилителя мощности в целомсохранялась. Для этого надо выполнить условие

N 1

 

1 .

(2.15)

(PAB PHOM ) ДОП

Вышедший из строя генератор (блок) затем может быть легко и быстро

Рисунок 2.3 - Блочно – модульное построение усилителя мощности (а) и относительное уменьшение мощности усилителя при отказе одного блока от числа блоков (б)

заменен исправным (имеющимся, например, в ЗИПе передатчика).

По схеме рис. 2.3,а в настоящее время выполняются выходные ступени транзисторных передатчиков мощностью от сотен ватт до десятков киловатт. Надежность передатчиков как систем многократного, длительного пользования характеризуется не только безотказностью, но я тем, как быстро восста-

69

навливается работоспособность после возникновения отказа. Восстанавливаемость определяется ремонтопригодностью (обеспечиваемой на этапах разработки и производства) и мероприятиями по обслуживанию на этапе эксплуатации. Мероприятия по обслуживанию включают в себя подбор квалифицированного обслуживающего персонала, организацию ремонтных работ, обеспечение запасными частями, а также организацию профилактического обслуживания и системы контроля и прогнозирования неисправностей (отказов).

Правилами технической эксплуатации (ПТЭ) передатчиков различного назначения устанавливается некоторое допустимое время простоя tДОП. Если время восстановления работоспособности TB tДОП то согласно ПТЭ такая си-

туация не считается отказом. Пусть pB tДОП - вероятность восстановления

работоспособности передатчика за время tДОП. Тогда наработка на отказ с учетом восстанавливаемости

T0 B

T0

1 pB t

ДОП 1

,

(2.16)

 

 

 

 

 

 

где Т0 - наработка на отказ без учета восстановления. Таким образом, восстановление может служить эффективной мерой повышения надежности.

Для повышения надежности проводится также профилактическое обслуживание, целью которого является предупреждение некоторых причин возможных отказов: ухудшения качества контактов (особенно в регулируемых и переключаемых РЧ цепях), изоляции (загрязнение поверхности), эмиссии или вакуума генераторных ламп и т.п. Сроки и содержание профилактических мероприятий должны быть достаточно обоснованны, а работа должна проводиться с высоким качеством и квалифицированным персоналом, иначе профилактика может привести к снижению надежности.

На передающих радиоцентрах, где сосредоточено значительное число однотипных или довольно похожих по параметрам передатчиков, применяют различные варианты скользящего резервирования, когда на группу из пяти - десяти работающих передатчиков выделяется один резервный, который подключается вместо отказавшего рабочего. Усредненная наработка на отказ передатчиков в такой системе может существенно возрасти.

2.5 Живучесть радиопередатчиков

Работоспособность систем связи или вещания, а также отдельных их элементов во времени кроме надежности определяется еще и живучестью, которая характеризует устойчивость системы к воздействию причин и факторов, лежащих вне системы и могущих привести к разрушениям или значительным повреждениям некоторых ее частей: линий связи, узлов, радиопередающих станций и т.п. Эти причины можно разделить на два типа: стихийные (гроза, землетрясение, наводнение, оползень, обледенение и т.п.) и преднаме-

70

ренные (огневые, в том числе ракетно-ядерные удары противника, радиопротиводействие и др.). Различия в причинах обусловливают и существенные различия в характере и масштабах возможных повреждений и необходимых затратах времени и средств на их ликвидацию.

Стихийные или преднамеренные воздействия могут выводить из строя значительную часть аппаратуры или даже всю систему, а длительность восстановления работоспособности может достигать единиц - десятков суток. В нормальных условиях отказы аппаратуры или отдельных частей систем связи

ивещания имеют случайный характер, но подчиняются определенным статистическим законам, поэтому могут довольно точно прогнозироваться и в значительной степени предотвращаться, да и время восстановления при этом составляет обычно от единиц минут до единиц часов.

Интервалы воздействия стихийных факторов на живучесть не подчиняются статистическим законам, но большинство из них в настоящее время достаточно достоверно прогнозируется, да и преднамеренные воздействия противника не должны являться случайными и неожиданными при принятии соответствующих мер. Наибольшую опасность для нормального функционирования систем и аппаратуру радиосвязи и радиовещания представляют поражающие факторы ядерного взрыва. При этом необходимо обеспечивать механическую прочность конструкции, применять радиационно-стойкие детали

иматериалы, надежное экранирование узлов и блоков, наиболее подверженных действию радиации, надежно экранировать соединительные кабели, применять эффективные системы защиты аппаратуры от наведенных токов и ЭДС. Следует обеспечивать высокую ремонтопригодность аппаратуры, позволяющую сокращать время на ремонтно-восстановительные работы.

Резервирование следует применять как непосредственно в радиопередатчике (возбудители, модуляторы, предварительные ступени усиления, построение мощных усилителей по блочно-модульному принципу и др.), так и в системе энергопитания (питание от нескольких энергосетей и применение автономных дизель - электрогенераторов, аккумуляторных установок аварийного питания), в системе охлаждения (применение автономных артезианских скважин на радиоцентрах). Резервируются также линии связи с радиобюро.

Для повышения живучести в качестве антенных фидеров применяют коаксиальные кабели, уложенные в траншеи под землей, и имеют в резерве быстроразворачиваемые антенно-мачтовые сооружения. Помещения для аппаратуры должны обеспечивать ее нормальное функционирование при воздействии поражающих факторов, а для обслуживающего персонала следует предусматривать более защищенные помещения. Управление работой передатчиков должно производиться дистанционно. Повышению живучести радиопередающих средств способствуют и организационные мероприятия: разработка четких должностных инструкций для персонала применительно к конкретному объекту, формирование специальных подразделений для преодоления чрезвычайных ситуаций (ЧС) и ремонтно-восстановительных служб.