где
- плотность кирпичной кладки,
,
-
толщина стены,
,
- высота
этажа и количество этажей,
,
.
Вес
фундаментных блоков:
, (2.7)
где
- плотность тяжелого бетона,
,
-
толщина фундаментных блоков,
,
- высота
подвала,
,
.
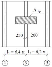
Рисунок
2.3 - Схема грузовой площадки
Грузовая
площадь на фундамент по оси равна:
. (2.8)
.
Нагрузка
на 1 погонный метр фундамента по оси 3 определяется по формуле:
, (2.9)
Принимаем
высоту ростверка
из условия заделки головы сваи не менее 50 мм и
выпусков арматуры не менее 250 мм.
По схеме взаимодействия с грунтом свая является висячей, но есть передает нагрузку за счет трения по боковой поверхности и через острие.
Принимаем сваю С35-9.
Площадь
сечения сваи:
, м2 (2.10)
- ширина
поперечного сечения сваи.
Периметр
сваи:
, м (2.11)
Коэффициент
работы сваи в грунте
.
Коэффициент
условий работы грунта под нижним концом сваи
(погружение
забивных свай дизель-молотом).
Коэффициент
условий работы грунта по боковой поверхности сваи
.
Глубина погружения нижнего конца сваи:
Определяем расчетное сопротивление под нижним концом забивной висячей сваи:
при
, (2.12)
.
Вычерчиваем колонку грунтов и расчетную схему свайного фундамента.
Рисунок
2.4 - Расчетная схема свайного фундамента
Таблица 2.4 - Определение расчетного сопротивления по боковой поверхности забивной висячей сваи
|
Наименов. природного слоя |
Толщина элементарн. слоя |
|
|
|
|
Суглинок |
|
|
|
|
Торф
![]()
![]()
![]()
-
|
-- - |
|
|
|
|
Супесь

![]()
![]()
![]()
![]()
59,9
,68
,2289,85
,02
|
125,22 |
|
|
|
|
, (2.13)
Определяем
несущую способность забивной висячей сваи:
, кН (2.14)
Допускаемая
нагрузка на сваю:
, Кн (2.15)
где
- коэффициент надежности.
.
Определяем шаг свай в ленте:
.
Так
как
.
Принимаем 2 х - рядное расположение свай в ленте.
Шаг
свай
.
Определяем
ширину ростверка:
, м (2.16)
-
предельное отклонение свай от проектного положения.
.
принимаем
.
Ростверк рассчитываем как железобетонную многопролетную балку с опорами на головы свай.
Расчетная
нагрузка на 1 пог. м ростверка с учетом его собственного веса:
, кН/м (2.17)
где
,
-
плотность железобетона,
.
Максимальный изгибающий момент:
, кН∙м (2.18)
.
Армирование ростверка производим арматурными каркасами из арматуры класса А400. Для монолитного ростверка принимаем бетон класса В15.
Расчетные
характеристики
,
.
Ростверк укладываем по бетонной подготовке класса В7,5.
Толщина
защитного слоя
.
Расчетное сечение ростверка - прямоугольное.
Рабочая
высота сечения:
, мм (2.19)
.
Определяем
табличный коэффициент:
. (2.20)
.
Определяем
площадь рабочей арматуры:
. (2.21)
Принимаем 9 каркасов, следовательно 18 рабочих стержней (в каркасе ростверка рабочей является и верхняя и нижняя продольная арматура).
Принимаем
.
Рисунок
2.5 - Армирование ростверка
К факторам, вызывающим физическую коррозию бетонных и железобетонных конструкций, относятся: попеременное увлажнение и высыхание материала, которое сопровождается деформации усадки и набухания; отложение растворимых солей в порах цементного камня; попеременное замерзание и оттаивание бетона и других температурных воздействий.
Химическая коррозия бетонных и железобетонных конструкций вызывается контактом материала с кислотами, щелочами, растворами солей, различными органическими соединениями, всеми видами агрессивных газов, а также различными микроорганизмами, развивающимися на поверхности конструкций.
Из мероприятий по защите бетонных и железобетонных конструкций наиболее важны:
обработка среды для уменьшения степени ее агрессивности;
применение для бетонных и железобетонных конструкций бетонов повышенной плотности (в условиях эксплуатации), уплотнение бетонов;
изготовление бетонов для конструкций, эксплуатируемых в агрессивных условиях, на специальных цементах, стойких в данных условиях;
введение добавок, улучшающих структуру бетона;
выполнение конструктивных мероприятий по максимальной защите конструкций от действия агрессивной среды.
В процессе эксплуатации необходимо вентилировать помещение, чтобы удалять агрессивные газы, отвести влагу, атмосферные осадки. Для этого следует содержать в постоянной исправности конструктивные элементы, защищающие от увлажнения и агрессивного воздействия среды основные несущие части зданий. Несущие конструкции должны иметь простые геометрические формы, исключающие возможность скапливания на них агрессивных растворов, пыли, газов и паров.
Улучшить коррозийную стойкость бетонных и железобетонных конструкций можно путем применения поверхностно-активных добавок сульфитно-спиртовой барды, кремнийорганических жидкостей ГКЖ - 94, ГКЖ- 10, ГКЖ - 11.
В качестве основной меры, которую необходимо осуществлять в процессе эксплуатации по защите бетонных железобетонных конструкций от коррозии, является устройство антикоррозийных покрытий. Для покрытий наносят лакокрасочный слой, обмазочную изоляцию из штукатурки, оклеечную изоляцию, облицовку химически стойкими материалами. Защиту от коррозии выполняют в соответствии с требованиями СНиП III. 4. 03 - 85 «Защита стропильных конструкций от коррозии».
Для обмазочной изоляции конструкций используют мастики из полимерных материалов, силикатные кислотоупорные замазки или мастики на основе битумных вяжущих.
Для оклеечной изоляции применяют химически стойкие рулонные и листовые полимерные материалы или рулонные материалы на битумной основе.
Также агрессивное воздействие оказывается на деревянные конструкции дереворазрушающими грибами, вызывая биологическую коррозию древесины, а так же химически агрессивные среды, вызывающие химическую коррозию древесины.
Защита деревянных конструкций от коррозии предусматривает
антисептирование. В качестве антисептиков предусматривается применение таких
составов, как «Вуприн» (декоративный огнезащитный состав для обработки
древесных материалов и конструкций). Он обладает хорошими антисептическими и
огнезащитными свойствами, технологичен в применении.
2.3 Расчет лестничного марша
.3.1 Определение нагрузок и усилий
Марш железобетонный шириной 1,10м.
Высота этажа 2,8м.
Угол
наклона марша
.
Ступени размером 150мм х 300мм.
Бетон
марки М300, арматура каркаса А400, сеток В500.
Рисунок
2.6 - Расчетная схема лестничного марша
Таблица 2.5 - Сбор нагрузок на 1м2 лестничного марша, Па
|
Вид нагрузки |
|
|
|
|
Постоянная |
|
|
|
|
Ж/б лестничный марш |
3600 |
1,1 |
3960 |
|
Итого постоянная: |
gн = 3600 |
|
g = 3960 |
|
Временная |
|
|
|
|
От людей и оборудования |
3000 |
1,3 |
3900 |
|
Всего |
qн = 6600 |
|
q = 7860 |
Расчетная нагрузка на 1 метр погонный марша
. (2.22)
Расчетный
изгибающий момент в середине пролета марша
. (2.23)
Поперечная
сила на опоре
. (2.24)
2.3.2 Предварительной назначение размеров сечения марша
Применительно
к типовым заводским формам назначаем: толщину плиты (по сечению между
ступенями)
, высоту ребер (косоуров)
и толщину ребер
.
Действительное сечение марша заменяем на расчетное тавровое с полкой в сжатой
зоне
; ширину полки
при
отсутствии поперечных ребер принимаем не более
или
, принимаем за расчетное значение меньшее
.