Системи управління з тиристорними перетворювачами частоти. У кранових електроприводах починають використовуватися системи з тиристорними перетворювачами частоти, що дозволяє при застосуванні асинхронних електродвигунів з короткозамкненим ротором отримати великий діапазон регулювання та домогтися високих динамічних показників електроприводу (ТПЧ-АД). Тиристорні перетворювачі частоти інверторного типу, що забезпечують плавне регулювання частоти в інтервалі 5-70 Гц, є досить складними пристроями, які поки не знайшли великого застосування в крановому електроприводі. Тиристорні перетворювачі частоти з безпосереднім зв'язком відносно прості за схемою та конструктивним виконанням, проте можуть бути використані для формування напруги регульованої частоти змінного струму тільки в інтервалі 3-20 Гц при живленні від мережі промислової частоти. У зв'язку з цією особливістю перетворювачі частоти з безпосереднім зв'язком використовуються в трьох варіантах:
системи з діапазоном регулювання 4:1 для механізмів горизонтального пересування кранів шляхом безпосереднього живлення через перетворювачі частоти з безпосереднім зв'язком асинхронних короткозамкнутих двигунів (ПЧН-АД);
системи з високим і особливо високим діапазоном регулювання, коли обмотки двошвидкісного короткозамкнутого асинхронного електродвигуна мають змішане живлення від мережі з частотою 50 Гц і від перетворювача частоти (ПЧН—АДП). При цьому максимальний діапазон регулювання 60:1;
системи з високими динамічними показниками, коли обмотка статора з числом пар полюсів 4 двошвидкісного асинхронного електродвигуна з числом полюсів 4/6 отримує живлення від перетворювача частоти, завдяки чому до частоти обертання 500 об/хв здійснюється плавне збільшення швидкості, потім подальше збільшення швидкості відбувається в два ступені до 1000-1500 об/хв (ПЧН—АДП). Така система володіє найменшою масою на одиницю потужності з усіх відомих систем з діапазоном регулювання швидкості близько 8:1.
Застосування систем з перетворювачами частоти є єдино можливим для кранових механізмів, що працюють в умовах, де неможливий доступ для обслуговування (агресивні та радіоактивні середовища).
При діапазоні регулювання швидкості більш високому, ніж 20:1, застосування систем з перетворювачами частоти є практично єдино можливим, так як всі інші системи при цих діапазонах вимагають застосування тахометричного контролю швидкості, що для кранових механізмів неприйнятно. Недоліками системи є відносно висока вартість, складна первісна наладка та необхідність кваліфікованого обслуговування, а також передача в мережу перешкод.[7.]
Перетворювач частоти (інакше частотно-регульований електропривод) представляє з себе статичний перетворювальний пристрій, призначений для зміни швидкості обертання асинхронних електродвигунів змінного струму.
Асинхронні електродвигуни мають значну перевагу перед електродвигунами постійного струму за рахунок простоти конструкції та зручності обслуговування. Це обумовлює їх однозначні перевахги та повсюдне застосування практично в всіх галузях промисловості, енергетиці та міській інфраструктурі.
Відомо, що регулювання швидкості обертання виконавчого механізму можна здійснювати за допомогою різних пристроїв (способів), серед яких найбільш відомі та поширені наступні:
механічний Варіатор
гідравлічна муфта
електромеханічний перетворювач частоти ( системи Генератор-двигун)
додатково вводяться в статор або фазний ротор опору і ін.
статичний перетворювач частоти
Перші чотири способи відрізняються різними комбінаціями, але мають ряд недоліків:
складнощі в застосуванні, обслуговуванні, експлуатації
низька якість і діапазон регулювання
неекономічність
Всі зазначені недоліки відсутні при використанні частотних перетворювачів.
Регулювання швидкості обертання асинхронного електродвигуна в цьому випадку проводиться шляхом зміни частоти та величини напруги живлення двигуна. ККД такого перетворення становить близько 98% , з мережі споживається практично тільки активна складова струму навантаження, мікропроцесорна система управління забезпечує високу якість управління електродвигуном і контролює безліч його параметрів, запобігаючи можливість розвитку аварійних ситуацій.
Це необхідно для вирішення стандартних проблем практично будь-якого підприємства або організації:
економії енергоресурсів,
збільшення термінів служби технологічного обладнання,
зниження витрат на планово-попереджувальні та ремонтні роботи,
забезпечення оперативного управління та достовірного контролю за ходом технологічних процесів та ін.
Значна економія електроенергії легко досягається за однієї умови – привід і механізм повинен що-небудь регулювати (підтримувати будь якої технологічний параметр).
- якщо це насос, то потрібно регулювати витрату води, тиск в мережі або контролювати температуру охолодження або нагрівання.
- якщо це вентилятор або димосос, то регулювати потрібно температуру або тиск повітря, розрідження газів.
- якщо це конвеєр, то часто буває потрібно регулювати його продуктивність.
- якщо це верстат, то потрібно регулювати швидкості подачі або головного руху.
Можна відразу виділити типові механізми, що відрізняються високою експлуатаційною та економічною ефективністю при впровадженні перетворювачів частоти і систем автоматизації на їх базі:
насоси, вентилятори, димососи;
Конвеєри, транспортери;
підйомники, крани, ліфти та ін.
Перетворювач частоти складаеться із таких елементів:
Випрямляча;
LC-фільтра;
Інвертора;
Мережевий дросель;
Випрямляч
Випрямляч перетворює змінний струм (напругу) в постійний. Він складається з трьох блоків: вентиля, що перетворює змінний струм в пульсуючий; трансформатора, що забезпечує гальванічну розв'язку мережі живлення і мережі навантаження та перетворює напругу мережі живлення в необхідну на вході вентильного блоку. В деяких випадках трансформатор застосовують для перетворення числа фаз мережі живлення. Згладжувального фільтра, призначеного для зменшення (згладжування) пульсацій випрямленої напруги (струму) до величини, необхідної для нормальної роботи споживача.
Випрямлячі поділяють на керовані та некеровані. Крім зазначених вище вузлів, мають систему управління вентилями та систему автоматичного регулювання.
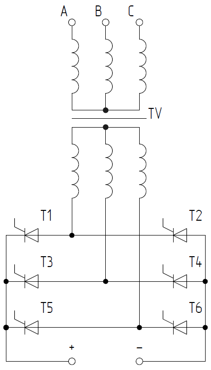
Для нашого проекту вибираємо трифазний мостовий несиметричний керований випрямляч (рисунок 2.1).

Рисунок 2.1 – Схема трифазного мостового несиметричного керованого випрямляча
LC-фільтр
Згладжуючі фільтри призначені для зменшення пульсацій випрямленої напруги. Згладжування пульсацій оцінюють коефіцієнтом згладжування q.
Основними елементами згладжують фільтрів є конденсатори, котушки індуктивності та транзистори, опір яких різний для постійного або змінного струму.
Залежно від типу фільтруючого елемента розрізняють ємнісні, індуктивні та електронні фільтри. За кількістю фільтруючих ланок фільтри діляться на одноланкові і багатоланкові.
В проекті використаний Г-образний ДС-фільтр (расунок 2.2).

Рисунок 2.2 – Схема Г-образного LС-фільтра
Інвертор струму
Інверторами струму називаються автономні інвертори, які пов'язані з джерелом живлення через згладжувальний дросель, так що вентилі інвертора перемикають струм. В якості вентилів у інверторах струму використовують одноопераційні тиристори, або в останні роки, використовують IGBT-транзистори.
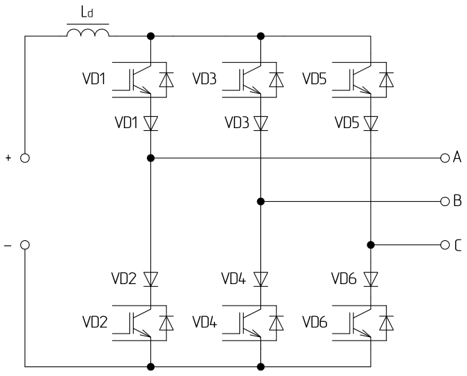
В проекті застосовуємо трифазний інвертор струму на IGBT-транзисторах (рисунок 2.3).

Рисунок 2.3 – трифазного інвертора струму на IGBT-транзисторах
Мережевий дросель
Вхідний мережевий дросель дозволяє уникнути втрати напруги в електроланцюзі та усунути виникаючі перешкоди. Дане обладнання пригнічує високочастотні гармоніки, які спотворюють параметри напруги живлення і, тим самим, підвищує коефіцієнт потужності частотного перетворювача. Використання дроселів доцільно в високонавантажених мережах при підключенні великої кількості споживачів.
Трифазний мережевий дросель захищає перетворювач частоти від різких стрибків напруги в мережі та продовжує термін служби підключеного обладнання. Пристрій дозволяє повною мірою реалізувати енергозберігаючі функції частотного перетворювача.
Розраховуємо
основні параметри випрямляча в
некерованому режимі, тобто при
.
Випрямлена напруга, В:

В.
де
- фазна напруга мережі
Середнє значення випрямленої напруги, В:
В.
Випрямлений струм, А:


де
-
коефіцієнт перенавантаження
Приймаємо
випрямлений струм до стандартного
значення
А.
Напруга холостого ходу випрямляча, В:


Із таблиці 18.1 [9] визначаємо:
Визначаємо напругу вмикання, В:

В.
Середнє значення струму через вентиль, А:

А.
Діюче значення вторинного струму, А:

А.
Діюче значення вторинної напруги, В:

В.
Коефіцієнт трансформації трансформатора:


де
В
-
лінійна напруга на первинній обмотці
трансформатора
Діюче значення струму діода, А:

А.
11. Типова потужність трансформатора, кВа:

кВа.
На основі розрахунку трансформатора випрямляча вибираємо трансформатор типу ТС – 100.
Номінальна
потужність трансформатора
кВа
Номінальна
напруга первинної обмотки
В
Номінальна
напруга вторинної обмотки
В
Номінальний
струм на
вторинної обмотки
А
Потужність
холостого ходу
Вт
Потужність
короткого замикання
Вт
Напруга
короткого замикання
%
Діюче значення первинного струму, А:

А.
Основні
параметри випрямляча в керованому
режимі, при
.
Із таблиці 18.2 [9] керованого режиму роботи випрямляча знаходимо:

Визначаємо кут керування тиристорним випрямлячем:


