Материал: В-Л-Быков-Цитогогия_и_общая_гистология

Внимание! Если размещение файла нарушает Ваши авторские права, то обязательно сообщите нам

сливаясь друг с другом, они формируют гигантские многоядерные клетки, а дифференцируясь в элементы, специализированные на секреции различных регуляторных веществ, превращаются в эпителиоидные клетки (см. главу 7). Хроническое воспаление может нередко иметь очень длительное течение, так как клетки, образующие его очаги (макрофаги, лимфоциты, фибробласты, гранулоциты и др.), выделяют различные стимулирующие факторы, способствующие его самоподдержанию.

3. Фаза пролиферации (продуктивная фаза, или фаза репарации).

Макрофаги, лимфоциты и другие клетки, инфильтрирующие очаг воспаления, выделяют ряд биологически активных веществ (фибронектин, ИЛ-1, ФНО, ТРФР, ТФРР и др.), которые вызывают: (1) хемотаксис, пролиферацию и стимуляцию синтетической активности фибробластов, (2) активацию образования и роста сосудов (ангиогенез).

В результате привлечения в очаг воспаления фибробластов, их усиленной пролиферации и активной синтетической деятельности, а также быстрому разрастанию мелких сосудов формируется богато васкуляризованная молодая рыхлая волокнистая соединительная ткань с высоким содержанием различных клеточных элементов - грануляционная ткань. В этой ткани постепенно откладывается все большее количество коллагеновых волокон и она со временем из рыхлой преобразуется в плотную, которая формирует рубец.

Благодаря использованию методов тканевой инженерии получены культуры интенсивно пролиферирующих и синтетически активных фибробластов человека, которые вводят в плохо заживающие кожные раны. После трансплантации такие клетки обеспечивают активную выработку межклеточного вещества, заполняющего раневой дефект; одновременно их секреторные продукты стимулируют процессы регенерации поврежденной эпителиальной ткани. Тем самым удается достичь высокого клинического эффекта заживления ран.

Чрезмерному отложению коллагена и других компонентов межклеточного вещества препятствуют: (1) гибель значительного количества активных фибробластов механизмом апоптоза по мере созревания ткани, (2) снижение синтетической активности оставшихся фибробластов, (3) повышение коллагенолитической активности фибробластов и макрофагов. В перестройке рубца и его частичной инволюции принимают участие также гранулоциты (например, эозинофилы), лимфоциты и тучные клетки.

- 321 -

Роль рыхлой волокнистой соединительной ткани в регенерации различных органов и тканей неоднозначна. При гибели участка органа вследствие каких-либо патологических процессов имеющаяся в органе рыхлая волокнистая соединительная ткань активно реагирует на повреждение и способна, разрастаясь и преобразуясь в соответствии с описанной выше последовательностью, заполнять участки погибшей функционально ведущей ткани органа. Такая регенерация органа называется неполной (заместительной), поскольку соединительная ткань лишь замещает ранее имевшуюся ткань, но не может компенсировать ее утраченную функцию.

Если поврежденная функционально ведущая ткань органа неспособна к регенерации на тканевом и клеточном уровнях, то соединительная ткань играет в целом полезную роль, замещая образующийся дефект и связывая ее неповрежденные участки. Так, при инфаркте миокарда, вызванном острым нарушением кровоснабжения отдельного участка сердечной мышцы, на месте погибшей и неспособной к регенерации сердечной мышечной ткани возникает соединительнотканный рубец, который обеспечивает целостность мышечной оболочки сердца. Однако этот участок миокарда функционально неполноценен, поскольку он не обеспечивает необходимой сократительной функции. Более того, при значительных размерах рубца он может постепенно мешковидно растягиваться (вследствие высокого давления в камерах сердца), формируя аневризму сердца (от греч. апеигупо - расширение), которая со временем истончается и в конечном итоге разрывается, вызывая мгновенную смерть больного.

Если функционально ведущая ткань органа способна к регенерации на тканевом и клеточном уровнях, то быстро разрастающаяся волокнистая соединительная ткань во многих случаях может препятствовать нормальному течению этого процесса. Так, опережая восстановление функционально ведущих тканей и формируя рубцы, она способна нарушать регенерацию нервов, скелетных мышц и стенки полых органов, содержащих гладкую мышечную ткань (например, матки, маточной трубы, мочеточника, кишки).

Соединительнотканные рубцы, возникающие в различных органах после повреждений, могут изменить их архитектонику, деформировать, сузить просвет (вплоть до его полной облитерации), вызвать смещение (при образовании спаек в плевральной, брюшной полости или сердечной сумке), нарушить кровоснабжение и иннервацию. Рубцовые изменения клапанов сердца способны полностью нарушить его функцию.

- 322 -

ПЛОТНАЯ ВОЛОКНИСТАЯ СОЕДИНИТЕЛЬНАЯ ТКАНЬ

Плотная волокнистая соединительная ткань образована теми же компонентами, что и рыхлая волокнистая соединительная ткань, отличаясь от нее (1) очень высоким содержанием волокон (преимущественно коллагеновых), формирующих толстые пучки и занимающих основную часть объема ткани, (2) малым количеством основного аморфного вещества в составе межклеточного вещества (3) сравнительно низким содержанием клеточных элементов и (4) преобладанием одного (главного) типа клеток - фиброцитов - над остальными (особенно в плотной оформленной ткани).

Главное свойство плотной волокнистой соединительной ткани - очень высокая механическая прочность - обусловлено присутствием мощных пучков коллагеновых волокон. Ориентация этих волокон соответствует направлению действия сил, вызывающих деформацию ткани.

Плотная волокнистая неоформленная соединительная ткань

характеризуется неупорядоченным расположением пучков коллагеновых волокон в трех различных плоскостях, которые переплетаются между собою, формируя трехмерную сеть (рис. 10-10). Последняя обеспечивает прочность ткани при воздействии деформирующих сил любой направленности. Помимо коллагеновых волокон, имеются также и эластические, также формирующие трехмерную сеть. Содержание основного аморфного вещества невелико, клетки немногочисленны. Среди клеток преобладают фиброциты и фибробласты, но встречаются и другие клеточные элементы (тучные клетки, гистиоциты, лейкоциты). Малодифференцированные элементы сосредоточены в тонких прослойках рыхлой волокнистой ткани, окружающих сосуды. Такая ткань образует глубокий (сетчатый) слой дермы (соединительнотканной части кожи), капсулы различных органов. Ткань, образующая капсулы, отличатся более упорядоченным расположением коллагеновых волокон (преимущественно параллельно поверхности органа), чем в сетчатом слое дермы, благодаря чему отчасти напоминает плотную волокнистую оформленную соединительную ткань.

Плотная волокнистая оформленная соединительная ткань содержит толстые пучки коллагеновых волокон, располагающейся параллельно друг другу (в направлении действия нагрузки), которые связаны небольшим количеством основного аморфного вещества (рис.

- 323 -

10-11). Между ними специальными красителями можно выявить тонкие сети эластических волокон. Содержание клеток невелико; среди них подавляющее большинство составляют фиброциты. Описанное строение имеет ткань, образующая сухожилия, связки, фасции и апоневрозы.

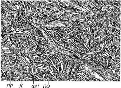
Рис. 10-10. Плотная волокнистая неоформленная соединительная ткань (сетчатый слой дермы). Основной объем в ткани занимают толстые пучки коллагеновых волокон, идущие в различных направлениях и переплетающиеся между собой На срезе видны продольные (ПР), поперечные (ПО) и косые (К) сечения пучков коллагеновых волокон. Клетки - фиброциты (ФЦ) - немногочисленны.

Сухожилия представляют собой удлиненные цилиндрические или уплощенные образования, которые связывают поперечнополосатую соматическую мышцу с костью. Они образованы плотно упакованными параллельными пучками коллагеновых волокон, между которыми располагаются ряды фиброцитов, которые именуют также сухожильными клетками, или тендоцитами (от лат. tendo - сухожилие). Последние характеризуются удлиненными ядрами, ориентированными вдоль оси сухожилия (параллельно коллагеновым пучкам), и слабо оксифильной цитоплазмой, трудно различимой на уровне светового микроскопа. Периферические участки цитоплазмы образуют уплощенные пластинчатые отростки, охватывающие пучки коллагеновых волокон. На поперечных срезах сухожилия его клетки имеют звездчатую форму; специальными исследованиями показано, что своими отростками они латерально контактируют друг с другом, формируя типичные щелевые соединения, ко-

- 324 -

торые связывают клетки электрически и химически. При этом фиброциты образуют единую систему (подобную той, что объединяет остеоциты в костной ткани - см. главу 12). Так как клеточные отростки посредством интегринов связаны с коллагеновыми волокнами, малейшие изменения нагрузки передаются на клетки и влияют на активность их синтетических процессов, регулируя выработку компонентов межклеточного вещества.

Рис. 10-11. Плотная волокнистая оформленная соединительная ткань (сухожилие). 1 - поперечный разрез сухожилия (третичного сухожильного пучка), 2 - поперечный и 3 - продольный разрез вторичного сухожильного пучка ПСП - первичные сухожильные пучки, ФЦ - фиброциты. ВСП - вторичные сухожильные пучки, ЭТ - эндотендиний, КРС - кровеносные сосуды, ПТ - перитендиний.

Сухожилие как орган включает: (1) компоненты, образованные плотной волокнистой соединительной тканью - пучки коллагеновых волокон различных порядков с расположенными между ними фиброцитами; (2) оболочки (прослойки) из рыхлой и плотной неоформленной соединительных тканей, окружающие пучки коллагеновых волокон и несущие кровеносные сосуды и нервы. В сухожилии выделяют первичные, вторичные и третичные сухожильные пучки (см. рис. 10-6 и 10-11).

- 325 -