|
Факультет авиатехнологический |
|
Кафедра мехатронных системы и процессов формообразования им. С.С. Силина |
|
ВЫПУСКНАЯ КВАЛИФИКАЦИОННАЯ РАБОТА Дипломная работа
|
|
МОДЕРНИЗАЦИЯ СТАНКА 1П756ДФ3 |
|
ДЛЯ ОБРАБОТКИ ТИПОВОЙ ДЕТАЛИ «СТАКАН» |
|
(Наименование) |
|
на соискание степени бакалавр |
|
по направлению 15.03.05 |
|
«Конструкторско-технологическое обеспечение машиностроительных производств» |
|
Книга 1 Пояснительная записка |
|
Соискатель, студент группы |
СТС 14 |
|
Макаров Д.В. |
||
|
|
(Код)
|
(Подпись, дата) |
(Фамилия И. О.) |
||
|
Руководитель |
доцент |
|
Дружков С.С. |
||
|
|
(Уч. степень, звание) |
(Подпись, дата) |
(Фамилия И. О.) |
||
|
Консультант по экономике |
кан. техн. наук, доц. |
|
Непомнящий В.А. |
||
|
|
(Уч. степень, звание)
|
(Подпись, дата) |
(Фамилия И. О.) |
||
|
Нормоконтролёр |
кан. техн. наук, доц. |
|
Непомнящий В.А. |
||
|
|
(Уч. степень, звание)
|
(Подпись, дата) |
(Фамилия И. О.) |
||
|
К защите допустить |
|||||
|
Зав. кафедрой СИ, |
д.т.н., профессор |
|
Волков Д.И. |
||
|
|
(Уч. степень, звание)
|
(Подпись, дата) |
(Фамилия И. О.) |
||






Выпускная квалификационная работа.
Дипломный проект выполнен на тему "Модернизация станка 1П756ДФ3 для обработки типовой детали «Стакан» и содержит: пояснительную записку, операционные карты технологического процесса обработки детали, необходимые чертежи формата А1 (общий вид модернизируемого станка, модернизируемый узел, приспособление для обеспечения выполнения операции, деталь "Стакан", технологический плакат обработки детали), спецификации на сборочные чертежи.
В ходе дипломного проектирования разработана модернизация токарно-револьверного станка и доказана повышение его технологической и экономической эффективности на примере обработки детали "Стакан".
Модернизация станка включает в себя:
– Замену штатной револьверной головки на современную с приводным инструментом;
– Упрощение кинематики шпиндельного узла за счёт передачи вращения непосредственно от встраиваемого электродвигателя с датчиком поворота;
– Замену системы ЧПУ на современную.
В спроектированном техпроцессе показана возможность и эффективность обработки деталей данного типа на модернизированном станке.
В пояснительной записке изложены все необходимые пояснения и расчёты.
|
Содержание |
|
|||||||||||||||||||||||||||||||||||||||||||||||||
|
|
С. |
|||||||||||||||||||||||||||||||||||||||||||||||||
|
|
10 |
||||||||||||||||||||||||||||||||||||||||||||||||
|
|
10 |
||||||||||||||||||||||||||||||||||||||||||||||||
|
|
10 |
||||||||||||||||||||||||||||||||||||||||||||||||
|
|
11 |
||||||||||||||||||||||||||||||||||||||||||||||||
|
|
12 |
||||||||||||||||||||||||||||||||||||||||||||||||
|
|
13 |
||||||||||||||||||||||||||||||||||||||||||||||||
|
|
14 |
||||||||||||||||||||||||||||||||||||||||||||||||
|
|
15 |
||||||||||||||||||||||||||||||||||||||||||||||||
|
|
16 |
||||||||||||||||||||||||||||||||||||||||||||||||
|
|
19 |
||||||||||||||||||||||||||||||||||||||||||||||||
|
|
20 |
||||||||||||||||||||||||||||||||||||||||||||||||
|
|
28 |
||||||||||||||||||||||||||||||||||||||||||||||||
|
|
30 |
||||||||||||||||||||||||||||||||||||||||||||||||
|
|
30 |
||||||||||||||||||||||||||||||||||||||||||||||||
|
|
31 |
||||||||||||||||||||||||||||||||||||||||||||||||
|
|
32 |
||||||||||||||||||||||||||||||||||||||||||||||||
|
|
39 |
||||||||||||||||||||||||||||||||||||||||||||||||
|
|
39 |
||||||||||||||||||||||||||||||||||||||||||||||||
|
|
40 |
||||||||||||||||||||||||||||||||||||||||||||||||
|
|
40 |
||||||||||||||||||||||||||||||||||||||||||||||||
|
|
40 |
||||||||||||||||||||||||||||||||||||||||||||||||
|
|
47 |
||||||||||||||||||||||||||||||||||||||||||||||||
|
|
49 |
||||||||||||||||||||||||||||||||||||||||||||||||
|
|
51 |
||||||||||||||||||||||||||||||||||||||||||||||||
|
|
52 |
||||||||||||||||||||||||||||||||||||||||||||||||
|
|
53 |
||||||||||||||||||||||||||||||||||||||||||||||||
|
|
53 |
||||||||||||||||||||||||||||||||||||||||||||||||
|
|
53 |
||||||||||||||||||||||||||||||||||||||||||||||||
|
|
53 |
||||||||||||||||||||||||||||||||||||||||||||||||
|
|
54 |
||||||||||||||||||||||||||||||||||||||||||||||||
|
|
57 |
||||||||||||||||||||||||||||||||||||||||||||||||
|
|
57 |
||||||||||||||||||||||||||||||||||||||||||||||||
|
|
58 |
||||||||||||||||||||||||||||||||||||||||||||||||
|
|
60 |
||||||||||||||||||||||||||||||||||||||||||||||||
|
|
60 |
||||||||||||||||||||||||||||||||||||||||||||||||
|
|
62 |
||||||||||||||||||||||||||||||||||||||||||||||||
|
|
62 |
||||||||||||||||||||||||||||||||||||||||||||||||
|
|
63 |
||||||||||||||||||||||||||||||||||||||||||||||||
|
|
66 |
||||||||||||||||||||||||||||||||||||||||||||||||
|
|
67 |
||||||||||||||||||||||||||||||||||||||||||||||||
|
|
69 |
||||||||||||||||||||||||||||||||||||||||||||||||
|
|
71 |
||||||||||||||||||||||||||||||||||||||||||||||||
|
|
74 |
||||||||||||||||||||||||||||||||||||||||||||||||
|
|
75 |
||||||||||||||||||||||||||||||||||||||||||||||||
|
|
75 |
||||||||||||||||||||||||||||||||||||||||||||||||
|
|
75 |
||||||||||||||||||||||||||||||||||||||||||||||||
|
|
77 |
||||||||||||||||||||||||||||||||||||||||||||||||
|
|
78 |
||||||||||||||||||||||||||||||||||||||||||||||||
|
|
81 |
||||||||||||||||||||||||||||||||||||||||||||||||
|
|
82 |
||||||||||||||||||||||||||||||||||||||||||||||||
|
|
82 |
||||||||||||||||||||||||||||||||||||||||||||||||
|
|
84 |
||||||||||||||||||||||||||||||||||||||||||||||||
|
|
86 |
||||||||||||||||||||||||||||||||||||||||||||||||
|
4 Охрана труда и техника безопасности |
|
87 |
||||||||||||||||||||||||||||||||||||||||||||||||
|
Заключение |
|
89 |
||||||||||||||||||||||||||||||||||||||||||||||||
|
Список использованных источников |
|
|
||||||||||||||||||||||||||||||||||||||||||||||||
|
Приложения |
|
|
||||||||||||||||||||||||||||||||||||||||||||||||
|
Приложение А – Спецификация к чертежу ВР |
|
|
||||||||||||||||||||||||||||||||||||||||||||||||
В данной работе рассмотрена возможность модернизации станка с ЧПУ 1П756ДФ3 для повышения производительности обработки детали типа «Стакан» за счёт концентрации фрезерной, токарной и сверлильных операций на текущем станке. На рынке станочного оборудования подставлены многочисленные аналоги станков различных производителей, обеспечивающих выполнение данных операций на одном рабочем месте, включая многоцелевые токарно-фрезерные обрабатывающие центры, но значительно выгоднее экономически и целесообразней продлить срок службы уже существующего оборудования. На базе не изнашиваемых и основных, но металлоёмких и дорогих в производстве нового станка частей, таких как станина, суппорт, кабинет и т.д. возможно произвести модернизацию станка. При этом, с учётом развития технологий за время эксплуатации станка, устанавливаемые и заменяемые узлы обладают улучшенными характеристиками.
Для возможности обработки отверстий на фланце и фрезерования выточек посредством поворота детали в шпинделе токарного станка 1П756ДФ3 вокруг своей оси произведена переработка кинематики шпиндельной бабки станка, заменена револьверная головка на современную с приводным инструментом, а также заменено устройство ЧПУ на современное, удобное и более эффективное.
Также в ходе дипломного проектирования разработан прогрессивный технологический процесс обработки детали «Стакан», подобрано необходимое оборудование, оснастка и инструмент.
1.1.1 Назначения и принцип действия изделия
Рассматриваемое изделие газоперекачивающий агрегат (ГПА) предназначен для компримирования природного газа на компрессорных станциях газопроводов и подземных хранилищ газа. ГПА состоит из нагнетателя природного газа, привода нагнетателя (трансмиссии), всасывающего и выхлопного устройств (в случае газотурбинного привода), систем автоматики, маслосистемы, топливовоздушных и масляных коммуникаций и вспомогательного оборудования. В состав трансмиссии, служащей для передачи крутящего момента от ГТД, входит жёсткая компенсирующая муфта, основной частью которой является проектируемая в данном технологическом процессе деталь «Стакан».

Рисунок 1.1 – ГПА (1 – ГТД, 2 – трансмиссия, 3 – нагнетатель)

Рисунок 1.2 – Трансмиссия
1.1.2 Назначение и условие работы детали
«Стакан» напрессовывается на вал Ø60 нагнетателя природного газа в составе ГПА, дополнительно с валом соединяется через призматическую шпонку, а в осевом направлении фиксируется двумя винтами М8. Через фланцевую втулку соединён с трансмиссией через 24 отверстия болтами и четыре шлица на Ø82, следующая за ними канавка на наружном диаметре стакана служит ограничителем осевого перемещения гибкого элемента.
«Стакан» входит в состав жесткой компенсирующей муфты. Она за счет подвижности деталей компенсирует радиальные, угловые и осевые смещения валов, вызванные неточностями их изготовления, монтажа и упругими деформациями. Это позволяет уменьшить нагрузки на валы и подшипники. Недостаток жестких компенсирующих муфт – отсутствие упругодемпфирующих элементов, смягчающих толчки и удары, поэтому деталь выполнена из стали 13Х11Н2В2МФ и имеет повышенные требования к базирующим поверхностям.




Рисунок 1.3 – Чертёж детали
1.1.3 Геометрические показатели детали
Деталь «Стакан» имеет наружные цилиндрические, внутренние цилиндрические, плоские, фасонные, резьбовые, конические поверхности.
Базой детали является внутренняя цилиндрическая поверхность Ø60F8, к ней предъявлены требования радиальное и торцевое биение 0,02 относительно наружной цилиндрической поверхности фланца стакана Ø260h6 и торцом фланца, тоже являющихся базами детали.
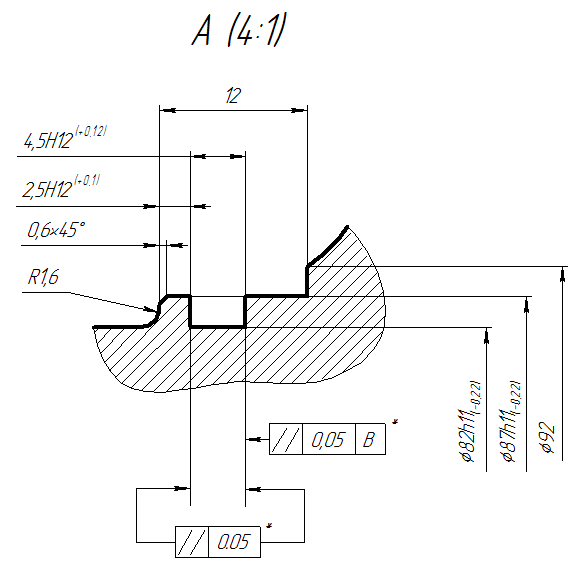
«Стакан» имеет ряд ответственных поверхностей. К торцевым поверхностям фланца предъявлены требование параллельности относительно друг друга с допуском 0,05 и шероховатостью Ra2,5. К внутренней цилиндрической поверхности Ø 65F8 предъявлены требования радиальное и торцевое биение относительно наружной цилиндрической поверхности фланца Ø260h6 и торца фланца 0,02 и шероховатостью Ra2,5. На Ø87h11 имеется наружная канавка 4,5H12, к ней предъявлено требование параллельности стенок с допуском 0,02, а к стенкам канавки предъявлено требование параллельности относительно торца фланца с допуском 0,05. Ширина канавки выполнена с допуском 4,5Н12. На внутренней цилиндрической поверхности выполняется шпоночный паз, в независимости от расположения отверстий на дне стакана. К нему предъявлено требование параллельности стенок 0,05 и симметричности относительно отверстия Ø65F8 0,3. На торце Ø82 выполнены два сквозных отверстия с резьбами М8-5HGH. На фланце выполняются 24 отверстия Ø6Н8 с позиционным допуском 0,1.
Деталь подвергается термообработке до твердости 269…321НВ.
Деталь подвергается химической пассивации, для создания оксидной плёнки, предохраняющей деталь от коррозии.
Деталь выполнена из стали 13Х11Н2В2МФ – Ш (ЭИ961).
1.1.4 Характеристики материала детали
Жаропрочная высоколегированная сталь 13Х11Н2В2МФ применяется для изготовления ответственных нагруженных деталей, работающих при температуре до +600 °С; дисков компрессора, лопаток и других нагруженных деталей; прутков и полос горячекатаных и кованых, применяемых для изготовления деталей конструкций в авиастроении; цельнокатаных колец различного промышленного назначения; фасонных отливок для авиационной промышленности; азотируемых деталей для авиастроения, штамповок. Сталь ограничено свариваемая (методы сварки - РД, РАД, АФ, КТ), флокеночуствительна, не склонна к отпускной хрупкости.
Вид поставки: сортовой прокат, в том числе фасонный (ГОСТ 5949-75, ГОСТ 2590-2006, ГОСТ 2591-2006), калиброванный пруток (ГОСТ 8559-75, ГОСТ 8560-78, ГОСТ 7417-75), шлифованный пруток и серебрянка (ГОСТ 14955-77), полоса (ГОСТ 4405-75, ГОСТ 103-2006), поковки и кованые заготовки (ГОСТ 1133-71).
Обрабатываемость резанием:
твёрдый сплав Kv = 0,8
быстрорежущая сталь Kv = 0,3
Химический состав материала 13Х11Н2В2МФ представлен в таблице ниже:
|
Химический элемент |
% |
|
|
Ванадий (V) |
от 0,18 до 0,30 |
|
|
Вольфрам (W) |
от 1,6 до 2,0 |
|
|
Кремний (Si) |
до 0,6 |
|
|
Марганец (Mn) |
до 0,6 |
|
|
Медь (Cu) |
до 0,3 |
|
|
Молибден (Mo) |
от 0,35 до 0,5 |
|
|
Никель (Ni) |
от 1,5 до 1,8 |
|
|
Сера (S) |
до 0,025 |
|
|
Углерод (C) |
от 0,10 до 0,16 |
|
|
Фосфор (P) |
до 0,03 |
|
|
Хром (Cr) |
от 10,5 до 12 |
|
|
Железо (Fe) |
от 81 до 86 |
1.1.5 Технологичность конструкции детали
Стакан представляет собой тело вращения с наружной и внутренней цилиндрической канавками, коническим торцом, шпоночным пазом по внутренней цилиндрической поверхности, четырьмя шлицами на наружной цилиндрической поверхности и рядом отверстий на торцах, в том числе с резьбой.
Большинство поверхностей вращения детали имеют 12 квалитет точности и шероховатость 3,2 мкм, их получение возможно механической обработкой на универсальном токарном оборудовании. Внутренняя цилиндрическая поверхность «Стакана» диаметром 60 мм является посадочной, должна быть выполнена по 8 квалитету и иметь шероховатость 2,5 мкм, её не трудно выполнить на внутришлифовальном оборудовании. К торцам детали и наружной цилиндрической поверхности диаметром 260 мм предъявлены требования к биению до 0,02 мм и шероховатостью 2,5 мкм, их можно обеспечить на современном круглошлифовальном оборудовании. К конической поверхностям на торце не предъявлено жёстких требований, их выполнение возможно в конце обработки детали, благодаря чему деталь не потеряет жёсткости. Шпоночный паз имеет стандартные значения, требования к нему обеспечиваются инструментом. Шлицы так же имеют стандартные значения, требования к шероховатости 3,2 мкм соответствуют чистовой обработке, доступны для обработки на фрезерном оборудовании. 24 одинаковые отверстия на большем торце диаметром 6 мм необходимо выполнить с точностью по 8 квалитету и имеют позиционный допуск к расположению, что без труда можно получить развёртыванием стандартным инструментом на современном оборудовании с ЧПУ, либо применением специальной оснастки. Резьба М8 5Н6Н стандартная, точность обеспечивается инструментом.
Деталь имеет габариты 260 х 139 и массу 4,5 кг, значит для транспортировки между отдельными операциями не понадобится отдельного оборудования. Деталь около 12 разнообразных поверхностей. Все поверхности доступны для обработки стандартным инструментом. Все плоскости, за исключением конуса, расположены либо перпендикулярно друг к другу, либо параллельно. Стакан относиться к деталям типа диска, т.к. d » l, поэтому в дальнейшем будет базироваться как диск. Конструкция не накладывает никаких ограничений по жесткости, учитывающихся при разработке режимов резания.
С учетом всех характеристик и с заданной программой (1000 деталей в год) данная деталь является технологичной и удобной для обработки.