Материал: СТОА Коваль А.М

Внимание! Если размещение файла нарушает Ваши авторские права, то обязательно сообщите нам

4 Обоснование исходных данных для выполнения модернизации технологического оборудования

4.1 Перечень технических характеристик модернизируемого оборудования

Исходные данные для проектирования представлены в таблице 4.1.

Таблица 4.1 – Исходные данные для проектирования

Наименование параметра

Обозначение

Значение

1

2

3

Характеристики указанные в задании

Грузоподъемность, кг

Т

4000

Тип

Стационарный

Мощность электродвигателя, кВт

N

4,0

Питание сети, В/Гц

380/50

Привод

Электро-гидравлический

Высота подъема, мм

Н

1957

Характеристики принятые

Габаритная

высота max, мм

4170

Масса в сборе, кг

700

Степень подвижности

стационарный

Привод рабочего органа

электрогидравлический

Время подъема и опускания, сек

30

30

Длинна лапы передней, мм

550-1106

Длинна лапы задней, мм

876-1472

Подхват, мм

95

Расстояние между колонами, мм

2825

Диапазон регулировки подхвата, мм

95-155

Общая ширина, мм

3440

Объем бака гидронасоса, л

-

Давление в рабочей полости, МПа

25

Звенность

3

Производительность насоса, л/мин

13

Перечень функций

Опускание автомобиля при отсутсвии напряжения

+

Система запирания лап от проворачивания

+

Поднятии и опускание автомобиля с кнопки

+

Перечень операций

Проведение технического обслуживания и технического ремонта

ходовой части

+

Окончание таблицы 4.1

1

2

3

Проведение технического обслуживания и технического ремонта

трансмиссии

+

Проведение технического обслуживания и технического ремонта

двигателя

Перечень инструмента

Анкерные болты

+

Комплект опор для вывешивания рамных автомобилей

+

Резиновые накладки на стойки

+

Выбор исходных данных для проектирования основан на данных модернизируемой модели подъемника, а именно Rotary SPOA40E-5-EH2GR и данных, указанных в задании.

4.2 Выбор и обоснование данных для выполнения расчета по модернизации оборудования Rotary spoa40e-5-eh2gr

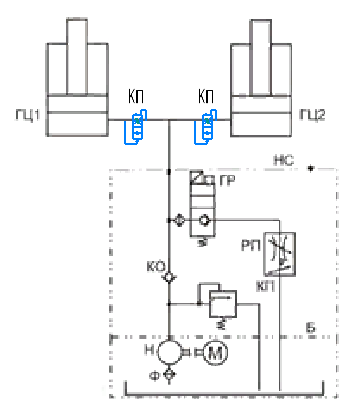
Схема гидронасоса с электромотором представлены на рисунке 4.1.

Б – Гидробак, ГЦ1 – ГЦ2 – гидроцилиндры, КП – клапан парашютный, КО – клапан обратный, КП – клапан предохранительный, ГР – гидрораспределитель, РП – регулятор потока, М – электродвигатель, Н – гидронасос, Ф – фильтр, НС – насосная станция.

Рисунок 4.1- Гидронасос с электромотором двухстоечного подъемника с верхней синхронизацией

Расчитаем гидроцилиндр.

Усилие на штоке для перемещения груза равно:

(4.1)

где G – грузоподъемность, кг

g − ускорение свободного падения, см², g = 9,81;

(4.3)

где р – номинальное рабочее давление гидроцилиндра, МПа;

ηмех – механический КПД гидроцилиндра: ηмех = 0,95.

мм.

Расчетное значение D = 63 мм округляем до ближайшего стандартного (ГОСТ 12447–80). Выбираем тип, размер и конструкцию гидроцилиндра, выбираем ЦГ-63.40х182.11.

Таблица 4.2 – Технические характеристики выбранного цилиндра

Наименование параметра

Значение

Номинальное давление Pном, МПа

25

Диаметр цилиндра D, мм

63

Диаметр штока D, мм

40

Выполним расчет расхода жидкости привода.

Расход рабочей жидкости для поршневой полости

(4.4)

где об – объемный КПД гидроцилиндра: об = 0,98.

Скорость штока при подъеме платформы

(4.5)

где F – ход штока, мм;

t время подъема, с.

м/c.

(4.6)

(4.7)

Подачу (производительность) насоса постоянной производительности рассчитывают по уравнению:

, (4.8)

где Qmax − максимальный из рассчитанных расходов;

Qга − суммарные объемные потери в гидроаппаратуре предлагаемой схемы привода;

Qкл − расход масла через предохранительный клапан, необходимый для обеспечения устойчивой работы привода;

n − количество гидроаппаратов на напорной гидролинии привода.

Объемные потери в гидроаппаратах определяются по уравнению:

, (4.9)

где rГА − удельная утечка (ориентировочно для гидроаппаратуры rГА = 0,017 см3/(Мпа/с), гидроцилиндра rц = (0,034/0,05) см3/(Мпа/с), гидромотора чд = (0,8/1,2) см3/(МПа);

рц − максимальное рабочее давление в гидродвигателе (при рабочих подачах с FHM).

Технические характеристики выбранного цилиндра представлены в таблице 4.2.

По основным параметрам гидроцилиндра, а именно, по рабочему давлению р и расходу рабочей жидкости Q, подбираем гидронасос с учетом запаса. Гидронасос БГ11-22.

Выбираем гидробак, объем которого равен двукратной подаче насоса.

Технические характеристики выбранного насоса представлены в таблице 4.3.

Таблица 4.3 – Технические характеристики выбранного насоса

Наименование параметра

Значение

Номинальное давление Pном, МПа

25

Производительность насоса,

1,08

Напор,атм

25

Масса, кг

27

Подберем электродвигатель. Мощность потребляемая двигателем:

(4.10)

где κ − коэффициент запаса (принимается из интервала 1,1 – 1,4). Принимаем ;

γ − удельный вес перекачиваемой жидкости, Н/м³, γ=8810;

Q − производительность насоса, м³/с;

Н − напор насоса, м;

ηp − кпд передачи (при непосредственном соединении насоса с двигателем ηp = 1);

ηn − кпд насоса, ηn = 0,65.

Выбираем электродвигатель типа АИРЕ80C4: мощностью N = 3,0 кВт; число оборотов − 1800 об/мин.; массой − 15 кг.