Материал: sb000034

Внимание! Если размещение файла нарушает Ваши авторские права, то обязательно сообщите нам

логично из зависимости lnβR от lnIe. В этом случае NC =∆lnIe/ (∆lnIe

– ∆lnβR)= 1,29.

Токи насыщения эмиттерного и коллекторного переходов (Ise, Isc).

Данные токи могут быть получены, как следует из рис. 1.1, делением Is на максимальное значение β в нормальном и инверсном активных режимах соответственно. Для нормального активного режима это 0,088 пА, для инверсного – 1,98 пА.

Коэффициент расщепления ѐмкости коллектор–эмиттер (XCJC). Ко-

эффициент расщепления, обозначаемый обычно XCJC, определяется от-

ношением площадей эмиттера и базы AE и AB. Для их определения был вскрыт корпус одного экземпляра транзистора П306. Измерение произво-

дились с помощью микроскопа МБС-9. Диаметры областей эмиттера и базы определялись по размерам контактов к эмиттерной и коллекторной об-

ластям и составили 2,5 и 4 мм. Соответственно, XCJC =(1 – AE/AB)=0,61.

Параметры, определяющие сопротивление базы (RBB). Модель Гум-

меля – Пуна использует два значения сопротивления базы – RB и RBM

при нулевом смещении и минимальное. Кроме того, необходимо задать ток IRB, соответствующий половинному сопротивлению – (RB + RBM)/2. Для определения этих параметров используется импульсный метод измерения.

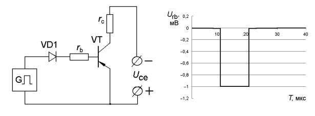
Рис. 1.10. Схема измерения сопротивления базы и осциллограмма изменения напряжения на сопротивлении rb

11

Схема содержит осциллограф С1-70, генератор импульсов G – Г5-28, способный работать на 75-омную нагрузку. Диод VD1, подключѐнный к ба-

зе должен иметь малую диффузионную емкость и ток утечки (диод с барьером Шоттки). Резистор rb=2 Ом, необходим для контроля тока базы.

Сопротивление коллекторной нагрузки rC составляет 510 Ом. Измерения проводятся для токов базы 0,5; 1; 2,5; 3,75; 10 и 50 мА.

Рис. 1.11. Осциллограмма напряжения

Рис. 1.12. Осциллограмма напряжения

Ube при токе базы 0,5 мА

Ube при токе базы 50 мА

На рис. 1.11 и 1.12 приведены осциллограммы напряжений на пере-

ходе база–эмиттер транзистора – Ube для токов базы 0,5 и 50 мА.

Рис. 1.13. Зависимость сопротивления базы от тока базы

На заднем фронте импульса образуется перепад напряжения, обусловленный влиянием сопротивления базы, а затем происходит медлен-

12

ный разряд емкости эмиттер–база. Перепады напряжений ∆Ube в моменты времени T=20 мкс, позволяющие определить RB, составляют 60, 85, 125, 160, 360 и 610 мВ соответственно. Отсюда, RB =∆Ube/(Urb/rb) составляют

120, 85, 50, 42,67, 36 и 12,2 Ом. Зависимость сопротивления от тока базы

Ib приведена на рис. 1.13. Штриховой линией показана аппроксимация за-

висимости степенным рядом Microsoft Excel. Из данного рисунка можно определить значение сопротивления базы RB при нулевом токе 400 Ом. В

качестве второго значения берѐм минимальное – RBM=12,2 Ом. Из данно-

го рисунка определяем ток половинного сопротивления базы, который составляет около 0,4 мА.

Сопротивление эмиттера ( Re ). Для определения сопротивления эмиттерной области использовалась схема, показанная на рис. 1.14.

Рис. 1.14. Схема измерения

Рис. 1.15. Зависимость напряжения

сопротивления эмиттера

коллектор–эмиттер от тока базы

Здесь ГТ – генератор тока, входящий в состав измерительного стен-

да; PI – измеритель тока базы Ib; PV – измеритель напряжения коллектор– эмиттер Uce. В качестве PI и PV использованы универсальные вольтметры В7-27. Измерение производится при нулевом токе коллектора. Током утечки вольтметра PV можно пренебречь из-за его высокого внутреннего сопротивления.

Для определения значений, которые будут использованы в расчѐте

сопротивления эмиттера, необходимо построить зависимость напряжения

13

коллектор–эмиттер от тока базы и выбрать точки, лежащие максимально близко к "выбросу" кривой. Зависимость изображена на рис. 1.15.

Для проведения расчѐтов были выбраны точки (39,9; 195,3) и (40,1; 423). Сопротивление эмиттера определялось по формуле Re=Uce/∆Ib и

составило Re=(40,1–39,9)·10–3 /(423–195,3)·10–6= 0,878 Ом.

 

 

 

Сопротивление

коллектора

 

(RC). В отличие от измерения сопро-

 

тивления эмиттера,

сопротивление

 

коллектора измеряется при ненуле-

 

вых токах коллектора. Для получе-

 

ния исходных характеристик ис-

 

пользуется схема, изображѐнная на

 

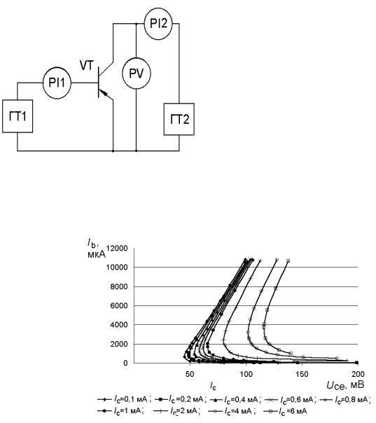
рис. 1.16. Здесь ГТ1 и ГТ2 – генера-

 

торы тока, задающие токи базы Ib и

Рис. 1.16. Схема измерения

коллектора IС ; PI1 и PI2 – измери-

сопротивления коллектора

 

 

 

тели токов базы и коллектора; PV –

измеритель напряжения коллектор–эмиттер Uce.

Рис. 1.17. Зависимости Uce от Ib для разных токов коллектора

Снимаются зависимости напряжения коллектор–эмиттер от токов базы при фиксированных токах коллектора. Результаты измерений приведены на рис. 1.17. Сопротивление коллектора в нормальном активном режиме определяется в точках, расположенных поблизости от "выброса"

14

кривых, для которых IC/Ib=const. Расчѐтная формула выглядит следующим образом: RC=∆Uce/∆IC. Для вычислений взяты следующие точки, соответствующие средним значениям токов коллектора (~5 мА): IC1=4 мА,

Ib1=3,24 мА, Uce1=102 мВ и IC2=6 мА, Ib2=3,71 мА, Uce2=116 мВ. В результа-

те получим RC=6 Ом.

Определение ѐмкостей переходов. Для определения ѐмкостей пере-

ходов при нулевом смещении CJC и Cje (коллекторного и эмиттерного со-

ответственно), коэффициентов MJC и MJE, характеризующих профиль ле-

гирования перехода, и контактных разностей потенциалов UJC и UJe пере-

ходов измеряют вольт-фарадные характеристики с помощью измерителя Е7-12. Определим указанные коэффициенты для эмиттерного перехода.

На рис. 1.18 приведена зависимость емкости коллекторного перехода от

напряжения на переходе. Для определения MJC, MJE, UJC и UJe удобно построить зависимость (CJe Ck)--1/MJE = f(UBE).

Рис. 1.18. Зависимость 1/C2 от напряжения Ubc коллекторного перехода

Учитывая тот факт, что паразитные ѐмкости переходов Ck, измерен-

ные в пустом корпусе транзистора, составляют 1,24 пФ для коллекторного перехода и 0,43 пФ для эмиттерного, их можно не учитывать в силу мало-

сти по сравнению с ѐмкостями самих переходов. При получении линейных зависимостей от напряжения на переходе в режиме обратного смещения

15