Материал: sb000034

Внимание! Если размещение файла нарушает Ваши авторские права, то обязательно сообщите нам

параметры БТ для модели Гуммеля – Пуна. Далее рассматриваются методы измерения параметров выпускаемого отечественной промышленностью транзистора П306. Измерения проводятся с помощью измерительной установки на основе универсального лабораторного стенда 87Л01 "Луч" (рис. 1.2), содержащего коммутационную плату, ряд измерительных приборов, генераторы напряжения ГН и тока ГТ.

При необходимости в качестве источников напряжения Ube и Uce использовались стабилизированные блоки питания Б5-46 и Б5-50, а в качестве измерителей токов PA и напряжений PV универсальные электронные вольтметры В7-27. Для измерения малых токов использовался универсальный вольтметр-электрометр В7-30.

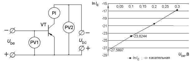
Ток насыщения IS. Для определения тока насыщения транзистора IS необходимо получить зависимость lnIC от Ube = U. Схема для измерения указанных характеристик приведена на рис. 1.3. Здесь PI – измеритель тока коллектора (В7-30), PV1 и PV2 – измерители напряжения Ube и Uce соответственно (В7-27). В качестве источников напряжений Ube и Uce использовались стабилизированные блоки питания Б5-46, позволяющие регулировать выходное напряжение с шагом 10 мВ. Зависимость lnIC от Ube = Uприведена на рис. 1.4.

Рис. 1.3. Схема измерения IS

Рис. 1.4. Зависимость lnIC=f(Ube)

Зависимость тока коллектора от напряжения представляет собой экспоненциальную зависимость и, соответственно, линейную зависимость в логарифмических координатах. Поэтому ток насыщения транзистора оп-

ределяется по точке пересечения касательной с вертикальной осью коор-

динат: IS = exp(–27,59)=1,04 пА.

6

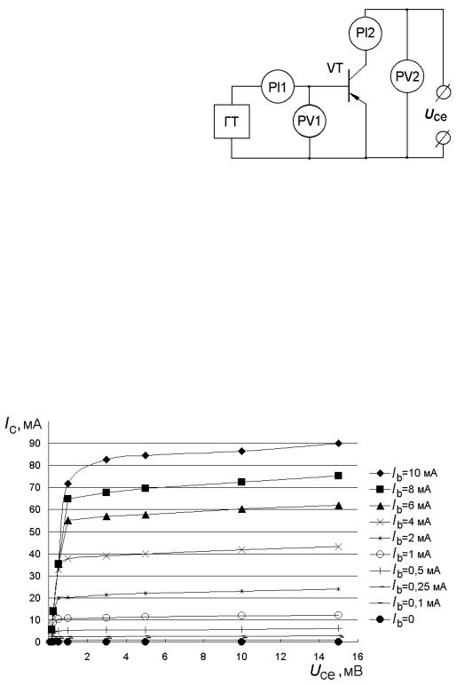
Рис. 1.5. Схема измерения выходных характеристик транзистора.

Коэффициенты передачи по току βF и βR определяются как отноше-

ние тока коллектора к току базы в прямом активном режиме и отношение тока эмиттера к току базы в обратном активном режиме. В модели Гуммеля – Пуна они вычисля-

ются по абсолютным значениям токов базы и коллектора βF и базы и эмиттера βR, а не по их прира-

щениям. Для этого используются выходные характеристики, полученные с помощью измерительной схемы (рис. 1.5). Здесь ГТ – гене-

ратор тока из состава лабораторного стенда; PV1 и PV2 – измерители на-

пряжений Ube и Uce соответственно; PI1 и PI2 – измерители токов базы Ib и

коллектора IС соответственно.

Для получения выходных характеристик в активном инверсном режиме работы транзистора использовалась та же схема, только выводы кол-

лектора и эмиттера менялись местами.

Рис. 1.6. Выходные характеристики транзистора в нормальном активном режиме

7

Результаты измерений в нормальном активном режиме приведены на рис. 1.6, для инверсного активного режима – на рис. 1.7. График зависи-

мости для βF строится из рис. 1.6 для заданного напряжения коллектора

Uce =10 В, соответствующего выбранной рабочей области работы бипо-

лярного транзистора. Для βR график строится аналогично из рис. 1.7 при

Uec =10 В. Выбираются максимальные значения βF и βR. Таким образом, βF =11,8 и βR =0,527.

Рис. 1.7. Выходные характеристики транзистора в инверсном активном режиме

Коэффициенты неидеальности переходов в нормальном и инверсном режимах NF и NR. Для нормального режима коэффициент неидеальности

NF определяет отличие наклона зависимости lnIC lnIbe1=f(Ube) от величи-

ны 1/UT. Следовательно, он может быть определѐн с помощью рис. 1.4 из соотношения ·∆lnIC /∆Ube = NF /UT. Отсюда коэффициент неидеальности

NF =·∆Ube/ (UT∆lnIC). В данном случае NF =0,927. Чтобы получить анало-

гичные зависимости для инверсного режима, т. е. lnIe=f(Ubc), поменяем местами коллекторный и эмиттерный выводы. Используем для определе-

ния NR выражение, аналогичное выражению для определения NF:

NR= Ubc / (UT∆lnIe) =0,966.

Напряжение Эрли (UA) в нормальном активном режиме работы тран-

8

зистора определяется построением касательных к ветвям выходных характеристик в области их насыщения. График, иллюстрирующий опреде-

ление напряжения Эрли, приведѐн на рис. 1.8. Здесь показаны только две из пятнадцати ветвей выходных характеристик, чтобы не загружать гра-

фик (для Ib=10 мА и Ib=0,5 мА), и касательные к ним, построенные по на-

клону выходных характеристик в области Uce = 5…10 B. Пересечение ка-

сательных происходит при напряжении примерно –218 В. Следовательно,

напряжение Эрли в нормальном активном режиме составляет

UAF = 218 В. Такое его значение говорит о том, что эффект модуляции ширины базы выражен очень слабо и возможная погрешность в определении напряжения Эрли не окажет существенного влияния на точность моделирования.

Рис. 1.8. Определение напряжения Эрли по выходным характеристикам

Аналогично может быть получено напряжение Эрли в инверсном ре-

жиме работы. Оно составляет UAR =150 В.

Ток начала спада зависимости β при малых токах эмиттера (IKF). В

компьютерных программах, использующих модель Гуммеля – Пуна, зависимость β от тока коллектора (или эмиттера) представляется в виде трѐх отрезков прямых, моделирующих зависимость β в областях малых, сред-

9

них и больших токов. Для корректной работы программы необходимо задать значение β в области средних токов (определены ранее) и точку пе-

рехода от горизонтального отрезка зависимости для средних токов к на-

клонному для больших. Данные токи, обозначаемые IKF (forward beta roll– off corner current) или IKR (reverse beta roll–off corner current), могут быть определены из зависимостей lnβF от lnIC или lnβR от lnIe соответственно.

Эта зависимость, полученная из графика для βF, приведена на рис. 1.10.

Находим точки пересечения касательной 2 с прямой βF=const и определя-

ем IKF = exp(5,05)=156 мА, IKR= exp(0,2)=1,22 мА.

Рис. 1.9. Определение тока IKF перехода в режим больших токов

Коэффициенты неидеальности эмиттерного и коллекторного перехо-

дов (NE и NC). Здесь NE это base–emitter leakage emission coefficient и NC

base–collector leakage emission coefficient , соответственно. Определяет-

ся NE по наклону зависимости lnβF от lnIC в области малых токов. Данная зависимость приведена на рис. 1.9. Здесь NE определяется с помощью касательной 1. Тогда можно определить значение NE из соотношения

∆lnβF/∆lnIC=1–1/NE. Отсюда NE=∆lnIC /(∆lnIC–lnβF)=1,40. NC определим ана-

10