Федеральное агентство по образованию
____________________________
Санкт-Петербургский государственный
электротехнический университет "ЛЭТИ"
___________________________________________________
МОДЕЛИРОВАНИЕ БИПОЛЯРНОГО ТРАНЗИСТОРА ПРИ ПРОЕКТИРОВАНИИ ЭЛЕКТРОННЫХ СХЕМ
Методические указания к выполнению курсовой работы по дисциплине
"Твердотельная электроника"
Санкт-Петербург Издательство СПбГЭТУ "ЛЭТИ" 2006
УДК 621.382
Моделирование биполярного транзистора при проектировании электронных схем: Методические указания к выполнению курсовой работы по дисциплине "Твердотельная электроника" / Сост.: Б. В. Иванов, А. Д. Тупицын. СПб.: Изд-во СПбГЭТУ "ЛЭТИ", 2006. 32 с.
Курсовая работа по дисциплине "Твердотельная электроника" посвящена экспериментальному исследованию параметров биполярного транзистора для настройки его моделей, проектированию усилителя низкой частоты, использующего этот транзистор, и экспериментальному исследованию этого усилителя. Целью работы является изучение и исследование основных параметров биполярного транзистора, определяющих работу линейного усилителя низкой частоты, на основе математических моделей и экспериментальных измерений.
Методические указания предназначены студентам, обучающимся по направлению 210100 (654100) "Электроника и микроэлектроника".
Утверждено редакционно-издательским советом университета
в качестве методических указаний
© СПбГЭТУ "ЛЭТИ", 2006
2
1. МОДЕЛИРОВАНИЕ БИПОЛЯРНОГО ТРАНЗИСТОРА
1.1. Модель Гуммеля – Пуна биполярного транзистора
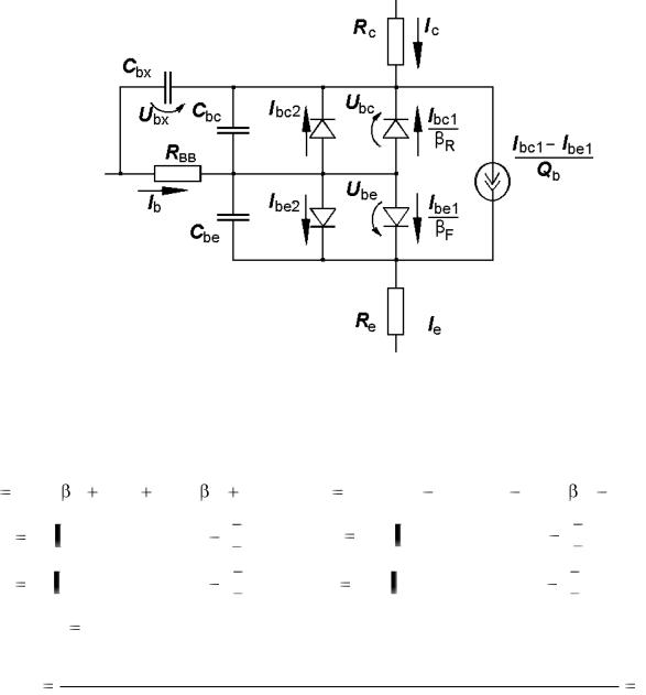
Для расчета электронных схем, использующих биполярные транзисторы (БТ), важно выбрать модель транзистора достаточно адекватную и простую. В широком спектре моделей БТ следует выделить модель Гуммеля – Пуна, относящуюся к нелинейным схемным моделям (рис. 1.1), которая позволяет учесть эффекты, возникающие при больших смещениях на переходах [1]–[4]. Главным достоинством этой модели является то, что она в большинстве случаев позволяет получить физически интерпретируемый результат.
Рис. 1.1. Модель Гуммеля – Пуна n–p–n-транзистора
Статический режим работы транзистора описывается следующими
соотношениями:
Ib |
Ibe1 / F |
Ibe2 Ibc1 / R |
Ibc2 , |
IC |
Ibe1 / Qb Ibc1 / Qb Ibc1 / R Ibc2 , |
|
Ibe1 |
IS exp(Ube /(NFUT )) |
1 , |
Ibe2 |
ISE exp(Ube /(NEUT )) |
1 , |
|
Ibc1 |
IS exp(Ubc /(NRUT )) |
1 , |
Ibc2 |
ISC exp(Ubc /(NCUT )) |
1 . |
|
Здесь UT |
0,0259 В – тепловой потенциал. |
|
||||
Qb
Заряд основных носителей в базе
Заряд основных носителей в базе при нулевом смещении
3
Q [1 (1 |
4Q |
2 |
)NK ] / 2 |
, Q 1/(1 |
U |
bc |
/U |
AF |
U |
be |
/U |
AR |
), |
1 |
|
|
1 |
|
|
|
|
|
|||||
|
|
|
Q2 Ibe1 / IKF |
Ibc1 / IKR . |
|
|
|
|
|
||||
Объемное сопротивление базы RВВ характеризуется двумя составляющими. Первая составляющая RB определяет сопротивление вывода базы и сопротивление внешней области базы, которое не зависит от тока базы Ib. Вторая составляющая RBM характеризует сопротивление активной области базы, находящейся непосредственно под эмиттером; это сопро-
тивление зависит от тока Ib. Объемное сопротивление базы RBB опреде-
ляется следующими выражениями в зависимости от параметра IRB:
|
RBM |
(RB |
RBM ) / Qb |
|
|
при IRB |
; |
RBB |
|
|
X ) /( X tg2 X ) при IRB |
0 , |
|||
|
R |
3(R |
R )(tg X |
||||
|
BM |
B |
BM |
|
|
|
|
|
|
|
|
|
|
|
|
где X ( 1 14,59025Ib / IRB |
1) /(2,4317 |
|
Ib / IRB ) . |
|
|||
Динамические свойства переходов учтены включением в модель емкостей коллектора, эмиттера и подложки, которые имеют диффузионные и
барьерные составляющие. |
|
|
|
|
|
|
|
|
|
|
|
|
|
|
|
|||||||
Емкость |
перехода |
база–эмиттер |
|
имеет |
вид |
Cbe |
Ctbe |
|
Cjbe, |
|||||||||||||
где Ctbe |
tfGbe – диффузионная емкость, |
Gbe |
dIbe / dUbe |
– дифферен- |
||||||||||||||||||
циальная проводимость |
перехода |
база |
– |
эмиттер |
в |
рабочей |
|
точке, |
||||||||||||||
tf TF[1 |
XTF (3x2 |
2x3 ) exp(Ubc /(1,44 UTF )], |
x |
Ibe1 /(Ibe1 |
ITF ); Cjbe – барь- |
|||||||||||||||||
ерная |
емкость, |
определяемая, |
как |
Cjbe |
Cje (1 |
Ube / U je ) MJE |
|
при |
||||||||||||||
U |
FC U |
je |
и |
C |
jbe |
C |
je |
(1 FC) |
(1 MJE )[1 |
FC(1 |
MJE) |
MJE U |
be |
/ U |
je |
|||||||
be |
|
|
|
|
|
|
|
|
|
|
|
|
|
|
|
|
||||||
при Ube >FC·Uje.
Емкость перехода база – коллектор расщепляется на две составляющие:
1) емкость между внутренней базой и коллектором Cbe:
Cbc Ctbc XCJC
Cjbc , где Ctbc TR
Gbc и Gbc dIbc1 / dUbc ;
4
C |
jbc |
C |
jc |
(1 |
U |
bc |
/ U |
jc |
) MJC |
при U |
FC U |
jc |
и |
|
|
|
|
|
|
bc |
|
|
|||||
Cjbc |
Cjc (1 |
FC) (1 |
MJC )[1 |
FC(1 MJC) |
MJC Ubc / U jc ] при Ubc >FC·Ujc; |
||||||||
2) емкость между внешним выводом базы и коллектором Cbx:
C |
C |
jc |
(1 |
X |
CJC |
)(1 |
U |
bx |
/ U |
jc |
) MJC |
при U |
|
FC U |
jc |
и |
|
bx |
|
|
|
|
|
|
|
bx |
|
|
|
||||||
Cjbc |
Cjc (1 |
XCJC )(1 |
FC) (1 MJC )[1 |
FC(1 |
MJC) |
MJC Ubx / U jc ] при |
|||||||||||
Ubc |
FC Ujc . Модель Гуммеля – Пуна включает многие физические эф- |
||||||||||||||||
фекты и позволяет рассчитывать характеристики электрических цепей с биполярными транзисторами в качестве активных элементов при доста-
точно умеренных вычислительных затратах.
1.1.1. Измерение основных параметров транзистора для модели Гуммеля – Пуна
Компьютерные программы схемотехнического моделирования использующие SPICE-технологию, как правило, имеют библиотеки полупроводниковых приборов, содержащие параметры их моделей. Для биполярных транзисторов – это параметры модели Гуммеля – Пуна, поставляемые фирмами, производящими транзисторы.
Рис. 1.2. Стенд для исследования параметров транзистора
Однако не все существующие БТ представлены в этих библиотеках. Кроме того, из-за разброса параметры реального БТ отличаются от параметров базового. В этом случае необходимо экспериментально измерить
5