П2 |
У2 |
к2 |
в2 |
d |
d |
d |
d |
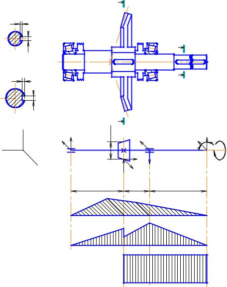
Р и с. 4.3. Типовая конструкция тихоходного вала
Для тихоходного вала выбираем материал – сталь 40Х, термообработка – улучшение. Твердость НВ232…264 (табл. П5).
Эскизная компоновка (рис. 4.4) выполняется на миллиметровой бумаге формата А1 карандашом в тонких линиях, желательно в масштабе 1:1, и должна содержать одну проекцию – разрез по осям валов.
Предварительно выбираем роликовые конические радиальноупорные подшипники (табл. П35). Параметры подшипников средней (легкой) серии выбираем по диаметру dП1 и dП2 (табл. П39) и заносим их в табл. 4.4.
Таблица 4.4
Параметры подшипников
Вал |
|
Подшипники |
|
|||
|
Обозначение |
d×D×B |
Сr, кН |
Сo, кН |
α, град |
е |
|
|
(T), мм |
|
|
|
|
|
|
|
|
|
|
|
Быстроходный |
|
|
|
|
|
|
Б1 |
|
|
|
|
|
|
Тихоходный |
|
|
|
|
|
|
Т2 |
|
|
|
|
|
|
|
|
|
|
|
|
|
Расстояния ∆3, а1,а2 ,l3 определяем так же, как и в п. 3.5. Выбираем смазывание подшипников пластическим смазочным материалом, так как один из подшипников быстроходного вала удален. Принимаем расстояние от торца подшипников до внутренней стенки корпуса редуктора ∆3=10 мм для установки мазеудерживающих колец.
65
Расстояние от точки приложения радиальной реакции подшипника до точки приложения силы давления ременной передачи, мм, l0=dП1+0,65dв1+a1.
Диаметры ступицы колеса, мм,
dcm2=1,6dк2.
Длина ступицы колеса, мм, lcm2=(1,2…1,5)dк2.
Толщина обода колеса, мм,
|
|
δ0=(3…4)т. |
|
|
||
|
|
|
|
2 |
D |
|
|
|
|
|
a |
|
|
|
|
|
|
|
r |
|
|
|
|
|
|
F |
|
|
3 |
|
R |
|
|
|
T1 |
|
|
e |
|
|
|
|
b |
|
|
|
|
|
|
|
|
|
|
||
|
|
/ |
|
|
|
|
|
|
|
2 |
|
|
|
|
|
|
|
|
|
|
|
|
|
|
|
|
|
|
|
|
|
1 |
|
|
|
|
|
|
A |
|
2 |
|
|
|
|
|
|
|
|
|
|
1 |
|
|
c |
|
|
1 |
d |
|
2 |
|
|
|
|
т |
|
||
|
|
|
|
с |
|
|
|
|
|
|
l |
|
|
a1 |
a1 |
|
|
|
|
|
|
|
|
|
|
|
|
|
|
|
|
|
|
|
|
|
|
|
|
|
|
|
|
|
|
A |
o |
|
F |
F |
|
|
|
2 |
|
1 |
|
|
||||
rB |
rA |
|
|
|
f |
|
l |
c1 |
f1 |
|
|
rC |
|
o |
|
|
|
|||
|
|
|
2 |
|
F |
|
|
|
|
2 |
|
3 |
|
|
|
T |
a |
|
||
|
|
|
l |
|||
Р и с. 4.4. Пример эскизной компоновки конического редуктора |
||||||
Диаметр и длину ступицы и толщину обода округлить до ближайшего стандартного значения из ряда Ra40.
Зазор между торцом ступицы и внутренней стенкой корпуса ∆1=1,2δ, где δ=0,05Re+1 – толщина стенки корпуса редуктора
(δ≥8 мм).
Зазор между колесом и внутренней стенкой корпуса ∆2=δ. Зазор между колесом и дном корпуса ∆0≥4δ.
Принимаем расстояние между реакциями подшипников быстроходного вала с1≈(1,4…2,3)f1 , где f1 – расстояние от среднего дели-
66
тельного диаметра шестерни (d1) до реакции подшипника, определенное замером.
Измерением находим расстояние А от линии реакции подшипника до оси быстроходного вала и расстояния с2 и f2.
4.6.ОПРЕДЕЛЕНИЕ ОПОРНЫХ РЕАКЦИЙ. ПОСТРОЕНИЕ ЭПЮР МОМЕНТОВ. ПРОВЕРОЧНЫЙ РАСЧЕТ ПОДШИПНИКОВ
Пример расчетной схемы вала – шестерни приведен на рис. 4.5.
|
|
|
1 |
|
RxB |
R |
d |
|
|
||
|
|
yA |
|
|
В |
А |
|
Т |
RyB |
R |
Fa1 |
1 |
|||
|
|
xA Fr1 |
F |
|
|
|
t1 |
y
c1 |
f1 |
z |
|
x |
M |
y |
|
|
Mx
T1 =Tz
Р и с. 4.5. Расчетная схема вала-шестерни
67
Реакции в опорах А и В, Н: в плоскости XZ
RXB=Ft1∙f1/c1 ; RXA=Ft1(f1+c1)/c1;
проверяем: RXB + Ft1- RXA=0; в плоскости YZ
RYВ= Fr1 f1 0,5Fa1 d1 ; c1
RYA= Fr1(c1 f1) 0,5Fa1 d1 ; c1
проверяем: RYВ+Fr1 – RYA=0. Суммарные реакции в опорах, Н:
FrA=
RXA2 RYA2 ;
FrB=
RXB2 RYB2 .
Осевые составляющие радиальных реакций подшипников
SA=0,83eFrA ; SB=0,83eFrB.
Определяем осевые нагрузки подшипников. Принимаем FaA=SA , тогда FaB=Fa1+SA; если FaВ<SB ,то принимаем FaВ= SB, тогда FaA= SB-Fa1.
Эквивалентные нагрузки подшипников, Н:
PЭА=(XVFrA+YFaA)kТ∙kб; PЭВ=(XVFrB+YFaB)kТ∙kб,
где коэффициент вращения V=1; температурный коэффициент kT=1; коэффициент безопасности kб=1 при спокойной нагрузке (без толчков); kб=1…1,2 при легких толчках; kб=1,3…1,8 при умеренных толчках (редукторы всех типов); коэффициенты X и Y определяются по табл. П41.
Расчетную долговечность определяем по наиболее нагруженному подшипнику:
|
Сr |
3 |
|
10 |
6 |
|
Lh= |
|
|
|
L , |
||
|
60п |
|||||
|
P |
|
hTp |
|||
|
Э |
|
|
1 |
|
|
где LhTp – требуемая долговечность (см. п. 3.6).
Пример расчетной схемы тихоходного вала приведен на рис. 4.6. Дальнейший расчет аналогичен расчету быстроходного валашестерни.
68
|
|
Б |
|
|
|
|
|
А-А |
|
|
|
|
|
|
|
t1 |
|
|
|
|
|
|
|
|
|
|
|
|
А |
|
|
b |
|
|
|
|
|
|
|
Б-Б |
|
|
|
|
|
|
|
t1 |
|
|
|
|
А |
|
|
|
|
|
|
|
|
|
|
b |
|
|
|
|
|
|
|
y |
|
Б |
|
|
|
|
|
R |
d |
|
RxC |
F |
|
Fвy |
|
|
|
||||||
|
|
2 |
|
|
|
|
|
z |
yD |
|
|
|
вx |
|
|
|
|
|
|
|
|
|
|
RxD |
D |
|
|
C |
|
|
|
x |
|
|
F |
RyC |
|
|
Т2 |
|
|
|
|
|
|||
|
|
Fr2 |
a2 |
|
|
|
|
|
|
F |
|
|
|
|
|
|
|
|
t2 |
|
|
|
|
|
|
c2 |
f2 |
|
l3 |
|
|
My |
|
|
|
|
|
|
|
Mx |
|
|
|
|
|
|
|
|
|
Tz =T2 |
|
|
|
|
|
Ри с. 4.6. Расчетная схема тихоходного вала
4.7.КОНСТРУКТИВНАЯ КОМПОНОВКА ПРИВОДА
Конструктивная компоновка редуктора (рис. 4.7) выполняется на базе эскизной компоновки (см. рис. 4.4).
Коническую шестерню выполняем заодно с валом (валшестерня). Конструктивные размеры конического колеса (рис. 4.8) приведены в табл. 4.5. Конструктивные размеры корпуса редуктора приведены в п. 3.7 (см. рис.3.12, табл. 3.8). Для заливки масла и осмотра передачи в крышке корпуса делаем окно, закрываемое крышкой (см. табл. 3.12). Под крышку люка ставим прокладки из картона
69