Материал: Проектирование узловой участковой станции (2)

Внимание! Если размещение файла нарушает Ваши авторские права, то обязательно сообщите нам

Условные обозначения: 1 – ремонтные цеха; 2 – мастерские; 3 – служебно-технический корпус; 4 – материальный склад; 5 – склад колесных пар; 6 – стойла для реостатных испытаний тепловозов; 7 – экипировочное депо; 8 – служебно-техническое здание; 9 – склад сырого песка; 10

– пескосушилка; 11 – склады сухого песка; 12 – пескопроводы; 13 – пескораздаточные бункеры; 14 – склад масла; 15 – сливная эстакада; 16 –

склад топлива с резервуарами; 17 – топливопроводы и топливораздаточные колонки; 18 – устройства для наружной обмывки и санитарной обработки локомотивов; 19 – пути для отстоя локомотивов в ожидании работы; 20 – пути для стоянки локомотивов в резерве; 21 – пути стоянки пожарного и восстановительного поездов; 22 – пути ремонтного депо; 23 – ходовые пути; 24 – склад угля; 25 – котельная.

Рисунок 7.6 – Пример схемы ЛХ (основное депо) в осях путей (экипировочные устройства расположены под

углом в ремонтному депо)

111

В курсовом проекте проектируется пункт оборота, обеспечивающий выполнение экипировки и ТО-2 тепловозов и электровозов. Схема ЛХ для заданных условий (с пунктом оборота) представлена на рисунке 7.7.

Локомотивы с территории станции поступают на экипировочные позиции, где экипируются песком, смазочными маслами и обтирочными материалами (а тепловозы еще и топливом, охлаждающей жидкостью для дизелей и дистиллированной водой для аккумуляторов). Параллельно с экипировкой выполняется ТО-2. После этого локомотивы переставляются на пути отстоя в ожидании подачи к поездам или в резерв по неравномерности движения.

7.4 Проектирование устройств вагонного хозяйства

На участковых станция проектируются следующие устройства вагонного хозяйства:

пункты технического обслуживания и текущего ремонта вагонов

(ПТО);

механизированный пункт ремонта вагонов (МПРВ);

вагоноремонтные депо (ВРД).

ПТО располагают в непосредственной близости от приемо-

отправочных парков. Основные здания ПТО имеют размеры 24x12 м при обслуживании до 108 поездов в сутки и 42x12 м – при больших объемах работы. На станциях продольного типа рекомендуется проектировать два ПТО,

один из которых надлежит располагать в выходной горловине смещенного парка.

Для зарядки и испытания тормозов в поездах в приемо-отправочных парках прокладывается воздухопроводная сеть. Воздухозаборные колонки располагаются в междупутьях – в голове, хвосте и середине состава. Также в междупутьях шириной 5,6 м укладывают мощеные дорожки или узкоколейные

112

пути с передвижными ремонтными установками для перемещения запасных

частей и деталей в продольном направлении.

113

Условные обозначения: 1 – пути для пожарного и восстановительного поездов; 2 – пути для отстоя локомотивов в резерве; 3 – пути для стоянки готовых к работе локомотивов; 4, 5 – экипировочные позиции для электровозов и тепловозов соответственно; 6 – площадка для внутренней уборки и обдувки локомотивов; 7 – депо для технического обслуживания и экипировки со служебно-техническим зданием; 8

– склад масел; 9 – склад угля; 10 – повышенный путь для угля; 11 – котельная; 12 – склад сухого песка; 13 – склад сырого песка; 14 –

сливная эстакада; 15 – резервуары для дизельного топлива и масел; 16 – железобетонные резервуары для воды; 17 – насосная

Рисунок 7.7 – Схема локомотивного хозяйства в пункте оборота

114

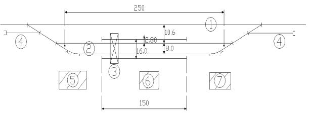
Для ремонта неисправных («больных») вагонов устраивают

механизированные пункты отцепочного ремонта (рисунок 7.8), которые рекомендуется располагать вблизи сортировочного парка, что обеспечит удобную подачу/уборку вагонов на ремонтные пути. Полезная длина ремонтных путей принимается не менее 250 м. Пункт оборудуется козловым краном с пролетом 16 м.

1 – крайний путь сортировочного парка;

2– ремонтные пути;

3– козловой кран;

4– предохранительные тупики;

5– мастерские;

6– кладовая запасных частей;

7– подстанция

Рисунок 7.8 – Схема механизированного пункта отцепочного ремонта вагонов

На многих участковых станциях устраиваются специализированные для

1–2 типов вагонов вагоноремонтные предприятия, которые целесообразно располагать на одной площадке с локомотивным депо, что позволяет использовать общие коммуникации – теплосеть, энергосеть, связь, водопровод,

канализацию и др.

115