Материал: Проектирование релейной защиты и автоматики блока генератор–трансформатор

Внимание! Если размещение файла нарушает Ваши авторские права, то обязательно сообщите нам

н = cosφ+jsinφ=0,85+j0,53

Значение числителя определяется графически, учитывая, что:

;

;;

.

Функция интегратора необходима для обеспечения непрерывности действия основной функции при выявленном недовозбуждении и качаний мощности, когда годограф сопротивления существенно меняется и может кратковременно выйти из области срабатывания основной функции.

В защите предусмотрена возможность блокировки при внешних К.З от органа Z.

При потере возбуждения или недовозбуждении генератора возникают опасные условия по напряжению с потерей устойчивости или выпадению из синхронизма.

Защита от потери возбуждения действует на отключения генератора от сети и торможение турбины.

Рис.2.7. Структурная схема защиты Ф<.

.11.2 Защита от асинхронного режима (Фz)

Назначение - защита от асинхронного режима без потери возбуждения (Фz) предназначена для ликвидации асинхронного режима генератора, характеризующегося большими колебаниями активной и реактивной мощности, что может привести к развитию крупных аварий. Защита выполняется на основе контроля сопротивления на зажимах генератора и имеет специальные характеристики срабатывания. Кроме того, контролируется нахождение годографа сопротивления в одном из четырех квадрантов комплексной плоскости сопротивлений.

Защита выполняется на основе дистанционного измерительного органа (ИО Z) и подключается к измерительным трансформаторам, установленным в цепи генератора. ИО Z включается на междуфазное напряжение и соответствующую разность фазных токов и имеет выходы Z1 и Z2.

Защита вводится в работу при включении генератора (блока) в сеть (срабатывание органа I>G) и блокируется при неисправности цепей переменного напряжения (срабатывание КИН).

Если электрический центр качаний расположен в генераторе или повышающем трансформаторе, то защита может действовать на отключение по I ступени при достижении заданного количества циклов скольжения, а при его расположении в линии связи с системой защита может действовать на отключение по II ступени после заданного количества циклов скольжения, которое должно выбираться больше, чем по I ступени.

Защита действует на отключение генератора от сети.

Рис.2.8. Структурная схема защиты Фz.

.12 Защита мощности (Р)

Назначение - защита обратной мощности, активной мощности, реактивной, направления мощности.

Защита РОБР срабатывает при отрицательном значении активной мощности генератора (когда генератор потребляет активную мощность из системы) в симметричном режиме, и не срабатывает при положительном значении активной мощности генератора (когда генератор выдает активную мощность в систему). Защита РАКТ срабатывает при положительном значении активной мощности генератора (когда генератор выдает активную мощность в систему) и не срабатывает при отрицательном значении активной мощности генератора (когда генератор потребляет активную мощность из системы). Защита обеспечивает компенсацию систематической постоянной по величине погрешности измерения, определяемой погрешностями трансформаторов тока и напряжения.

Защита подключается к трансформаторам тока и напряжения у выводов генератора на фазный ток и линейное напряжение. При малых уставках срабатывания Р (<0,02) зашита подключается к измерительным трансформаторам тока.

Защита действует на выходные цепи через выдержку времени.

.13 Защита частоты (F).

Назначение - защита от изменения частоты.

Защита от изменения частоты содержит следующие функциональные органы:

орган частоты с выходами срабатывания при повышении частоты (F>) и при понижении частоты (F<);

орган максимального напряжения (U>), контролирующий наличие входного напряжения и вводящий в действие защиту.> срабатывает при входном напряжении 0,5·uhom. Защита не срабатывает при снятии и подаче напряжения контролируемой сети плавно или толчком. Частота сети при этом отличается от частоты срабатывания (в сторону возврата) более чем на 0,2 Гц.

.14 Защита от перевозбуждения (U/F)

Назначение - защита генераторов и трансформаторов от перевозбуждения.

Под явлением перевозбуждения понимается наличие избыточного магнитного потока в сердечнике, который вызывает насыщение и создает дополнительные потери от вихревых токов в сердечнике и в смежных с ним электропроводящих материалах. Перевозбуждение может возникать из-за перенапряжения, понижения частоты или из-за сочетания обоих факторов.

Защита реагирует на отношение средневыпрямленного значения напряжения к частоте U/f и содержит следующие функциональные органы:

сигнальный орган (МСИГН), срабатывающий при увеличении величины U/f выше значения уставки;

пусковой орган МПУСК срабатывающий при увеличении величины U/f выше значения уставки;

орган максимального напряжения (U>), контролирующий наличие входного напряжения и вводящий в действие защиту;

интегральный орган (ИО), срабатывающий с зависимой от кратности возбуждения выдержкой времени, определяемой выражением:

,

где М - кратности возбуждения относительно номинального возбуждения; В и С - постоянные коэффициенты, величина которых определяется с целью наилучшего приближения к характеристике допустимого перевозбуждения трансформатора (генератора), заданной в табличной форме.

При этом защита должна отключать перевозбужденный трансформатор ранее допустимых значений. ИО имитирует процесс охлаждения ротора генератора после устранения перегрузки по экспоненциальному закону. При этом промежуток времени, за который перегрев защищаемого объекта снижается от максимально-допустимой величины до 0,135 от этой величины, условно называемая временем "полного охлаждения" (tОХЛ).

Защита выдает сигнал для действия на звуковую сигнализацию и действует на отключение генераторного выключателя.

Рис.2.9. Структурная схема защиты от перевозбуждения

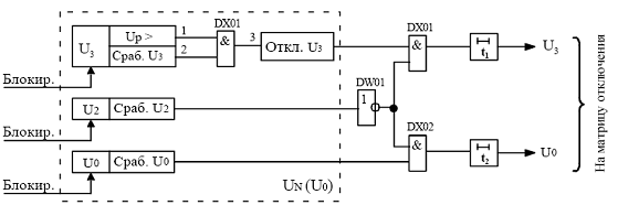
.15 Защита ротора от замыканий на землю (Rе<)

Назначение - выявление замыканий на землю в одной точке цепи возбуждения.

Наложенное напряжение от источника вспомогательного напряжения (G) частотой порядка 16,7 Гц через разделительный трансформатор TV1, дроссель L1 и разделительный конденсатор С1 поступает в цепь возбуждения. Через первичную обмотку W2 трансформатора ТVЗ протекает полный ток замыкания цепи возбуждения на землю, величина которого зависит от величины сопротивления изоляции и емкости цепи возбуждения на землю защищаемого генератора. Конденсатор С1 и дроссель L1 настроены в резонанс на частоте наложенного напряжения, поэтому падение напряжения в них на этой частоте определяется только активным сопротивлением дросселя L1 которое равно сопротивлению резистора RK, включенного в контур компенсации емкостного тока. Емкость контура компенсации СК настраивается на величину, равную сумме емкости цепи возбуждения, для включенной в данный момент в работу системы возбуждения, и емкости ротора относительно земли. Поэтому ток, протекающий по обмотке W3 трансформатора ТVЗ будет равен составляющей емкостного тока замыкания на землю на частоте наложенного напряжения. Так как обе первичные обмотки W3 и W2 трансформатора TV3 равны и включены встречно, то в токе вторичной обмотки W1 этого трансформатора будет содержаться только составляющая активного тока замыкания на землю.

Для составляющих высших гармоник в напряжении цепи возбуждения дроссель L1 представляет значительное сопротивление, которое ограничивает ток с частотой сети высших гармоник, поступающий из цепи возбуждения в данное устройство. Постоянная составляющая напряжения ротора в устройство не проходит благодаря наличию разделительного конденсатора С1. Данная схема осуществляет гальваническую развязку цепей возбуждения генератора от измерительной части защиты при помощи трансформатора ТVЗ и разделительного трансформатора TV1.

В случае нарушения контакта перехода щетки - вал генератора теряется цепь возбуждения генератора. Это приводит к появлению небаланса реактивной составляющей на входе трансформатора TVЗ, сигнал от которого усиливается и поступает к АЦП.

Защита подключается к цепям возбуждения через специальный разделительный блок частотного фильтра (например, типа БЭ1105), обеспечивающий подавление высших гармонических составляющих напряжения возбуждения и ограничение напряжения на выходе до 120 В.

Защита имеет две независимые ступени срабатывания по сопротивлению изоляции.

В защите имеется устройство компенсации емкости цепей возбуждения генераторов с дискретной регулировкой ступенями по 0,025 мкФ, настраивающиеся на конкретное значения емкости цепи возбуждения.

Частота вспомогательного источника напряжения находится в пределах (16,7 ± 0,3) Гц.

Защита peагирует на нарушение (обрыв) контакта релейной щетки при емкости ротора относительно земли не менее 0,2 мкФ и обеспечивает сигнализацию о неисправности.

В защите предусмотрены выдержки времени при действии I и II ступеней, а также устройства контроля контакта релейной щетки.

Защита выдает сигналы для действия на табло «Неисправность» и на звуковую сигнализацию и действует на отключение генератора от сети.

Рис.2.10. Структурная схема защиты ротора от замыкания на землю.

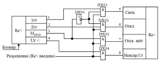
2.16 Защита генератора от замыканий на землю обмотки статора

.16.1 Защита от замыканий на землю обмотки статора блока генератор-трансформатор, un (U0)

Назначение - защита от замыкания на землю обмотки статора генератора, не имеющего гальванической связи с системой собственных нужд или сетью потребителей.

Орган напряжения основной составляющей нулевой последовательности U0 может обеспечивает защиту 85 - 95 % витков обмотки статора со стороны фазных выводов, а остальная часть обмотки защищается с помощью органа напряжения третьей гармоники U03, охватывающего примерно 20-30 % витков обмотки со стороны нейтрали. Для обеспечения надежного функционирования органа U03 не достаточно использовать только напряжение Uд установившегося режима при замыкании на землю вблизи нейтрали в связи со значительными колебаниями уровня э.д.с. третьей гармоники в зависимости от режима работы генератора. В органе u03 рабочая цепь включается на сумму напряжений UN+U, а резервная - на напряжение UN.

В состав защиты входят следующие функциональные органы:

орган напряжения основной составляющей напряжения нулевой последовательности (U0), обеспечивающий защиту 85-95% витков обмотки статора со стороны фазных выводов;

орган напряжения обратной последовательности (U2) для блокировки-защиты при внешних КЗ;

орган напряжения третьей гармоники с торможением (U03), обеспечивающий защиту до 30% витков обмотки статора со стороны нейтрали.

Орган u0 включается на напряжение нейтрали генератора относительно земли (un) (при наличии ТН в нейтрали генератора) или на напряжение 3·U0 ТН линейных выводов генератора (если ТН в нейтрали не установлен).

Орган U2 включается на линейные напряжения на выводах генератора.

Орган u03 включается на напряжения нулевой последовательности на выводах генератора (ua) и в его нейтрали (un).

Коэффициент возврата органов U2 и U0 нe менее 0,9. Коэффициент возврата органа U03 не ниже 0,8.

Защита действует на отключение генераторного выключателя.

Рис.2.11. Структурная схема защиты un (U0)

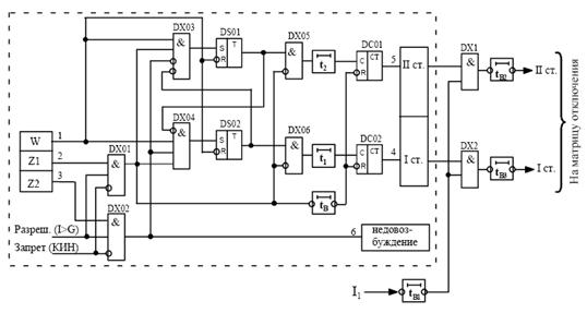
.16.2 Защита от замыканий на землю обмотки статора блока генератор-трансформатор (с наложением 25 Гц), UN(F25)

Назначение - защита от замыкания на землю обмотки статора генератора, не имеющего гальванической связи с системой собственных нужд или сетью потребителей.

Принцип действия защиты основан на наложении на первичные цепи статора генератора контрольного тока с частотой FНОМ/2. К защите подводятся напряжение с измерительной обмотки дугогасящего реактора UДГР и напряжение (UИСТ) измерительной обмотки источника контрольного тока. При замыкании через переходное сопротивление (RПЕР) вектор напряжения UДГР меняет фазу и модуль в широких пределах относительно вектора напряжения при изменении величины RПЕР от сопротивления изоляции цепи относительно земли до металлического замыкания. При устойчивом замыкании через переходное сопротивление защита обеспечивает вычисление его величины и действие на сигнализацию и отключение, если вычисленная величина RПЕР меньше заданной уставки. Для повышения надежности работы защита должна дополняться органом напряжения, нулевой последовательности основной составляющей, что обеспечивает защиту 85-95% витков обмотки статора генератора со стороны фазных выводов.

Защита подключается к измерительным обмоткам дугогасящего реактора и источника контрольного тока (типа ИКТ-25, выпускаемого Томским политехническим университетом). Источник контрольного тока с частотой FНОМ/2 включается последовательно в цепь дугогасящего реактора генератора со стороны его заземляемого вывода и нейтрали генератора.

Защита имеет две независимые ступени срабатывания по переходному сопротивлению в месте замыкания на землю: 1 ст. и 2 ст.

Защита блокируется при снижении рабочей величины напряжения частотой FНОМ/2 на выходе измерительной обмотки источника контрольного тока до 0,7 от номинальной и обеспечивает сигнализацию о неисправности.

В защите имеется возможность индикации значения переходного сопротивления в месте замыкания на землю.

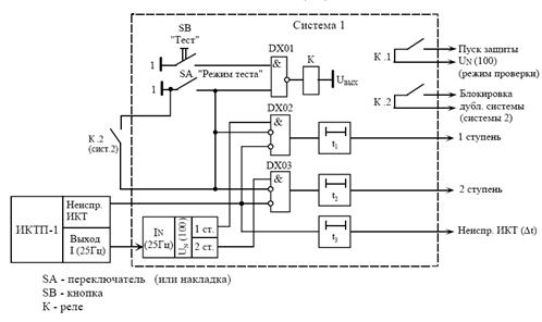
.16.3 Защита от замыкания на землю обмотки статора блока генератор-трансформатор, UN (100)

Назначение - защита от замыкания на землю обмотки статора генератора, не имеющего гальванической связи с системой собственных нужд или сетью потребителей.

Принцип действия защиты основан на наложении на первичные цепи статора генератора постоянного тока. К защите подводится напряжение с измерительной обмотки источника постоянного контрольного тока (ИКТП-1) частотой Fном/2. Среднее значение этого сигнала примерно пропорционально постоянной составляющей наложенного тока, а последняя примерно обратно пропорциональна переходному сопротивлению обмотки статора генератора относительно земли. При этом нейтрали всех трансформаторов напряжения блока генератор-трансформатор объединяются и заземляются через устройство наложения постоянного тока ИКТП-1.

При устойчивом замыкании через переходное сопротивление защита обеспечивает вычисление его величины и действие на сигнализацию и отключение, если вычисленная величина переходного сопротивления меньше заданной уставки. Высокая чувствительность защиты на принципе наложения постоянного тока позволяет выявлять различные дефекты изоляции статора генератора.

В источнике контрольного тока осуществляется непрерывный контроль наличия напряжения питания (220 или 100 В, 50 Гц). Тестовый контроль всей защиты осуществляется взаимодействием элементов, предусмотренных для этого как в ИКТП-1, так и в терминале цифровой защиты.

Рис.2.12. Структурная схема защиты UN (100).

.17 Направленная токовая защита обратной последовательности (M2)

Назначение - резервная защита от несимметричных повреждений.

В нормальном режиме работы, когда на вход защиты поданы симметричные системы тока и напряжения, на выходе фильтров тока обратной последовательности (ФТОП) и фильтров напряжений обратной последовательности (ФНОП) будут присутствовать только небалансы нормального режима и органы тока I2, напряжения U2 и направления мощности М2 будут находиться в несработанном состоянии, так как они отстроены от небалансов по величине уставки.