Материал: Проектирование релейной защиты и автоматики блока генератор–трансформатор

Внимание! Если размещение файла нарушает Ваши авторские права, то обязательно сообщите нам

Ток срабатывания сигнального органа принимается равным: .

Ток срабатывания пускового органа выбирается по условиям надёжного пуска интегрального органа: .

Уставка по постоянной А принимается равной номинальному значению этой постоянной для данного типа генераторов А = 8.

Максимальное время срабатывания соответствует допустимой длительности перегрузки током обратной последовательности:

.

Минимальное время срабатывания соответствует максимально допустимой кратности тока обратной последовательности:

,

где .

Уставка по времени полного охлаждения определяется из условия снижения перегрева обмотки статора генератора от максимально допустимой величины до 0,135 от этой величины:

 с.

Принимаем уставку по времени полного охлаждения равной .

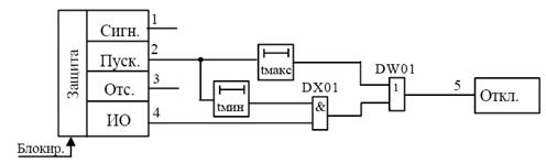
Рис.2.3. Характеристика срабатывания защиты от несимметричных перегрузок

Защита выдает сигнал для действия на звуковую сигнализацию и действует на отключение генераторного выключателя.

Рис.2.4. Структурная схема защиты от перегрузок ()

.5 Защита от повышения напряжения генератора (UG >)

Назначение - предотвращение недопустимого повышения напряжения на генераторе в режиме холостого хода или сброса напряжения.

Защита содержит следующие органы:

) Орган максимального напряжения (имеет коэффициент возврата 0,97):

;

) Орган контроля отсутствия тока в одной или двух цепях первичной схемы (в цепи генератора или в цепи генератора и в цепи обмотки высокого напряжения трансформатора блока):

.

По цепям напряжения защита подключается к трансформатору напряжения у выводов генератора на линейное напряжение. Срабатывание защиты происходит при срабатывании органа напряжения. Ввод защиты в действие осуществляется при возврате любого из органов тока. При работе генератора на нагрузку защита автоматически выводится из действия блокирующим реле.

Защита от повышения напряжения на энергоблоках с турбогенераторами должна автоматически вводиться в работу только в режиме холостого хода энергоблока и действовать лишь на гашение поля генератора.

.6 Защита от симметричных перегрузок (I1)

Назначение - защита от перегрузок статора генератора.

Защита реагирует на относительный ток статора фазы с максимальным значением тока в трехфазном режиме (I*) и содержит следующие функциональные органы:

сигнальный орган (IСИГН) срабатывающий с независимой выдержкой времени (6-9 с) при увеличении тока I* выше значения уставки срабатывания органа:

пусковой орган (IПУСК), срабатывающий без выдержки времени при увеличении тока I* выше значения уставки срабатывания органа и осуществляющий пуск интегрального органа;

орган токовой отсечки (IОТС), срабатывающий с независимой выдержкой времени при увеличении тока I* выше значения уставки срабатывания органа;

интегральный орган (ИО), срабатывающий с зависимой от тока I* выдержкой времени, определяемой уравнением:

,

где I* - относительный ток статора, равный:

,

где I'СТ и I'NГ - ток фазы генератора с максимальным значением тока в трехфазном режиме и номинальный ток генератора соответственно в первичной цепи генератора; В и С - постоянные коэффициенты, величина которых определяется с целью наилучшего приближения к перегрузочной характеристике генератора, заданной в табличной форме.

Коэффициент возврата IСИГН, IПУСК, Iotc не ниже 0,98.

Интегральный орган защиты имитирует процесс охлаждения генератора после устранения перегрузки по экспоненциальному закону. При этом промежуток времени, за который перегрев обмотки статора генератора снижается от максимально допустимой величины до 0,135 от этой величины, условно называется временем "полного охлаждения" (tОХЛ).

Защита выдает сигнал для действия на звуковую сигнализацию и действует на отключение генераторного выключателя.

.7 Защита ротора от перегрузок (IP)

Назначение - защита от перегрузок ротора генератора при наличии измерительных трансформаторов тока в системе возбуждения (IP).

Защита реагирует на относительный ток ротора (IР*) и содержит следующие функциональные органы:

преобразователь тока или преобразователь тока и напряжения статора в сигнал, пропорциональный току ротора (в дальнейшем именуемый "преобразователь тока ротора");

сигнальный орган (IСИГН), срабатывающий с независимой выдержкой времени при увеличении тока IР* выше значения уставки срабатывания органа:

пусковой орган (IПУСК), срабатывающий без выдержки времени при увеличении тока IР* выше значения уставки органа и осуществляющий пуск интегрального органа;

орган токовой отсечки (IОТС), срабатывающий с независимой выдержкой времени при увеличении тока 1р* выше значения уставки срабатывания органа;

интегральный орган (ИО), срабатывающий с зависимой от тока IР* выдержкой времени, определяемой уравнением:

,

где ip* - относительный ток статора, равный:

,

где IР и i'nP - ток ротора и номинальный ток ротора соответственно в первичной цепи ротора генератора; В и С - постоянные коэффициенты, величина которых определяется с целью наилучшего приближения к перегрузочной характеристике генератора, заданной в табличной форме.

Для обеспечения правильного измерения тока ротора как в симметричном, так и в несимметричном режиме работы системы возбуждения орган преобразователя тока выполняется трехфазным и его выходной сигнал пропорционален среднему значению суммы выпрямленных токов трех фаз (а также величине IР*). Коэффициент возврата IСИГН, IПУСК, iotc не ниже 0,98.

Минимальное время срабатывания интегрального органа соответствует относительному току фазы с кратностью 2,0.

Защита выдает сигнал для действия на звуковую сигнализацию и действует на отключение генераторного выключателя.

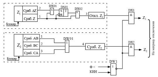
.8 Дистанционная защита (Z<)

Назначение - резервная защита от междуфазных повреждений.

Защита выполняется одно- или трехрелейной, выполняется на основе дистанционных органов (Z) и подключается к измерительным трансформаторам на линейные напряжения и токи.

Защита блокируется при неисправностях в цепях напряжения, выявляемых устройством КИН и срабатывании защиты Ф<.

Уставка по сопротивлению смещения основной функции на угле максимальной чувствительности  («-» соответствует отрыву характеристики срабатывания от начала соответствует отрыву координат комплексной плоскости, а «+» соответствует охвату начала координат). Уставка по углу максимальной чувствительности  основной функции принимает значение от 0 до 360° с шагом 1°.

Функция Z< отличает повреждение от качаний в энергосистеме по скорости относительного изменения полного сопротивления на входе органа минимального сопротивления и используется для блокировки защит с малыми временами действия на отключение (менее 1,0 сек).

Рис.2.5. Структурная схема защиты Z<.

.9 Устройства контроля исправности цепей напряжения переменного тока (КИН)

Назначение - контроль исправности цепей напряжения переменного тока измерительных трансформаторов напряжения с вторичными обмотками, соединенными в "звезду" (с линейным напряжением uhоm =100 В) и в "треугольник" (с максимальным напряжением на выходе разомкнутого треугольника 100 В или 33 В - для сетей с изолированной нейтралью).

Устройство КИН подключается к вторичным обмоткам измерительного трансформатора напряжения, соединенным в «звезду» (напряжения AN, BN, CN) и в «треугольник» (напряжения НИ, НК). При этом в нормальном режиме в датчике устройства КИН м.д.с от токов, пропорциональных напряжениям фаз "звезды" (с выделенной фазой AN), уравновешены м.д.с. от тока, пропорционального напряжению НИ, а при внешних КЗ и м.д.с. от тока, пропорционального напряжению НК.

Устройство КИН не работает в нормальных симметричных режимах, а также при внешних несимметричных КЗ и реагирует на обрыв одной, двух либо трех фаз или нулевого провода в цепях напряжения переменного тока, соединенных в звезду.

В качестве датчика устройство содержит трехобмоточный трансформатор с двумя первичными обмотками, которые подключаются к цепям напряжения измерительных трансформаторов (ТН) через добавочные резисторы (рис.2.6).

Сопротивление резистора RA выбрано в два раза меньше, чем сопротивление одинаковых резисторов RB и rc. Поэтому при симметрии напряжений ua, ub, UС (pис.2.6, б) токи в этих сопротивлениях не одинаковы, что и показано на векторной диаграмме (рис.2.6, в). В условиях нормального режима работы при исправных вторичных цепях ТН совпадающие по фазе, но встречно направленные в первичных обмотках промежуточного трансформатора КИН токи I0 и Iад, создают в его сердечнике уравновешивающиеся м.д.с. При любых нарушениях симметрии напряжений со стороны первичных обмоток промежуточного трансформатора КИН м.д.с. будут также уравновешиваться. При обрыве одной, двух фаз в цепи напряжения или нулевого провода нарушается равновесие м.д.с. в сердечнике промежуточного трансформатора устройства и на выходе вторичной обмотки появляется напряжение, поступающее в АЦП.

Рис. 2.6. Структурная схема датчика устройства КИН (а) и его векторная диаграмма (б, в).

.10 Фильтровые измерительные органы

Назначение - резервная защита нулевой последовательности от КЗ на землю по току, I0 (по напряжению U0); поперечная дифференциальная защита генератора, I>.

Защита I> реагирует на ток между нейтралями параллельных ветвей обмотки статора, соединенных в "звезду":

.

Токовая защита нулевой последовательности (I0) подключается к трансформатору тока, встроенному во ввод нейтрали обмотки напряжения трансформатора.

Для режима работы блока с незаземленной нейтралью блочного трансформатора предусматривается защита напряжения нулевой последовательности (U0) с контролем отсутствия тока в нейтрали.

.11 Защита генератора от асинхронного режима

.11.1 Защита от потери возбуждения, Ф<

Назначение - защита турбогенераторов от потери возбуждения.

Защита выполняется на основе органа (Z) и подключается к измерительным трансформаторам, установленным в цепи генератора, и включается на междуфазное напряжение и соответствующую разность фазных токов. Защита вводится в работу при включении генератора в сеть.

Защита содержит два канала срабатывания: основной и дополнительный.

Срабатывание защиты по основному каналу обеспечивается при попадании годографа сопротивления на зажимах генератора в область срабатывания органа Z. По основному каналу защита действует через выдержку времени (0,5 - 1,0) с.

Срабатывание защиты по дополнительному каналу обеспечивается при потере возбуждения и асинхронном ходе, при котором годограф сопротивления существенно изменяется и может кратковременно выйти из области срабатывания органа Z и защита по основному каналу не успевает набрать выдержку времени. Срабатывание дополнительного канала происходит, если интервал времени нахождения годографа сопротивления вне зоны срабатывания органа Z меньше времени tB, а в области срабатывания органа Z - более времени срабатывания органа tср.

Уставка по сопротивлению срабатывания основной функции на угле максимальной чувствительности ZУСТ принимается равной синхронному реактивному сопротивлению генератора:


(для обеспечения надежной работы реле при потере возбуждения ненагруженного генератора),

где .

Уставка по сопротивлению смещения основной функции на угле максимальной чувствительности zсм принимается равной половине переходного реактивного сопротивления генератора:

 Ом/фазу,

где .

Угол максимальной чувствительности равен °.

Предусмотрена возможность смещения характеристики срабатывания вдоль реактивной оси в сторону III и IV квадрантов на величину (0 - 0,4)·ZУ.

Коэффициент возврата не более 1,05.

Функция DZ отличает внешнее КЗ от потери возбуждения по скорости относительного изменения полного сопротивления на входе защиты и используется для блокировки основной функции.

При выборе уставки функции DZ должно выполняться условие (функция DZ не должна работать при качаниях и асинхронном ходе в ЭС, когда годограф сопротивления проходит через характеристику срабатывания основной функции Z):


где ткач - минимальный период качаний или асинхронного хода, допускаемый в энергосистеме (DtСР - принимается не меньше выдержки времени действия защиты на отключение); кзап - коэффициент заполнения (принимается равным 4); КН - коэффициент надежности (принимается равным 2,0...3,0).


При этом должно выполняться условие (функция ΔZ должна чётко работать при внешнем КЗ на землю, когда возможно попадание годографа в зону работы основной функции Z):


где ZН - значение полного сопротивления нормального нагрузочного режима; ZХ - значение полного сопротивления характеристики срабатывания органа минимального сопротивления, определяемое как ближайшее к величине ZН; ТНОМ - период промышленной частоты, 0,02 с; КН - коэффициент надежности, принимаемый равным 2,0...3,0.