Материал: Проектирование релейной защиты и автоматики блока генератор–трансформатор

Внимание! Если размещение файла нарушает Ваши авторские права, то обязательно сообщите нам

Проектирование релейной защиты и автоматики блока генератор–трансформатор













ДИПЛОМНАЯ РАБОТА

Проектирование релейной защиты и автоматики блока генератор - трансформатор


Аннотация

Автор представленной бакалаврской работы − Федоров Н. В., специальность 140203 «Релейная защита и автоматизация электроэнергетических систем», группа АУС -1-03.

Пояснительная записка к данной работе содержит 82 машинописных страницы. В тексте пояснительной записки приведен результат расчета параметров электрической станции с выбором основного и вспомогательного электрооборудования, коммутационной аппаратуры, расчет токов короткого замыкания. Содержится расчет уставок цифровой защиты блока генератор−трансформатор ШЭ1111 НПП «ЭКРА» и описание микропроцессорной автоматики (автоматическая регулировка возбуждения, автоматическая синхронизация генераторов). Проведено исследование защит блока генератор-трансформатор, выполненных на разных элементных базах (электромеханическая и микропроцессорная) и сделан сравнительный анализ. Выполнен экономический расчет. Рассмотрены вопросы обеспечения безопасности при проведении испытаний с подачей напряжения от постороннего источника питания.

Иллюстративная часть работы содержит три чертежа: принципиальная электрическая схема станции; схема подключения комплекса релейной защиты блока генератор-трансформатор к измерительным трансформаторам; структурная схема системы релейной защиты блока генератор-трансформатор.

Введение

Целью работы является разработка принципиальной схемы электростанции на основании исходных данных и проектирование релейной защиты блока генератор-трансформатор на микропроцессорной базе.

При проектировании и эксплуатации любой электроэнергетической системы приходится считаться с возможностью возникновения в ней повреждений и ненормальных режимов работы. Наиболее распространенными и в то же время наиболее опасными видами повреждений в них являются короткие замыкания (КЗ). Одним из основных видов ненормальных режимов работы являются перегрузки.

Повреждения и ненормальные режимы работы могут приводить к возникновению в системе аварий. Первопричины возникновения аварий бывают весьма разнообразными, но в большинстве своем являются результатом своевременно не обнаруженных и не устраненных дефектов оборудования, не удовлетворительных проектирования, монтажа и эксплуатации. Предотвращение возникновения аварий или их развития при повреждениях в электрической части энергосистемы час- то может быть обеспечено путем быстрого отключения поврежденного элемента. Поэтому электрические установки снабжаются автоматически действующими устройствами − релейной защитой или предохранителями, осуществляющими их защиту от КЗ.

Основным назначением релейной защиты является автоматическое отключение поврежденного элемента от остальной, неповрежденной части системы при помощи выключателей. Таким образом, она является одним из видов автоматики систем. Важность этого типа автоматики определяется тем, что без нее вообще невозможна бесперебойная работа электроэнергетических установок.

Дополнительным, вторым назначением релейной защиты является то, что она должна реагировать на опасные ненормальные режимы работы элементов. В зависимости от их вида и условий эксплуатации установки защита действует на сигнал или отключении тех элементов, оставлять которые в работе нежелательно, так как это может привести к возникновению повреждения или аварии.

Бесперебойная работа электроэнергетических систем обеспечивается также применением ряда других автоматических устройств: автоматического повторного включения - АПВ, автоматической частотной разгрузки - АВР, устройств форсировки возбуждения синхронных машин и других источников реактивной мощности и специальных устройств противоаварийной автоматики. Работа многих из этих устройств тесно связана с работой релейной защиты.

Основной задачей построения релейной защиты энергоблоков является обеспечение ее эффективного функционирования по возможности при любых видах повреждений, предотвращение развития повреждений и значительных разрушений защищаемого оборудования, а также предотвращение нарушений устойчивости в энергосистеме.

Для этого устройства релейной защиты должны обладать необходимыми для них свойствами: быстродействие, чувствительность, селективность и надежность.

Для достижения требуемой эффективности функционирования защиты энергоблоков необходимо выполнение следующих условий:

основные защиты от внутренних КЗ должны обеспечивать быстрое отключение повреждений любого элемента блока;

резервные защиты энергоблока также должны охватывать все его элементы и должны обеспечивать ближнее и дальнее резервирование соответственно основных защит блока и защит прилежащей сети;

повреждения, не сопровождающиеся КЗ и не отражающиеся на работе энергоблока, также должны по возможности быстро отключаться, если их развитие может привести к значительным разрушениям оборудования;

анормальные режимы должны автоматически ликвидироваться защитой, если они недопустимы для оборудования или энергосистемы;

действие устройств релейной защиты должно быть увязано с технологическими защитами и автоматикой блока.

Использование в устройствах автоматического управления современной микропроцессорной элементной базы обеспечивает высокую точность измерений и постоянство характеристик, что позволяет существенно повысить чувствительность и быстродействие защит, а также уменьшить ступени селективности. Алгоритмы функций защиты и автоматики, а также интерфейсы для внешних соединений устройства разработаны по техническим требованиям к отечественным системам РЗА, что обеспечивает совместимость с действующими устройствами и облегчает эксплуатационному персоналу переход на новую технику.

Наличие функций непрерывного самоконтроля и диагностики обеспечивает высокую готовность защиты при наличии требования к срабатыванию, а использование высокоинтегрированных и высоконадежных микросхем - повышенную надежность аппаратной части защиты.

1.Разработка принципиальной электрической схемы станции

.1 Выбор основного оборудования

Выбор генераторов и силовых трансформаторов.

Мощность применяемых генераторов и трансформаторов определена исходными данными и составляет 200 МВт и 250 МВА соответственно.

Из справочных материалов [1] принимается генератор типа ТВВ-200-2 и трансформатор типа ТДЦ-250000/220.


Параметры турбогенератора:

 - коэффициент мощности;

Мвар - реактивная мощность;

 кВ - номинальное напряжение;

 - продольное сверхпереходное реактивное сопротивление.


Параметры трансформатора:

Номинальное напряжение обмоток: ВН = 242 кВ; НН = 15,75 кВ.к = 11% - напряжение короткого замыкания.

Выбор трансформатора собственных нужд (ТСН).

Мощность ТСН выбирается в соответствии с нагрузками в различных режимах работы подстанции. При отсутствии данных для подробного подсчета нагрузки собственных нужд (СН), мощность ТСН принимается равной 10% от мощности турбогенератора.

Для электроснабжения СН принимается ТСН типа ТРДНС - 25000/15.


Параметры трансформатора:

Номинальное напряжение обмоток: ВН = 242 кВ; НН = 15,75 кВ.к = 15% - напряжение короткого замыкания.

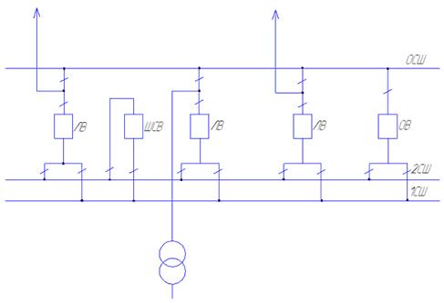
.2 Выбор распределительного устройства (РУ) 220 кВ

На стороне ВН применяем схему РУ с двумя рабочими и одной обходной системами шин. При числе присоединений 11 и меньше системы шин не секционируются [2, c.416].

Рис.1.1. Схема с двумя рабочими и одной обходной системами шин.

.3 Выбор проводов линий электропередач (ЛЭП)

Сечение проводов выбираются по:

- длительному допустимому току ;

экономической плотности тока  (для европейской части - 1,1);

по допустимым потерям и отклонениям напряжения .

Перетоки активной мощности по проводам ЛЭП определены исходными данными и составляют 185 МВт.

Определим полную мощность:

;

.

ЛЭП двухцепная, поэтому перетоки полной мощности для одной цепи составят:

.

Рабочий максимальный ток в линии:

,

где  - коэффициент, учитывающий изменение нагрузки по годам эксплуатации линии, для 110-220 кВ принимается равным 1,05;  - коэффициент, учитывающий число часов максимальной нагрузки линии .

Выбор сечений проводов производится по табл. 7.12 [1], а их сопротивления находим по табл. 7.5 и 7.6 [1].

Выбираем сталеалюминевые провода АС-240/32:

 - удельное активное сопротивление;

 - удельное реактивное сопротивление.

Выбранные провода удовлетворяют требованиям:

) , по данным института «энергосетьпроект» допустимые длительные токовые нагрузки для АС-240/32: ;

) ;

) ;

 (6,45 %).

.4 Расчет токов короткого замыкания

Для вычисления токов короткого КЗ необходимо составить схемы замещения прямой и нулевой последовательностей. Схема нулевой последовательности определяется соединением обмоток участвующих трансформаторов. Трансформаторы Т1, Т2, Т3 имеют соединение обмоток . Вся сеть, которая присоединена со стороны треугольника в схему нулевой последовательности не входит [3, c.222].

Рис. 1.1. Схема замещения прямой последовательности.

Рис. 1.2. Схема замещения нулевой последовательности.

.4.1 Расчет сопротивлений элементов схем замещения

Найдем сопротивления элементов системы при :

Сопротивления систем в максимальном режиме:

;

;

.

Сопротивления нулевой последовательности систем:

;

;

.

Сопротивления воздушных линий:

;

;

.

Сопротивление нулевой последовательности двухцепных линий несколько больше, чем одноцепных, вследствие индуктивного влияния токов нулевой последовательности, протекающих в проводах соседней цепи. При этом параллельная цепь не обязательно должна находиться на одной опоре с рассматриваемой линией. Для двухцепных линий без заземленных тросов  [2, c.160]:

;

;

.

Сопротивления трансформаторов:

.

Сопротивление нулевой последовательности трансформатора равно сопротивлению прямой последовательности.

Сопротивления генераторов:

.

Для упрощения схемы заменим три ветви системы одной эквивалентной.

Эквивалентное сопротивление системы 1 и линий 1,2:

;

.

Эквивалентное сопротивление системы 2 и линий 3,4:

;

.

Эквивалентное сопротивление системы 3 и линий 5,6:

;

.

Эквивалентное сопротивление системы:

Эквивалентное ЭДС системы:

.

.4.2 Расчет токов КЗ

В точке короткого замыкания К-1 (на шинах РУ), схема 1:


Приведение параметров элементов и ЭДС различных ступеней напряжения к основной ступени (ступень II):


Приведенные ЭДС генераторов:

.

Приведенные сопротивления генераторов:

.

Найдем эквивалентное сопротивление ветвей генераторов:

;

Эквивалентное ЭДС генераторов:

.

Найдем периодическую составляющую тока трехфазного короткого замыкания  в точке К-1:

.

Найдем периодическую составляющую тока двухфазного короткого замыкания  в точке К-1:

.

Найдем периодическую составляющую тока однофазного короткого замыкания  в точке К-1: