Материал: Проектирование релейной защиты и автоматики блока генератор–трансформатор

Внимание! Если размещение файла нарушает Ваши авторские права, то обязательно сообщите нам

Измерительный орган угла сдвига фаз (ИОУ). В измерительном органе угла сдвига фаз между напряжением на шинах электростанции частотой fс и напряжением холостого хода синхронного генератора частотой fг fс, непрерывно изменяющегося при подготовке генератора к включению на параллельную работу с электроэнергетической системой (синхронизации) в функции частоты скольжения fs =|fс - fг|, используется времяимпульсное преобразование фазы. Формируемый импульсом одной из фаз, например ии.г =ииа , и аналогичным импульсом ии.ш , фиксирующим переход через нуль мгновенного напряжения на шинах электростанции, времяимпульсный сигнал является линейной функцией угла сдвига.

Измерительное преобразование угла сдвига фаз в цифровой сигнал производится аналогично рассмотренному фиксированию длительности периода считывания из третьего вычитающего счетчика с периодически записываемым числом тактовых импульсов N max >>N Tn/4 чисел в моменты времени появления указанных импульсов напряжений ии.г и ии.ш. По отдельной программе в измерительном органе вычисляется угол сдвига фаз в начальный момент воздействия на привод выключателя синхронного генератора, необходимый для совпадения по фазе напряжений на шинах электростанции и генератора в момент включения (соединения силовых контактов выключателя), - угол опережения.

Рис.3.1. Функциональная схема микропроцессорного автоматического регулятора возбуждения синхронного генератора.

.2 Микропроцессорный автоматический синхронизатор

Автоматические устройства точной синхронизации (АУТС) синхронных генераторов состоят из трех частей, обеспечивающих три условия точной синхронизации: равенство амплитуд ЭДС генератора Ег.х и напряжения Uш на шинах электростанции, близкая к синхронной частота вращения (малая частота скольжения) генератора и совпадение по фазе указанных ЭДС и напряжений в момент включения (замыкания контактов) выключателя синхронного генератора. Такие устройства соответственно называются уравнителем амплитуд напряжения, уравнителем частот и автоматическим синхронизатором.

Автоматический синхронизатор обеспечивает выполнение наиболее ответственной операции точной синхронизации по обеспечению практического совпадения по фазе ЭДС генератора и напряжения на шинах электростанции в момент включения выключателя генератора.

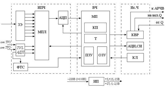
Функциональная схема. Цифровой автоматический синхронизатор типа СПРИНТ выполняет все три основные функции АУТС с выдчаей через алфавитно-цифровой индикатор информации о состоянии автоматического устройства и синхронизируемого генератора и производит контроль и диагностику исправности его элементов и анализ достоверности выдаваемой информации, что является его важным достоинством.

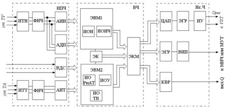
Основная - вычислительная ВЧ функциональная часть синхронизаторов реализована на одной, поскольку они работают эпизодически и кратковременно, микроЭВМ: на микропроцессоре МП типа К18108ВМ88 с контроллером прерывания КП, таймером Т и оперативным ОЗУ и постоянным ПЗУ запоминающими устройствами. Вычислительная часть выполняет цифровое измерительное преобразование амплитуд и частот ЭДС генератора Ег.х и напряжения Uш шин электростанции, угла сдвига фаз  между ними и вычисляет их разности и угол опережения синхронизатора  по уравнению равнопеременного вращения генератора при его подготовке к включению на параллельную работу.

Управление микроЭВМ производится измерительно-преобразовательной частью ИПЧ. Она выполняет предварительную обработку аналоговых входных сигналов - вторичных (на выходах TV1, TV2) ЭДС генератора Ег.х и напряжения Uш на шинах электростанции с изменяющимися информационными параметрами: амплитудой, частотой и фазой.

Она содержит вторичный измерительный трансформатор напряжения TVL, аналого-дискретный преобразователь АДП, формирующий сигналы прерываний, аналого-цифровой интегральный АЦП типа К1113ПА1 с коммутатором входных аналоговых сигналов - мультиплексором МПЛ, задающие элементы ЗЭ настройки синхронизаторов и формирователи тестового сигнала ФТС.

В исполнительную часть Ис. Ч синхронизатора входят комплект электромагнитных выходных реле КВР с герметизированными контактами - герконов. К ней относятся и элементы отображения информации: аналого-цифровой АЦИ индикатор угла  сдвига фаз между Ег.х и Uш и других величин, табло светодиодных индикаторов СИ, алфавитно-цифровой индикатор и клавиатура диалогового режима КЛ.

Действие синхронизаторов. Вычислительная часть синхронизатора функционирует на основе времяимпульсного преобразования.

Длительности периодов ЭДС генератора и напряжения электростанции, необходимые для вычисления их частот и частоты скольжения, и время несовпадения их мгновенных значений по знаку, пропорциональное углу сдвига фаз , фиксируются считыванием кодов таймера в моменты переходов ЭДС ег.х и напряжения иш через нулевые мгновенные значения.

Текущие коды Nг и Nш фиксируются в моменты времени исчезновения напряжений Uк.г и Uк.ш. Их разность (Nг-Nш) определяет код  угла сдвига фаз , а числа, обратно пропорциональные разностям кодов, зафиксированных в текущем и предыдущем периодах, частоты ЭДС генератора и напряжения электростанции . Очевидно, что разность указанных чисел отображает частоту скольжения генератора в виде двоичного кода .

В зависимости от результатов вычислений синхронизатор формирует времяимпульсные управляющие воздействия на частоты вращения АРЧВ генератора. Если разности амплитуд и частот больше допустимых |±Um|> 0,01 и |±|>, то выдаются первые импульсы воздействия ограниченной установленной длительности для соответствующего изменения амплитуды и частоты ЭДС синхронного генератора.

По мере уменьшения Um и вычислительной частью рассчитываются уменьшающиеся длительности Ти импульсов воздействий по линейной зависимости Tи от разности истинной и установленной частот скольжения = - при длительности паузы Тп и заданного коэффициента подстройки частоты Кпод.

В синхронизаторах принята установленная частота скольжения: || = |+|/2 и /5 =. После установления  и Um < 0,1 управляющие воздействия прекращаются и синхронизатор переходит к программе вычисления угла опережения по закону равнопеременного вращения генератора и формирует импульсное управляющее воздействие достаточной для включения выключателя Q синхронного генератора длительности.

Синхронизаторы обладают свойством однократности действия. Если выключатель не включился или тут же после включения отключился, повторное действие не формируется: предусмотрен новый запуск программного обеспечения путем кратковременного отключения синхронизатора от источника питания.

Рис.3.2. Функциональная схема микропроцессорного автоматического синхронизатора СПРИНТ.

4. Научно-исследовательская работа

Целью научной работы является исследование защит блока генератор-трансформатор, выполненных на разных элементных базах (электромеханическая и микропроцессорная) и проведение сравнительного анализа.

.1Защита энергоблока, выполненная на базе электромеханических реле.

Основные защиты.

Защиты генератора:

. Поперечная дифференциальная защита генератора.

Назначение: защита от витковых замыканий в обмотке статора с двумя параллельными ветвями.

Реагирует на разность суммарных токов трех фаз в указанных параллельных ветвях.

. Продольная дифференциальная защита генератора.

Назначение: защита от внутренних многофазных КЗ.

Осуществляет сравнение токов со стороны фазных и нулевых выводов обмотки статора на каждой фазе.

3. Защита от замыкания на землю в обмотке статора турбогенератора, осуществляемая с использованием напряжения третьей гармоники.

Защита состоит из максимального реле напряжения нулевой последовательности основной частоты, защищающего большую часть витков обмотки статора генератора со стороны линейных выводов, и органа напряжения третьей гармоники, защищающего часть обмотки статора, примыкающую к нейтрали, и саму нейтраль.

. Защита от замыканий на землю в цепи обмотки ротора и в цепях возбуждения турбогенератора.

Назначение: сигнализировать о возникновении замыканий на землю.

. Защита ротора от перегрузки током возбуждения.

Назначение: предотвращение повреждений генератора при перегрузке обмотки ротора.

Применяется токовая защита с интегральной зависимой выдержкой времени, соответствующей тепловой характеристике генератора.

Защита действует на подачу звуковой сигнализации.

. Защита от потери возбуждения.

Назначение: выявление потери возбуждения и перевод генератора в допустимый асинхронный режим (разгрузка генератора, торможение турбины и шунтирования обмотки ротора гасительным сопротивлением) или отключение блока, если асинхронный режим недопустим.

Защита действует на отключение генератора от сети и торможение турбины.

. Защита от симметричной перегрузки турбогенератора.

Назначение: сигнализировать о возникновении симметричной перегрузки.

Применяется максимальная токовая защита с независимой выдержкой времени, отстроенной от наибольшей выдержки времени резервных защит.

. Защита от несимметричной перегрузки турбогенератора.

Применяется токовая защита обратной последовательности, имеющая сигнальный орган, подающий сигнал о превышении длительно допустимого для генератора значения тока обратной последовательности.

. Защита от повышения напряжения.

Реагирует на повышение напряжения обмотки статора более чем в 1,2 раза. Выполняется на максимальном реле напряжения с высоким коэффициентом возврата.

Защита от повышения напряжения на энергоблоках с турбогенераторами должна автоматически вводиться в работу только в режиме холостого хода энергоблока и действовать лишь на гашение поля генератора.

При внутренних повреждениях генератора защита действует на отключение генератора от сети, гашение поля генератора и возбудителя и пуск УРОВ, останов блока. При этом гашение поля возбудителя предусматривается для повышения надежности прекращения работы генератора на КЗ.

Для отключения генератора от сети необходимо отключить выключатель в цепи генератора, а при его отсутствии - выключатели на стороне ВН блока. В последнем случае должны также отключаться выключатели в цепи ответвления от блока на рабочий источник питания собственных нужд. Это необходимо для автоматического перевода нагрузки собственных нужд на источник резервного питания с помощью АВР.

Защиты трансформатора:

. Дифференциальная защита трансформатора.

Назначение: защита от всех видов КЗ в трансформаторе и на его ошиновке.

. Газовая защита трансформатора.

Назначение: защита от внутренних повреждений (в том числе от витковых замыканий), сопровождающихся горением дуги и выделением газа.

На трансформаторах применяют газовую защиту, содержащую два элемента: сигнальный, действующий при слабом газообразовании, и отключающий, срабатывающий при быстром выделении большого объема газа. Газовая защита срабатывает также при понижении уровня масла из-за течи из бака или вследствие значительного охлаждения трансформатора.

. Контроль изоляции на стороне НН.

Назначение: сигнализировать о появлении замыкания на землю на стороне НН.

Представляет собой максимальную защиту напряжения нулевой последовательности с независимой выдержкой времени, включенную в цепь разомкнутого треугольника трансформатора напряжения, присоединенного к выводам обмотки НН трансформатора энергоблока.

. Пуск устройства пожаротушения от релейной защиты.

Устройство пожаротушения пускается от дифференциальной и газовой защит трансформатора. Для предотвращения пуска устройства пожаротушения при КЗ на ошиновке трансформатора в схеме пуска применяются контроль тока в проводе, заземляющем бак трансформатора. При отсутствии этого тока пуск пожаротушения от дифференциальной защиты не производится.

При повреждении трансформатора блока для ликвидации КЗ необходимо отключить трансформатор со стороны ВН и со стороны НН и обеспечить пуск пожаротушения. При наличии выключателя в цепи генератора со стороны НН достаточно отключить этот выключатель, а при отсутствии необходимо гашение поля генератора. Однако ввиду невозможности использования генератора при выходе из строя трансформатора блока во всех случаях производится гашение поля генератора и возбудителя и останов технологического оборудования блока.

При отказе выключателя генератора или выключателя на стороне ВН блок должен отключаться от сети с помощью УРОВ генераторного выключателя или УРОВ выключателя стороны ВН.

Резервные защиты:

. Защита от несимметричных КЗ.

Назначение: отключение несимметричных КЗ при дальнем и ближнем резервировании.

Используется токовая защита обратной последовательности.

. Дополнительная резервная токовая защита на стороне ВН.

Устанавливается максимальная токовая защита с независимой выдержкой времени. Автоматически вводится в действие при исчезновении тока в цепи.

. Устройство резервирования отказа выключателей (УРОВ).

При отказе выключателя поврежденного блока УРОВ пускается защитами блока, действующими на этот выключатель, и с выдержкой времени 0,3-0,4 с., перекрывающей время отключения выключателя, действует на отключение всех выключателей, смежных с отказавшим.

. Защита от симметричных КЗ.

Назначение: дальнее и ближнее резервирование защит при трехфазном КЗ.

Применяют одноступенчатую дистанционную защиту с круговой или эллиптической характеристикой. Так как защита имеет выдержку более 1,5 с, она выполняется без блокировки при качаниях.

. Защита от КЗ на землю.

Назначение: дальнее и ближнее резервирование защит при однофазном КЗ на землю на стороне ВН (может работать и при КЗ двух фаз на землю).

Устанавливается токовая защита нулевой последовательности, включаемая на ток в нейтрали трансформатора блока. На блоке используются два комплекта защиты, поскольку целесообразно иметь разную чувствительность и разные выдержки времени для деления шин и для дальнего резервирования.

. Ускорение резервной защиты при неполнофазных отключениях блока.

При неполнофазных отключениях выключателя на стороне ВН, имеющего пофазные приводы, автоматически вводится ускорение чувствительного комплекта токовой защиты нулевой последовательности. Ускорение осуществляется с помощью реле контроля непереключения фаз и реле времени с уставкой, перекрывающей разновременность отключения фаз выключателя. Действие токовой защиты нулевой последовательности по цепи ускорения обеспечивает ускоренный пуск УРОВ на стороне ВН при неполнофазном отключении блока.