Материал: Привод к смесителю кормов

Внимание! Если размещение файла нарушает Ваши авторские права, то обязательно сообщите нам


 - эффективный коэффициент концентрации нормальных напряжений, , /2/;

 - коэффициент, характеризующий чувствительность материала к асимметрии цикла напряжений, , /2/;

 - среднее напряжение цикла нормальных напряжений, для сечения, нагруженного осевой силой:

Подставив полученные значения в формулу (1.46), получим:

Определим коэффициент запаса прочности по касательным напряжениям по формуле:

, (1.48)

где  - эффективный коэффициент концентрации касательных напряжений, , /2/;

 - коэффициент, характеризующий чувствительность материала к асимметрии цикла напряжений, , /2/;

 - масштабный фактор для касательных напряжений, ,/2/;

 - амплитуда цикла нормальных напряжений:

,

где ;

 - момент сопротивления кручению:

.

Подставив данные значения в формулу (1.48), получим:

.

Результирующий коэффициент запаса прочности для сечения «А»:


Условие прочности выполняется. В сечении «В»

Коэффициент запаса прочности по нормальным напряжениям находим по формуле:

,

где - масштабный фактор для нормальных напряжений, ,/2/;

 - коэффициент, учитывающий влияние шероховатости поверхности, , /2/;

 - амплитуда цикла нормальных напряжений:

,

где .

 - эффективный коэффициент концентрации нормальных напряжений, , /2/;

 - коэффициент, характеризующий чувствительность материала к асимметрии цикла напряжений, , /2/;

 - среднее напряжение цикла нормальных напряжений, для сечения, нагруженного осевой силой:

Подставив полученные значения, получим:

Определим коэффициент запаса прочности по касательным напряжениям по формуле:

,

где ;

 - коэффициент, характеризующий чувствительность материала к асимметрии цикла напряжений, , /2/;

 - амплитуда цикла нормальных напряжений:

,

где ;

Подставив данные значения в формулу (1.48), получим:

.

Результирующий коэффициент запаса прочности для сечения «А»:


Маленький коэффициент запаса прочности объясняется тем, что диаметр под подшипник не намного больше рассчитанного.

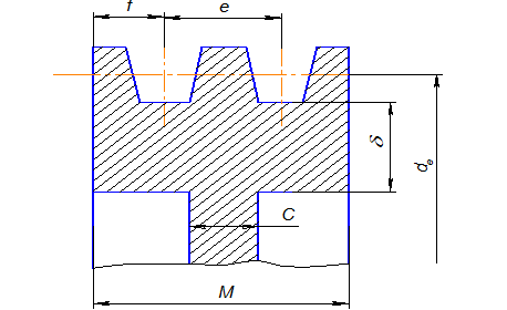
8. Расчет и конструирование шкивов

Рисунок 7. Шкив клиноременной передачи.  - ширина шкива:

 

где - число ремней; ;

/2/;

, /2/;

Подставив данные значения в формулу , получим:

 - толщина диска:

 

где- толщина обода чугунных шкивов передач:

 

где , /2/.

Подставив данное значение в формулу , получим:

Принимаем

Подставив данное значение в формулу , получим:

Принимаем

9. Смазывание редуктора

Смазывание зубчатого зацепления производится окунанием зубчатого колеса в масло, заливаемое внутрь корпуса до погружения колеса на всю длину зуба.

При контактных напряжениях  и средней скорости  вязкость масла должна быть приблизительно равна , /1/. Принимаем масло индустриальное И - 30А ( по ГОСТ 20799 - 75*), /1/.

При смазывании окунанием объем масляной ванны редуктора принимаем из расчета -  масла на 1 кВт предаваемой мощности.

Тогда при  

Подшипники смазываем пластичным смазочным материалом, закладываемым в подшипниковые камеры при монтаже. Сорт мази принимаем - солидол марки УС - 2, /1/.

10. Выбор муфты для постоянного соединения валов

Типоразмер муфты выбирают по диаметру вала и по величине расчетного вращающего момента:


При ;


Принимаем муфту: .

Выбираем: Муфта фланцевая 2500 - 75 - 1 ГОСТ 20761 - 80

Литература

1.      Н.И. Шабанов. Расчет механических приводов мобильных машин и стационарного оборудования сельскохозяйственного назначения. Учебное пособие. - Зерноград: ФГОУ ВПО АЧГАА, 2004.- 189 с.

.        С.А. Чернавский. Курсовое проектирование деталей машин: Учебное пособие. - 3-е изд., стереотипное. Перепечатка с издания 1987 г. - М.: ООО ТИД «Альянс», 2005. - 416 с.