- коэффициент формы зуба,
выбираемый в зависимости от эквивалентного числа зуба:
- для шестерни:
При
, /1/.
- для колеса:
При
, /1/.
- допускаемое напряжение при
изгибе:
, (1.45)
где
- предел выносливости по
напряжениям изгиба:
;
- коэффициент запаса прочности по
напряжениям изгиба:
,
где
- учитывает нестабильность свойств
материала,
, /2/;
- учитывает способ получения
заготовки,
. /2/.
Подставив данные значения, получим:
- коэффициент, учитывающий влияние
двухстороннего приложения нагрузки,
- нагружение в одну сторону, /2/;
- коэффициент долговечности,
, /2/.
- для шестерни:
.
Тогда
.
- для колеса:
.
Тогда
Отношение
для
шестерни
и для
колеса
.
Далее проверочный расчет проводим
для зубьев колеса, так как
Подставив данные значения в формулу (1.44) получим:
Условие выполняется.
4. Расчет валов
.1 Проектный расчет валов
) Исходные данные:
Принимаем материал валов сталь
-
допускаемые напряжения при кручении, /2/.
Определим диаметры наиболее тонкой
части валов по формуле:
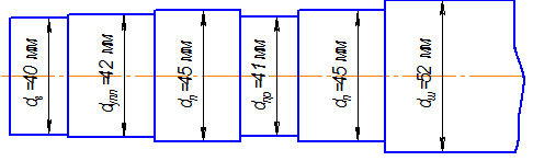
- для шестерни:
.
Принимаем по стандартному ряду
, /2/.
Остальные диаметры вала принимаем, /2/: под уплотнение
; под
подшипник
; под
шестерню конструктивно
;
промежуточный диаметр
.
Рисунок 4. Ведущий вал редуктора
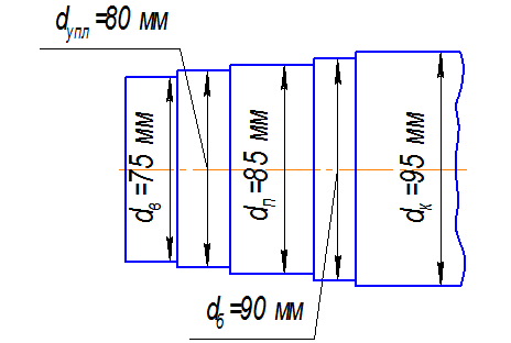
для колеса:
Принимаем по стандартному ряду
, /2/.
Остальные диаметры вала принимаем, /2/: под уплотнение
; под
подшипник
; под колесо
конструктивно
;
.
Рисунок 5. Ведомый вал редуктора
.2 Проверочный расчет вала на
статическую прочность
1) Исходные данные:
2) Определяем длины участков вала:
где
- ширина шкива,
;
- расстояние под лабиринтовое
уплотнение,
/2/;
- ширина подшипника:
.
)
Принимаем
- расстояние между боковой
поверхностью шестерни и внутренней стенкой корпуса,
(определяется замером).
;
Определим реакции в опорах в вертикальной плоскости:
Проверка:
![]()
Условие выполняется.
Определим изгибающие моменты в
сечениях вертикальной плоскости:
Определим реакции в опорах в
горизонтальной плоскости:
Проверка:
Условие выполняется.
Определим изгибающие моменты в
сечениях горизонтальной плоскости:
Определим суммарные изгибающие
моменты:
Определим расчетные моменты:
Определение диаметров вала в опасных
сечениях проводим из условия прочности:
где
- допускаемые напряжения для
материала вала,
, /2/.
В сечении «А»
Принимаем
В сечении «В»
Принимаем
В сечении «D»
Принимаем
5. Выбор и проверка подшипников
Рисунок 6. Подшипник качения
1) Исходные данные:
Суммарная величина реакций опор (нагрузка на
подшипники) равна:
2) Расчет проводим по наиболее нагруженной опоре В.
При
принимаем подшипники качения и
проверяем их по динамической грузоподъёмности С.
Так как отношение
, выбираем
радиальные шариковые подшипники.
Принимаем шариковые радиальные
подшипники 4тяжелой серии при
№ 409, для которого:
/2/.
Определим расчетную долговечность принятого подшипника по формуле:
, (1.49)
где
- эквивалентная нагрузка:
, (1.50)
где
- коэффициент радиальной нагрузки,
,/2/;
- коэффициент, учитывающий, какое
кольцо подшипника вращается,
,/2/;
- коэффициент динамичности нагрузки
воспринимаемой приводом,
, /2/;
- температурный коэффициент,
, /2/.
Подставив данные значения в формулу (1.47), получим:
Тогда

Расчетная долговечность:
Для ведомого вала назначаем подшипники
такого же типа тяжелой серии.
6. Выбор и проверка прочности шпоночных
соединений
Принимаем призматические шпонки. Размеры сечений шпонок, пазов длины шпонок по ГОСТ 23360 - 78.
Материал шпонок - сталь 45 нормализованная.
Действительные напряжения смятия определяем из условия прочности:
, (1.51)
Допускаемые напряжения смятия при
стальной ступице
Выбираем размеры шпонок и проверяем их на смятие, /2/:
a) соединение шкива ременной передачи свалом:
диаметр вала
; сечение
шпонки
; глубина
паза вала
; глубина
паза втулки
; длина
шпонки
; момент
.
Подставив данные значения в формулу (1.51), получим:
b) соединение шестерни конической передачи с валом:
диаметр вала
; сечение
шпонки
; глубина
паза вала
; глубина
паза втулки
; длина
шпонки
; момент
.
Подставив данные значения в формулу (1.51), получим:
) соединение колеса конической
передачи с валом: диаметр вала
; сечение шпонки
; глубина
паза вала
; глубина
паза втулки
; длина
шпонки
; момент
.
Подставив данные значения в формулу (1.51), получим:
d) проверяем шпонку под муфтой:
диаметр вала
; сечение
шпонки
; глубина
паза вала
; глубина
паза втулки
; длина
шпонки
; момент
.
Подставив данные значения в формулу (1.51), получим:
7. Проверочный расчет вала на
усталость
) Предел прочности Ст. 45
. Предел
выносливости при симметричном цикле изгиба
. Принимаем
.
Предел выносливости при симметричном
цикле касательных напряжений
. Принимаем
.
В соответствии с эпюрами моментов и концентраторами напряжений определяем, что опасными сечениями являются сечения «А» и «В».
В сечении «А»
Коэффициент запаса прочности по
нормальным напряжениям находим по формуле:
, (1.46)
где
- масштабный фактор для нормальных
напряжений,
,/2/;
- коэффициент, учитывающий влияние
шероховатости поверхности,
, /2/;
- амплитуда цикла нормальных
напряжений:
, (1.47)
где
;
- осевой момент сопротивления: