Материал: Повышение надежности технического обслуживания Перовской дистанции сигнализации и связи

Внимание! Если размещение файла нарушает Ваши авторские права, то обязательно сообщите нам

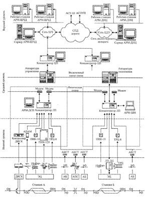
Комплекс автоматического диагностирования АДК-СЦБ

Комплекс диагностики АДК-СЦБ используется для выполнения следующих основных функций:

Рисунок 3.4 - Структурная схема системы АПК-ДК

-        - сбор первичной обработки информации от постовых и напольных устройств ЭЦ (электрическая централизация стрелок и сигналов), формирование и просмотр базы данных о работе устройств СЦБ с контролем отказных и предотказных ситуаций;

         - хранение оперативной информации на флеш-диске;

         - формирование, хранение и вывод протокола действий дежурного по станции при работе с устройствами СЦБ;

         - передача результатов диагностирования на сервер КДК для просмотра протокольных форм информации о работе постовых и напольных устройств СЦБ.

Комплекс автоматического диагностирования (АДК) предназначен для непрерывного контроля технического состояния станционных устройств СЦБ, регистрации сбоев и отказов в работе технических средств и определения их причин, протоколирования и обмена информацией с системой верхнего уровня. Все контролируемые объекты разбиты на несколько групп. Каждая группа объектов имеет свой список неисправностей (отказов), характерных для объектов только данной группы:

         рельсовые цепи (отклонение напряжения, ложная занятость/ свободность, пробой изолирующего стыка);

         кодирование блок-участков и маршрутов (отклонение параметров кодовых сигналов, отсутствие кодирования);

         централизованные стрелки (потеря контроля, время перевода, отклонение напряжения двигателя, снижение сопротивления изоляции);

         светофоры (ложное перекрытие, время перекрытия);

         выдержка времени для отмены маршрутов (отмена со свободного участка, поездная отмена, маневровая отмена);

         питание станционных систем (отклонение напряжения, тока разряда, потеря контроля);

         состояние изоляции (отклонение сопротивления, срабатывание сигнализатора заземления);

         отказы по дискретным сигналам (взрез стрелки, перегорание предохранителей, авария схемы контроля предохранителей).

АДК можно соединять с другими такими же измерительно-вычислительными комплексами объекта с помощью прикладных программных средств, которые используют при проектировании расширения локальной сети на крупных станциях и подключения удаленных объектов диагностирования.

4. Надежность устройств СЦБ

.1 Основные понятия теории надежности

При разработке и обслуживании в процессе эксплуатации систем СЦБ инженер должен обеспечить выполнение алгоритма функционирования и определенный уровень надежности.

Надежность есть важнейшая характеристика любого технического объекта, от которой зависит целесообразность его использования. При разработке и внедрении новой аппаратуры обычно определяют показатели ее надежности.

Надежность - свойство объекта сохранять во времени в установленных пределах значения всех параметров, характеризующих способность выполнять требуемые функции в заданных режимах и условиях применения, технического обслуживания, ремонтов, хранения и транспортирования. Например, надежность светофорной лампы можно определить как ее способность давать свет определенной силы при номинальном напряжении.

Надежность объекта оценивается не только во время непосредственной эксплуатации, но и во время хранения, транспортирования и ремонтов. Поэтому надежность является сложным свойством и состоит из сочетания следующих свойств: безотказности, долговечности, ремонтопригодности и сохраняемости.

С точки зрения надежности объект двоичен и находится в одном из двух состояний - исправном или неисправном. Исправное - это такое состояние, при котором объект соответствует всем требованиям нормативно-технической и(или) конструкторской документации. В неисправном состоянии объект не соответствует хотя бы одному из этих требований.

Неисправный объект может находиться в следующих состояниях - работоспособном, неработоспособном и предельном. В работоспособном состоянии значения всех параметров объекта, характеризующих его способность выполнять заданные функции, соответствуют всем требованиям нормативно-технической документации. В неработоспособном состоянии хотя бы один такой параметр не удовлетворяет требованиям документации. Например, электромагнитное реле, у которого поврежден защитный кожух, неисправно, но работоспособно. С другой стороны, реле, у которого произошел обрыв обмотки, не может выполнять свои функции и поэтому не работоспособно. Предельным называют состояние объекта, при котором его дальнейшее применение по назначению недопустимо или нецелесообразно. Предельное состояние наступает при физическом или моральном старении, резком снижении эффективности эксплуатации, при возникновении неустранимых нарушений требований безопасности и других факторов. В этом случае объект списывают или отдают в капитальный ремонт. Событие, заключающееся в нарушении исправности объекта, называется дефектом. Если объект переходит в неисправное, но работоспособное состояние, то такой дефект называют повреждением 1 (рис. 4.1). Если объект переходит в неработоспособное или предельное состояние, то это событие называют отказом 2. Обратный процесс называется процессом восстановлением работоспособности. Если объект находится в неработоспособном состоянии, то осуществляется его ремонт 3. Если объект находится в предельном состоянии, то осуществляется капитальный ремонт 4 или списание.

Рисунок 4.1 - Схема связей между состояниями объекта

Рассмотрим, указанные выше, составляющие надежности.

Безотказность - свойство технической системы непрерывно сохранять работоспособное состояние в течение некоторого времени.

Долговечность - это свойство системы сохранять работоспособное состояние до наступления предельного состояния при установленной системе технического обслуживания и ремонта.

Ремонтопригодность - это степень приспособленности системы к предупреждению, обнаружению и устранению отказов. Ремонтопригодность системы можно оценить, например, средним значением времени устранения неисправности, другими словами, средним значением времени восстановления работоспособности после отказа .

Достоверность функционирования - это свойство системы, определяющее безошибочность производимых ею преобразований информации. Достоверность функционирования оценивается средним временем наработки системы до первого сбоя .

Сохраняемость - свойство системы сохранять значения показателей безотказности, долговечности и ремонтопригодности в процессе хранения и после него, а также в процессе транспортирования.

Живучесть технической системы - способность противостоять крупномасштабным внешним воздействиям, приводящим к ее разрушению. Воздействия могут быть как естественного характера (стихийные природные бедствия, неблагоприятные погодные условия и т.п.), так и преднамеренные или ошибочные.

Понятие надежности тесно связано с понятием отказа. Отказ - событие, заключающееся в нарушении работоспособности системы, для устранения которого требуются определенные действия обслуживающего персонала по ремонту, замене, регулировке неисправного узла или устройства. По характеру возникновения выделяют отказы внезапные, постепенные и перемещающиеся (сбои).

Внезапные отказы происходят в результате скачкообразного изменения параметров системы. Внезапный отказ это случайное событие. Его трудно предсказать и можно ожидать только с определенной вероятностью.

Постепенные отказы происходят в результате постепенного изменения значений параметров системы в результате ее старения. Постепенный отказ можно прогнозировать. Постепенные отказы особенно характерны для механических систем и связаны с процессом изнашивания.

Третьим видом отказа является перемещающийся отказ или сбой, - многократно возникающий самоустраняющийся отказ одного и того же характера. Сбои присущи сложным электронным системам. Они связаны с кратковременным действием температурных изменений, внешних электромагнитных влияний, колебаний питающих напряжений и других факторов. Сбои трудно обнаружить из-за кратковременности действия, они вносят искажения в информацию, которая перерабатывается в вычислительной системе. Для восстановления работоспособности системы в этом случае достаточно восстановить достоверность информации, что не требует ремонта аппаратуры.

Когда происходит отказ и система теряет свою работоспособность, возможны две ситуации. Первая - система не ремонтируется и больше не используется по назначению. Такая система называется невосстанавливаемой. Она работает только до первого отказа. Такое использование системы применяется, если восстановление ее невозможно или экономически невыгодно. Например, технически невозможно в условиях эксплуатации отремонтировать однокристальную электронную вычислительную машину (ЭВМ). Может оказаться экономически нецелесообразным ремонтировать космический спутник, отказавший на орбите и т.д. Вторая ситуация - выполняется ремонт системы, и затем она снова используется по назначению. Такая система называется восстанавливаемой. ЭВМ общего назначения, как и большинство систем автоматики, телемеханики и связи являются восстанавливаемыми обслуживаемыми системами.

4.2 Факторы, влияющие на надежность устройств в процессе эксплуатации

Чтобы правильно дать анализ отказов и найти пути повышения надежности элементов и систем, необходимо знать факторы, влияющие на надежность, и причины появления отказов. По характеру воздействия эксплуатационные факторы делятся на объективные (воздействие внешней среды) и субъективные (воздействие обслуживающего персонала). Объективные факторы можно разделить на две группы: внешние и внутренние. К внешним факторам относятся воздействия, зависящие от внешней среды и условий применения устройств: температура, влажность, атмосферная и контактная коррозия, биологическая среда, солнечная радиация, пыль и песок, механические воздействия. К внутренним должны быть отнесены все изменения структуры материалов и параметров устройств, т.е. все процессы естественного старения и износа.

В качестве субъективных факторов следует назвать квалификацию обслуживающего персонала и организацию его технического обучения, уровень технологической дисциплины обслуживания устройств, организацию сбора и анализа сведений об отказах, порядок хранения и транспортировки аппаратуры.

Действие тепла и холода

Надежность устройств в определенной степени зависит от действия тепла и холода. Температура элементов может изменяться под действием солнечных лучей, нагревания аппаратуры от близлежащих источников высокой температуры, от внутренних источников. Перепады температуры элементов происходят при суточном изменении температуры, переносе аппаратуры из нагретого помещения в среду с холодным воздухом и обратно и т.д. Колебания температуры воздуха в течение суток имеют большое значение для эксплуатации аппаратуры.

Различают три вида температурного воздействия: постоянное, периодическое и апериодическое.

Постоянное воздействие температуры характерно для аппаратуры, непрерывно работающей в помещении. Повреждение элементов в данном случае происходит из-за несоответствия допустимой рабочей температуры элемента тепловому воздействию. Кроме того, аппаратура может отказать из-за ускоренного старения элементов (монтажные провода, обмотки реле, смазка и т.д.), обусловленного высокой рабочей температурой и отсутствием средств охлаждения.

Периодическое воздействие может быть обусловлено суточным изменением температуры, регулярным солнечным облучением и т.д. Особенно вредно сказываются переходы температуры через нуль при наличии влаги, что может в определенных условиях приводить к примерзанию якорей реле, нарушению контакта в электроприводах и т.д.

Апериодическое воздействие вызывается единичным воздействием тепла и холода, например при выносе аппаратуры из теплого помещения на холод или наоборот.

Действие влаги

Определенный процент отказов обусловлен действием влаги на применяемые в аппаратуре материалы и элементы. Влиять могут водяные пары, находящиеся в виде мельчайших частиц в окружающем воздухе; элементы аппаратуры могут непосредственно соприкасаться с водяными каплями или водой при конденсации водяных паров на поверхности аппаратуры, при смачивании брызгами воды или дождем, попадании и таянии снега.

Влага изменяет электрические характеристики материалов, способствует их гидролизу, ускоряет процессы старения, вызывает интенсивную коррозию металлов, способствует образованию плесени и т.д.

Для реле наличие влаги приводит к увеличению числа отказов в следствие обрыва обмоток из-за коррозии и электролиза, уменьшению сопротивления изоляции и пробоям между контактами, между контактами и корпусом, нарушениям контактов из-за их окисления, заеданиям в подвижной системе.

Для обеспечения влагостойкости материалов и элементов аппаратуры могут быть рекомендованы следующие меры: применение негигроскопичных изоляционных материалов, покрытие деталей и узлов негигроскопичными и гидрофобными материалами (пластмассы, лаки, краски и т.д.), гальваническое или лакокрасочное покрытие поверхности металлов, герметизация отдельных элементов аппаратуры (трансформаторов, реле, релейных шкафов и т.д.), пропитка деталей и узлов негигроскопичными материалами, введение в аппаратуру осушающих реагентов-влагопоглотителей.

Атмосферная и контактная коррозия

На работу аппаратуры может влиять атмосферная коррозия, которая бывает: мокрая, возникающая при относительной влажности, близкой к 100%, или при непосредственном попадании капель воды на элементы аппаратуры; влажная, протекающая под тонким, порой невидимым слоем жидкости, образованной при относительной влажности менее 100%; сухая, происходящая без конденсации влаги на поверхности.

Скорость коррозии зависит от относительной влажности воздуха, а также от степени загрязненности воздуха и поверхности элементов аппаратуры.

Сухая атмосферная коррозия протекает путем роста на поверхности элемента окисной пленки и может быть объяснена процессом встречной диффузии ионов металла и атомов или ионов кислорода. Примером сухой атмосферной коррозии может служить потускнение серебряной поверхности контактов штепсельных реле. При этом поверхностное(переходное) сопротивление контактов увеличивается.

Защита от коррозии сводится к нанесению антикоррозийных металлических или лакокрасочных покрытий, а иногда и к периодическому удалению окисной пленки, образовавшейся за счет сухой атмосферной коррозии.

Контактная, или электролитическая, коррозия является следствием соприкосновения металлов, имеющих различные электрохимические потенциалы, при наличии между ними проводящей пленки воды. Образовавшаяся электрохимическая микропара, в которой металл с более отрицательным потенциалом играет роль катода, приводит к интенсивному разрушению последнего.

Борьба с электролитической коррозией ведется прежде всего тщательным подбором конструктивных материалов. При этом всегда необходимо подбирать пары с наименьшей разностью потенциалов.

Старение, износ материалов и влияние квалификации обслуживающего персонала

Старением называется относительно медленное изменение физико-химических свойств материалов в процессе хранения или эксплуатации.