Материал: Попов Э.Г. Основы аналоговой техники. Учеб. пособие для студ. радиотехнических спец

Внимание! Если размещение файла нарушает Ваши авторские права, то обязательно сообщите нам

КП = Y21RИ =SRИ , F =1+SRИ ,

(3.91)

где S = Y21 – крутизна транзистора в рабочей точке; F – глубина ОС.

Для устранения отрицательной обратной связи по переменной составляющей, как и в схеме с эмиттерной стабилизацией, необходимо зашунтировать сопротивление RИ конденсатором довольно большой емкости.

4.КАСКАДЫ ПРЕДВАРИТЕЛЬНОГО УСИЛЕНИЯ

4.1.Общие сведения

Каскады предварительного усиления предназначены для усиления сравнительно слабых сигналов до уровня, необходимого для раскачки каскадов усилителя мощности. Активные элементы в усилителях предварительного усиления всегда работают с сигналами небольшой величины, что позволяет использовать в этих каскадах режим А, при котором нелинейные искажения оказываются минимальными. В качестве активных элементов в них используются биполярные и полевые транзисторы и операционные усилители. При проектировании каскадов предварительного усиления основное внимание уделяется таким параметрам, как коэффициент усиления (чаще всего по напряжению), входное и выходное сопротивления, полоса усиливаемых частот, линейные и нелинейные искажения. Как правило, предварительные усилители

состоят из нескольких каскадов. Для

связи

между каскадами

могут

использоваться непосредственная, резистивная,

трансформаторная

или

дроссельная связи. Два последних вида

межкаскадной связи

в настоящее

время

применяются довольно редко. В данном разделе основное внимание

будет

уделено резистивной связи

между

каскадами.

Особенности

непосредственной связи рассмотрим в разделе, посвященном усилителям постоянного тока.

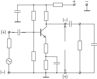
4.2. Транзисторный резисторный каскад

Принципиальная схема резисторного каскада предварительного усиления на биполярном транзисторе представлена на рис. 4.1, где

121

EИ, RИ – источник сигнала и его внутреннее сопротивление;

R1, R2, R4, R5 – сопротивления, с помощью которых осуществляется эмиттерная стабилизация рабочей точки. Кроме того, сопротивление R4 создает отрицательную последовательную обратную связь по току;

R3 – обеспечивает питание коллекторной цепи по постоянному току; СН, RН – емкость и сопротивление нагрузки (эквивалент входной цепи

следующего каскада);

R6, C2 – цепочка фильтра (может использоваться для сглаживания пульсаций источника питания, в качестве низкочастотной коррекции, как элемент коллекторной стабилизации, а также для устранения паразитной обратной связи через источник питания);

 

 

Eo

 

С2

R6

 

R1

R3

 

 

VT

 

С1

CН

RИ

 

u2 RН

 

 

R4

 

R2

 

EИ

R5

C3

Рис. 4.1

C3 – конденсатор для устранения последовательной отрицательной обратной связи по току по переменной составляющей;

C1, C4 – разделительные конденсаторы, служащие для разделения каскадов по постоянному току. Емкость этих конденсаторов выбирается достаточно большой величины, чтобы не создавать заметного сопротивления для протекания тока сигнала на самой низкой частоте полосы пропускания усилителя.

Справа от С4 включен эквивалент входной цепи следующего каскада. Физические процессы, происходящие в этой цепи, по сути не будут отличаться от процессов во входной цепи рассматриваемого транзистора. Поэтому удобнее выбрать в качестве выходного напряжение u2, действующее между коллекто-

122

ром и землей при отключенном конденсаторе С4. Влияние цепи С4, RН, CН на работу усилителя можно учесть при анализе следующего каскада. В этом случае рассматриваемый каскад можно будет представить в виде эквивалентного генератора с внутренним сопротивлением (чаще всего это сопротивление R3), нагруженным на входную цепь следующего каскада ( С4, RН = RВХ.СЛ,

СН = CВХ.СЛ).

 

 

Источник сигнала ЕИ создает ток, протекающий от

ЕИ через С1, со-

противление R1, конденсатор С2 к

ЕИ. Сопротивление конденсатора С2 для

этого тока можно считать равным нулю. Вторая составляющая тока источника сигнала протекает через С1 и сопротивление R2. Это приводит к тому, что сопротивления R1, R2 оказываются включенными параллельно. Ещё одна составляющая тока источника течет через С1, переход эмиттер-база транзистора, сопротивление R4 и конденсатор С3. Таким образом, входная цепь каскада состоит из параллельного соединения резисторов R1, R2 и входного сопротивления транзистора с учетом влияния резистора R4. Во многих случаях наличие резистора R4 не является обязательным.

В соответствии с эквивалентной схемой транзистора (рис. 3.2) выходную цепь транзистора (коллектор-эмиттер) можно заменить управляемым генератором SuБ'Э, ток которого при заданной полярности входного сигнала направлен сверху вниз. В реальной схеме ток этого генератора протекает по двум контурам. Одна составляющая тока течет от эмиттера через R4, C3, C2, R3 к коллектору. Вторая составляющая тока коллектора будет протекать от эмиттера через сопротивление R4, конденсатор С3, параллельное соединение RH, СH, конденсатор С4 к коллектору транзистора. Для удобства анализа будем считать, что цепь для второй составляющей тока коллектора разорвана, а влияние цепи нагрузки будет учитываться при расчете входной цепи следующего каскада.

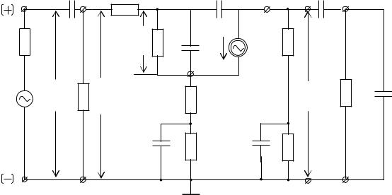
Проведенный анализ токов сигнала, протекающих в транзисторном каскаде, позволяет составить его полную эквивалентную схему для переменного тока рис. 4.2. На этой схеме сопротивление RБ является эквивалентом параллельного соединения R1 и R2. Транзистор заменен его эквивалентной схемой (точки Б, Э, К).

123

1

С1

Б

rБ'

Б′

СК

К

С4

2

 

RИ

 

uБ’Э

rБ'Э

СБ'Э

 

R3

 

 

 

 

 

 

 

SuБ'Э

 

 

 

 

RБ

 

 

 

 

 

RH

ЕИ

u1

uБ

 

R4

 

 

u2

CH

 

 

 

 

 

 

 

R6

 

 

 

 

C3

 

R5

C2

 

 

 

 

 

 

 

 

 

 

2

 

 

 

 

Рис. 4.2

 

 

 

Обычно емкость конденсаторов С3, С2 выбирается таким образом, чтобы их сопротивления для переменной составляющей стремились к нулю. Следовательно, элементы C2, C3, R5, R6 могут быть исключены из эквивалентной схемы (их влияние на работу каскада будет рассмотрено позже), а резисторы R4 и R3 при этом непосредственно соединяются с землей.

Схема (рис. 4.2) позволяет рассчитать такие основные параметры каскада, как входное и выходное сопротивления ZВХ , ZВЫХ, коэффициенты усиления К0 и K, частотную и фазовую характеристики К(ω) и Ф(ω), переходную характеристику h(t).

Входное сопротивление резистивного каскада на транзисторе состоит из RБ и подключенного параллельно ему входного сопротивления транзистора ZВХТ и сопротивления емкости С1:

Z

ВХ

=

R БZВХТ

+

1

,

(4.1)

 

jωC

 

 

R

Б

+ Z

ВХТ

 

 

 

 

 

 

 

 

 

1

 

 

где ZВХТ – входное сопротивление транзистора, равное отношению напряжения uБ между базой и землей к току базы iБ:

ZВХТ = uБ = uБЭ +iЭR4 = h11 +(1+ h21)R4 .

(4.2)

iБ

iБ

 

124

Нетрудно видеть, что входное сопротивление каскада ZВХ растет по мере уменьшения частоты за счет увеличения сопротивления емкости С1. Параллельное соединение R5, C3 также может влиять на ZВХ. На частотах, где сопротивление емкости С3 оказывается соизмеримо с величиной R5, необходимо учитывать влияние этого соединения на входное сопротивление транзистора ZВХТ:

ZВХТ = h11 +(1+h21)R4+(1+h21)ZR5C3,

(4.3)

где ZR5C3 = R5//C3 – сопротивление параллельного соединения R5 и C3.

В общем случае параметр h11 в (4.2 – 4.3) является комплексной величи-

ной

h11 = rБ+ ZБЭ = rБ+

rБЭ

 

.

(4.4)

1+ jωC

r

 

 

Б Э Б Э

 

Частотная зависимость h11 проявляется на высоких частотах и возникает из-за влияния емкости СБ'Э.

В области средних частот, где емкости не оказывают никакого влияния, входное сопротивление согласно (4.1) – (4.4) становится равным

R ВХ = R Б // R ВХТ =

R Б[h11 +(1 + h21)R4 ]

.

(4.5)

 

 

R Б + h11 +(1 + h21)R4

 

Это сопротивление не может быть больше, чем RБ, однако может несколько возрастать с ростом R4 под влиянием усиливающейся отрицательной обратной связи, последовательной по входу. Такая обратная связь далеко не всегда используется в каскадах предварительного усиления. Для ее устранения следует убрать из схемы сопротивление R4, при этом существенно упрощаются выражения (4.2, 4.3, 4.5):

Z

ВХ

= uБ = h

 

= r +

rБЭ

 

,

 

 

1+ jωC

 

 

i

Б

11

 

Б

r

 

 

 

 

 

 

 

Б Э Б Э

R ВХ=R Б// R ВХТ

=

 

R Б[rБ+rБЭ ]

=

R Бh11

.

 

 

 

 

 

 

 

 

 

R Б +rБ+rБЭ

R Б +h11

При необходимости учесть влияние цепи R5 C3, сопротивление этой цепи надо добавить к входному сопротивлению транзистора:

125