Материал: Попов Э.Г. Основы аналоговой техники. Учеб. пособие для студ. радиотехнических спец

Внимание! Если размещение файла нарушает Ваши авторские права, то обязательно сообщите нам

С ростом температуры ток эмиттера увеличивается, растет падение напряжения на сопротивлении RК, базовый ток уменьшается, и рабочая точка стремится вернуться к своему прежнему состоянию.

Отрицательная ОС уменьшает приращение коллекторного тока ∆IК в

F раз:

IKF =

IK

,

(3.86)

 

 

F

 

где ∆IК – приращение коллекторного тока в схеме без ООС (рис. 3.28), определяемое с помощью (3.72).

Коэффициент петлевого усиления КП и глубину обратной связи F определим, воспользовавшись выражением (2.22):

КП =

Y21YB12

.

 

 

 

(Y1 + Y11 )(Y2 + Y22 )

 

Для рассматриваемой

схемы

имеем

YВ12 = –1/RБ,

Y1 = 0, Y11 = 1/h11,

Y2 >> Y22, Y2 = 1/RК. Отсюда

 

 

 

 

 

 

 

К

 

= −Y

h11R K = −h

R K ,

(3.87)

 

П

21

R Б

 

21 R Б

 

 

 

F =1K

П

=1+ h

21

RK .

(3.88)

 

 

 

 

 

RБ

 

Схема с коллекторной стабилизацией напоминает предыдущую, если считать, что RК включено в цепь эмиттера (действительно, по RК протекает ток эмиттера I= I+ I) и выполняет ту же функцию, что и сопротивление RЭ.

116

Однако стабилизирующее действие схемы с коллекторной стабилизацией несколько хуже, чем у схемы на рис. 3.34 (получение достаточно глубокой ООС в схеме смещения, использующей коллекторную стабилизацию, связано со значительными трудностями). Реальная величина сопротивления RБ в рассматриваемой схеме оказывается существенно больше, чем в схеме с эмиттерной стабилизацией. Уменьшение RБ ведет к быстрому снижению входного сопротивления каскада и уменьшению коэффициента усиления. Увеличение RК для подъема F ограничивается чрезмерным снижением напряжения U.

 

 

 

Довольно часто

оба способа

СФ

 

RФ

стабилизации рабочей точки исполь-

 

Е0

 

 

RБ1

RK

зуются одновременно в одном каска-

 

 

 

де. В схеме (рис. 3.38) сопротивления

 

 

С2

RБ1, RБ2, RЭ осуществляют эмиттер-

С1

 

VT

ную стабилизацию, а – сопротивления

 

 

 

 

RБ1, RБ2, RФ – коллекторную. Конден-

 

 

 

RБ2

RЭ

CЭ

сатор СФ служит для устранения от-

рицательной обратной связи по на-

 

 

 

пряжению, параллельной по входу для

 

 

 

переменной составляющей. Цепочка

 

Рис. 3.38

RФ, СФ одновременно

играет роль

 

 

 

сглаживающего фильтра в цепи питания. Такой способ задания рабочей точки иногда называют комбинированной стабилизацией.

3.4.6. Использование генераторов стабильного тока в цепях питания

транзисторов

Как показывает анализ эмиттерной стабилизации, для повышения стабильности рабочей точки необходимо увеличивать сопротивление в цепи эмиттера RЭ. Однако при этом ухудшаются условия питания транзистора, так как напряжение на коллекторе транзистора уменьшается за счет увеличения падения напряжения на резисторе RЭ. Поэтому величину сопротивления в цепи эмиттера обычно выбирают таким образом, чтобы падение напряжения на нем не превышало 25 – 30 % от E0. Существенно лучшие результаты получаются

117

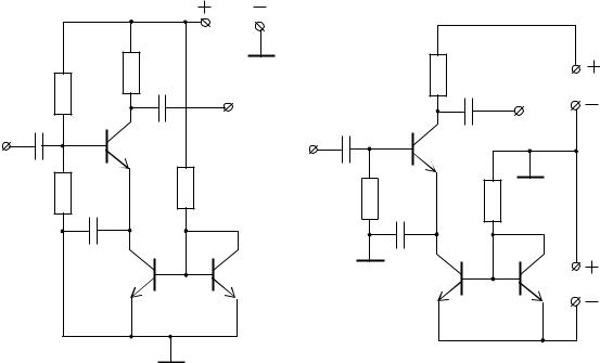
при использовании схемы, представленной на рис. 3.39, а. Здесь резистор Rэ заменен генератором стабильного тока, собранным на транзисторах VT2,VT3. Высокая стабильность рабочей точки в этой схеме обеспечивается тем, что в цепь эмиттера транзистора VT1 подается постоянный ток от ГСТ, определяемый практически сопротивлением R4 и напряжением Е0 (3.77). Большое дифференциальное выходное сопротивление ГСТ позволяет получить очень большую глубину отрицательной обратной связи по току в данной схеме.

 

Е0

 

 

 

R3

 

R2

R1

C3

 

E0/2

C1

 

C1

C3

 

VT1

 

VT1

R2

R4

R1

R3

C2

 

C2

 

VT2

VT3

VT2

VT3 E0/2

а

б

Рис. 3.39

ООС по сигналу устраняется с помощью конденсатора C2. Способ подачи смещения в схеме на рис. 3.39, а можно назвать подачей смещения фиксированным током эмиттера.

Дальнейшее развитие этой схемы представлено на рис. 3.39, б. Здесь используется двухполярный источник питания, состоящий из двух половинок Е0/2, средняя точка которого заземлена. Нижнее плечо источника Е0/2 используется для питания генератора стабильного тока на транзисторах VT2, VT3 и задания необходимого смещения на переходе эмиттер-база транзистора VT1. В этом случае схема несколько упрощается. Потенциал базы транзистора VT1 не отличается от нуля, и благодаря этому можно отказаться от сопротивлений делителя в цепи базы и разделительного конденсатора, если в источнике сигнала

118

отсутствует постоянная составляющая. При необходимости разделить каскады по постоянной составляющей в базовую цепь включают конденсатор С1 и сопротивление R1 (на рис. 3.39, б они показаны пунктиром). Такой способ питания транзисторных каскадов очень широко используется в интегральной схемотехнике и при разработке дифференциальных каскадов.

3.4.7. Цепи питания полевых транзисторов

Обилие различных типов полевых транзисторов приводит к большому разнообразию сочетаний полярностей напряжений, прикладываемых между затвором и истоком и между стоком и истоком. Эти сочетания определяются

RC

Е0

 

 

E0

 

E0

 

VT

 

R1

RC

 

 

 

RC

 

 

VT

RЗ

 

VT

 

 

E

RЗ RИ

CИ

UR2

UR2 СИ U

 

 

 

 

RИ

а

б

 

 

в

 

 

Рис. 3.40

 

 

типом канала транзистора (n-тип, р-тип) и способом его активизации (встроенный канал, индуцированный канал). Как следует из характеристик, представленных на рис. 3.16, полярность напряжения на затворе может отличаться от полярности напряжения на стоке или совпадать с ней. Однако идеи подачи напряжения смещения на затвор остаются одинаковыми для всех типов полевых транзисторов.

Подача смещения может осуществляться от отдельного источника (рис. 3.40, а) или автоматически (рис. 3.40, б – в). Схема на рис. 3.40, а используется крайне редко, так как применение дополнительного источника питания Eсущественно усложняет устройство усилителя. Принцип действия

119

схем (см. рис. 3.40, б, в) не отличается от принципа действия схемы эмиттерной стабилизации. В этих схемах за счет сопротивлений RИ создается отрицательная обратная связь по постоянному и переменному токам, последовательная по входу. Отрицательная обратная связь по постоянному току, как и в случае эмиттерной стабилизации, стабилизирует положение рабочей точки каскада на полевом транзисторе. Отрицательная обратная связь по переменному току уменьшает коэффициент усиления каскада. Для устранения ООС по переменной составляющей резистор в цепи истока RИ шунтируют конденсатором достаточно большой емкости СИ.

Необходимое напряжение смещения U= UИ получается за счет постоянного тока стока, протекающего по сопротивлению RИ. В связи с тем, что постоянный ток в цепи затвора отсутствует, все напряжение UИ (рис. 3.40, б) оказывается приложенным через сопротивление RЗ между истоком и затвором транзистора. Включение в цепь затвора делителя R1, R2 позволяет получить на затворе напряжение любой полярности (рис. 3.40, в). Действительно,

U= UR2 U= R 2IД R ИI,

(3.89)

где IД – ток делителя. Если UR2 > U, напряжение на затворе окажется положительным по отношению к истоку, в противном случае – отрицательным. Необходимую величину напряжения UR2 всегда можно выбрать, задаваясь напряжением U, т.е. величиной тока в рабочей точке Iи сопротивлением RИ.

Стабильность рабочей точки в схемах на рис. 3.39, б, в обеспечивается за счет отрицательной обратной связи по току, последовательной по входу (как и в схеме с эмиттерной стабилизацией). Коэффициент петлевого усиления и глубина обратной связи для рассматриваемых схем можно определить, используя выражения (3.81) – (3.83) и заменив в них RЭ на RИ, а RБ – на RЗ:

КП =

(1+ h21 )RИ =

(1+ h21 )R И

Y21R И .

(3.90)

 

RЗ + h11

h11 (1+

RЗ

)

1+

RЗ

 

 

 

h11

h11

 

 

 

 

 

 

 

 

 

 

С учетом того что h11 для полевого транзистора в области низких и средних частот стремится к бесконечности, приведенное выше выражение значительно упрощается и принимает форму

120