Материал: Подготовка и выполнение захода на посадку

Внимание! Если размещение файла нарушает Ваши авторские права, то обязательно сообщите нам

Подготовка и выполнение захода на посадку

Содержание

Введение

Глава 1. Общие понятия

Глава 2. Процедуры захода на посадку, повторного захода, включая процедуры снижения шума

.1 Маневрирование при заходе на посадку

.2 Начальный участок захода на посадку

.2.1 Типы маневра обратной схемы

.2.2 Вход

.2.3 Снижение

.2.4 Влияние ветра

.3 Промежуточный участок захода на посадку

.4 Конечный участок захода на посадку

.4.1 Конечный участок захода на посадку при неточном заходе на посадку

.5 Участок ухода на повторный заход на посадку

.5.1 Этапы ухода на повторный заход

.6 Измерение шума при заходе на посадку

Глава 3. Классификация воздушных судов

Глава 4. Инструментальный заход на посадку

.1 Этапы инструментального захода на посадку

.2 Способы инструментального захода на посадку

Глава 5. Визуальный заход на посадку

.1 Характерные участки при выполнении захода на посадку

.2 Запас высоты над препятствиями

.3 Градиент набора и снижения

Глава 6. Заход на посадку с использованием различных посадочных систем

.1 Заход на посадку по системе ILS

.2 Заход на посадку по VOR или NDB

.3 Заход на посадку по двум NDB

.4 Заход на посадку по GCA

Глава 7. Анализ авиационных происшествий

Заключение

Практические рекомендации

Список литературы

Введение

Актуальность. Одними из основных задач воздушной навигации является точное и надежное планирование маршрута полета в части воздушного пространства, свободного от запретных зон и препятствий; а также навигационный расчет захода на посадку. Для успешного выполнения этих задач, пилот должен знать теоретические основы воздушной навигации, уметь выбирать необходимую аэронавигационную информацию для выполнения навигационных расчетов и выполнять их, анализировать (определять) возможность выполнения полетов в зависимости от сложившихся обстоятельств и фактических метеорологических условий предстоящего полета.

Знание положений воздушной навигации должно быть неотделимой частью знаний пилота при выполнении им своих профессиональных обязанностей.

Цель ВКР - закрепить, углубить и обобщить знания, полученные в процессе изучения дисциплины «Воздушная навигация», касаемые выполнения захода на посадку.

Объект изучения. Условием успешного выполнения захода на посадку является качественная навигационная подготовка экипажа к полету, которая включает в себя:

этапы полета ВС, посадка ВС;

способы захода на посадку (способы, используемое оборудование, точность, использование АНИ, особенности подготовки и выполнения, порядок расчета экипажем).

Целью выполнения предварительных навигационных расчетов, в зависимости от аэронавигационной обстановки и целевой задачи предстоящего полета, является обеспечение, безопасности и экономичности полетов.

Задача ВКР - выбрать и обобщить необходимую информацию, связанную с подготовкой и выполнением захода на посадку. Изучить статистику авиационных происшествий, связанных с некачественной подготовкой к полету.

Глава 1. Общие понятия

Аэронавигация - управление траекторией движения ВС, осуществляемое экипажем в полете. Процесс аэронавигации включает в себя решение трех основных задач:

формирование (выбор) заданной траектории;

определение местоположения ВС в пространстве и параметров его движения;

формирование навигационного решения (управляющих воздействий для вывода ВС на заданную траекторию);

Наука или учебная дисциплина, изучающая эту деятельность.

Аэронавигация как наука и учебная дисциплина.

Аэронавигация - прикладная наука о точном, надежном и безопасном вождении ВС из одной точки в другую, о методах применения технических средств навигации.

Район аэродрома - воздушное пространство над аэродромом и прилегающей к нему местностью, в установленных границах в горизонтальной и вертикальной плоскостях.

Аэродромный круг полётов (схема полета в зоне взлета и посадки) - установленный маршрут в районе аэродрома, по которому (или части которого) выполняется набор высоты после взлета, снижение для захода на посадку, ожидание посадки, выполнение полета над аэродромом.

Зона взлета и посадки - воздушное пространство от уровня аэродрома до высоты второго эшелона включительно, в границах, обеспечивающих маневрирование воздушных судов при взлете и заходе на посадку.

Предпосадочная прямая - заключительная часть схемы захода на посадку от точки выхода из четвертого разворота до точки приземления.

Установленный маршрут - маршрут вне воздушной трассы, мест-ной воздушной линии, согласованный с компетентными органами, заинтересованными ведомствами и организациями и предназначенный для исполнения авиационных работ.

Схема захода на посадку - установленный маршрут в районе аэродрома, по которому воздушное судно выполняет полет от точки входа в район аэродрома до выхода на предпосадочную прямую, то есть выполняет заход на посадку.

Схема захода на посадку обеспечивает безопасность, разведение прибывающих и вылетающих воздушных судов, помогает соблюдать эшелонирование. Существует несколько типов захода, для каждого аэродрома публикуются определённые схемы. Выбор той или иной схемы обусловлен географическим расположением аэродрома и наличием на аэродроме того или иного радионавигационного оборудования (например, курсо-глиссадная система, VOR, ОСП, РСП).

Рисунок 1. Стандартный маршрут прибытия (STAR)

При публикации схемы захода часто обозначают термином стандартный маршрут прибытия по приборам, STAR (англ. Standard terminal arrival route). Как правило, в данном случае, классический полет по кругу не находит применения, схемы чаще приводят сразу в район третьего или четвертого разворота или на предпосадочную прямую.

Рисунок 2. Схема подхода аэродрома Барнаул (Михайловка)

В СССР наибольшее распространение получила схема полета по аэродромному кругу типа «коробочка» (практически существовала одна универсальная схема для всех аэродромов с небольшими вариациями). Маршрут («круг») выглядит как прямоугольник со скруглёнными углами (так называемыми «разворотами»). После взлёта и набора безопасной высоты самолёт выполняет первый разворот на 90° вправо или влево (соответственно схемы бывают правые и левые), затем для создания бокового уклонения относительно ВПП 4, 7 или 12 км (или другое установленное расстояние - ширина прямоугольного маршрута (ШПМ)) выполняется второй разворот и самолёт движется параллельно ВПП в направлении обратном направлению взлёта и посадки. Затем выполняются соответственно третий и четвёртый развороты. Места выполнения разворотов - определённые географические точки (указанные на схеме захода на посадку для данного аэродрома).

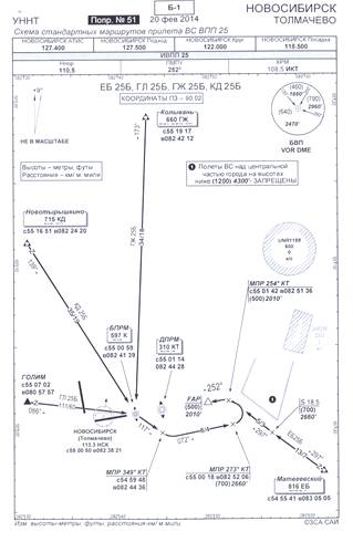
Рисунок 3. Схема стандартных маршрутов прилета аэродрома Новосибирск (Толмачево)

При прилете диспетчер может направить воздушное судно к второму, третьему или сразу четвёртому развороту, или, например, к траверзу ДПРМ, это означает, что экипаж начинает выполнение схемы с указанной точки. Полёт по кругу выполняется на высоте круга, кроме того для каждого разворота может быть отдельно задана высота полета. Данная схема полета позволяет достаточно просто и с достаточной точностью выйти на предпосадочную прямую.

Сначала может выполняться пролет любого ориентира ВПП (привода (ДПРМ, БПРМ), VOR, маркерного радиомаяка, самой ВПП, даже, например, костра), затем выполняется полет по прямоугольному маршруту с регистрацией времени полета на каждом отрезке. Зная скорость и время полета легко вычислить пролетаемые расстояния. Зная расстояние между первым и вторым разворотами легко найти время полета между третьим и четвертым разворотами для выхода на предпосадочную прямую в створ полосы. Для этого так же может применяться фиксированное время полета после прохождения траверза привода.

Из-за сильно возросшей в наши дни нагрузки на аэродромы, классический полет по аэродромному кругу встречается реже, оставаясь возможным лишь для выполнения особых процедур, например, полет без возможности ведения радиосвязи. Схема же ухода на второй круг часто выполняется через обязательное нахождение в зоне ожидания.

Рисунок 4. Схема посадки аэродрома Новосибирск (Толмачево)

Глава 2. Процедуры захода на посадку, повторного захода, включая процедуры снижения шума

.1 Маневрирование при заходе на посадку

Корпорация JEPPESEN помещает в JAM карты (схемы) процедуры захода на посадку, опубликованные в AIP различных государств и если то или иное государство представляет информацию, в соответствии с какими правилами рассчитаны процедуры захода на посадку, то корпорация JEPPESEN при издании таких карт помещает в левом нижнем углу специальную сноску. Встречается следующие сноски:- номер поправки Х процедуры. Возросший номер Х указывает на изменение процедуры.- военный (для построения процедур использовался военный источник).OPS - наличие данной сноски указывает, что государство установило процедуру захода на посадку по приборам в соответствии с DOC 8168 том 2, 1 и 2 издание.OPS 3 - DOC 8168 том 2 3 издание.OPS - JEPPESEN OPS - государство установило процедуру согласно ИКАО.

С целью повышения точности навигации по маршрутам STAR государства публикуют карты (схемы) с обозначением RNAV STAR или FMS STAR, выполнение предписанных маршрутов подхода осуществляется ВС, оборудованных средством зональной навигации.

Схема захода на посадку по приборам может иметь пять отдельных участков:

прибытие с маршрута (Arrivalroute);

начальный (Initial);

промежуточный (Intermediate);

конечный (Final);

уход на повторный заход (Missedapproach).

Участки захода на посадку начинаются и заканчиваются в пределах, установленных контрольными точками.

Знание участков маршрута прибытия для захода на посадку предполагает знание пилотом критериев пролета препятствий, выдерживания ограничений по скорости, кренов и других параметров, которые свойственны каждому участку.

На многих схемах захода на посадку публикуется точка IAF с целью представления пилоту информации, что после пролета этой точки ВС находится вне пределов маршрутной структуры и начинается участок осуществления маневра для захода на посадку.(InitialApproachFix) - фиксированная точка начального этапа захода на посадку(IntermediateFix) - фиксированная точка промежуточного этапа;(FinalApproachPoint) - точка конечного этапа захода на посадку;(FinalApproachFix) - фиксированная точка конечного этапа захода на посадку;(MissedApproachPoint) - точка ухода на повторный заход

Рисунок 5. Участки схемы захода на посадку

.2 Начальный участок захода на посадку

На начальном участке захода на посадку в основной зоне обеспечивается минимальный запас высоты над препятствием (МОС) 300м.

Очень часто ВС выходит в район аэродрома с направлений, противоположных посадочному путевому углу. В этом случае для выхода на промежуточный или конечный этап предписывается выполнение маневра обратной схемы.

.2.1 Типы маневра обратной схемы

Существует три типа маневра, которые относятся к обратной схеме:

. Стандартный разворот на 45º/180º начинается в точке местонахождения навигационного средства или в контрольной точке и состоит из:

прямого участка с наведением по линии пути; этот прямой участок может ограничиваться временем полета, радиалом и расстоянием по DME;

разворота на 45º;

- прямого участка без наведения по линии пути; длина участка ограничивается временем полета, которое составляет 1 мин с момента начала разворота для ВС категорий А и В и 1 мин 15с с момента начала разворота для ВС категорий C, D, и Е;

разворота на 180º в противоположном направлении для выхода на линию пути приближения.

Рисунок 6. Обратная схема захода на посадку типа «ипподром»

Рисунок 7. Обратная схема захода на посадку типа «Разворот на посадочный курс»

Рисунок 8. Стандартный разворот

Рисунок 9. Схема подхода аэродрома Омск (Центральный)

. Стандартный разворот на 80º/260º начинается в точке нахождения навигационного средства или в контрольной точке и состоит из:

прямого участка с наведением по линии пути: этот прямой участок может ограничиваться временем полета, радиалом или расстоянием по DME;

разворота на 80º;

- разворота на 260º в противоположном направлении для выхода на линию пути приближения.

Стандартным разворот считается левым/правым, если первоначальный отворот производится влево/вправо.

Рисунок 10. Обратная схема - стандартный разворот

Рисунок 11. Схема посадки аэродрома Барнаул (Михайловка)

. Обратный разворот на посадочную прямую, состоящий из указанной обратной линии пути и заданной длительности полета или расстояния по DME от навигационного средства с последующим разворотом для выхода на линию пути приближения. Обратная линия пути и/или время полета могут отличаться для различных категорий ВС. В этом случае публикуются отдельные схемы.

Рисунок 12. Обратная схема - разворот на посадочный курс

В том случае, когда прямолинейный участок не имеет достаточной протяженности для необходимой потери абсолютной высоты и когда целесообразно выполнять вход в обратную схему, то применяется схема типа «ипподром».

Схема типа «ипподром» состоит из разворота от линии пути приближения на 180º после пролета навигационного средства или контроль-ной точки с выходом на обратную линию пути при длительности полета по этой линии в течение 1, 2 или 3 мин с последующим разворотом на 180º в том же направлении для возвращения на линию пути приближения. Вместо временного предела для полета по участку обратной линии пути в качестве предела может использоваться расстояние по DME или пересекающий радиал/пеленг. Как правило, схема типа «ипподром» применяется в тех случаях, когда ВС прибывает, пролетая над контрольной точкой, с различных направлений. В этих случаях предполагается, что ВС будут входить в схему точно также, как это предписывается в отношении входа в зону ожидания, с учетом того, что:

а) смещенный вход из сектора 2 ограничивает время полета по смещенной на 30º линии пути до 1 мин 30с, после чего предполагается, что за оставшееся время удаления пилот выполнит разворот на курс, параллельный обратной линии пути, если время полета в сторону удаления составляет лишь 1 мин, время полета по смещенной на 30º линии пути также составляет 1мин.

б) параллельный вход не выполняется непосредственно с возвращением к средству без предварительного пересечения линии пути приближения при выходе на конечный участок схемы захода на посадку.

в) все маневры выполняются на стороне маневрирования. В том случае, когда отсутствуют карты (схемы STAR, поясняющие процедуру прибытия), необходимо руководствоваться положениями DOC - 8168. основные требования этого документа изложены в JAM в разделе ATC на стр. серии 200 ниже изложены требования по выполнению процедур обратных схем.

Рисунок 13. Обратная схема типа Ипподром

2.2.2 Вход

Если в схеме не содержаться особые ограничения по входу, вход в обратные схемы осуществляется с линии пути + 30º от линии пути обратной схемы.