Материал: Патан Серов учебник

Внимание! Если размещение файла нарушает Ваши авторские права, то обязательно сообщите нам

сепсис), интоксикации (тиреотоксикоз, гепатотоксические яды), поражения желудочнокишечного тракта, системные заболевания соединительной ткани и др.

Исход гепатита зависит от характера и течения, от распространенности процесса, степени поражения печени и ее репаративных возможностей. В легких случаях возможно полное восстановление структуры печеночной ткани. При остром массивном повреждении печени, как и при хроническом течении гепатита, возможно развитие цирроза.

Вирусный гепатит

Вирусный гепатит - вирусное заболевание, характеризующееся преимущественно поражением печени и пищеварительного тракта. Болезнь названа именем С.П. Боткина (болезнь Боткина), который в 1888 г. впервые выдвинул научно обоснованную концепцию в отношении ее этиологии и патогенеза (инфекционная желтуха).

Этиология и эпидемиология. Возбудителями гепатита являются вирусы А (HAV), В (HBV) и дельта (HDV).

HAV - РНК-содержащий вирус гепатита А - вызывает вирусный гепатит А. Путь передачи инфекции фекально-оральный от больного человека или вирусоносителя (инфекционный гепатит). Инкубационный период составляет 15-45 дней. Для этого типа гепатита характерны эпидемические вспышки (эпидемический гепатит). Течение гепатита А, как правило, острое, поэтому он не ведет к развитию цирроза печени.

HBV вызывает вирусный гепатит В, для которого характерен чрескожный механизм передачи: переливание крови, инъекции, татуировка (сы- вороточный гепатит). Источником инфекции служит больной человек или вирусоноситель. Инкубационный период продолжается 25-180 дней (гепатит с длительным инкубационным периодом). Вирусный гепатит В, который может быть как острым, так и хроническим, широко распространен во всех странах мира, причем отмечается тенденция к его учащению. Он - частый спутник СПИДа (см.Инфекционные заболевания).

HDV, который является дефектным РНК-вирусом (для его репликации требуется «вспомогательная функция» HBV или других гепатовирусов), вызывает вирусный дельтагепатит. Он может возникать одновременно с вирусным гепатитом В или быть проявлением суперинфекции у носителей HBV. Протекая остро илихронически, дельта-гепатит утяжеляет вирусный гепатит В.

Выделяют также гепатит ни А ни В, возбудитель которого не идентифицирован. Полагают, что эту форму гепатита вызывают два возбудителя с различными сроками инкубации в организме и разными путями передачи (энтеральный, парентеральный). В 50% случаев он имеет хроническое течение.

Наибольшее эпидемиологическое и клиническое значение среди вирусных гепатитов имеет вирусный гепатит В.Вирусный гепатит В

496

Этиология. Вирусом гепатита В считают ДНК-содержащий вирус (частица Дейна), включающий три антигенные детерминанты: 1) поверхностный антиген (HBsAg); 2) сердцевидный антиген (HBcAg), с которым связывают патогенность вируса; 3) HBeAg, который расценивают как маркер ДНК-полимеразы. Антигены вируса В можно выявить в тканях с помощью гистологических (окраски альдегидфуксином, орсеином) или иммуногистохимических методов (использование антисывороток к HBsAg, HBcAg, HBeAg).

Патогенез. В настоящее время принята вирусно-иммуногенетическая теория патогенеза вирусного гепатита типа В, согласно которой разнообразие его форм связывают с особенностями иммунного ответа навнедрение вируса. Считают, что вслед за

первичной репродукцией вируса в регионарных лимфатических узлах (регионарный лимфаденит) наступает вирусемия, причем вирус переносится эритроцитами, что ведет к их повреждению, появлению антиэритроцитарных антител. Вирусемия обусловливает генерализованную реакцию лимфоцитарной и макрофагальной систем (лимфоаденопатия, гиперплазия селезенки, аллергические реакции). Гепатотропность вируса позволяет объяснить избирательную его локализацию в гепатоцитах. Однако непосредственным цитопатическим действием вирус гепатита В не обладает. Повреждение гепатоцитов обусловлено иммунным цитолизом (реакция эффекторных клеток иммунной системы на антигены вируса), который поддерживается возникающей аутоиммунизацией. Индукция иммунного цитолиза осуществляется иммунными комплексами, содержащими главным образом HBsAg. Иммунный цитолиз гепатоцитов может быть как клеточным (Т-клеточная цитотоксичность в отношении HBsAg), так и антителозависимым (осуществляется К- клетками). Аутоиммунизация связана со специфическим печеночным липопротеином, возникающим в результате репликации вируса в гепатоцитах и

выступающим в ролиаутоантигена. Иммунный цитолиз ведет к некрозу, который может захватывать различную площадь печеночной паренхимы. В связи с этим различают несколько типов некроза гепатоцитов при вирусном поражении печени: 1) пятнистые, при которых некроз

имеет характер цитолитического (колликвационного) или «ацидофильного» (коагуляционного); 2) ступенчатые, обусловленные периполезом или эмпериополезом лимфоцитов; 3) сливающиеся, которые могут быть мостовидными (центроцентральные, центропортальные, портопортальные), субмассивными (мультилобулярными) и массивными.

Классификация. Различают следующие клинико-морфологические формы вирусного гепатита: 1) острую циклическую (желтушную); 2) безжелтушную; 3) некротическую (злокачественную, фульминантную, молниеносную); 4) холестатическую; 5) хроническую. При первых четырех формах речь идет об остром гепатите.

Патологическая анатомия. При острой циклической (желтушной) форме вирусного гепатита морфологические изменения зависят от стадии заболевания (стадии разгара и выздоровления).

В стадию разгара заболевания (1-2-я неделя желтушного периода) печень (данные лапароскопии) становится увеличенной, плотной и красной, капсула ее напряжена (большая красная печень).

497

При микроскопическом исследовании (биоптаты печени) отмечаются нарушение балочного строения печени и выраженный полиморфизм гепатоцитов (встречаются двуядерные и многоядерные клетки), часто в клетках видны фигуры митоза.

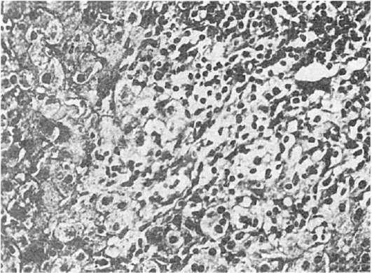
Преобладает гидропическая и баллонная дистрофия гепатоцитов, в различных отделах долек встречаются очаговые (пятнистые) и сливные некрозы гепатоцитов (рис. 214), тельца Каунсильмена в виде округлых эозинофильных гомогенных образований с пикнотичным ядром или без ядра (они представляют собой гепатоциты в состоянии коагуляционного некроза с резко уменьшенными в размерах органеллами - «мумифицированные гепатоциты»).

Портальная и внутридольковая строма диффузно инфильтрирована лимфоцитами и макрофагами с примесью плазматических клеток, эозинофильных и нейтрофильных лейкоцитов (см. рис. 214). Число звезд-

Рис.

214. Острый вирусный гепатит (биопсия печени). Баллонная дистрофия и некроз гепатоцитов. Лимфогистиоцитарный инфильтрат в портальном тракте и синусоидах

чатых ретикулоэндотелиоцитов значительно увеличено. Клетки инфильтрата выходят из портальной стромы в паренхиму дольки и разрушают гепатоциты пограничной пластинки, что ведет к появлению перипортальных ступенчатых некрозов. В различных отделах долек много переполненных желчью капилляров.

Следует особо подчеркнуть разрушение мембран гепатоцитов, что ведет к «ферментативному взрыву» при остром вирусном гепатите, повышению в сыворотке крови активности аминотрансфераз, являющихся маркерами клеточного цитолиза.

498

В стадию выздоровления (4-5-я неделя заболевания) печень приобретает нормальные размеры, гиперемия ее уменьшается; капсула несколько утолщена, тусклая, между капсулой и брюшиной встречаются небольшие спайки.

При микроскопическом исследовании находят восстановление балочного строения долек, уменьшение степени некротических и дистрофических изменений. Выражена регенерация гепатоцитов, много двуядерных клеток во всех отделах долек. Лимфомакрофагальный инфильтрат в портальных трактах и внутри долек становится очаговым. На месте сливных некрозов гепатоцитов находят огрубение ретикулярной стромы и разрастание коллагеновых волокон. Пучки коллагеновых волокон обнаруживают также в перисинусоидальных пространствах.

При острой циклической форме гепатита частицы вируса и антигены обычно не находят в ткани печени. Лишь при затянувшемся течении гепатита в единичных гепатоцитах и макрофагах иногда обнаруживают

HBsAg.

При безжелтушной форме гепатита изменения печени по сравнению с острой циклической формой выражены меньше, хотя при лапароскопии находят картину большой красной печени (возможно поражение лишь одной доли). Микроскопическая картина иная: баллонная дистрофия гепатоцитов, очаги их некроза, тельца Каунсильмена встречаются редко, резко выражена пролиферация звездчатых ретикулоэндотелиоцитов; воспалительный лимфомакрофагальный и нейтрофильный инфильтрат хотя и захватывает все отделы долек и портальные тракты, но не разрушает пограничную пластинку; холестаз отсутствует.

Для некротической (злокачественной, фульминантной или молниеносной) формы вирусного гепатита характерен прогрессирующий некроз паренхимы печени. Поэтому печень быстро уменьшается в размерах, капсула ее становится морщинистой, а ткань - серо-коричневой или желтой. При микроскопическом исследовании находят мостовидные или массивные некрозы печени. Среди некротических масс встречаются тельца Каунсильмена, скопления звездчатых ретикулоэндотелиоцитов, лимфоцитов, макрофагов, нейтрофилов. Резко выражен стаз желчи в капиллярах. Гепатоциты определяются лишь в сохранившейся паренхиме на периферии долек, они в состоянии гидропической или баллонной дистрофии. В участках, где некротические массы резорбированы и обнажена рети-

кулярная строма, просветы синусоидов резко расширены, полнокровны; там же видны многочисленные кровоизлияния.

Если больные не погибают в острый период от печеночной комы, у них формируется постнекротическийкрупноузловой цирроз печени.

Холестатическая форма гепатита встречается преимущественно у лиц пожилого возраста. В основе ее лежат внутрипеченочный холестаз и воспаление желчных протоков. При лапароскопии находят изменения, подобныебольшой красной печени, но печень с очагами

499

желто-зеленой окраски и подчеркнутым дольковым рисунком. При микроскопическом исследовании преобладают явления холестаза: желчные капилляры и желчные протоки портальных трактов переполнены желчью, желчный пигмент накапливается как в гепатоцитах, так и в звездчатых ретикулоэндотелиоцитах. Холестаз сочетается с воспалением желчных протоков (холангиты, холангиолиты). Гепатоциты центральных отделов долек в состоянии гидропической или баллонной дистрофии, встречаются тельца Каунсильмена. Портальные тракты расширены, инфильтрированы преимущественно лимфоцитами, макрофагами, нейтрофилами.

Хроническая форма вирусного гепатита представлена активным или персистирующим гепатитом (возможен и лобулярный гепатит).

Для хронического активного гепатита характерна клеточная инфильтрация портальной, перипортальной и внутридольковой склерозированной стромы печени. Особенно характерно проникновение инфильтрата из лимфоцитов, макрофагов, плазматических клеток через пограничную пластинку в печеночную дольку, что ведет к повреждению гепатоцитов (рис. 215). Развиваются дистрофия (гидропическая, баллонная) и некроз гепатоцитов (деструктивный гепатит), осуществляемый эффекторными клетками иммунной системы (иммунный цитолиз). Некрозы могут быть ступенчатыми, мостовидными и субмассивными(мультилобулярными). Степень распространенности некроза

является критерием степени активности (тяжести) заболевания. Деструкция гепатоцитов сочетается с очаговой или диффузной пролиферацией звездчатых ретикулоэндотелиоцитов и клеток холангиол. При этом регенерация паренхимы печени оказывается несовершенной, развиваются склероз и перестройка ткани печени.

В гепатоцитах при электронно-микроскопическом (рис. 216), иммуногистохимическом и светооптическом (окраска орсеином) исследовании выявляются маркеры вируса гепатита В - HBsAg и HBcAg. Гепатоциты, содержащие HBsAg, напоминают матовое стекло (матовостекловидные гепатоциты); ядра гепатоцитов, содержащих HBcAg, выглядят как бы посыпанными песком («песочные ядра»). Эти гистологические признаки также становятся этиологическими маркерами гепатита В. При хроническом активном гепатите находят очаговую экспрессию HBcAg. Хронический активный гепатит, как правило, прогрессирует в постнекротический крупноузловой цирроз печени.

Хронический персистирующий гепатит (см. рис. 215) характеризуется инфильтрацией лимфоцитами, гистиоцитами и плазматическими клетками склерозированных портальных полей. Редко очаговые гистио-

500